книга в верде после распозна (1024283), страница 30
Текст из файла (страница 30)
С увеличением температуры сопротивление термисторов уменьшается. Их функцию преобразования (рис. 4.44) обычно аппроксимируют выражением
Rt = Аев1Т, (4.147)
где Rt — сопротивление термистора при температуре Т в Кельвинах; А и В — постоянные, зависящие от материала и технологии, причем А зависит, кроме того, от размеров термистора и его формы.
Термисторы изготавливаются с номинальным сопротивлением (при 20 С) от 1 до 200 кОм. В зависимости от типа они могут применяться для измерения температур от —100 до 120—600 °С^<Их чувствитель-|ность в 6—10 раз больше, чем чувствительность металлического тер-| морезистора. Кроме того, термисторы имеют значительно меньшие мас-| сы и размеры. Имеются термисторы, выполненные в виде шариков | диаметром от 0,006 до 2,5 мм. Теплоемкость таких термисторов на ' несколько порядков меньше, чем у металлических терморезисторов. Малая теплоемкость обусловливает малую инерционность термисторов.
}
0
Имеются термисторы с постоянной тепловой инерцией несколько миллисекунд
Недостатком термисторов является нелинейность функции преобразования, большой разброс их параметров, а также старение и некоторая нестабильность характеристик. В течение первой недели их сопротивление может измениться на 1—1,5%, а за несколько месяцев еще на 1%. В дальнейшем изменение сопротивления термистора происходит медленнее, не превышая 0,2% в год.
Термисторы обычно включаются в схему неравновесного или автоматического моста. Приборы имеют индивидуальную градуировку, что обусловлено большим разбросом параметров и характеристик преобразователей. Ко вторичному прибору термисторы подсоединяются с помощью двухпроводного кабеля. Погрешность, вызванная изменением "параметров кабеля, ничтожна, поскольку сопротивление и чувствительность термистора много больше сопротивления линии связи и ее чувствительности к изменению температуры.
Термисторы применяются для измерения температуры в тех случаях, когда не требуется высокая точность, но нужно измерить температуру малых объектов, обладающих малой теплоемкостью. Они широко используются, например, в биологии. С помощью термистора, смонтированного на острие иглы, можно измерить температуру внутренних органов живого организма. Широкое применение термисторы находят в различных приборах для температурной коррекции характеристик приборов.
W 60 80 Рис. 4.44
4.2.11. Фотоэлектрические преобразователи
Принцип действия и основные типы преобразователей. Фотоэлектрический преобразователь представляет собой фотоэлектронный прибор (фотоэлемент), используемый в качестве измерительного преобразователя. Имеются три типа преобразователей: преобразователи с внешним фотоэффектом, с внутренним фотоэффектом и фотогальванические преобразователи. Наибольшее применение нашли преобразователи двух последних типов.
К преобразователям с внешним автоэффектом относятся вакуумные и газонаполненные фотоэлементы и фотоэлектронные умножите-
0
*"0
+ о
Рис. 4.45
ли. Вакуумные фотоэлементы состоят из вакуумированной стеклянной колбы, содержащей два электрода: анод и катод. При освещении фотокатода под влиянием фотонов света он эмитирует электроны. Если между анодом и фотокатодом приложено напряжение, то эти электроны образуют электрический ток; поскольку он вызван фотонами, его называют фототоком. Для фотоэмиссии электронов необходимо, чтобы энергия фотона Е = vh , где v — частота света; h — постоянная Планка, была больше работы выхода электронов Ф, характерной для данного материала фотокатода. Частота vrp = ф/h называется красной границей фотоэффекта, а соответствующая ее длина волны Хгр = с/vrp, где с — скорость света, — длинноволновым порогом фотоэффекта. Если X > Хгр, то никакая интенсивность света не может вызвать фотоэффект.
Газонаполненный фотоэлемент аналогичен вакуумному, но имеет определенное газовое заполнение. Благодаря ионизации газа происходит усиление тока фотоэмиссии. Чувствительность газонаполнен--ных фотоэлектрических преобразователей выше, чем у вакуумных.
Фотоэлектронный умножитель (ФЭУ) — это вакуумный фотоэлемент, снабженный системой электродов для усиления тока фотоэмиссии. Принципиальная схема ФЭУ показана на рис. 4.45. Свет падает на фотокатод ФК, который эмитирует электроны. Поток электронов фокусируется электрическим полем, создаваемым электродом Э, формируется диафрагмой Д и направляется на ускоряющий электрод— динод Эх. Напряжение на диноде таково, чтобы энергии фотоэлектрона было достаточно для вторичной эмиссии электронов. Режим работы таков, что при вторичной эмиссии испускается больше электронов, чем падает на динод. Так происходит усиление потока электронов. Поток электронов, усиленный динодом Эх, направляется на следующие диноды Э2 — Э5, усиливается и собирается анодом А. Анодный ток ФЭУ довольно мал и требует дополнительного усиления. Для это-' го он преобразуется в напряжение с помощью сопротивления RH. Питание ФЭУ производится с помощью делителя напряжения Rx — R$. Фотоэлектронные умножители имеют высокую чувствительность и
0
Рис. 4.46
используются для измерения очень малых световых потоков (до 10"5 лк).
Чувствительный элемент преобразователей с внутренним фотоэффектом (фоторезисторов) выполнен в виде пластинки, на которую нанесен слой полупроводникового фоточувствительного материала. В качестве фоточувствительного материала обычно используется сернистый кадмий, селенистый кадмий или сернистый свинец.
Электропроводность полупроводниковых материалов обусловлена возбуждением электронов в валентной зоне и примесных уровнях. При возбуждении электроны переходят в зону проводимости; в валентной зоне появляются дырки. При освещении возбуждение электронов увеличивается, что вызывает увеличение электропроводности. Красная граница фоторезисторов находится в инфракрасной области, например, для сернисто-свинцовых Хгр = 2,7 мкм. При небольших освещенностях преобразователя число возбужденных светом электронов пропорционально освещенности, его электрическая проводимость
G = 1ф/и, (4.148)
где /ф — фототок; U — напряжение, приложенное к преобразователю, также пропорционально освещенности.
При больших освещенностях пропорциональность нарушается. Типичная зависимость фототока от освещенности приведена на рис. 4.46,д. Чувствительность фоторезисторов определяется кратностью изменения их сопротивления. Для некоторых типов она достигает значения
К = RjRioo = 10s, (4.149)
где RT — темновое сопротивление, т. е. сопротивление неосвещенного преобразователя; Rwo — сопротивление при Е = 200 лк. ВАХ фоторе-зисторов линейна (рис. 4.46,6), т. е. их сопротивление не зависит от
0
Oj 0 20 40 60 80 100U,B
Рис. 4.47
приложенного напряжения. Инерционность характеризуется постоянной времени т. У сфнисто-кадмиевых преобразователей т лежит в пределах 1—140 мс, у селенисто-кадмиевых — 0,5—20 мс.
Фоторезисторы имеют высокую чувствительность. Однако их сопротивление зависит от температуры подобно сопротивлению термисторов. Для уменьшения температурной погрешности они включаются в смежные плечи моста.
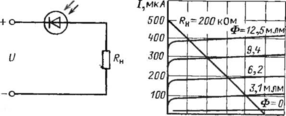
Фотогальванические преобразователи представляют собой фотоэлектронные приборы с р-и-переходом: фотодиоды и фототранзисторы. При освещении перехода создается дополнительная концентрация носителей в и-слое. Это приводит к усилению их диффузии к р-и-пере-ходу ив самом переходе. У диода, подключенного к запирающему напряжению (рис. 4.47,д), под действием света возрастает обратный ток. Вольт-амперная характеристика германиевого фотодиода приведена на рис. 4.47,6. При отсутствии освещения она не отличается от характеристики обычного диода, а при освещении смещается вверх пропорционально величине светового потока.
Наиболее распространены германиевые и кремниевые фотодиоды. Их спектральные характеристики заходят в область инфракрасного излучения (для германиевых фотодиодов до Хгр = 2 мкм, для кремниевых до Хгр = 1,2 мкм).
Фотодиоды могут работать в фотодиодном и генераторном (вентильном) режимах. В фотодиодном режиме преобразователь подключают к запирающему напряжению (рис. 4.47,а). При увеличении его освещенности возрастает обратный ток, что приводит к увеличению напряжения UH на сопротивлении RH. Напряжение UH- и чувствительность можно определить по ВАХ и нагрузочной прямой (рис. 4.47,6). Зависимость тока фотодиода от освещенности практически линей- / на. Внутреннее дифференциальное сопротивление фотодиода имеет величину порядка мегаомов, поэтому обычно они работают в режиме, близком к короткому замыканию. 184
I
@
Рис.
4.48
(4.150)
где /ф — фототок, определяемый световым потоком Ф; S — чувствительность.
Значение темнового тока 1Т сильно зависит от температуры. Фотодиоды — малоинерционные преобразователи. Их постоянная времени имеет порядок 10"7 — Ю-8 с.
В генераторном режиме фотодиод включают по схеме, приведенной на рис. 4.48, а, и он сам является источником тока. Фототок, напряжение на нагрузке UK и чувствительность можно определить по ВАХ, приведенной на рис. 4.48, б.
Особенности применения фотоэлектрических преобразователей для измерения несветовых величин. Фотоэлектрические приобразовате-ли, используемые для измерения несветовых величин, имеют ряд особенностей. Имеется возможность измерения без контакта с объектом измерения, отсутствует механическое воздействие на объект измерения. Преобразователи чувствительны к силе света и его цвету. Их недостатком является большая погрешность, которая в основном определяется усталостью, старением и зависимостью параметров преобразователя от температуры. Вследствие этих особенностей фотоэлектрические преобразователи нашли применение в основном в следующих случаях.
1. При измерениях, в которых преобразователь работает в релей-■ном режиме. Примером может служить измерение частоты вращения вала, имеющего диск с отверстиями. Диск прерывает луч света, падающий на фотоэлектрический преобразователь. Измеряемая скорость преобразуется в частоту электрических импульсов.
2. В качестве прямого преобразователя в компенсационных измерительных приборах.
З.При измерении несветовых величин, когда промежуточной величиной преобразования является величина световая, например, при измерении концентрации вещества в растворе, когда промежуточной величиной является изменение поглощения света раствором..
0
Рис. 4.49
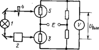
Для уменьшения погрешности измерения фотоэлектрические преобразователи включаются в дифференциальные или компенсационные измерительные цепи. Дифференциальная схема с двумя фотоэлектрическими преобразователями, служащая для измерения концентрации раствора, приведена на рис. 4.49. Первый луч света от источника 1 проходит через объект, измерения 2, например через кювету с исследуемым раствором, и попадает на фоторезистор 3. Второй луч проходит через применяемый для настройки прибора оптический клин 4 и попадает на второй фоторезистор 5. Фоторезисторы включены в мостовую цепь. Благодаря дифференциальной схеме компенсируются температурные и другие аддитивные погрешности. Однако вследствие разброса характеристик и параметров фотоэлектрических преобразователей каналы дифференциальной цепи несколько отличаются друг от друга, и компенсация t получается неполной. Достоинством схемы является ее пригодность для измерения быстропеременных величин. Инерционность прибора обусловливается инерционностью фотоэлектрических преобразователей и выходного прибора.
Меньшую погрешность имеют дифференциальные схемы с одним фотоэлектрическим преобразователем (рис. 4.50,д). По этой схеме лучи света с одного и другого каналов попеременно освещают фотоэлектрический приобразователь 1. Коммутация осуществляется с помощью диска 2, имеющего отверстия и вращающегося с постоянной скоростью при помощи синхронного двигателя СД Световой поток, падающий на фотоэлектрический преобразователь, модулирован и изменяется во времени, как показано на рис. 450,6. Переменная составляющая светового потока















