книга в верде после распозна (1024283), страница 23
Текст из файла (страница 23)
S = [(R - R0)IR0]/e. (4.72)
Это значение принимается в качестве номинального для всей партии. Чувствительность других тензорезисторов той же партии может отличаться от номинальной на 2—10%.
Во втором случае тензорезисторы являются постоянными преобразователями датчика. Отклонение их чувствительности от номинального значения учитывается при градуировке прибора, и результирующая 134
погрешность прибора значительно меньше, чем в первом случае, и нахо-дится в пределах 0,2—0,5%.
Погрешность может возникнуть вследствие температурных измене
нии сопротивления преобразователя. При изменении температуры оно изменяется как вследствие изменения удельного сопротивления материала, так и вследствие изменения натяжения из-за различных температурных коэффициентов удлинения тензорезистора )3Т и детали |3Д, на которую он наклеен. Полное изменение сопротивления
где R0 — сопротивление тензорезистора при нормальной температуре; S — его чувствительность; а — температурный коэффициент сопротивления; Дг — изменение температуры.
можно изготавливать так, чтобы при наклейке на определенный материал его сопротивление не зависело от температуры. Такие тензорезис-торы называются термокомпенсированными.
Температурная погрешность проводниковых тензореЗисторов в основном имеет аддитивный характер. Для ее компенсации используются дифференциальные схемы. При измерении механических напряжений применяют схему первого типа с двумя или четырьмя тензорезистора-ми. Рабочие тензорезисторы наклеивают на исследуемую деталь вдоль ожидаемой деформации, а компенсационные — поперек нее. При измерении других величин, например силы, используется дифференциальная схема второго типа. При этом на силоизмерительную пружину с разных сторон наклеивают два тензорезистора, так что при изгибе пружины под действием силы один из них растягивается, другой — сжимается. В обоих случаях температурные условия и температурные изменения сопротивлений тензорезисторов одинаковы. Тензорезисторы включаются в смежные плечи моста, и это компенсирует температурную погрешность. Для увеличения чувствительности на силоизмерительную пружину ' можно наклеить четыре тензорезистора, причем преобразователи, воспринимающие деформации одного знака, должны включаться в противополЪжные плечи моста.
В тензорезисторных приборах высокой точности и для получения датчиков с унифицированными характеристиками, чтобы обеспечить их взаимозаменяемость, применяются мостовые схемы с нормирующими резисторами (рис. 4.14, а). На приведенной схеме Rl — R4 — тензорезисторы; i?g и i?g — резисторы, служащие для балансировки моста;
Дт1 и i?Tl — термозависимые резисторы для компенсации аддитивной температурной погрешности; Дц и Дц — резисторы, изменяя сопротивления которых, можно регулировать чувствительность датчика;
ARt = R0[a + S(fin - |Зт)]Дг,
(4.73)
0
Рйс. 4.14
RT2 и /?т'2 — термозависимые резисторы, с помощью которых компенсируется температурное изменение чувствительности; Яш и ЛВых ~ резисторы, служащие для регулирования входного и выходного сопротивлений моста.
Фольговые нормирующие резисторы показаны на рис. 4.14, б. Они сделаны так, что, обрывая ту или иную перемычку на фольговой решетке, можно изменять значение сопротивления и тем самым регулировать параметры и характеристики тензорезисторного моста и прибора в целом. Резисторы Rq и R4 изготовлены из константановой фольги, RTl — из медной, RT2 — из никелевой. При использовании мостовых схем с нормирующими резисторами погрешность датчиков с фольговыми тензорезисторами снижается до 0,03—0,05%, а у датчиков с полупроводниковыми тензорезисторами — до 0,1%.
0
4.2.3. Емкостные преобразователи
Принцип действия и конструкция. Емкостный преобразователь представляет собой конденсатор, электрические параметры которого изменяются под действием входной величины.
Конденсатор состоит из двух электродов, к которым подсоединены выводные концы. Пространство между электродами заполнено диэлектриком. При изменении взаимного положения электродов или при изменении диэлектрической проницаемости среды, заполняющей межэлектродное пространство, изменяется емкость конденсатора.
В качестве емкостного преобразователя широко используется плоский конденсатор. Его емкость определяется выражением
С = ee0Q/8,
(4.74)
где 6 — расстояние между электродами; Q — их площадь; е0 — электрическая постоянная; ег — относительная проницаемость диэлектрика.
Изменение любого из этих параметров изменяет емкость конденсатора.
У преобразователя с прямоугольными электродами (рис. 4.15, а) Q = Ьх и имеется некоторый диапазон перемещения пластин х, в котором емкость линейно зависит от х (рис. 4.15, б). Линейная зависимость искажается вследствие краевого эффекта. В области линейной зависимости чувствительность такого преобразователя
S = dC/dx = er e0b/b
(4.75)
постоянна и увеличивается с уменьшением расстояния между электродами 5.
Если изменяется расстояние 6 между электродами, функция преобразования С = /(6) представляет собой гиперболическую функцию. Чувствительность преобразователя
(4.76)
S = dC/dd = е,е„е/62
сильнее, чем в предыдущем случае, зависит от расстояния между пластинами 6. Для увеличения чувствительности S целесообразно умень-
Поддижная пластина
^ пластина
*)
I
Рис. 4.15
0
ОС
L
7
71
C=f(QE)
a)
Рис. 4.16
шить 6. Предельное его значение определяется технологическими соображениями и приложенным напряжением. Надо учитывать, что при малых 6 возможен электрический пробой между электродами*.
Если перемещать диэлектрическую пластину в зазоре плоского конденсатора (рис. 4.16, а), то можно получить преобразователь с переменной диэлектрической проницаемостью. Емкость такого преобразователя определяется как емкость двух параллельно включенных конденсаторов. Один из них С£ образован частью электродов и диэлектрической пластиной, другой С0 — оставшейся частью электродов с межэлектродным пространством, не заполненным пластинкой. Если пластинка с относительной диэлектрической проницаемостью ег имеет толщину 6, равную расстоянию между электродами, то функция преобразования преобразователя описывается выражением
где Q — площадь электродов; Qe — часть площади диэлектрической пластины, находящаяся между электродами.
Емкостные преобразователи могут выполняться по дифференциальной схеме. Схема дифференциального преобразователя углового перемещения а с переменной площадью электродов приведена на рис. 4.16, б. В таких преобразователях средний подвижный электрод обычно соединяется с экраном.
Схемы включения. Емкостный преобразователь включается в измерительную цепь; при этом изменение его емкости преобразуется в изменение напряжения или тока либо в частоту синусоидального или импульсного тока. Существует довольно много различных измерительных цепей включения емкостных преобразователей. Рассмотрим некоторые из них.
* Пробой в сухом воздухе при атмосферном давлении происходит при напряженности Е = 3 ■ 103 кВ/см. Однако расчетное значение напряженности обычно не превосходит 700 кВ/см.
С = Се + Со = е0Ш + Qe(e - 1)]/6,
(4.77)
.0
Для включения недифференциального преобразователя может использоваться резонансная цепь (рис. 4.17, а). Генератор через разделительный трансформатор Т питает резонансный LC-контур. Емкость контура состоит из емкости преобразователя Спр и под-строечного конденсатора емкостью С*, частота и значение напряжения генератора постоянны. При изменении емкости напряжение на контуре изменяется по резонансной кривой, как показано на рис. 4.17,6. При изменении емкости преобразователя на АС напряжение на контуре изменяется на A U. Подстроечный конденсатор служит для настройки контура так, чтобы чувствительность измерительной цепи
S = AU/AC (4.78)
была максимальной.
Чувствительность резонансной цепи довольно высока и увеличивается с увеличением добротности контура.
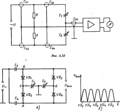
Для включения дифференциального емкостного преобразователя может быть использована мостовая цепь (рис. 4.18), работающая в неравновесном режиме. В этой цепи емкости Cj и Сг — дифференциальный преобразователь. На схеме показано также экранирование соединительных проводов и диагоналей мостовой цепи. Сэ1> Сэ2, Сэ3, Сэ4 — емкости соответствующих экранов. Эти емкости включены параллельно активным сопротивлениям и входят в полные сопротивления плеч моста. Эквивалентные емкости экранов могут несколько изменяться при работе прибора. Для того чтобы их изменения мало влияли на выходное напряжение моста, сопротивления резисторов R должны быть малыми. Емкость Сэ5 не входит в уравнение равновесия моста, и ее изменение значительно меньше влияет на его выходное напряжение.
Другой схемой включения дифференциальных емкостных преобразователей является емкостно-диодная цепь (рис. 4.19, а). Дифференциальный преобразователь Cj и С2 подключается к источнику переменного напряжения через диоды VD\ — vd4 и конденсаторы С3 — С4. При положительной полярности напряжения U конденсатор С\ заряжается через С3 и VD^, а при отрицательной разряжается через С4 и VDi. Конденсаторы Сз и С4 имеют равные емкости, а диоды VD^ и VD2 — равные прямые сопротивления. При этом, если питающее напря
С
Рис. 4.17
0
Рис. 4.19
жение синусоидально, то же синусоидальное напряжение будет и на конденсаторе Ci (в точке с), причем значение этого напряжения определяется значением Сх. Аналогичным образом напряжение на конденсаторе С2 (в точке d) изменяется синусоидально и его значение зависит от емкости С2. Если все диоды имеют одинаковые прямые сопротивления, то при Ci = Сг напряжения на этих конденсаторах одинаковы и напряжение между точками с и d отсутствует. Если же С\ ФС2, то между точками с и d появится переменное напряжение, пропорциональное разности Ci — С2. Это напряжение выпрямляется в течение одной половины периода диодами VDi и VD3, а в течение второй — диодами VD2 и VD4. Выходное напряжение снимается с диодов VD3 и VD4o Его изменение во времени показано на рис, 4.19, б. Среднее выпрямленное значение напряжения С^ых определяется разностью Сх — С2 и приближенно равно
^вых = 2U~(C* - С2)/(С, + С2 + 2dC2/C3). (4.79)
Для того чтобы упростить экранирование, вся емкостно-диодная
схема помещается в экранированный корпус датчика.
0
Погрешность емкостного преобразователя. Электроды емкостного преобразователя монтируются на изоляционных деталях или разделяются ими. Разнородные конструктивные детали датчика имеют различные коэффициенты линейного расширения. При изменении температуры это приводит к изменению расстояния между электродами. Хотя это изменение мало, оно может быть соизмеримо с расстоянием между электродами и приводит к температурной погрешности, имеющей аддитивную и мультипликативную составляющие. Первая может быть уменьшена применением дифференциальных преобразователей
Номинальная емкость емкостных преобразователей обычно лежит в пределах от единиц до сотен пикофарад. На частоте 50 Гц внутреннее сопротивление преобразователя достигает значений более 107 Ом, При столь высоком сопротивлении возможны погрешности, обусловленные паразитными токами утечки, причем на результат измерения влияет непостоянство сопротивления изоляции. Для уменьшения сопротивления преобразователя частота напряжения питания увеличивается до нескольких килогерц и выше, вплоть до нескольких мегагерц.















