ЛР1. Методические рекомендации по созданию трехмерных моделей деталей и их ассоциативных чертежей. (1016890)
Текст из файла
76
Методические рекомендации по выполнению конструкторской документации в системе КОМПАС -3D
Лабораторная работа №1
«Создание трёхмерных моделей и ассоциативных чертежей деталей, входящих в состав сборочной единицы»
Содержание.
Введение.
1. Задание…………………………………………………5
2. Порядок выполнения работы…………………………8
3. Моделирование детали - позиция 2 (Корпус)…….....10
3.1. Предварительный анализ детали………………..10
3.2. Построение 3D модели Корпуса………………...12
3.3. Построение ассоциативного чертежа…………...30
4. Моделирование детали позиция 3 (Основание)……..43
4.1. Построение 3D модели детали…………………..43
4.2. Построение ассоциативного чертежа…………...49
5. Моделирование детали позиция 1 (Штуцер)………...50
5.1 Предварительный анализ детали…………………50
5.2. Построение 3D модели детали………………......50
5.3. Построение ассоциативного чертежа…………...54 Приложение.
6.1. Задание…………………………………………….57
6.2. Таблица 1. Стандартные диаметры и шаги
метрической резьбы……………………………....58
6.3 Таблица 2. Сбеги, недорезы, проточки и фаски
для внутренней метрической резьбы……………61
6.4. Таблица 3. Сбеги, недорезы, проточки и фаски
для наружной метрической резьбы……………...62
6.5. Соединения деталей с помощью болтов, винтов
и шпилек………………………………………….63
6.6. Таблица 4.Сквозные отверстия под крепежные
детали…………………………………………………….64
6.7. Расчет шпилечного соединения и параметров
стандартных крепёжных изделий…………….....66
ВВЕДЕНИЕ
Методические рекомендации по выполнению конструкторской документации в системе КОМПАС -3D предназначаются для студентов I,II,III курсов очного, очно-заочного и заочного обучения, изучающих дисциплины «Инженерная и компьютерная графика» и «Компьютерная графика».
Система КОМПАС-3D позволяет создавать конструкторскую документацию, включающую трёхмерные параметрические модели деталей, содержащих как оригинальные, так и стандартизованные элементы, 3D-модели сборочных единиц, а также выпускать техническую документацию – чертежи, спецификации, схемы и др.
Предлагаемое задание содержит элементы конструирования сборочной единицы и отдельных деталей в параметрическом режиме, при этом система КОМПАС -3D позволяет реализовать схему: модель – ассоциативный чертёж – спецификация.
В данной методической рекомендации описана работа в КОМПАС 3D версии V9 SP2, в других версиях программы возможны некоторые отличия интерфейсов и последовательности действий для выполнения поставленных задач.
Для выполнения задания необходимы прикладные параметрические библиотеки, поставляемые вместе с системой КОМПАС -3D:
1. .ЗАДАНИЕ
Выполнить комплект конструкторской документации на сборочную единицу. В комплект конструкторской документации входят:
-
3D–модели всех оригинальных деталей, входящих в сборочную единицу;
-
Ассоциативные рабочие чертежи всех оригинальных деталей, входящих в сборочную единицу;
-
3D–модель сборочной единицы;
-
Ассоциативный сборочный чертеж;
-
Спецификация.
Описание сборочной единицы. Сборочная единица - изделие, составные части которого подлежат соединению между собой путем различных сборочных операций: свинчиванием, сваркой, пайкой, склеиванием и т.п. В данном случае сборочная единица
имеет несложную конструкцию и состоит из четырех оригинальных деталей и четырех шпилечных соединений, обеспечивающих неподвижное разъемное соединение. Схема изделия приведена на рис.1.
Рис.1
К Основанию (поз.3) при помощи шпилечных соединений крепится Корпус (поз.2). В состав каждого шпилечного соединения входят шпилька М12, гайка и шайба (поз.5,6,7). Плотное соединение деталей обеспечивается их конструктивной формой. Сверху к Корпусу (поз.2) при помощи резьбы присоединяется Штуцер (поз.1). К Основанию (поз.3) при помощи пайки или склеиванием крепится Табличка (поз.4) с габаритными размерами 15 х 20 х 0,3 мм. Тип неразъемного неподвижного соединения выбирается в зависимости от условий эксплуатации изделия. На рис.2 даны незаконченные чертежи Штуцера и Корпуса. Детали поз.3 и 4 необходимо сконструировать в процессе моделирования, при этом модель Таблички создается непосредственно в 3D-сборке.
Материал деталей поз. 1, 2, 3, 4 - Сталь 45 ГОСТ 1050-88.
Рис.2
Условия эксплуатации: вибрация повышенная, температура повышенная.
2. Порядок выполнения работы
Давайте шаг за шагом рассмотрим процесс создания конструкторской документации в соответствии с заданием.
1. Начнем с того, что дадим сборочной единице имя – Приспособление.
2. Присвоим создаваемым документам обозначение, например, МИРЭА.001000.ИКГ2 для Сборки; МИРЭА.001001.ИКГ2 для Штуцера и т.д.
3. Составим предварительный перечень деталей, входящих в состав Приспособления (табл.1).
Таблица 1
| № дет. | Наименование | Кол-во | Обозначение | Материал | Примечание | |
| 1 | Штуцер | 1 | МИРЭА.001001.ИКГ2 | Сталь 45 ГОСТ 1050-88 | Необходимо дополнить чертеж конструктивно-технологическими элементами | |
| 2 | Корпус | 1 | МИРЭА.001002.ИКГ2 | Сталь 45 ГОСТ 1050-88 | Необходимо дополнить чертеж конструктивно-технологическими элементами | |
| 3 | Основание | 1 | МИРЭА.001003.ИКГ2 | Сталь 45 ГОСТ 1050-88 | Сконструировать | |
| 4 | Табличка | 1 | МИРЭА.001004.ИКГ2 | Сталь 45 ГОСТ 1050-88 | Сконструировать | |
| 5 | Шпилька | 4 | На стандартные крепежные изделия чертежи не выполняются | Провести расчет шпилечного соединения | ||
| 6 | Гайка | 4 | ||||
| 7 | Шайба | 4 |
4. Определим способы соединения составных частей сборочной единицы:
-
Штуцер присоединяется к Корпусу при помощи резьбы. На обеих деталях параметры резьбы должны быть одинаковыми и соответствовать стандарту. Для резьбового соединения в данном случае в соответствии с ГОСТ 8724-81 «Диаметры и шаги первого ряда метрической цилиндрической резьбы общего назначения» целесообразно выбрать метрическую резьбу М36ĥ1 (см. Приложение 6.1). Выбор мелкого шага 1 мм продиктован повышенной вибрацией при эксплуатации изделия.
-
По условию задания Корпус, присоединяется к Основанию при помощи шпилек М12. Расчет шпилечного соединения приведен в Приложении 6.7.
-
Табличка (Бирка) крепится к Основанию при помощи пайки или склеивания. Выбираем пайку припоем ПОС 40 ГОСТ 1499-70, так как изделие эксплуатируется в условиях повышенной температуры.
5. Результаты проведенных расчетов:
-
Для соединения заданных деталей применяются следующие стандартные крепежные изделия:
Шпилька М12 х 1,25 х 50 ГОСТ 22032 - 76
Гайка М12 х 1,25 ГОСТ 5915 – 70
Шайба 12 ГОСТ 11371 - 78.
-
В Основании необходимо спроектировать четыре глухих резьбовых отверстия под шпилечное соединение со следующими параметрами:
d0 (диаметр отверстия) – 10, 75 мм;
D (диаметр зенковки) – 13, 95 мм;
H (глубина отверстия) - 19 мм;
H (длина резьбы полного профиля) – 15 мм.
Параметрами положения являются межцентровые
расстояния: 78 мм х 48 мм
-
В детали Корпус необходимо спроектировать четыре сквозных отверстия с диаметром dотв =14 мм. Параметрами положения являются межцентровые расстояния: 78 мм х 48 мм.
6. Построим трехмерные модели деталей поз.1, 2 и 3. Начинать надо с моделирования детали поз.2, так как две другие детали будут к ней присоединяться. После моделирования детали выполняется её ассоциативный рабочий чертеж.
7. Процесс моделирования детали предполагает выполнение нескольких этапов:
-
Предварительный анализ детали;
-
Создание и сохранение документа для модели детали;
-
Создание эскиза детали;
-
Создание базовой детали;
-
Создание дополнительных элементов детали;
-
Создание ассоциативного чертежа детали.
3. МОДЕЛИРОВАНИЕ ДЕТАЛИ ПОЗ.2 (КОРПУС).
3.1. Предварительный анализ детали
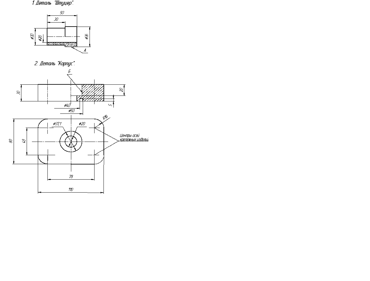
Для построения модели Корпуса (рис.2) проведем предварительный анализ детали:
-
Представим конструкцию детали и мысленно разобьем ее на основные формообразующие элементы (тела – примитивы). Корпус представляет собой призму со скругленными углами. Параметрами формы для призмы являются длина 110 мм, ширина 80 мм и высота 32 мм (рис.3).
Рис. 3 Формообразующий элемент Корпуса
-
Скругления ограничены цилиндрическими поверхностями с параметрами: радиус 16мм и высота 32 мм (рис.4).
Рис. 4 Корпус – призма со скругленными углами
-
В центре Корпуса имеется цилиндрическое отверстие (рис.5) с параметрами: диаметр 37.1 мм и глубина (высота) 20 мм. Отверстие предназначено для нарезания резьбы под Штуцер. Согласно ГОСТ 8724-81 (Приложение 1) выполняем метрическую резьбу с наружным диаметром 36 мм и мелким шагом 1мм. Шаг резьбы выбирается в зависимости от условий эксплуатации: при нормальной вибрации - крупный (как наиболее дешевый), а при повышенной - мелкий. Считается, что температурный режим не влияет на выбор шага резьбы.
-
Для получения полного профиля по всей длине резьбы спроектируем специальную проточку (канавку) для выхода резьбонарезного инструмента. Ее параметры зависят от шага резьбы и регламентированы ГОСТ 10549-80 (Приложение 3). Следует помнить, что стандартизованные элементы резьбы (фаски и проточки) входят в длину резьбы.
-
Для обеспечения плотного соединения Корпуса с Основанием служит канавка, образованная цилиндрическими поверхностями со следующими параметрами: диаметр 50мм, высота 5мм: диаметр 40мм, высота 5мм (рис.6).
-
Деталь имеет продольную и поперечную симметрию.
-
В углах детали должны быть выполнены четыре сквозных отверстия под шпильки М12х1,25х50 ГОСТ 22032-76. Диаметр этих отверстий зависит от параметров шпилечного соединения и равен 14 мм. Параметрами положения отверстий являются межцентровые расстояния 78мм и 48мм. Все размеры в данном случае являются сопряженными.
Рис. 5 Корпус с отверстием под Рис. 6 Цилиндрическая М36х1 и сквозными отверстиями канавка
под шпильки
3.2. Построение 3D модели Корпуса.
Перед началом работы необходимо получить лицензию на работу с КОМПАС-3D, записанную в памяти ключа. Для этого выполните команду Сервис – Получить лицензию на КОМПАС-3D.
3.2.1. Построение эскиза.
-
В
ыполните команду Файл │ Создать или нажмите кнопку Создать
на Панели стандартная -
В диалоговом окне выберите тип документа Деталь и нажмите кнопку ОК. Перед Вами раскроется окно новой детали с рабочим полем, деревом построения детали и дополнительные панели.
Сразу после создания документа рекомендуется дать ему конкретное имя и сохранить файл на диске:
-
Выполните команду Файл │ Сохранить или нажмите кнопку Сохранить на Панели стандартная.
-
В диалоговом окне Укажите имя файла для записи выберите папку, где вы хотите сохранить свой документ.
-
В поле Имя файла диалогового окна сохранения документов введите имя детали Корпус.
-
Нажмите кнопку Сохранить. В окне Информация о документе просто нажмите кнопку ОК. Поля этого окна заполнять необязательно.
Построение модели любой детали необходимо начать с основания – первого формообразующего элемента. Для Корпуса это призма.
-
Создайте эскиз на плоскости ZX . Для чего, укажите щелчком мыши в Дереве построения плоскость ZX (рис.7). При этом пиктограмма плоскости будет выделена зеленым цветом, а в окне детали появится условное обозначение плоскости – квадрат с узелками управления.
Дерево построения детали - это представленная в графическом виде последовательность элементов, составляющих деталь. В Дереве построения детали отображаются: обозначение начала координат, плоскости, оси, эскизы, операции и Указатель окончания построения модели.
Характеристики
Тип файла документ
Документы такого типа открываются такими программами, как Microsoft Office Word на компьютерах Windows, Apple Pages на компьютерах Mac, Open Office - бесплатная альтернатива на различных платформах, в том числе Linux. Наиболее простым и современным решением будут Google документы, так как открываются онлайн без скачивания прямо в браузере на любой платформе. Существуют российские качественные аналоги, например от Яндекса.
Будьте внимательны на мобильных устройствах, так как там используются упрощённый функционал даже в официальном приложении от Microsoft, поэтому для просмотра скачивайте PDF-версию. А если нужно редактировать файл, то используйте оригинальный файл.
Файлы такого типа обычно разбиты на страницы, а текст может быть форматированным (жирный, курсив, выбор шрифта, таблицы и т.п.), а также в него можно добавлять изображения. Формат идеально подходит для рефератов, докладов и РПЗ курсовых проектов, которые необходимо распечатать. Кстати перед печатью также сохраняйте файл в PDF, так как принтер может начудить со шрифтами.
















