ЛР1. Методические рекомендации по созданию трехмерных моделей деталей и их ассоциативных чертежей. (1016890), страница 4
Текст из файла (страница 4)
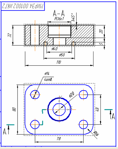
Рис.41. Построение сложного ступенчатого разреза
Дополните изображения Корпуса осевыми и центровыми линиями (Инструменты│Обозначения│Автоосевая или Инструменты│Обозначения│Осевая по двум точкам или Инструменты│Обозначения│Обозначение центра). При нанесении осевых линий пользуйтесь такими локальными привязками, как Середина и т.п. Для вызова меню локальных привязок щелкните правой кнопкой мыши. В появившемся контекстном меню выполните, например, Привязка │Середина.
Не забывайте делать текущим вид, в котором вы наносите линии.
На изображениях проставьте размеры{Инструменты │ Размеры │ Авторазмер}, используя рис.42 в качестве образца. При этом
также не забывайте делать текущим то изображение, на котором вы ставите размеры.
Рис. 42. Нанесение осевых линий и размеров на ассоциативный чертёж детали Корпус
Завершите заполнение основной надписи (рис.43). Для заполнения основной надписи активизируйте её двойным щелчком мыши. Признаком активности является появление в ней границ ячеек с учётом заданных отступов текста. Заполните следующие ячейки основной надписи:
- В поле Разраб. Введите свою фамилию.
- В ячейки Пров. и Утв. введите фамилии преподавателей, ведущих занятия.
- В поле Дата дважды щелкните до появления диалогового окна Ввод даты (рис.43) и опять щелкните дважды по новой дате.
Рис.43. Ввод даты
- В поле Обозначение введите код документа.
- В поле Наименование изделия вставьте его название.
- В поле Обозначение материала детали можно ввести обозначение материала с клавиатуры или выбрать из библиотеки.
- В поле Наименование предприятия введите МИРЭА (ТУ) и номер группы.
- Нажмите кнопку Создать объект на Панели свойств.
После выполнения некоторых команд система может обнаружить несогласованность изображений, и габаритный прямоугольник будет перечеркнут штриховой линией. В этом случае выполните Вид│Перестроить. На запрос системы на перестроение чертежа также необходимо давать положительный ответ.
Рабочий чертёж Корпуса (рис.44) имеет незначительное отклонение от требований ЕСКД. Требуется отредактировать чертеж:
- необходимо скорректировать изображение резьбы в районе проточки;
- необходимо при помощи выносного элемента показать форму и размеры проточки для выхода резьбонарезного инструмента;
- в соответствии с ГОСТ 2.311-68 надо удалить резьбовую фаску на виде сверху.
Рис.44 Ассоциативный чертеж Корпуса
Для того, чтобы отредактировать чертёж в соответствии с требованиями ЕСКД, сохраните файл под другим именем (например, как «Корпус разр.») и разрушьте все ассоциативные связи. Для этого выполните: Вид│Дерево построения│Проекционный вид 2. Правой кнопкой мыши вызовите контекстное меню вида. Щелкните на команде Разрушить вид. В появившемся диалоге Разрушить вид подтвердите нажатием кнопки ОК. (рис.44). Повторите команду для каждого вида.
Рис.44. Диалоговое окно Разрушить вид
-
Удалите изображение резьбовой фаски на Виде сверху, выделив окружность щелчком мыши и нажав Delete. Должно остаться изображение резьбы – три четверти дуги окружности тонкой линией.
-
Скорректируйте изображение резьбы (рис.45).
Рис. 45. Отредактированное изображение резьбы
-
Следует иметь в виду, что проточки на основных изображениях показывают упрощенно. Выполните выносной элемент, раскрывающий форму и размеры проточки для выхода резьбонарезного инструмента.
Выносной элемент выполняется следующим образом: Менеджер библиотек │Машиностроение│Конструкторская библиотека│Конструктивные элементы │Проточки│Для внутренней метрической резьбы (рис.46).
Нажмите кнопку Менеджер библиотек на Стандартной панели. Раскройте раздел Машиностроение и в правой части диалога дважды щелкните пункт Конструкторская библиотека. Также двойным щелчком активизируйте вкладку Конструктивные элементы│Проточки│Для внутренней метрической резьбы.
Размеры канавки выбираются в соответствии с ГОСТ 10549-80. Выбираем Сечение с размерами. Сам выносной элемент располагают как можно ближе к соответствующему месту предмета. Над изображением выносного элемента указывают обозначение Инструменты│Обозначения│Выносной элемент и в круглых скобках масштаб, в котором он выполнен.
Рис. 46. Построение выносного элемента.
Чертеж полностью готов. Убедитесь в этом, нажав кнопку Показать все (рис.47).
Рис.47. Рабочий чертеж Корпуса
Сохраните документ.
4. МОДЕЛИРОВАНИЕ ДЕТАЛИ ПОЗ. 3 (ОСНОВАНИЕ).
4.1 Построение 3D модели детали.
Деталь поз.3, как следует из задания, представляет собой нижнее основание, по форме аналогична детали Корпус и соединяется с ним посредством шпилечного соединения (см. Приложение 6.7)
1
. Смоделируйте нижнее основание. Создайте файл типа Деталь и сохраните его как «Основание» . В плоскости ZX создайте эскиз (рис.48).
Рис.48. Эскиз основания в параметрическом режиме
2. Выдавите эскиз на 50мм (рис.49).
Рис.49. Модель основания.
3. Выполните скругление ребер призмы со следующими параметрами: радиус 16 мм, высота равна высоте призмы, т.е.50 мм. Примените команду Скругление на странице Редактирование детали. В раскрывающемся окне укажите: Тип скругления – Постоянный радиус (по умолчанию активен), значение радиуса скругления - 16 мм. Укажите ребра призмы щелчком мыши. На модели появятся фантомы скруглений (рис.50).
Рис. 50. Результат выполнения операции Скругление
5
. Выполните кольцевой выступ c диаметром 40x50 мм и высотой 5 мм.
Рис.51. Моделирование Основания
6. В Основании необходимо спроектировать четыре глухих резьбовых отверстия под шпилечное соединение со следующими параметрами:
d0 (диаметр отверстия) – 10, 75 мм;
D (диаметр зенковки) – 14 мм;
H0 (глубина отверстия) - 18 мм;
H (длина резьбы полного профиля) – 14 мм.
Параметрами положения являются межцентровые расстояния: 78 мм х 48 мм.
В
окне документа выделите грань для построения отверстия и вызовите команду Отверстие на странице Редактирование детали (рис.52).
Рис.52. Выделение грани для построения отверстий
7. На Панели свойств установите параметры отверстия (рис.53).
Рис.53 Панель свойств команды Отверстие
8. Отмените фиксацию точки привязки (щелкните на крестике рядом с полями координат).
9. В диалоговом окне Выбор отверстия в перечне элементов Библиотеки отверстий выделите Отверстие 04.
10. В этом же окне, в его нижней части, заполните таблицу параметров:
-
d (диаметр отверстия) – 10.75мм:
-
D ( Диаметр зенковки) – 14мм;
-
Н (Глубина отверстия) – 18мм.
11. Закройте окно щелчком мыши на кнопке Выбор отверстия.
Щелкните мышью примерно в том месте грани, где должно располагаться отверстие, и на Панели свойств нажмите кнопку Создать объект. Система отрисует отверстие с заданными параметрами (рис.54).
Рис.54 Моделирование отверстия
12. Теперь задайте точное положение отверстия на грани.
-
В дереве построения раскройте строку Отверстие:1, выделите его эскиз и из контекстного меню выберите команду Редактировать. В эскизе будет изображение только центра отверстия.
-
П
ри помощи команды Линейный размер на странице Размеры задайте положение центра отверстия (рис.55) и закройте эскиз.
Рис.55. Эскиз отверстия в параметрическом режиме
13. Создайте копию отверстия командой Зеркальный массив на странице Редактировать детали (рис.56). Затем выделите плоскость ZY. Нажмите кнопку Создать объект.
Рис.56. Создание копий отверстий
Рис.57 Моделирование отверстий
14. Теперь создайте в отверстиях изображение резьбы.
Активизируйте команду Условное изображение резьбы на инструментальной панели Условные обозначения.
Укажите базовый объект – кромку цилиндрической поверхности, на которой должна быть построена резьба.
На панели свойств выполните следующие действия:
-
Включите переключатель Начальная граница и щелкните на грани детали, от которой должна быть построена резьба.
-
Снимите флажок Автоопределение диаметра и задайте характеристику резьбы вручную: в поле номинальный Диаметр резьбы = 12мм, в поле Шаг раскройте список и выберите значение 1.0
-
Отключите построение На всю длину и введите в соседнее поле значение 14.
-
Нажмите кнопку Создать объект для фиксации изображения.
Точно такие же действия повторите для остальных отверстий (рис.58).
Рис.58. Условное изображение резьбы
в крепёжных отверстиях под шпильку
15. Выполните команду Свойства детали: в поле Обозначение введите МИРЭА.001003.ИКГ2, в поле Наименование – Основание. Задайте цвет и выберите из списка материалов Сталь 45 ГОСТ 1050-88 (рис.59).
















