Пояснительная записка (1004398), страница 10
Текст из файла (страница 10)
Определим разницу капитальных затрат между участковыми станциями:
руб
Из полученных расчетов следует, что строительство станции полупродольного типа экономичней на 36,14 млн.руб.
6.2 Сравнение эксплуатационных расходов
Расчёт эксплуатационных расходов сводится к расчёту тех статей, которые различаются между собой в зависимости от схемы станции. При сравнении вариантов учитываются на текущее содержание путей ЭП, стрелочных переводов ЭСТР, контактной сети ЭКС, на пробег сменных поездных локомотивов от транзитных поездов одного из направлений ЭЛОК, увеличение времени перестановки вагонов из парка сортировочного в парк приемоотправочный ЭВАГ, на содержание дополнительного штата вагонников ∆ЭШТ.
Эксплуатационные расходы найдем по формуле, млн.руб:
(6.1)
Расходы на содержание станционных путей найдется по формуле:
(6.2)
где
– суммарная длина путей, км;
– годовые затраты содержания 1 км пути.
Эксплуатационные расходы на содержание стрелочных переводов:
(6.3)
где
– количество стрелочных переводов;
– годовые затраты на содержание 1 стрелочного перевода.
Эксплуатационные расходы на содержание контактной сети:
Произведем расчет для станции полупродольного типа:
руб
руб
Для станции поперечного типа:
руб
руб
Стоимость пробега сменяемых локомотивов следует рассчитывать лишь для локомотивов, следующих из под транзитных поездов и для локомотивов, следующих с локомотивного хозяйства к поездам своего формирования. Пробег локомотивов из под поездов прибытия не считаем, так как по отношению к парку приема депо не изменило свое место расположения. Величина ЭЛОК определена по формуле, млн.руб:
(6.4)
где
– годовой пробег сменяемых поездных локомотивов в пределах станции, локомотиво.-км/год;
– стоимость 1 км пробега локомотива, руб/км.
Годовой пробег локомотива зависит от типа станции. При этом нужно учитывать, что для транзитных поездов пробег считается в обоих направлениях, а для поездов своего направления только в одном. Для станции полупродольного типа для четных поездов:
(6.5)
для нечетных поездов:
(6.6)
Для станции поперечного типа для четных поездов:
(6.7)
для нечетных поездов:
(6.8)
где
– длина нечетной горловины приемоотправочного парка, км;
– длина вытяжных путей станции с последовательным расположением устройств, км;
- длина хвостовой горловины сортировочного парка, км;
- длина путей сортировочного парка, км;
- длина горочной горловины сортировочного парка, км;
- длина путей приемоотправочного парка, км;
- длина четной горловины приемоотправочного парка, км;
- количество нечетных грузовых поездов, шт;
- количество четных грузовых поездов, шт.
Произведем расчеты.
- для транзитных поездов, прибывших с нечетного направления на станцию полупродольного:
лок.км/год
- для транзитных поездов, прибывших с четного направления на станцию полупродольного типа:
лок.км/год
-для поездов, отправляемых на нечетное направление со станции полупродольного типа:
лок.км/год
-для поездов, отправляемых на четное направление со станции полупродольного типа:
лок.км/год
-для транзитных поездов, прибывших с нечетного направления на станцию полупродольного типа:
лок.км/год
-для транзитных поездов, прибывших с четного направления на станцию полупродольного типа:
лок.км/год
-для поездов, отправляемых на нечетное направление со станции полупродольного типа:
лок.км/год
-для поездов, отправляемых на четное направление со станции полупродольного типа:
лок.км/год
Затраты на задержку локомотивов рассчитаны по формуле. При наличии неравноправных маршрутов первичные задержки по второстепенному маршруту, ч за сутки:
(6.9)
Величина вторичных задержек определяется для каждого маршрута по формулам, ч:
(6.10)
(6.11)
(6.12)
где
– число вторичных задержек;
– размеры движения по рассматриваемому маршруту;
– коэффициент загрузки пересечений.
Когда первый маршрут имеет преимущество в пропуске,
(6.13)
где
– коэффициент загрузки непосредственного подхода к пересечению:
(6.14)
где
– минимальный интервал в подходе подвижных единиц на рассматриваемом маршруте, мин;
– средняя величина вторичных задержек,
(6.15)
где
– время занятия пересечения одним поездом рассматриваемого маршрута, мин;
– время максимальной первичной задержки поезда рассматриваемого маршрута по враждебности.
Затраты связанные с пробегом локомотивов по станции полупродольного типа:
руб
Затраты связанные с пробегом локомотивов по станции поперечного типа:
руб
Таблица 6.3.
Расчет эксплуатационных расходов для участковой станции полупродольного типа
| Наименование расходов | Измеритель | Стоимость единицы измерителя руб/год | Количество | Эксплуатационные расходы, руб |
| Текущее содержание: | ||||
| стрелочных переводов | СП | 357600 | 185 | 66156000 |
| станционных путей | км | 186000 | 73,38 | 45643200 |
| Расходы по пробегу поездных локомотивов | лок.-км | 334,86 | 201115 | 67345568,9 |
| Всего | 179144768,9 | |||
Таблица 6.4.
Расчет эксплуатационных расходов для участковой станции поперечного типа
| Наименование расходов | Измеритель | Стоимость единицы измерителя руб/год | Количество | Эксплуатационные расходы, руб |
| Текущее содержание: | ||||
| стрелочных переводов | СП | 357600 | 164 | 58646400 |
| станционных путей | км | 186000 | 74,02 | 45655536 |
| Расходы по пробегу поездных локомотивов | лок.-км | 334,86 | 75883,5 | 25410348,81 |
| Всего | 129712284,81 | |||
После расчета капитальных и эксплуатационных затрат определяем приведенные годовые расходы по каждому из сравниваемых вариантов схемы станции:
(6.16)
где
– капитальные затраты по рассматриваемому варианту;
– годовые эксплуатационные расходы по этому же варианту;
– нормативный коэффициент эффективности
1 вариант станция полупродольного типа:
руб
2 вариант станция поперечного типа:
руб
Найдем разницу затрат между участковыми станциями:
руб или 85,57 млн.руб.
Таким образом станция поперечного типа более выгодна для проектирования, так как капитальные затраты на строительство участковой станции полупродольного типа значительно превосходит затраты.
Таким образом, для дальнейшего рассмотрения была принята участковая станция поперечного типа.
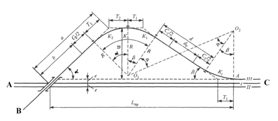
7 Расчет и проектирование путепроводной развязки
Для обеспечения безопасности движения и высокой пропускной способности в проекте со стороны примыкания двух подходов запроектирована путепроводная развязка. Расчет путепроводной развязки ведется в плане и профиле.
Расчет путепроводной развязки в плане производится на основе заданных исходных данных: угла наклона
, длины путепровода
м, радиуса кривых
м, длин переходных кривых
м, значения руководящего подъема на направлении (В)
‰ и схемы, представленной на рисунок 7.1
Рисунок 7.1. Расчетная схема путепроводной развязки
При расчете путепроводной развязки в плане определяются следующие элементы: угол поворота
главного пути III, длины тангенсов
,
и кривых
,
, минимальная длина путепроводной развязки в плане
(от точки А до середины путепровода) и длина ее проекции
на горизонтальную ось.
Решение производится по следующему алгоритму:
-
Определяется длина прямой вставки:
, (7.1)
где
– длины переходных кривых, м;
– длина прямой вставки между переходными кривыми, принимается– 150 м.
м.
-
Рассчитывается угол
:
, (7.2)
, при
, (7.3)
, тогда
.
-
Определяются длины тангенсов:
– длина тангенса
:
, (7.4)
м;
– длина тангенса вертикальной сопрягающей кривой
:
, (7.5)
где
– радиус вертикальной сопрягающей кривой, принимается 15 км для линии I категории;
– алгебраическая разность сопрягаемых уклонов, ‰
.
-
Рассчитывается минимальная величина b, которая исключает совмещение переходной кривой в плане с вертикальной сопрягающей кривой в профиле:
, (7.6)
при условии, что
,
где
– длина элемента профиля (площадки) в месте сооружения путепровода, принимается минимальная длина
= 300 м
м.
Тогда как
м, условие выполняется:
.
-
Определяется величина а по формуле
(7.7)
м.
-
Рассчитывается значение u по формуле
, (7.8)
:














