ДИПЛОМ ПЗ (1004173), страница 4
Текст из файла (страница 4)
Таблица 2.4
Технико-экономические характеристики моста
| Наименование показателя | Схема моста | Полная длина моста (м) | Строительная стоимость, тыс. р. | Приведенная стоимость, тыс. р. | Трудозатраты, ч-д | Материалоемкость | Коэффициент индустриальноти, | ||
| Расход металла, т. | Расход сборного ж/б, т. | Расход монолитного ж/б, т. | |||||||
| Вариант 2 | 5*23,0 | 126,0 | 239297 | 1899,69 | 3095,42 | 265 | 224,3 | 245,18 | 0,53 |
2.3. Разработка третьего варианта
2.3.1. Выбор схемы моста
В третьем варианте принята схема 23,0+2*33,6+23,0 м, приведенная на рисунке 2.11
Рисунок 2.11 Схема третьего варианта моста
Разбивка на пролеты
В качестве пролетных строений используются балочно-разрезные металлические коробчатые пролетные строения с ездой поверху, полной длиной lп=23,8 м и расчетным пролетом lр=23,0 м и полной длиной lп=33,4 м и расчетным пролетом lр=33,6 соответственно, тип проезжей части – на балласте, типовой проект инв. №2230. Материал пролетных строений сталь 15ХСНД. Промежуточные опоры моста безростверкового типа на буронабивных столбах Ø1,5 м, типовой проект инв. №1062, ЛГТМ. Устои безростверкового типа на буронабивных столбах Ø1,5 м с использование шкафного блока по типовому проекту инв. №828/11.
Определение основных отметок моста:
- отметка подошвы рельса:
,
где УВВ - расчетный уровень высокой воды, м;
- возвышение низа пролетного строения над УВВ [6], м;
- строительная высота пролетного строения, м.
- отметка бровки земляного полотна:
- отметка низа конструкций:
Проверка достаточности набранного отверстия моста [2]:
Для обеспечения отверстия моста
назначается схема 23,0+2*33,6+23,0
|
| ( |
- ширина водотока по УВВ1% (определяется графически);
- количество опор;
- ширина опоры.
Δ=0,3%.
Условие выполняется, следовательно принимаем выбранную схему.
После чего определяется зазор необходимый для смещения пролета.
Зазор необходимый для смещения пролета расчетной длиной
определяется по формуле:
|
| ( |
где
- горизонтальное перемещение конца пролетного строения в результате вертикального изгиба;
- горизонтальное перемещение конца пролетного строения от действия температуры.
где
- расчетное сопротивление стали марки 10ХСНД;
- модуль упругости стали марки 10ХСНД;
- длина расчетного пролета;
- интенсивность временной распределенной вертикальной нагрузки от подвижного состава;
- постоянная нагрузка, приходящаяся на 1м пролетного строения.
где
1/0c - коэффициент температурного расширения стали;
- сезонный перепад температуры воздуха;
Принимаем 0,1м.
2.3.2. Разработка конструкции промежуточной опоры
Анализ геологических и гидрологических условий и характеристик моста, приведенных выше, а также учитывая, что длина пролетных строений lп=33,6 м показал, что они позволяют применить опоры безростверкового типа на буронабивных столбах Ø1,5 м.
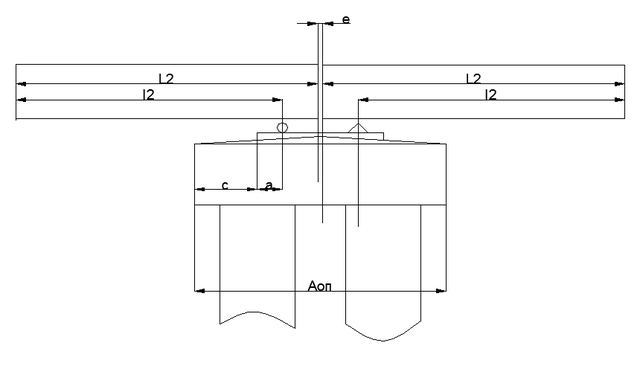
Разработка конструкции промежуточной опоры сводится к определению минимальных геометрических размеров плиты-насадки из условия расположения пролетных строений:
Рис. 2.12. Схема промежуточной опоры вдоль оси моста
Расчет ведется для промежуточной опоры №2, на которую опираются два металлических сплошностенчатых пролетных строений с ездой поверху.
Размер плиты вдоль оси моста [1]:
|
| ( |
где
и
– полная и расчетная длины пролетных строений, м;
- расстояние от края опорной части до края подферменной площадки,
;
- расстояние от края подферменной площадки до края насадки,
- размер подвижной опорной части вдоль оси моста
Рис. 2.13. Схема промежуточной опоры поперек оси моста
Размер плиты поперек оси моста [1]:
|
| ( |
где
- расстояние поперек опоры между осями опорных частей большего из пролетных строений, опирающегося на опору, м;
- размер опорных частей поперек оси моста, м;
- расстояние от края опорной части до края подферменной площадки,
;
- расстояние от края подферменной площадки до края насадки,
Корректировка геометрических параметров плиты-насадки из условия расположения буронабивных столбов Ø1,5 м:
Рис. 2.14. Размеры плиты-насадки по конструктивным соображениям
К проектированию принимаем размеры плиты, равные
,
.
Эскизный расчет промежуточной опоры
Исходя из того, что строительство мостового перехода ведется условиях ССКЗ и на реке отсутствует ледоход опоры в данном варианте принимаются безростверкового типа на буронабивных столбах диаметром 1,5 м.
Расчет оснований свайных фундаментов по несущей способности вечномерзлых грунтов, используемых по принципу II, производят в соответствии с требованиями СНиП 2.02.03-85 [17].
Для определения глубины заглубления столбов в условиях вечной мерзлоты производим эскизный расчет.
Эскизный расчет опор моста заключается в подборе необходимого количество столбов фундамента согласно следующему условию [3]:
|
| ( |
где
- суммарная нагрузка на фундамент опоры в уровне обреза фундамента, кН;
- несущая способность столба фундамента опоры, кН;
- коэффициент надежности, принимаемый равным 1,6;
- количество столбов в опоре;
Расчетная схема к определению требуемого количества столбов фундамента представлена на рис.2.15.
Рисунок 2.15 - Расчетная схема к определению требуемого количества столбов фундамента
1) Суммарная нагрузка на фундамент состоит из временных и постоянных нагрузок на фундамент опоры и определяется по следующей формуле:
|
|
| ( |
где
- нагрузка от веса пролетного строения, кН;
- нагрузка от веса мостового полотна, кН;
- нагрузка от подвижного состава, кН;
- нагрузка от веса тела опоры, кН;
,
- коэффициенты надежности по постоянной нагрузке;
- коэффициент надежности по временной нагрузке.
кН
2) Несущая способность столба фундамента опоры определяется как:
|
| ( |
где
- расчетное сопротивление грунта по боковой поверхности, кН/м2;
- площадь трения боковой поверхности, м2;
- расчетное сопротивления грунта под нижним концом столба, кН/м2;
- площадь опирания столба на грунт, м2.
- коэффициент трения столба по поверхности грунта
кН/м2
Проверка выполняется. Принимаем опору с основанием на четырех буронабивных столбах с заглублением в несущий грунт на 7,7м.
В качестве береговых опор используются опоры аналогичные первому варианту.
2.3.3. Технико-экономические показатели варианта
Определение стоимости и трудоёмкости моста производится в соответствии с укрупнёнными единичными показателями стоимости и трудоёмкости строительно-монтажных работ и конструктивных элементов.
При подсчётах объёмов работ используются соответствующие данные по типовым пролётным строениям и опорам. Объёмы конструктивных элементов индивидуальной проектировки подсчитываются по принятым в варианте моста размерам.
Технико-экономические показатели варианта моста приведены в табл.2.5.
Таблица 2.5
Технико-экономические показатели варианта моста
| Наименование работ и конструктивных элементов | Единицы измерения | Объем работы | Стоимость, руб. | Трудоемкость, ч.-д. | |||
| Единичная | Общая | Единичная | Общая | ||||
| 1 | 2 | 3 | 4 | 5 | 6 | 7 | |
| 1. Устои, 2 шт. | |||||||
| 1.1. Устройство железобетонных буронабивных столбов | м3 свай | 39,8 | 419 | 16676,2 | 18,5 | 736,3 | |
| 1.2.1. Шкафной блок | - ‘’ - | 111,3 | 86,8 | 9660,84 | 0,8 | 89,04 | |
| 1.2.2. Монолитная плита-насадка | - ‘’ - | 27 | 86,8 | 2343,6 | 0,8 | 21,6 | |
| 1.2.3. Опорная площадка и сливная призма | - ‘’ - | 6 | 86,8 | 520,8 | 0,8 | 4,8 | |
| Итого по устоям | - | 29201,44 | 851,74 | ||||
| 2. Промежуточные опоры, 3 шт. | |||||||
| 2.1. Устройство железобетонных буронабивных столбов | м3 свай | 92,96 | 419 | 38950,24 | 18,5 | 1719,76 | |
| 2.2.1.Монолитные ж/б ростверки | - ‘’ - | 90 | 82,9 | 7461 | 1,3 | 117 | |
| 2.2.2. Опорная площадка и сливная призма | - ‘’ - | 30,8 | 86,8 | 2673,44 | 0,8 | 24,64 | |
| Итого по промежуточным опорам | - | 49084,68 | 1861,4 | ||||
| 3. Пролетные строения, 4 шт. | |||||||
| 3.3. Стоимость металлических коробчатых пролетных строений полной длиной 23,8 м | т | 106 | 564 | 59784 | |||
| 3.4. Продольная передвижка металлических коробчатых пролетных строений | 23,8 | 69 | 1642,2 | 3,9 | 92,82 | ||
| 3.3. Стоимость металлических коробчатых пролетных строений полной длиной 34,4 м | т | 180 | 564 | 101520 | |||
| 3.4. Продольная передвижка металлических коробчатых пролетных строений | 1 прол. на 1 п.м. | 34,4 | 73,2 | 2518,08 | 10,2 | 350,88 | |
| 1 | 2 | 3 | 4 | 5 | 6 | 7 | |
| Итого по пролетным строениям | - | 165464,3 | 443,7 | ||||
| 4. Мостовое полотно | 1 п.м. | 123,7 | 2,6 | ||||
| 4.1. Балласт | - ‘’ - | 123,6 | 123,7 | 15289,32 | 2,6 | 321,36 | |
| Итого по мостовому полотну | - | 15289,32 | 321,36 | ||||
| Всего по мосту | - | 319800,4 | 3556,84 | ||||
Фактическое отверстие разработанного варианта моста составило 109,8 м, что больше расчетного на 0,3%. Остальные основные технико-экономические характеристики представлены в табл.2.6.
)
)
)
)
)
)
)














