ДИПЛОМ ПЗ (1004173), страница 2
Текст из файла (страница 2)
- возвышение низа пролетного строения над УВВ [6], м;
- строительная высота пролетного строения, м.
- отметка бровки земляного полотна:
- отметка низа конструкций:
Проверка достаточности набранного отверстия моста [2]:
Для обеспечения отверстия моста
назначается схема 5х23,6.
|
| ( |
- ширина водотока по УВВ1% (определяется графически);
- количество опор;
- ширина опоры.
Δ=1,6%.
Условие выполняется, следовательно принимаем выбранную схему.
После чего определяется зазор необходимый для смещения пролета.
Зазор необходимый для смещения пролета расчетной длиной
определяется по формуле:
|
| ( |
где
- горизонтальное перемещение конца пролетного строения в результате вертикального изгиба;
- горизонтальное перемещение конца пролетного строения от действия температуры.
где
- расчетное сопротивление стали марки 10ХСНД;
- модуль упругости стали марки 10ХСНД;
- длина расчетного пролета;
- интенсивность временной распределенной вертикальной нагрузки от подвижного состава;
- постоянная нагрузка, приходящаяся на 1м пролетного строения.
где
1/0c - коэффициент температурного расширения стали;
- сезонный перепад температуры воздуха;
Принимаем 0,01м.
2.1.2 Разработка конструкции промежуточной опоры
Анализ геологических и гидрологических условий и характеристик моста, приведенных выше, а также учитывая, что длина пролетных строений lп=23,6 м показал, что они позволяют применить опоры безростверкового типа на буронабивных столбах Ø1,5 м.
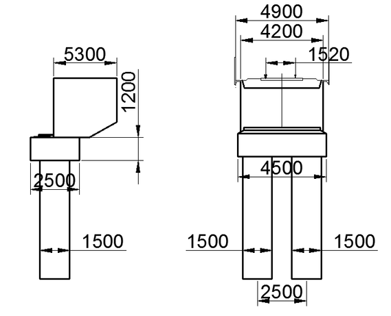
Разработка конструкции промежуточной опоры сводится к определению минимальных геометрических размеров плиты-насадки из условия расположения пролетных строений:
Рис. 2.2. Схема промежуточной опоры вдоль оси моста
Расчет ведется для промежуточной опоры №4, на которую опираются два металлических сплошностенчатых пролетных строений с ездой поверху.
Размер плиты вдоль оси моста [7]:
|
| ( |
где
и
– полная и расчетная длины
пролетных строений, м;
- расстояние от края опорной части до края подферменной площадки,
;
- расстояние от края подферменной площадки до края насадки,
- размер подвижной опорной части вдоль оси моста
Рис. 2.3. Схема промежуточной опоры поперек оси моста
Размер плиты поперек оси моста [7]:
|
| ( |
где
- расстояние поперек опоры между осями опорных частей большего из пролетных строений, опирающегося на опору, м;
- размер опорных частей поперек оси моста, м;
- расстояние от края опорной части до края подферменной площадки,
;
- расстояние от края подферменной площадки до края насадки,
Корректировка геометрических параметров плиты-насадки из условия расположения буронабивных столбов Ø1,5 м:
Рис. 2.4. Размеры плиты-насадки по конструктивным соображениям
К проектированию принимаем размеры плиты, равные
,
.
Эскизный расчет промежуточной опоры
Исходя из того, что строительство мостового перехода ведется условиях ССКЗ и на реке отсутствует ледоход опоры в данном варианте принимаются безростверкового типа на буронабивных столбах диаметром 1,5 м.
Расчет оснований свайных фундаментов по несущей способности вечномерзлых грунтов, используемых по принципу II, производят в соответствии с требованиями СНиП 2.02.03-85 [17].
Для определения глубины заглубления столбов в условиях вечной мерзлоты производим эскизный расчет.
Эскизный расчет опор моста заключается в подборе необходимого количество столбов фундамента согласно следующему условию [3]:
|
| ( |
где
- суммарная нагрузка на фундамент опоры в уровне обреза фундамента, кН;
- несущая способность столба фундамента опоры, кН;
- коэффициент надежности, принимаемый равным 1,6;
- количество столбов в опоре;
Расчетная схема к определению требуемого количества столбов фундамента представлена на рис.2.5.
Рисунок 2.5 - Расчетная схема к определению требуемого количества столбов фундамента
-
Суммарная нагрузка на фундамент состоит из временных и постоянных нагрузок на фундамент опоры и определяется по следующей формуле:
|
| ( |
где
- нагрузка от веса пролетного строения, кН;
- нагрузка от веса мостового полотна, кН;
- нагрузка от подвижного состава, кН;
- нагрузка от веса тела опоры, кН;
,
- коэффициенты надежности по постоянной нагрузке;
- коэффициент надежности по временной нагрузке.
кН
-
Несущая способность столба фундамента опоры определяется как:
|
| ( |
где
- расчетное сопротивление грунта по боковой поверхности, кН/м2;
- площадь трения боковой поверхности, м2;
- расчетное сопротивления грунта под нижним концом столба, кН/м2;
- площадь опирания столба на грунт, м2.
- коэффициент трения столба по поверхности грунта
кН/м2
Проверка выполняется. Принимаем опору с основанием на двух буронабивных столбах с заглублением в несущий грунт на 7,6 м.
В качестве береговых опор используются устои безростверкового типа на буронабивных столбах диаметром 1,5 м со шкафными стенками по типовому проекту инв. №828/1, приведенный на рисунке 2.5.1
Рисунок 2.5.1 Схема береговой опоры
2.1.3. Технико-экономические показатели варианта
Определение стоимости и трудоёмкости моста производится в соответствии с укрупнёнными единичными показателями стоимости и трудоёмкости строительно-монтажных работ и конструктивных элементов.
При подсчётах объёмов работ используются соответствующие данные по типовым пролётным строениям и опорам. Объёмы конструктивных элементов индивидуальной проектировки подсчитываются по принятым в варианте моста размерам.
Технико-экономические показатели варианта моста представлены в табл.2.1.
Таблица 2.1
Технико-экономические показатели варианта моста
| Наименование работ и конструктивных элементов | Единицы измерения | Объем работы | Стоимость, руб. | Трудоемкость, ч.-д. | |||
| Единичная | Общая | Единичная | Общая | ||||
| 1. Устои, 2 шт. | |||||||
| 1.1. Устройство железобетонных буронабивных столбов | м3 свай | 39,8 | 419 | 16676,2 | 18,5 | 736,3 | |
| 1.2.1. Шкафной блок | - ‘’ - | 97,2 | 86,8 | 8436,96 | 0,8 | 77,76 | |
| 1.2.2. Монолитная плита-насадка | - ‘’ - | 27 | 86,8 | 2343,6 | 0,8 | 21,6 | |
| 1.2.3. Опорная площадка и сливная призма | - ‘’ - | 6 | 86,8 | 520,8 | 0,8 | 4,8 | |
| Итого по устоям | - | 27977,56 | 840,46 | ||||
| 2. Промежуточные опоры, 4 шт. | |||||||
| 2.1. Устройство железобетонных буронабивных столбов | м3 свай | 94,28 | 419 | 39503,32 | 18,5 | 1744,18 | |
| 2.2.1.Монолитные ж/б ростверки | - ‘’ - | 54 | 82,9 | 4476,6 | 1,3 | 70,2 | |
| 2.2.2. Опорная площадка и сливная призма | - ‘’ - | 24,1 | 86,8 | 2091,88 | 0,8 | 19,28 | |
| Итого по промежуточным опорам | - | 46071,8 | 1833,66 | ||||
| 3. Пролетные строения, 5 шт. | |||||||
| 3.1. Стоимость металлических пролетных строений со сплошной главной стенкой длиной 23,6 м | т | 191,15 | 564 | 107808,6 | |||
| 3.2. Продольная передвижка металлических пролетных строений со сплошной главной стенкой | 1 прол. на 1 п.м. | 23,6 | 69 | 1628,4 | 3,9 | 92,04 | |
| Итого по пролетным строениям | - | 109437 | 92,04 | ||||
| 4. Мостовое полотно | 1 п.м. | 48,4 | 10,4 | ||||
| 4.1. БМП | - ‘’ - | 125 | 48,4 | 6050 | 10,4 | 1300 | |
| Итого по мостовому полотну | - | 6050 | 1300 | ||||
| Всего по мосту | - | 189536,4 | 4066,16 | ||||
Фактическое отверстие разработанного варианта моста составило 111,2 м, что больше расчетного на 1,3%. Остальные основные технико-экономические характеристики представлены в табл.2.2.
)
)
)
)
)
)
)














