СБ- МТ- ПОЛНЫЙ (987989), страница 3
Текст из файла (страница 3)
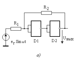
Триггер Шмидта (ТШ) - электронная схема (Рис. 2.1, а), имеющая два устойчивых состояния и управляемая уровнем напряжения на единственном информационном входе. Передаточная характеристика ТШ представляет петлю гистерезиса (Рис. 2.1, б) с двумя порогами (уровнями) входного напряжения, при которых происходит переключение триггера из одного состояния в другое. ТШ удобно собрать, используя два логических элемента (ЛЭ) - инвертора.
Для понимания работы схемы важным является знание уровня напряжения на входе ЛЭ D1 (UВХ1). Обозначим напряжение UВХ1=U*, при котором одновременно оба ЛЭ оказываются в области активных характеристик (см. рис.2 лаб. раб. № 1, точка 3). В этом случае делитель напряжения R1, R2 обеспечивает глубокую положительную обратную связь, приводящую к скачку токов (напряжений) в схеме. Если UВХ1<U*, или UВХ1>U*, то делитель R1, R2 не создает положительной обратной связи, а лишь обеспечивает устойчивое состояние UВЫХ2=U0, или UВЫХ2=U1.
Рассмотрим подробнее: если уровень напряжения EГ имеет относительно низкую величину, то UВХ1<U*, и выходное напряжение ТШ составляет UВЫХ2=U0. Это состояние ТШ является устойчивым. При увеличении EГ возрастает напряжение UВХ1, и при достижении EГ = EГ, на входе ЛЭ D1 возникает напряжение UВХ1=U*, что приводит к скачку напряжений в схеме. UВЫХ2 весьма быстро (скачком) изменяется от U0 до U1. При этом UВХ1 благодаря делителю R1, R2 также скачком увеличивается до UВХ1>U*, что и обеспечивает новое устойчивое состояние ТШ UВЫХ2 = U1.
Расчет EГ производят на основании закона Кирхгоффа (см. рис.2.1, а)
I1+ I2 + IВХ =0,
или ( EГ – U) /R1 + (U0ВЫХ 2 – U) / R2 + IВХ = 0.
Если для ЛЭ КМОП (см. "Приложение") принять, что
IВХ=0, U = EПИТ /2, U0=0, U1=EПИТ,
то EГ = (1 + R1/R2) EПИТ/2.
Дальнейшее увеличение напряжения EГ > EГ не приведет к изменению напряжения на выходе триггера.
Снижение напряжения EГ приведет к "скачку" напряжения на выходе ТШ лишь при достижении величины EГ EГ. При этом вновь на входе ЛЭ D1 будет выполняться условие UВХ1=U*.
Расчет EГ осуществляется аналогично предыдущему с учетом того, что напряжение UВЫХ2 = U1
(EГ – U) /R1 + (U1ВЫХ 2 – U) / R2 + IВХ = 0.
При прежних допущениях для ЛЭ КМОП получаем
EГ = (1 – R1/R2) EПИТ/2.
Разница напряжений EГИС = EГ– EГ = EПИТ R1/R2
Длительность процесса опрокидывания триггера - "скачка" - определяется быстродействием ЛЭ и временем задержки сигнала при прохождении по петле обратной связи. В ряде случаев для ускорения процесса опрокидывания резистор R2 шунтируют "ускоряющей" емкостью относительно небольшой величины. Обычно в ТШ на ЛЭ КМОП длительность скачка составляет 100‑200 нс, а для ТШ на ЛЭ ТТЛ – 10‑20 нс.
Как правило, величина резисторов R1 и R2 определяется нагрузочной способностью ЛЭ, а соотношение между резисторами выбирают исходя из обеспечения желательной величины EГИС.
Достаточность глубины положительной обратной связи для возникновения скачка
KU KОС 1,
где KU = KU ЛЭ 1 · KU ЛЭ 2, причем KU ЛЭ определяются из передаточных характеристик ЛЭ в активной области. Делитель в цепи обратной связи R1, R2 определяет KОС=R1/(R1+R2), что справедливо для ЛЭ КМОП, когда входными токами ЛЭ можно пренебречь.
Работа ТШ на ЛЭ ТТЛ, по сути, не отличается от работы на ЛЭ КМОП. Однако необходимо учитывать (см. "Приложение"), что:
– для ЛЭ ТТЛ серии K155 EПИТ = 5В, U*=1.21.4 В, U1=3.6 В,
U0=0.2 В,
– существует значительный входной вытекающий ток (IВХ0 до 1 мА) при UВХ1=U0, который необходимо принимать во внимание при выборе резисторов и расчете порогов EГ и EГ. Входной ток накладывает ограничение на максимальные величины резисторов R1, R2 так, чтобы IВХ0·(R1R2) < 1,0 В.
Триггер Шмидта часто используется для получения последовательности прямоугольных импульсов, частота повторения которых определяется частотой внешнего генератора синусоидальных колебаний (EГ). По сути, в данном случае он используется в качестве порогового, или сравнивающего устройства. На рис. 2.2 приведена электрическая схема для такого использования ТШ (а) и характерные осциллограммы (б).
| Рис.2.2.Использование схемы ТШ как генератора прямоугольных | |
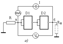
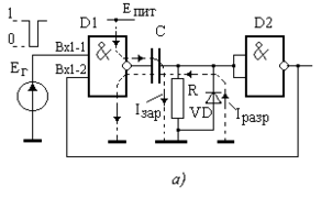
Триггер Шмидта как и любая схема с глубокой положительной обратной связью обладает между определенными точками схемы участком вольтамперной характеристики (ВАХ) с отрицательным дифференциальным сопротивлением. Это удобно наблюдать на примере ТШ, выполненного на ЛЭ ТТЛ. Для этого собирается схема (рис.2.3, а), где используется между точками "а" и "б" источник тока (I) вместо резистора R2. Величина тока контролируется и изменяется от нуля до некоторого значения. Одновременно контролируется напряжение Uаб.
Ожидаемый вид ВАХ приведен на рис.2.3, б. Здесь участок с отрицательным дифференциальным сопротивлением (участок 2-3) соответствует наличию условий (токи, напряжения в схеме), при которых существует положительная обратная связь.
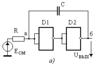
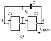
Включение между точками "а" и "б" резистора R2 приводит к обычной схеме ТШ (см. рис. 2.1). Включение конденсатора C (рис.2.4, а) приводит к схеме мультивибратора, поскольку емкость ведет себя как короткое замыкание для скачков токов в схеме (переходы 2-4 и 3-5 на рис. 2.3, б). Для предварительного вывода рабочей точки (ток I ) на участок 2-3 здесь требуется дополнительный стабильный источник ЭДС E1, что не совсем удобно. Чаще используется включение резистора R1 между выходом и входом инвертора D1 (рис. 2.4, б), что при правильном выборе R1 обеспечивает автоматический вывод рабочей точки на участок 2-3 в каждый полупериод колебаний. Эта схема полностью совпадает со стандартной схемой мультивибратора на двух ЛЭ-инверторах.
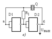
Если в такой схеме вместо емкости C между точками "а" и "б" включить кварцевый резонатор (рис.2.4, в), то получится схема автогенератора колебаний, частота которого весьма стабильна и определяется частотой последовательного резонанса кварцевого резонатора. В данном случае "кварц" выступает как последовательный колебательный контур и имеет на частоте резонанса минимальное сопротивление.
ЗАДАНИЕ
1. Собрать схему ТШ на двух ЛЭ-инверторах КМОП, либо ТТЛ (по указанию преподавателя) .
2. Наблюдать эффект переключения. Снять передаточную характеристику. Рассчитать пороги и гистерезис, сравнить с величинами, полученными в эксперименте.
3. Подать на вход ТШ сигнал синусоидальной формы. Наблюдать сигналы на входах и на выходах ЛЭ D1 и D2, снять осциллограммы. Определить длительности фронтов переключения и моменты их возникновения.
4. Собрать схему ТШ на двух ЛЭ ТТЛ (рис.2.3) и провести измерение ВАХ между точками "а" и "б". Оценить величину отрицательного дифференциального сопротивления и диапазон токов и напряжений, при которых он наблюдается.
5. Собрать мультивибратор (рис.2.4). Снять характерные осциллограммы колебаний.
БИБЛИОГРАФИЧЕСКИЙ СПИСОК
1. Гольденберг Л.М. Импульсные устройства. - М.: Радио и связь. 1981, С.130‑136.
2. Гусев В.Г., Гусев Ю.М. Электроника -М.: Высш. шк. 1991, С. 577–584.
3. Зельдин Е.А. Импульсные устройства на микросхемах. - М.: Радио и связь, 1991 (МРБ, Вып. 1161).
Лабораторная работа № 3
ЖДУЩИЙ МУЛЬТИВИБРАТОР
Цель работы: изучение работы одновибратора на логических элементах КМОП И‑НЕ и ИЛИ‑НЕ.
Одновибратор или ждущий мультивибратор (ЖМВ) является релаксационным генератором, работающим в ждущем режиме. Он имеет одно устойчивое состояние. Внешний запускающий импульс вызывает скачкообразный переход схемы в новое состояние, называемое квазиравновесным. В данном состоянии происходят относительно медленные изменения токов (напряжений) в схеме, которые в конечном итоге вновь приводят к "скачку" и переходу схемы в равновесное состояние. Таким образом, на каждый запускающий импульс одновибратор вырабатывает импульс определенной длительности и вновь "ждет" запускающего импульса.
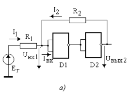
Рассмотрим более подробно работу ЖМВ на логических элементах И‑НЕ на основе КМОП (рис. 3‑1). Входными токами логического элемента (ЛЭ) будем пренебрегать. Для обеспечения устойчивого состояния схемы на вход ЛЭ D2 через резистор R подается низкий потенциал U0, а на оба входа ЛЭ D1 высокие потенциалы U1, при этом высокий потенциал на входе Вх1-2 является следствием низкого потенциала на входе ЛЭ D2. На выходе ЛЭ D1 присутствует уровень U0, и, следовательно – напряжение на конденсаторе C приблизительно равно нулю.
| Рис. 3.1. Схема ждущего мультивибратора (а), осциллограммы переходных процессов в нем (б). Нахождение напряжения U* (в). | |
ЖМВ запускается перепадом напряжения EГ от U1 до U0 (рис.3.1,б), поступающим на вход 1‑1, что приводит к изменению напряжения на выходе ЛЭ D1 от U0 до U1. Это изменение передается через емкость C как через короткое замыкание на вход ЛЭ D2 и приводит к изменению напряжения на его выходе от U1 до U0. Последнее передается на вход 1‑2 ЛЭ D1. В некоторый момент времени, когда на входе ЛЭ D2 возникает потенциал U*, оба ЛЭ оказываются в области активных характеристик, и в схеме возникает глубокая положительная обратная связь. Она существенно ускоряет переходной процесс — в схеме возникает скачок токов (напряжений). Его длительность определяется инерционностью ЛЭ и для КМОП составляет 100-200 нс. По окончании скачка на входе 1‑2 ЛЭ D1 оказывается уровень U0, и он удерживает ЛЭ D1 в состоянии UВЫХ 1=U1. Запускающий импульс становится не нужным, схема себя "заблокировала" — начинается относительно медленный квазиравновесный процесс (рис. 3.1, б). Кстати, длительность скачка определяет минимальную длительность запускающего импульса!
















