СБ- МТ- ПОЛНЫЙ (987989), страница 7
Текст из файла (страница 7)
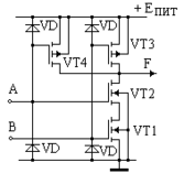
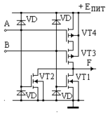
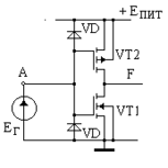
Максимально развиваемые выходныа токи I0ВЫХ, I1ВЫХ и соответственно, напряжения U0ВЫХ, U1ВЫХ определяются моментом выхода на пологие участки выходных ВАХ и зависят от величины напряжения EПИТ (конкретные величины приведены на рис. П3, б).
СОДЕРЖАНИЕ
1. Лабораторная работа № 1.
ИЗУЧЕНИЕ ТРИГГЕРОВ............................. 3
2. Лабораторная работа № 2.
ТРИГГЕР ШМИДТА ................................. 12
3. Лабораторная работа № 3.
ЖДУЩИЙ МУЛЬТИВИБРАТОР.................................17
4. Лабораторная работа № 4.
МУЛЬТИВИБРАТОР С ОДНИМ ВРЕМЯЗАДАЮЩИМ КОНДЕНСАТОРОМ..................................23
5. Лабораторная работа № 5.
МУЛЬТИВИБРАТОР С ДВУМЯ ВРЕМЯЗАДАЮЩИМИ
ЦЕПЯМИ ......................................... 30
6. ПРИЛОЖЕНИЕ .....................................36
––––––––––––––––––––––––
Учебное издание
Каретников Игорь Александрович
ТРИГГЕРЫ И МУЛЬТИВИБРАТОРЫ
НА ЛОГИЧЕСКИХ ЭЛЕМЕНТАХ
Лабораторные работы № 1—5
Методическое пособие
по курсу
«Электронные цепи и микросхемотехника »
для студентов, обучающихся по специальности
« Микроэлектроника и твердотельная электроника »
Редактор Н.А. Чарыков
Редактор издательства В.В. Сомова
ЛР №
Темплан издания МЭИ 2005 (), учебн.
Подписано в печать 00.00.00 Печать офсетная
Физ. печ. л.2,5
Тираж Изд. № Заказ
Издательство МЭИ, 111250, Москва, Красноказарменная ул., 14.
Отпечатано в типографии ЦНИИ «Электроника»,
117415, Москва, просп. Вернадского, д. 39.
2
















