СБ- МТ- ПОЛНЫЙ (987989), страница 6
Текст из файла (страница 6)
где перепад напряжения UЛ=U1-U0.
Если UВХ 1 = UВХ 2 = U*, то оба ЛЭ оказываются в области активных характеристик (см. рис.4). Лаб. раб. № 4), и в схеме возникает глубокая положительная обратная связь, приводящая к скачкообразному процессу и "опрокидыванию" ЛЭ. После чего на выходах ЛЭ D1 и D2 устанавливаются потенциалы UВЫХ 1=U1 и UВЫХ 2=U0 соответственно. Положительный перепад напряжения с выхода ЛЭ D1 передается через емкость C2 на вход ЛЭ D2 и будет удерживать его в новом квазистатическом состоянии UВХ 2=U1, UВЫХ 2=U0. В цепи – шина +EПИТ - выход ЛЭ D2 – С2 – R2 – шина нулевого потенциала ("земля") - возникает ток перезарядки конденсатора C2, определяющий длительность квазиравновесного состояния ЛЭ D2 аналогично рассмотренным выше процессам на примере ЛЭ D1.
По окончании времени T2 схеме вновь возникает скачкообразное изменение состояния ЛЭ, и все процессы перезарядки конденсаторов C1 и C2 повторяются снова. Полный период колебаний мультивибратора без учета быстрых процессов составляет
T=T1+T2.
Предположим, что rВЫХ<<R1, R2. Поскольку для ЛЭ КМОП U*EПИТ/2, U0=0, U1=EПИТ, то
Осциллограммы напряжений в характерных точках MB представлены на рис.5.3, а. Изменение длительности полупериодов колебаний осуществляется путем изменения величины резисторов R1, R2 (скачком, либо плавно), или изменением емкости конденсаторов C1, C2 (как правило – скачком). Если T1 = T2, то мультивибратор считается симметричным. Если T1 T2, то мультивибратор – несимметричный.
На выходах ЛЭ формируются импульсы напряжения близкие к прямоугольным. При этом длительность положительного фронта импульса определяется процессом заряда емкости CЭКВ ключевым каскадом (см. [4], лаб. раб. № 5). В качестве CЭКВ выступает входная и выходная емкости ЛЭ и емкости монтажа CМ, CВХ, CВЫХ.
CЭКВ=CВХ+CВЫХ+CМ.
| Рис.5.3: а – осциллограммы напряжений в мультивибраторе на ЛЭ КМОП в схеме рис 5.1, а; б – в схеме рис. 5.1, б | |
Длительность положительного фронта можно оценить по формуле
где ICO - выходной ток ЛЭ-ключа при разряде эквивалентной емкости.
Форма отрицательного фронта импульса более сложная. При уменьшении напряжения UВЫХ от U1 до (U*-UD) также происходит разряд СЭКВ через ЛЭ- ключ, и скорость изменения напряжения здесь такая же, как и в предыдущем случае. Однако при напряжениях UВЫХ ниже (U*-UD) длительность процесса существенно возрастает. Это связано с особенностью построения входной цепи ЛЭ. Здесь установлены ограничительные диоды, предохраняющие входную цепь от значительных отрицательных напряжений. В процессе формирования второй части отрицательного фронта данные диоды открываются. Это приводит к перезарядке выходным током ЛЭ-ключа конденсаторов C1 и С2. Поскольку C1, C2>>CЭКВ, то соответственно, увеличивается и время формирования отрицательного фронта, полная длительность которого составляет
На входах ЛЭ этому процессу соответствуют короткие отрицательные выбросы напряжения.
Схемы обеспечения автоматического запуска МВ показаны на рис.5.1 как отдельный блок (обведены пунктиром). При включении напряжения питания, например, в схеме MB (рис.5.1, а) возможно возникновение ситуации, когда на входах обоих ЛЭ D1 и D2 могут одновременно оказаться низкие потенциалы. Наиболее вероятно это ожидается в симметричном мультивибраторе. В этом случае колебания в схеме не возникнут. Для обеспечения автоматического запуска МВ используется дополнительная схема, которая для схемы (рис.5.1, а) должна выполнять логическую функцию
. Она содержит элемент совпадения И‑НЕ (D3) и инвертор (D4). В отсутствии колебаний MB на входах ЛЭ D1 и D2 одновременно будут существовать низкие потенциалы. Это приведет к одновременному появлению высоких потенциалов на выходах D1 и D2 –соответственно – на входах ЛЭ D3. Это вызовет появление высокого потенциала на выходе ЛЭ D4 и, соответственно, на входе ЛЭ D2. При этом возникает несимметричный режим
(UВХ D1=0, UВХ D2=1), и в MB возникнут колебания.
При возникновении автоколебаний в MB попеременно на одном из входов схемы совпадений D3 будет присутствовать низкий потенциал, что ведет к постоянному низкому потенциалу на выходе D4. В результате резистор R2 будет "заземлен" через малое выходное сопротивление ЛЭ D4 (на схеме МВ условно показано пунктиром). Схема автоматического запуска, практически, не влияет на частоту генерируемых колебаний, и используется в данных схемах МВ как обязательная составная часть.
Работа мультивибратора, построенного по второму варианту (рис.5.1, б) в идейном плане не отличается от работы автогенератора, рассмотренного выше. Предлагается читателю самому, пользуясь приведенными осциллограммами (рис.5.3, б), разобраться в его работе. Необходимо помнить, что времязадающие резисторы в данной схеме присоединены к потенциалу U1. Соответственно несколько изменилась и схема автоматического запуска.
ЛЭ на основе КМОП одинаково хорошо работают как в схеме первого, так и второго вариантов. В качестве источника U1 используется шина +EПИТ.
По принципу работы и построению схема MB на ТТЛ элементах не отличается от MB на КМОП. Однако необходимо учитывать (см. "Приложение"), что для ЛЭ ТТЛ серии К155 напряжение EПИТ = +5В, U* = 2UБЭ = 1,4 В, а напряжения U1 = 3.6В и U0=0,2В, при этом. ЛЭ ТТЛ имеют существенный вытекающий входной ток I0ВХ 1 mA при UВХU*.
| Рис. 5.4. Осциллограммы переходных процессов в мультивибраторах на ЛЭ ТТЛ: а – для МВ по схеме рис.5.5, а; б – для МВ по схеме рис.5.1, б | |
Все это необходимо принимать во внимание при обеспечении квазиустойчивых состояний MB, а также при оценке длительности квазиравновесных стадий. В частности, для обеспечения UВХ=U0 в схеме, построенной по первому варианту (рис.5.1, а) накладываются ограничения на максимальную величину резисторов R1 и R2, так чтобы I0ВХ(R1||R2)<1,0 В, а существенное изменение входного тока при UВХ=U* может привести к усложнению переходного процесса (рис.5.4, а) при повышенной величине резисторов (R1, R2 1кОм) и к возникновению повышенной нестабильности длительности (см. Т1'') генерируемых полупериодов колебаний (подробнее смотри лаб. раб. № 4).
Б
олее высокая стабильность частоты генерируемых колебаний достигается в схеме на ЛЭ ТТЛ, построенной по второму варианту (рис.5.1, б). Осциллограммы генерируемых колебаний для такой схемы представлены на рис.5.4, б. Для обеспечения напряжения U1 = 3.6 В используется параллельный стабилизатор на основе стабилитрона КС 136, либо "свободный" ЛЭ ТТЛ (рис.5.5).Задание
1. Исследовать работу симметричного MB. Тип ЛЭ задается преподавателем. Проанализировать осциллограммы в характерных точках схемы. Оценить период колебаний, сравнить с расчетным.
2. Исследовать несимметричную схему МВ. Снять зависимость периодов колебаний T1 и T2 от величины резистора R.
3. В одном из режимов оценить длительность положительных и отрицательных фронтов импульсов на выходах MB.
БИБЛИОГРАФИЧЕСКИЙ СПИСОК
-
Гольденберг Л.М. Импульсные устройства. - М.: Радио и связь, 1981. – С. 136‑140, 147‑149.
-
Гусев В.Г., Гусев Ю.М. Электроника. - М.: Высш. шк., 1991. – С.585 – 597.
-
Зельдин Е.А. Импульсные устройства на микросхемах. – М.: Радио и связь, 1991. – С. 80-123.
-
И.А. Каретников, А.К. Соловьев, Н.А. Чарыков. Транзисторные ключи: Лабораторные работы № 1-5. – М.: Изд-во МЭИ, 2004.
ПРИЛОЖЕНИЕ
В целях обеспечения лучщего понимания студентами работы мультивибраторов и триггеров на логических элементах, а также для обеспечения грамотных расчетов в "Приложении" приведены
электрические схемы и основные характеристики для наиболее популярных ЛЭ: –ТТЛ (К155ЛА3) и КМОП (К561ЛА7, –ЛЕ5,–ЛН1).
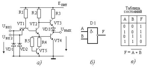
ЛЭ К155ЛА3 выполняет логическую функцию И-НЕ и имеет усилитель мощности. Его электрическая схема приведена на рис. П1.
Многоэмиттерный транзистор VT1 обеспечивает логическую функцию "И", транзистор VT2 -функцию "НЕ", транзисторы VT3, VT4 – усилитель мощности. Основные характеристики (входная, передаточная и выходные) приведены на рис. П2 а, б, в соответственно.
Необходимо обратить внимание, что напряжение питания ЛЭ EПИТ =5В, напряжение U1ВЫХ 3,6 2,4 В (в зависимости от тока нагрузки), напряжение U0ВЫХ 0,2 0,4В, а напряжение переключения U = 2UБЭ 1,4 В. Входная характеристика при напряжениях меньше U имеет значительный вытекающий ток (до 1 mA), а при напряжениях больше U – входной ток 0. На входах ЛЭ установлены охранные диоды VD1 и VD2 ( рис П1) , предохраняющие вход от появления значительных отрицательных напряжений.
Электрические схемы, обозначения схем как логических элементов и таблицы состояний для КМОП элементов приведены в табл. П1. Для ЛЭ на основе КМОП характерно весьма высокое входное сопротивление . IВХ = IУТ 0,1mkA (T=200C) 1 mkA (T= 850C), что определяется токами утечки охранных диодов. Напряжение переключения ЛЭ, как правило, составляет U= EПИТ / 2.
















