СБ- МТ- ПОЛНЫЙ (987989)
Текст из файла
МИНИСТЕРСТВО ОБРАЗОВАНИЯ И НАУКИ
РОССИЙСКОЙ ФЕДЕРАЦИИ
_____________________________________
МОСКОВСКИЙ ЭНЕРГЕТИЧЕСКИЙ ИНСТИТУТ
(ТЕХНИЧЕСКИЙ УНИВЕРСИТЕТ)
___________________________________________________________
И. А. КАРЕТНИКОВ
ТРИГГЕРЫ И МУЛЬТИВИБРАТОРЫ
НА ЛОГИЧЕСКИХ ЭЛЕМЕНТАХ
Лабораторные работы № 1—5
Методическое пособие
по курсу
«Электронные цепи и микросхемотехника »
для студентов, обучающихся по направлению
«Микроэлектроника и твердотельная электроника»
Москва Издательство МЭИ 2005
УДК
621.398
К 227
УДК 621.398.523.8, 725.6
Утверждено учебным управлением МЭИ
Подготовлено на кафедре полупроводниковой электроники МЭИ
Рецензенты: докт. техн. наук, профессор А. П. Лысенко,
канд. техн. наук, доцент Е. Е. Чаплыгин
Каретников И. А.
Триггеры и мультивибраторы на логических элементах:
Лабораторные работы № 1—5. Методическое пособие по курсу «Электронные цепи и микросхемотехника» для студентов, обучающихся по специальности «Микроэлектроника и твердотельная электроника» / Под ред. И. А. Каретникова – М.: Издательство МЭИ, 2005. – 40 с.
Рассмотрено построение и функционирование основных типов статических триггеров на логических элементах и построение счетчика импульсов на их основе. Изучается работа триггера Шмидта, построенного на двух логических элементах - инверторах. Демонстрируется наличие участка вольт-амперной характеристики с отрицательным дифференциальным сопротивлением. Изучается построение и функционирование мультивибраторов как автогенераторов, так и работающих в ждущем режиме. Рассмотрены и учтены особенности как ТТЛ, так и КМОП логических элементов.
Пособие предназначено для подготовки бакалавров и дипломированных инженеров по специальности "Микроэлектроника и твердотельная электроника" 200100.
Продолжительность лабораторных занятий – 4 часа.
© Московский энергетический институт, 2005
Лабораторная работа № 1
ИЗУЧЕНИЕ ТРИГГЕРОВ
Цель работы: изучить работу статических RS‑триггеров на основе логических элементов ИЛИ‑НЕ, И‑НЕ в статическом и динамическом режимах работы, анализ применения RS‑триггеров при построении D, T, JK ‑триггеров. Работа является ознакомительной.
В современной микросхемотехнике получили распространение статические триггеры с двумя устойчивыми состояниями. Они содержат запоминающий элемент (бистабильную ячейку) и схему управления.
Состояние триггера характеризуется уровнями потенциалов на выходах Q и
. В положительной логике высокий уровень потенциала принимают за "1" (UВЫХ = U1), а низкий - за "0" (UВЫХ = U0). Если у триггера имеется два выхода, то потенциал второго выхода противоположен потенциалу первого.
Наиболее часто триггеры строят, используя логические элементы (ЛЭ) ИЛИ-НЕ, либо И-НЕ. Их графическое обозначение, таблицы состояний и уравнения функционирования приведены на рис. 1.1 (подробнее – см. "Приложение") .
| Рис. 1.1 Графическое обозначение, таблица состояний и уравнение функционирования для логических элементов ИЛИ-НЕ (а) и И-НЕ (б) |
Бистабильная ячейка (БЯ) простейших триггеров потенциального типа содержит два инвертирующих элемента, охваченных перекрестными обратными связями (рис. 1.2, а). Поскольку выходное напряжение одного инвертора является входным напряжением для другого, то оценку возможных устойчивых состояний ячейки можно провести, воспользовавшись совместным построением их передаточных характеристик (рис. 1.2, б). Точки пересечения таких характеристик являются точками возможных состояний ячейки. Например, в точке 1 инвертор D1 не находится в активной области характеристик - "ключ заперт", и на его выходе наблюдается уровень UВЫХ = U1. Инвертор D2 также не находится в активной области–"ключ открыт", и на его выходе поддерживается уровень UВЫХ = U0. Это обуславливает устойчивое состояние бистабильной ячейки. Аналогично, в точке 2 инвертор D1 "открыт", а и
нвертор D2 "закрыт", что также ведет к устойчивому состоянию ячейки. В точке 3 реализуется неустойчивое состояние ячейки – инверторы находятся в активной области своих характеристик, и действует глубокая положительная обратная связь, стремящаяся перевести ячейку в одну из точек устойчивого состояния. Бистабильную ячейку удобно строить на основе ЛЭ ИЛИ‑НЕ и И‑НЕ. При этом логические входы, оставшиеся свободными после сформирования перекрестных связей (показаны пунктиром на
рис. 1.2, а) используются как информационные входы (R, S) для управления триггером.
Триггеры классифицируются по связи между состояниями информационных входов и выходов до срабатывания (tn) и после срабатывания (tn+1). При этом различают RS, D, T, JK и т.д. триггеры.
По временной диаграмме работы триггеры делятся на асинхронные и синхронные (тактируемые). В асинхронных триггерах запись информации осуществляется непосредственно в момент поступления информационного сигнала на вход. В синхронных триггерах запись информации осуществляется только при подаче разрешающего сигнала на тактовый вход, и только после этого состояние триггера устанавливается в соответствии с комбинацией логических сигналов на информационных входах. Синхронизация триггера может осуществляться как по уровню потенциала, так и по фронту (или срезу) синхроимпульса.
Асинхронные RS‑триггеры.
Рассмотрим RS‑триггер на основе ЛЭ ИЛИ‑НЕ (рис. 1.3). Здесь могут быть использованы ЛЭ РТЛ, МОП, КМОП, ЭСЛ. По сути, простейший RS‑триггер есть бистабильная ячейка, управляемая по дополнительным (R и S) входам. Введение перекрестной обратной связи должно надежно обеспечивать два устойчивых состояния триггера: Q=1,
=0, либо Q=0,
=1.
Отыщем правило эффективного управления RS‑триггером. Для этого необходимо рассмотреть работу каждого ЛЭ в БЯ в соответствии с его таблицей состояний (Рис. 1.1, а). Предположим, что на выходе ЛЭ D2 (выход Q рис. 1.3) существует потенциал U1, а на выходе ЛЭ D1 (выход
) – U0, при этом управляющие сигналы на входах S и R одновременно имеют низкий уровень (0). Необходимо обратить внимание, что выходные сигналы БЯ (Q и
) одновременно являются вторыми входными сигналами для логических элементов.
| Рис. 1.3 RS-триггер на основе ЛЭ ИЛИ-НЕ (а); | |
В соответствии с таблицей состояний для ЛЭ ИЛИ-НЕ (Рис. 1. 1, а, б) при комбинации входных сигналов 0 0 на входах ЛЭ D2 RS-триггера (рис.1.3) на его выходе следует ожидать потенциал Q=U1, а для ЛЭ D1 при комбинации входных сигналов 1 0 – на его выходе следует ожидать Q=U1. Таким образом, видно, что на выходах RS триггера поддерживаются потенциалы, заданные ранее. Такое состояние триггера является устойчивым.
К аналогичному заключению придем, если предположим, что первоначальные потенциалы на выходах Q и
данного RS-триггера соответственно равны U0 и U1, а комбинация входных сигналов: S=0, R=0 – прежняя.
Таким образом, комбинация сигналов на входах S=0, R=0 поддерживает (сохраняет) предыдущее состояние триггера, выполненного на ЛЭ ИЛИ-НЕ (см рис. 1.3, б).
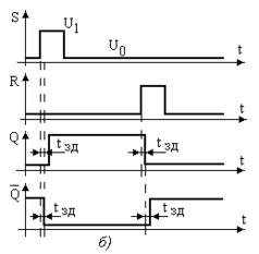
Из рассмотрения таблицы состояний ЛЭ ИЛИ‑НЕ также следует, что если хотя бы на одном входе ЛЭ существует уровень логической единицы, то управление по другому входу ЛЭ не эффективно, т.е. не приводит к изменениям его состояния. Изменить состояние ЛЭ возможно лишь в случае перехода от комбинации сигналов 0 0 на его входах к комбинации 1 0, либо 0 1. Отсюда вытекает правило эффективного управления БЯ: для "опрокидывания" триггера на основе ЛЭ ИЛИ‑НЕ необходимо сигнал U1 подавать на вход того ЛЭ, где до этого была комбинация входных сигналов 0 0. При этом на другом входе БЯ необходимо поддерживать уровень 0. Для наглядности восприятия на рис.1.3, б приведены осциллограммы процессов при управлении данным триггером.
Для RS-триггера принято, что комбинация входных сигналов S=1, R=0 должна приводить к состоянию Q=1. В соответствии с этим правилом обозначены входы и выходы триггера на рис. 1.3, и с учетом функционирования составлена
| Таблица 1.1 | Таблица 1.2 | |
| Таблица состояний RS-триггера | Словарь переходов RS-триггера | |
полная таблица (Табл. 1.1) состояний RS -триггера и его словарь переходов (Табл. 1.2). Знаком Х отмечено безразличное отношение триггера к сигналу на данном входе.
Комбинация входных сигналов S=1, R=1 является запрещенной
для RS-триггера на ЛЭ ИЛИ-НЕ, так как приводит к появлению на выходе триггера состояния, когда одновременно Q=
=0. Это приводит к неопределенности в оценке состояния RS-триггера и сбою работы всего цифрового устройства.
Характеристическое уравнение функционирования данного триггера имеет вид
Характеристики
Тип файла документ
Документы такого типа открываются такими программами, как Microsoft Office Word на компьютерах Windows, Apple Pages на компьютерах Mac, Open Office - бесплатная альтернатива на различных платформах, в том числе Linux. Наиболее простым и современным решением будут Google документы, так как открываются онлайн без скачивания прямо в браузере на любой платформе. Существуют российские качественные аналоги, например от Яндекса.
Будьте внимательны на мобильных устройствах, так как там используются упрощённый функционал даже в официальном приложении от Microsoft, поэтому для просмотра скачивайте PDF-версию. А если нужно редактировать файл, то используйте оригинальный файл.
Файлы такого типа обычно разбиты на страницы, а текст может быть форматированным (жирный, курсив, выбор шрифта, таблицы и т.п.), а также в него можно добавлять изображения. Формат идеально подходит для рефератов, докладов и РПЗ курсовых проектов, которые необходимо распечатать. Кстати перед печатью также сохраняйте файл в PDF, так как принтер может начудить со шрифтами.
















