СБ- МТ- ПОЛНЫЙ (987989), страница 4
Текст из файла (страница 4)
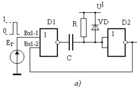
Напряжение UВХ 2=U*, когда в схеме возникает положительная обратная связь, легко определяется графически из совместного построения передаточных характеристик ЛЭ D1 и D2 (рис. 3-1, в). При этом необходимо считать, что UВЫХ 1=UВХ 2 и UВЫХ 2=UВХ 1, поскольку емкость C ведет себя в момент скачка тока как короткозамкнутый элемент. Из анализа рис. 3.1, в следует ожидать для ЛЭ КМОП U* EПИТ/2.
Д
| Рис. 3.2. Эквивалентная схема замещения (а) и осциллограмма перезарядки времязадающего конденсатора (б) | |
– резистор – шина нулевого потенциала (показано пунктиром на рис. 3.1, а). Эквивалентная схема замещения для расчета переходного процесса и осциллограммы напряжения на входе ЛЭ D2 представлена на рис.3.2. В процессе заряда конденсатора C ток через резистор R уменьшается, что ведет к уменьшению напряжения на входе ЛЭ D2. При достижении UВХ 2=U* вновь оба ЛЭ вновь оказываются в активной области характеристик. В схеме вновь возникает положительная обратная связь и скачок токов (напряжений). Квазиравновесная стадия завершилась: - импульс сформирован (рис 3.1, б). Его длительность составляет
где
,
. Для КМОП оценочно принимают U00, U1EПИТ, rВЫХ - выходное сопротивление ЛЭ в области крутых характеристик.
После квазиравновесной следует стадия восстановления, в течение которой в схеме происходит восстановление потенциалов и токов до равновесных значений. Перезарядка конденсатора C через резистор R (IРАЗ) существенно увеличивает время восстановления. Для сокращения этой стадии в схему вводят диод VD. В течение квазиравновесной стадии диод закрыт, а на этапе восстановления он открывается, и конденсатор C разряжается не через резистор R (показано пунктиром на рис.3‑1, а) через выходную характеристику ЛЭ D1 и диод VD. Это существенно ускоряет процесс восстановления, однако несколько увеличивает длительность заднего фронта импульса напряжения на выходе ЛЭ D1.
На рис.3‑1, б представлены синхронизированные по времени осциллограммы в характерных точках одновибратора. Видно, что импульс на выходе ЛЭ D2 имеет форму близкую к прямоугольной, и его полярность соответствует перепаду напряжения от U1 к U0. Импульс на выходе ЛЭ D1 положительный, однако, имеет искажения как вершины, так и заднего фронта, что связано с падением напряжения на ЛЭ D1 от тока перезаряда конденсатора C (показано пунктиром). С максимально допустимым выходным током ЛЭ D1, в частности, связаны ограничения на минимальную величину резистора R:
(см. "Приложение").
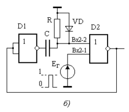
Другой вариант ЖМВ на двух инверторах И‑НЕ и осциллограммы в характерных точках представлены на рис.3‑4. В этой схеме для обеспечения устойчивого состояния на оба входа ЛЭ D2 должен поступать высокий потенциал U1, при этом на входе ЛЭ D1 возникает уровень U0. Схема запускается по входу 2‑1 перепадом EГ от U1U0 и позволяет получить на выходе ЛЭ D2 импульс положительной полярности близкий по форме к прямоугольной. Длительность генерируемого импульса определяется по формуле
В целом, работа схемы подобна работе в предыдущем случае. Для уточнения деталей читателю предлагается самому разобраться в осциллограммах рис.3‑4.
| . | |
| Рис. 3.4. Вариант схемы ждущего мультивибратора - (а); осциллограммы переходных процессов в характерных точках -(б) | |
Варианты схем ЖМВ на ЛЭ ИЛИ‑НЕ (КМОП) представлены на рис.3‑5.
В отличие от двух предыдущих в схемах ЖМВ на элементах ИЛИ‑НЕ устойчивое состояние обеспечивается подачей потенциала U0 на оба входа ЛЭ, по которому будет осуществляться запуск. Для этого, в частности, в схеме (рис. 3‑5, а) на входы ЛЭ D2 подан потенциал U1, что обеспечивает UВХ 1-2=UВЫХ 1=U0. Аналогично, в схеме (рис. 3.5, б) потенциал U0 подан на оба входа ЛЭ D2.
Схемы ЖМВ на ЛЭ ИЛИ‑НЕ запускаются импульсами положительной полярности (перепадом напряжения от U0 до U1). В идейном плане работа данных одновибраторов не отличается от рассмотренных выше случаев. Осциллограммы для характерных точек схемы рис.3.5, а (за исключением запускающего импульса) совпадают с рис.3. 4, 6, а для схемы рис.3.5, б совпадают с рис.3.1. Читателю рекомендуется самостоятельно разобраться в переходных процессах в этих схемах.
Описание стенда и методики проведения эксперимента
На стенде смонтированы микросхемы серии K561. Четыре независимых элемента 2И‑НЕ обеспечивает схема К561ЛА7, четыре независимых элемента 2ИЛИ‑НЕ — схема К561ЛЕ5. Представлен необходимый набор резисторов R, в том числе два переменных, набор конденсаторов C и диодов. Внешний вид стенда представлен на рис.3.6. При сборке заданной преподавателем схемы пользуйтесь внешними соединительными проводниками. К входным цепям ЛЭ присоединяться в последнюю очередь. Стенд позволяет подключить запускающий генератор (Ген), осциллограф (Осц), провести синхронизацию осциллографа (Синхр).
При сборке заданной преподавателем схемы пользуйтесь внешними соединительными проводниками. К входным цепям ЛЭ присоединяться в последнюю очередь. Стенд позволяет подключить запускающий генератор (Ген), осциллограф (Осц), провести синхронизацию осциллографа (Синхр).
Запуск одновибратора осуществляется от генератора импульсов Г5‑54. Если для запуска требуется импульс положительной полярности, то он может быть получен непосредственно от Г5‑54. (До присоединения генератора импульсов к стенду необходимо убедиться с помощью осциллографа, что амплитуда импульса не превышает 9В !). Если для запуска ЖМВ требуется уровень U0, то одновибратор запускается от Г5‑54 через инвертор, в качестве которого используется любой незадействованный ЛЭ И‑НЕ или ИЛИ‑НЕ.
Задание
1. В соответствии с заданием преподавателя собрать одну из схем одновибратора. Обеспечить необходимую схему запуска.
2. Нарисовать ожидаемые осциллограммы в характерных точках схемы. Рассчитать ожидаемую длительность импульса.
3. Включить стенд, наблюдать и зарисовать осциллограммы в характерных точках, сравнить с ожидаемыми. Снять зависимость длительности импульса от величины R и C.
4. Сократить длительность запускающего импульса и добиться срыва запуска ЖМВ. Оценить минимально необходимую длительность запускающего импульса.
БИБЛИОГРАФИЧЕСКИЙ СПИСОК
1. Гольденберг Л.М. Импульсные устройства. – М.: Радио и связь, 1981.
2. Зельдин Е.А. Импульсные устройства на микросхемах. - М.: Радио и связь, 1991 (МРБ, Вып. 1161).
3. Гусев В.Г. Гусев Ю.М. Электроника.– М.: Высш. шк ., 1991.– С. 585–597.
Лабораторная работа № 4
МУЛЬТИВИБРАТОР С ОДНИМ ВРЕМЯЗАДАЩИМ КОНДЕНСАТОРОМ
Цель работы: изучение работы мультивибраторов на двух или трех инверторах - логических элементах серии КМОП или ТТЛ.
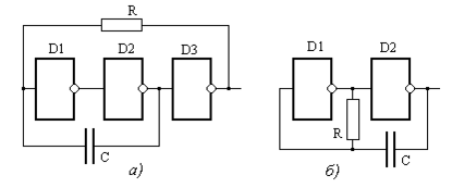
Мультивибратор является релаксационным автогенератором, обычно имеющим два квазиравновесных состояния. В течение квазиравновесной стадии в схеме идет относительно медленный процесс перезарядки конденсаторов, который в конечном итоге приведет к появлению скачка токов (напряжений), и схема переходит в другое квазиустойчивое состояние и т.д. Мультивибратор с одним времязадающим конденсатором наиболее часто строят на основе двух или трех инверторов для чего у логических элементов (ЛЭ) И‑НЕ или ИЛИ‑НЕ все входы объединяют. Входы, оставшиеся свободными, могут быть использованы для управления автогенератором - для включения или выключения его. Наиболее характерные схемы представлены на рис.4.1.
Мультивибраторы (MB) данных конфигураций могут быть построенными как на ЛЭ КМОП, так и на ЛЭ ТТЛ серий. Если входные токи в КМОП пренебрежимо малы, то в схемах ТТЛ ими пренебрегать нельзя и это накладывает определенные ограничения и особенности, о чем будет сказано ниже (см."Приложение").
Для упрощения анализа рассмотрим схему MB на трех ЛЭ КМОП (рис. 4.1, а). Для возникновения в схеме MB скачков тока (напряжения) необходимо, чтобы в определенный момент времени оба инвертора одновременно находились в активной области характеристик и возникала положительная обратная связь. Это достигается путем охвата инверторов D1 и D2 обратной связью с помощью конденсатора C. Резистор R, включенный между входом D1 и выходом DЗ, служит для вывода инверторов в активную область характеристик. Инвертор DЗ служит для переключения уровня напряжения, до которого должен перезарядиться конденсатор C.
У
|
|
| Рис.4.2. Нахождение напряжения U* |
Рассмотрим характерные моменты работы MB. Пусть в исходном состоянии потенциал на входе ЛЭ D1 (рис. 4.3, а) имеет низкое значение UВХ0= - 0,7 В. В этом случае на выходе инвертора D1 формируется высокий потенциал UВЫХ1=U1, на выходе инвертора D2 - низкий потенциал UВЫХ2=U0, на выходе ЛЭ DЗ - высокий потенциал U1.
Емкость C начинает перезаряжаться током I, протекающим через резистор R и выходы элементов D1 и D2 в соответствии со схемой (рис.4.3, а). Нахождение MB в данном квазиравновесном состоянии определяется временем T1, необходимым для достижения напряжения U* на входе ЛЭ D1 в соответствии с переходным процессом (рис. 4.4, в).
















