СБ- МТ- ПОЛНЫЙ (987989), страница 5
Текст из файла (страница 5)
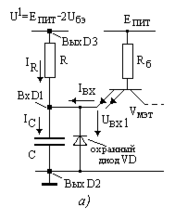
При достижении UВХ1=U* в схеме возникает положительная обратная связь, приводящая к скачку - "опрокидыванию" MB. Процесс опрокидывания очень короткий, и его длительность учитывать не будем. Положительный скачок напряжения UВЫХ2 с
|
| |
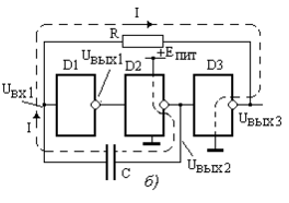
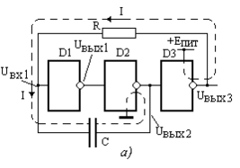
| Рис. 4.4. Путь тока I в процессе заряда конденсатора C при формировании периода T1 - (а) и периода T2 -(б). Осциллограммы в характерных точках -(в) | |
выхода ЛЭ D2 через емкость C будет передан на вход ЛЭ D1, и создаст потенциал UВХ11=EПИТ+UД. В результате на выходе D1 формируется уровень низкого потенциала, на выходе D2 - высокого, на выходе DЗ - низкий потенциал. Конденсатор C теперь будет перезаряжаться в соответствии со схемой (рис. 4.4, б). Этим поцессом будет определяться длительность второй квазиравновесной стадии периода колебаний -T2
После этого в схеме вновь наступит скачок и переход в первое квазиравновесное состояние. Таким образом, полный период колебаний MB составляет T=T1+T2. Если R>>rВЫХ2, rВЫХ2 и U*=EПИТ/2, то MB близок к симметричному: T1=T2 оценочно можно считать
T = 2RCln2 =1,4RC.
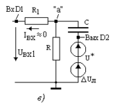
Синхронизированные по времени осциллограммы в характерных точках MB представлены на рис.4.4, в. Необходимо помнить, что входы ЛЭ КМОП защищены охранными диодами VD1, VD2 (см. "Приложение", Таб. П1). Именно поэтому напряжение на входе Вх1 не может быть больше, чем |EПИТ+UД| и меньше, чем –UД. Наличие охранных диодов приводит в определенный момент времени к появлению значительных токов диодов VD1, VD2, а также на выходе ЛЭ D2, что связано с процессом заряда емкости C, подключенной непосредственно к выходу D2 через охранные диоды. Это увеличивает длительность переднего и заднего фронта импульса на выходе ЛЭ D2.
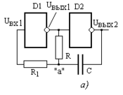
Вариант схемы MB на двух ЛЭ (рис. 4.1, б) по принципу работы не отличается от схемы на трех ЛЭ. Здесь роль переключателя уровня, до которого перезаряжается конденсатор C, выполняет ЛЭ D1. Для исключения значительных токов через охранные диоды в схему MB на двух ЛЭ часто вводят ограничительный резистор R1. На рис.4.5, а представлен вариант такой схемы.
Рассмотрим один полупериод колебаний мультивибратора. Пусть в результате "скачка" на выходе ЛЭ D2 появится перепад напряжения UВЫХ 2=+EПИТ, который через емкость C как через короткозамкнутый элемент будет приложено к точке "а" (рис.4.5, г).
| | |
| Рис. 4.5. Электрическая схема мультивибратора на двух ЛЭ (а); схемы замещения времязадающей цепи для стадий T1'– (б) и T2''(в); осциллограммы в характерных точках – (г) | |
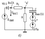
Результирующий потенциал в данной точке составит U*+UВЫХ 2=1,5EПИТ), что приведет к открыванию охранного диода VD2 , но потенциал на входе D1 не превысит ЕПИТ+UД. Начинается квазиравновесная стадия, и в течение времени T1' состояние схемы будет определяться процессом перезарядки конденсатора C по пути C—R1||(R+rВЫХ 1+rВЫХ 2)C—(R1||R) в соответствии с эквивалентной схемой (рис. 4.5, б). В процессе перезарядки потенциал точки "а" понижается, и при UВХ 1 (EПИТ+UД) диод VD2 закрывается. Перезарядка конденсатора будет происходить теперь по пути C— (R+rВЫХ 1+rВЫХ 2) C—R (рис. 4.5, в) и определять время квазиравновесного состояния T1''. При уменьшении потенциала на входе D1 до уровня U* в схеме возникает положительная обратная связь, сопровождающаяся скачком. Возникает перепад напряжения на выходе ЛЭ D2 от U1 до U0, и повторяется процесс качественно подобный описанному выше - квазиравновесная стадия T2. Читателю предлагается самому нарисовать эквивалентную схему замещения для расчета периодов T2' и T2''.
В соответствии с осциллограммами рис.4.5, г можно записать
Аналогично:
– Полный период колебаний MB составит T = T1'+T1"+T2'+T2". Величина резистора R1 выбирается обычно в пределах 0,2R <R1<3 R..
Особенности схем мультивибраторов на ЛЭ ТТЛ серии (см."Приложение):
— напряжение U* для серии K155 составляет 2UБЭ1,4В, при EПИТ=5В, U1=3,6В, а U0=0,2В;
-
входная характеристика ТТЛ ЛЭ представлена на рис. П1, и при UВХ=UВХ0 существует значительный (до 1 мА) вытекающий ток. Это ограничивает максимальную величину резистора R, включенного последовательно со входом, до величины 1 кОм;
— при UВХ>U* входной ток мал, и им можно пренебречь;
— охранный диод на входе ограничивает появление только отрицательных перенапряжений.
С учетом этих особенностей строятся и рассчитываются схемы MB на основе ТТЛ. Характерная осциллограмма на входе ЛЭ D1 мультивибратора представлена на рис. 4.6.
| Рис. 4. 6. Осциллограмма переходных процессов на эмиттерном |
При расчете длительности квазиравновесной стадии T1, когда UВХ 1<U* (рис. 4.7, а) заряд конденсатора C происходит не только через резистор R, но в входным током ТТЛ:
IC = IR + IВХ.
Соответственно, длительность периода T1 можно рассчитать, воспользовавшись эквивалентным генератором ЕЭКВ, RЭКВ.
При расчете длительности квазиравновесной стадии T2', когда UВХ 1>U* (рис.4.7, б) входным током ЛЭ можно пренебречь (IВХ=0). Заряд конденсатора происходит только через резистор R . Соответственно, длительность стадии T2' составляет
.
Наконец, при 1,4В<UВХ 1<1,7В существенно изменяется входной ток ТТЛ ЛЭ (стадия T2'' на рис.4.6). Соответственно уменьшается ток заряда и скорость изменения напряжения на конденсаторе C
IC = IR + IВХ,
Поскольку входная характеристика в этой области существенно нелинейна (рис.П.1), точный расчет T2'' требует использования численных методов и здесь не проводится. Данный процесс особенно заметен при повышенных значениях резистора R, и может занимать существенную часть периода T2. Это вносит заметную погрешность в определение длительности данной стадии. Малая скорость изменения напряжения при прохождении уровня U* приводит к уменьшению стабильности частоты генерируемых колебаний. Сопоставление длительностей T1 и T2 показывает, что MB на ТТЛ с одним времязадающим конденсатором является несимметричным.
ОПИСАНИЕ УСТАНОВКИ
Для исследования схем MB на КМОП используется стенд аналогичный стенду, используемому при исследовании ЖМВ (Лаб. работа № 3). При исследовании MB на ТТЛ используется стенд УМ‑13 с навесными резистивными и емкостными элементами и ЛЭ К155ЛА3.
ЗАДАНИЕ
1. Собрать схему MB. Тип ЛЭ и конфигурацию схемы задает преподаватель.
2. Проанализировать осциллограммы в характерных точках схемы. Оценить периоды T1 и T2, сравнить с расчетными.
3. Снять зависимость периода колебаний от величины резистора R и емкости C.
4. В одном из режимов оценить длительности положительных и отрицательных фронтов импульсов на выходах MB.
БИБЛИОГРАФИЧЕСКИЙ СПИСОК
1. Гусев В.Г., Гусев Ю.М. Электроника. - М.: Высш. шк., 1991. – С. 585-592.
2. Гольденберг Л.М. Импульсные устройства. - М.: Радио и связь, 1981.
3. Зельдин Е.А. Импульсные устройства на микросхемах. - М.: Радио и связь, 1991. – С. 80-111
Лабораторная работа № 5
МУЛЬТИВИБРАТОР С ДВУМЯ ВРЕМЯЗАДАЮЩИМИ ЦЕПЯМИ
Цель работы: изучение работы мультивибратора на ЛЭ КМОП и ТТЛ. Организация симметричного и несимметричного режимов работы, изучение переходных процессов в схеме.
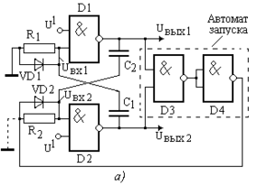
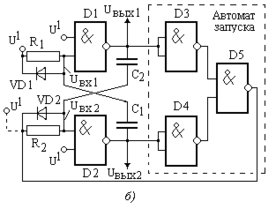
Мультивибратор (MB) собран на двух идентичных ЛЭ-инверторах D1 и D2 (рис. 5.1), охваченных перекрестными обратными связями. Времязадающими цепями являются элементы R1C1 и R2C2. Такая схема позволяет управлять каждым полупериодом колебаний практически независимо от другого. Схема считается симметричным мультивибратором, если R1=R2 и C1=C2, и несимметричным, если эти условия не выполняются. В качестве инверторов используются ЛЭ НЕ, И‑НЕ, ИЛИ‑НЕ. Если используются элементы И‑НЕ, то на входы, оставшиеся свободными после организации перекрестных связей, необходимо подать потенциал U1. Если используются элементы ИЛИ‑НЕ, то на такие входы необходимо подать потенциал U0. Кроме того, свободные входы могут быть использованы для управления MB (его включением, или выключением). Для надежной работы такие схемы должны иметь автомат запуска (схема, обведенная пунктиром, на рис 5.1).
Существуют несколько вариантов схем такого мультивибратора [3], однако, для начального обучения приняты два, как наиболее простые для понимания: – в первом (рис. 5.1, а) времязадающие резисторы "заземлены". Во втором (рис.5.1, б) – эти резисторы присоединены к потенциалу U1.
| Рис. 5.1. Схемы мультивибраторов на ЛЭ И-НЕ: с "заземленным" времязадающим резистором (а), резистор присоединен к шине U1 (б) | |
В лабораторной работе можно исследовать MB как на ТТЛ элементах серии K155, так и на КМОП элементах серии K561.
Рассмотрим работу MB на основе КМОП элементов по первому варианту (рис.5.1, а). При анализе работы MB условно все процессы можно разделить на медленные и быстрые. В течение медленного процесса ЛЭ находятся в квазиустойчивом состоянии, например, UВЫХ 1=U1, UВЫХ 2=U0, либо UВЫХ 1=U0, UВЫХ 2=U1, и длительность их пребывания в этом состоянии определяется процессами перезарядки конденсаторов С1 и С2 через соответствующие резисторы.
В течение быстрого процесса в схеме наблюдается скачкообразный переход ЛЭ из одного квазиустойчивого состояния в другое. Период колебаний MB, в основном, определяется медленными процессами.
П
усть ЛЭ D1 (рис. 5.1, а) находится в состоянии UВЫХ 1=U0, а ЛЭ D2 в состоянии UВЫХ 2=U1. Для обеспечения такого состояния необходимо, чтобы на входе элемента D2 существовал низкий потенциал U0 (вход через резистор R2 присоединен к земле), а на входе элемента D1 - высокий (U1). Данный высокий потенциал обеспечивается протеканием тока через резистор R1 в процессе перезарядки конденсатора C1 по цепи: шина +EПИТ - выход ЛЭ D2 – С1 – резистор R1 – шина нулевого потенциала ("земля") в соответствии с эквивалентной схемой замещения (рис. 5.2, а). Уменьшение напряжения на входе ЛЭ D1 происходит по экспоненциальному закону с постоянной времени 1=(R1+rВЫХ 2)C1. Время нахождения ЛЭ D1 в данном квазиустойчивом состоянии определяется достижением напряжения UВХ 1=U* (рис. 5.2, б) и равно
















