text (955261), страница 9
Текст из файла (страница 9)
Клапан состоит из корпуса поз. 1 и крышки поз. 2.
Детали поз. 5, 6, 8 являются запорным устройством.
Изменение проходною отверстия между клапаном поз. 6
и седлом поз. 7 регулируется вращением маховичка
поз. 4. В качестве уплотнения между шпинделем поз. 5,
крышкой поз. 2 и фланцем поз. 3 применяют войлочные
кольца поз. 15, пропитанные смазочными веществами.
По мере износа войлочные кольца поджимаются фланцем,
для чего завинчивают гайки поз. 10. Стык крышки и
корпуса уплотнен прокладкой поз. 14. Пробка поз. 9
предназначена для слива отстоя и очистки корпуса.
Задание
Выполнить чертежи деталей поз. 1 ... 5.
Материал деталей поз. 1 ... 4 — СЧ 15 ГОСТ 1412—79,
деталей поз. 5 ... 9 — Сталь 20 ГОСТ 1050—74.
Ответьте на вопросы:
-
Покажите контур детали поз. 2.
-
Покажите на чертеже местный разрез и сечение.
-
Покажите на виде слева прокладки поз. 10 и поз. 11.
27
2-е деталированш
26. ЦИЛИНДР ГИДРАВЛИЧЕСКИЙ
| Формат | Зона | Поз. | Обозначение | Наименование | Кол. | Приме- |
| Документация | ||||||
| А2 | МЧ00.26.00.00.СБ | Сборочный чертеж | ||||
| Детали | ||||||
| A3 | 1 | МЧ00.26.00.01 | Корпус | |||
| A3 | 2 | МЧ00.26.00.02 | Стакан | |||
| А4 | 3 | МЧ00.26.00.03 | Фланец | |||
| A3 | 4 | МЧ00.26.00.04 | Поршень | |||
| А4 | 5 | МЧ00.26.00.05 | Крышка | |||
| А4 | 6 | МЧ00.26.00.06 | Вилка | |||
| А4 | 7 | МЧ00.26.00.07 | Прокладка | |||
| Стандартные изделия | ||||||
| 8 | Болт М6Х 28.58 | 12 | ||||
| 9 | Болт Ml2X45.58 | 2 | ||||
| 10 | Гайка М12.5 | 2 | ||||
| 11 | Кольцо 025-030-30 | 1 | ||||
| 12 | Кольцо 055-060-30 ГОСТ 9833—73 | 3 | ||||
| Материалы | ||||||
| 13 | Войлок ПС 10 | 5 |
Гидравлический цилиндр является основным звеном
гидроприводов.
Гидравлический цилиндр состоит из корпуса поз. 1
и поршня поз. 4. поршень движется в цилиндре под
давлением масла, которое подается в цилиндр через резь-
бовые отверстия деталей поз. 1 и поз. 5. Последовательное
переключение подачи масла производится при помощи
золотника (на чертеже не показан).
Шток поршня поз. 4 соединен с вилкой поз. 6. Вилка
присоединяется к звену механизма, которому поршень
сообщает требуемое возвратно-поступательное движение.
Уплотнение поршня, штока поршня, а также корпуса
обеспечивается уплотнительными кольцами поз. 11, 12, 13
и прокладкой поз. 7.
Задание
Выполнить чертежи деталей поз. 1 ... 6. Деталь поз. 7
или 2 изобразить в аксонометрической проекции.
Материал деталей поз. 1 ... 3, 5 — СЧ 15
ГОСТ 1412—79, деталей поз. 4, 6 — Сталь 45
ГОСТ 1050—74.
Ответьте на вопросы:
-
Покажите контур детали поз. 3.
-
Имеется ли на чертеже сечение?
-
Как называются разрезы на виде сверху?
28
1-е деталирование
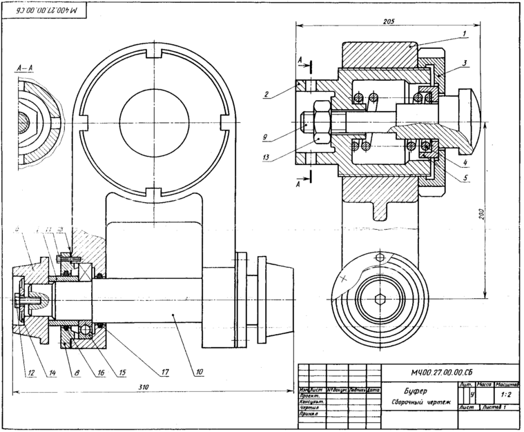
27. БУФЕР
| Формат | Зона | Поз. | Обозначение | Наименование | Кол. | Приме- |
| Документация | ||||||
| А2 | МЧ00.27.00.00.СБ | Сборочный чертеж | ||||
| Детали | ||||||
| A3 | 1 | МЧ00.27.00.01 | Корпус | 1 | ||
| А4 | 2 | МЧ00.27.00.02 | Стакан | 1 | ||
| А4 | 3 | МЧ00.27.00.03 | Гайка упорная | 1 | ||
| А4 | 4 | МЧ00.27.00.04 | Пружина | 1 | ||
| А4 | 5 | МЧ00.27.00.05 | Тарелка | 1 | ||
| А4 | 6 | МЧ00.27.00.06 | Бегунок | 2 | ||
| А4 | 7 | МЧ00.27.00.07 | Втулка | 2 | ||
| А4 | 8 | МЧ00.27.00.08 | Крышка | 2 | ||
| А4 | 9 | МЧ00.27.00.09 | Буфер | 2 | ||
| А4 | 10 | МЧ00.27.00.10 | Ось | 1 | ||
| Стандартные изделия | ||||||
| 13 | Болт М6Х 28.58 ГОСТ 7798—70 | 12 | ||||
| 12 | Болт М12Х 32.58 ГОСТ 7798—70 | 2 | ||||
| 13 | Гайка М30.5 ГОСТ 5915—70 | 1 | ||||
| 14 | Шайба 12.01.05 ГОСТ 11371—78 | 2 | ||||
| 15 | Шарикоподшипник 212 ГОСТ 8338—75 | 2 | ||||
| 16 | Кольцо СГ 76-59-5 ГОСТ 6418—81 | 2 | ||||
| 17 | Кольцо СГ 71 54 5 ГОСТ 6418—-81 | 2 | ||||
| Материалы | ||||||
| 18 | Картон А 1 ГОСТ 6659—83 | 2 |
Буфер используется в автоматических линиях с целью
предотвращения поломок деталей при их обработке на
металлорежущих станках.
Деталь, поданная на конвейер, устанавливается в осе-
вом направлении под давлением толкателя, который под-
водит деталь до буфера поз. Р. При ударе буфер упи-
рается в пружину поз. 4, которая, сжимаясь, поглощает
удар. С помощью бегунков поз. 6 деталь передается на
следующую операцию автоматической линии.
Задание
Выполнить чертежи деталей поз. 1 ... 3, 6, 5, 9.
Материал деталей поз. 1 — СЧ 15 ГОСТ 1412—79,
поз. 2, 5, 7, 8 — Ст 5 ГОСТ 380—71, поз. 3, 6, 9, 10 —
Сталь 30 ГОСТ 1050—74, поз. 4 — Сталь 65Г
ГОСТ 1050—74.
Ответьте на вопросы:
-
Назовите детали, которые видны на разрезе А— А.
-
Видна ли деталь поз. 2 на главном виде?
-
Сколько отверстий под болты у детали поз. 8?
29
2-е деталирование
28. ЦИЛИНДР ПНЕВМАТИЧЕСКИЙ
| Формат | Зона | Поз. | Обозначение | Наименование | Кол. | Приме- |
| Документация | ||||||
| А2 | MЧ00.28.00.00.СБ | Сборочный чертеж | ||||
| Детали | ||||||
| А3 | 1 | MЧ00.20.00.01 | Цилиндр | 1 | ||
| A3 | 2 | МЧ00.20.00.02 | Поршень | 1 | ||
| A3 | 3 | МЧ00.28.00.03 | Крышка | 1 | ||
| A3 | 4 | МЧ00.28.00.04 | Крышка | 1 | ||
| А4 | 5 | МЧ00.28.00.05 | Фланец | 1 | ||
| A3 | 6 | МЧ00.28.00.06 | Шток | 1 | ||
| Стандартные изделия | ||||||
| 7 | Болт M10X 38.58 ГОСТ 7798-70 | 4 | ||||
| 8 | Гайка Ml2.5 ГОСТ 5915—70 | 8 | ||||
| 9 | Кольцо 025 030 30 ГОСТ 9833—73 | 2 | ||||
| 10 | Кольцо 055 060 30 ГОСТ 0833 —УЗ | 2 | ||||
| 11 | Шайба 12.01.05 ГОСТ 11371-78 | 8 | ||||
| 12 | Шпилька Ml2X45.58 ГОСТ 22043-76 | 8 | ||||
| Материалы | ||||||
| 13 | Картон А 1 ГОСТ 9347 74 | 2 |
Пневматические цилиндры применяются в приспособ-
лениях, предназначенных для быстрой установки и надежного закрепления обрабатываемых деталей на металлообрабатывающих станках. Изображенный на чертеже
пневматический цилиндр - качающийся, крепится
к станку специальными шарнирными устройствами. Основ-
ными элементами пневматического цилиндра являются
цилиндр поз. 1 и поршень поз. 2.
В цилиндр через отверстия крышек поз. 3 и поз. 4
то с одной, то с другой стороны поршня попеременно
подводят сжатый воздух, под действием которого поршень
совершает возвратно-поступательное движение. К пра-
вому концу штока поз. 6 присоединяется звено меха-
низма, которому шток сообщает это движение. Поршень
и шток имеют уплотнительные кольца поз. 9 и поз. 10.
Задание















