ПОЛНЫЙ ВАРИАНТ 3 (955083), страница 7
Текст из файла (страница 7)
Таблица 11.2
Значения уточнений Аi при изготовлении деталей методом порошковой металлургии
| № п/п | Наименование частных показателей технологичности | Значения частных показателей технологичности | Аi |
| 1 | Показатель сложности детали | Изделия цилиндрической или прямоугольной формы с отверстиями сложной формы или без них | 0,00 |
| Изделия, ограниченные криволинейными поверхностями, формирование которых не требует специальных приемов, а так же зубчатые колёса и звёздочки | 0,15 | ||
| Изделия, ограниченные поверхностями сложной геометрической формы | 0,30 | ||
| 2 | Показатель технологичности материала | Медь, углеродистые стали | 0,00 |
| Низколегированные углеродистые стали | 0,15 | ||
| Коррозионно-стойкие стали, алюминий | 0,25 | ||
| 3 | Показатель использования материала | 1,0-0,75 | 0,00 |
| Менее 0,75 | 0,20 | ||
| 4 | Показатель сложности переработки материала | Однократное прессование и спекание | 0,00 |
| Прочие | 0,25 |
Если в технологическом процессе изготовления детали должна быть проведена термообработка (например, закалка стальной детали), то расчет соответствующего комплексного показателя технологичности
, входящего в формулу (20), осуществляют на основе данных табл. 12.
Таблица 12
Значения уточнений Аi при термообработке деталей
| № п/п | Наименование частного показателя технологичности | Значение частного показателя технологичности | Ai |
| 1 | Наименьшее соотношение толщин сечений сопрягаемых элементов детали | Без резких переходов | 0,00 |
| Менее 0,8 (местная закалка) Менее 0,1 (общая закалка) | 0,40 | ||
| 2 | Отношение длины детали к минимальному размеру поперечного сечения | Менее 10 | 0,00 |
| Более 10 | 0,25 | ||
| 3 | Сложность термической обработки материала, определяемая его видом | Конструкционные стали, сплавы на основе меди и алюминия | 0,00 |
| Стали легированные и инструментальные | 0,05 | ||
| Стали коррозионно-стойкие; сплавы, легированные кобальтом, молибденом, вольфрамом | 0,10 |
В случае необходимости нанесения покрытий входящий в формулу (20) комплексный показатель технологичности КП рассчитывают на основе данных табл. 13 (химические и гальванические покрытия) или табл. 14 (лакокрасочные покрытия).
Таблица 13
Значение уточнений Аi при нанесении гальванических (электрохимических) или химических покрытий
| № п/п | Наименование частного показателя технологичности | Значение частного показателя технологичности | Ai |
| 1 | Назначение покрытия | Защитное | 0,00 |
| Защитно-декоративное | 0,05 | ||
| Специальное | 0,10 | ||
| 2 | Сложность конструкции детали | Листы, ленты, плоские и цилиндрические детали без резьбы и полостей | 0,00 |
| Детали, требующие защиты участков от покрытия и имеющие труднодоступные участки (глухие гладкие и резьбовые отверстия, полости, каналы, выступы) | 0,25 | ||
| 3 | Наибольший размер детали | До 150 мм | 0,00 |
| Свыше 150 мм | 0,10 | ||
| 4 | Вид покрытия | Однослойные | 0,00 |
| Многослойные | 0.20 | ||
| 5 | Механическая обработка покрытия | Нет | 0,00 |
| Есть | 0,10 | ||
| 6 | Шероховатость покрываемой поверхности | Ra более 1,25 мкм | 0,00 |
| Ra менее 1,25 мкм | 0,05 | ||
| 7 | Сложность нанесения покрытия на материал, определяемая видом материала | Медные сплавы | 0,00 |
| Сталь, алюминиевые сплавы | 0,05 |
Таблица 14.
Значение уточнений Аi при нанесении лакокрасочных покрытий.
| № п/п | Наименование частного показателя технологичности | Значение частного показателя технологичности | Ai |
| 1 | Сложность конфигурации детали и покрываемой поверхности | Простая конфигурация | 0,00 |
| Сложная конфигурация | 0,20 | ||
| Труднодоступность покрываемой поверхности | 0,40 | ||
| 2 | Соответствие шероховатости покрываемой поверхности требованиям ГОСТ 9.032-74 | Может быть обеспечено | 0,00 |
| Не обеспечивается | 0,20 | ||
| 3 | Необходимость защиты резьбовых и других поверхностей от покрытия | Нет | 0,00 |
| Есть | 0,20 |
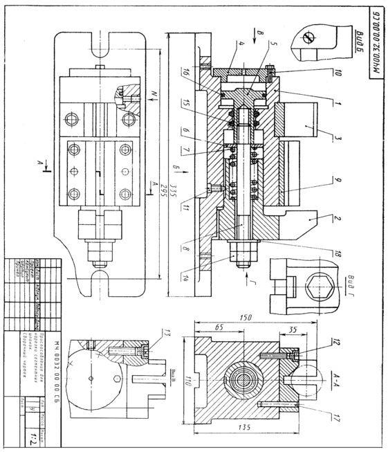
ВАРИАНТ №1.
Приспособление для нарезки сегментных шпонок.
| Формат | Зона | Пози ция | Обозначение | Наименование | Количество | Примечание |
| А2 А3 А4 А4 А4 А4 А4 А4 А4 А4 | 1 2 3 4 5 6 7 8 9 10 11 12 13 14 15 16 17 18 | МЧ00.32.00.00.СБ МЧ00.32.00.01 МЧ00.32.00.02 МЧ00.32.00.03 МЧ00.32.00.04 МЧ00.32.00.05 МЧ00.32.00.06 МЧ00.32.00.07 МЧ00.32.00.08 МЧ00.32.00.09 | Документация Сборочный чертеж Детали Корпус Прихват Колодка Крышка Поршень Шайба Пружина Шпилька М12 Призма Стандартные изделия Болт М6х18.58 ГОСТ 7798-70 Винт А.М8х20.58 ГОСТ 1491-89 Винт М8х30.58 ГОСТ 11738-84 Винт М10х35.58 ГОСТ 11738-84 Гайка М12.5 ГОСТ 5915-70 Кольцо СГ 23-14-3 ГОСТ 6418-81 Кольцо СГ 48-34-5 ГОСТ 6418-81 Штифт 8h8х36 ГОСТ 3128-70 Шайба 24.01.019 ГОСТ 11371-78 | 1 1 1 1 1 1 1 1 1 5 1 4 2 2 2 1 2 1 |
Приспособление предназначено для производства сегментных шпонок из заготовок (готовых шайб) на горизонтально-фрезерном станке.
В корпус поз.1 вставлен прихват поз.2, соединенный шпилькой поз.8 с поршнем поз.5 цилиндра обратного действия. Зажим нескольких заготовок, установленных на призме поз.9 (на чертеже показаны тонкой линией, см. разрез А-А), осуществляется прихватом под воздействием гидравлического давления на поршень (жидкость поступает в отверстие по стрелке). Пружина поз.7 возвращает прихват в исходное положение после того, как в цилиндре снято давление. Дисковая фреза центрируется по оси призмы поз.9 и прорези установочной колодки поз.3 с помощью щупа.
Материал Деталей.: Поз.1,4 – СЧ 15 ГОСТ1412-79, Поз.2,3,5,6,8,9 – Сталь 20 ГОСТ 1050-74, Поз. 7 – Сталь 65Г ГОСТ1050-74.
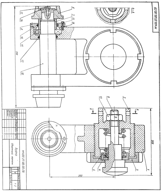
Буфер.
| Формат | Зона | Позиция | Обозначение | Наименование | Количество | Примечание |
| А2 А3 А4 А4 А4 А4 А4 А4 А4 А4 А4 | 1 2 3 4 5 6 7 8 9 10 11 12 13 14 15 16 17 18 | МЧ00.27.00.00.СБ МЧ00.27.00.01 МЧ00.27.00.02 МЧ00.27.00.03 МЧ00.27.00.04 МЧ27.00.00.05 МЧ00.27.00.06 МЧ00.27.00.07 МЧ00.27.00.08 МЧ00.27.00.09 МЧ00.27.00.10 Кольцо | Документация Сборочный чертеж Детали Корпус Стакан Гайка упорная Пружина Тарелка Бегунок Втулка Крышка Буфер Ось Стандартные изделия Болт М6х28.58 ГОСТ 7798-70 Болт А.М12х32.58 ГОСТ 7798-70 Гайка М30.5 ГОСТ 5915-70 Шайба 12.01.05 ГОСТ 11731-78 Шарикоподшипник 212 ГОСТ 8338-75 Кольцо СГ 76-59-5 ГОСТ 6418-81 Кольцо СГ 74-54-5 ГОСТ 6418-81 Материалы Картон А1 ГОСТ 6659-83 | 1 1 1 1 1 2 2 2 1 1 12 2 1 2 2 2 2 2 |
















