СХЕМОТЕХНИКА ЭВМ_18.2.17 (855859), страница 16
Текст из файла (страница 16)
Рис. 4.27. Временная диаграмма работы вычитающего счетчика.
4.7.3. Счетчик с параллельным переносом.
Повышение быстродействия счетчиков можно обеспечить за счет одновременного (параллельного) формирования сигналов переноса во всех разрядах. Достигается это за счет введения в схему счетчика дополнительных логических элементов "И".
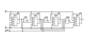
Схема счетчика с параллельным переносом на D-триггерах ТМ2 приведена на следующем рисунке.
Рис. 4.28. Счетчик с параллельным переносом.
Импульс на вход второго разряда счетчика DD3 поступает с выхода логического элемента DD2 типа 2И-НЕ, если на выходе первого разряда DD1 будет лог. "1" и на второй вход DD2 поступит импульс CLK.
Аналогично, импульс на вход третьего разряда DD5 поступает с выхода логического элемента DD4 типа 3И-НЕ, если на выходах первого и второго разрядов DD1 и DD3 будет лог. "1" и на третий вход DD4 поступит импульс CLK. Аналогично организована схема переноса для четвертого каскада D7. Задержка переключения для триггера последнего разряда такая же, как и для первого разряда.
Недостатком счетчика с параллельным переносом является необходимость использования большого числа многовходовых логических элементов "И", при этом число входов этих элементов растет вместе ростом числа разрядов счетчика.
4.7.4. Счетчики по произвольному основанию.
Счетчиком по произвольному основанию называется счетчик, модуль счета которого К не равен числу, кратному степени числа 2.
Известны несколько способов построения схем счетчиков по произвольному основанию. За основу такого счетчика всегда берется двоичный счетчик с модулем счета М, превышающим К.
Счетчик с цепями сброса в начальное состояние. Этот универсальный способ построения счетчиков с произвольным модулем счета состоит в следующем:
Выбираем схему двоичного счетчика с модулем счета М = 2n, при этом К < M. Подключаем к выходам триггеров логический элемент "И-НЕ" так, чтобы он обнаруживал код конца счета (это двоичное число К – 1). Сигнал с выхода этого логического элемента по цепям приоритетного сброса триггеров R сбрасывает счетчик в начальное состояние. В схему счетчика вводится дополнительный триггер, запоминающий факт срабатывания элемента "И-НЕ", что позволяет устранить гонки импульсов.
С
хема счетчика с модулем счета K = 6 на базе счетчика с последовательным переносом с M = 23 = 8 приведена на следующем рисунке.
Рис. 4.29. Схема счетчика с модулем счета К = 6. [почему 6, подробнее]
D-триггеры DD4, DD5, DD6 являются рабочими, триггер DD1 – вспомогательным. Триггеры DD4 – DD6 образуют счетчик с непосредственной связью. Входы логической схемы "И-НЕ" DD7 подключены к тем прямым выходам Qi триггеров DD4 – DD6, которые соответствуют единицам в двоичном числе К – 1 = 5 (QDD4 = 1, QDD5 =0, QDD6 = 1).
Сигнал с выхода DD7 поступает на D вход вспомогательного триггера DD1 и запоминается в нем только в момент поступления на его вход С фронта очередного тактового импульса CLK. Следующий импульс CLK через логический элемент 2"ИЛИ" DD3 поступает на входы приоритетного сброса R и устанавливают счетчик в начальной состояние.
Временная диаграмма работы счетчика приведена на рис. 4.30.
В начальный момент времени триггеры DD4 – DD6 сброшены в состояния лог. "0". Поэтому на выходе логического элемента "И-НЕ" DD7 вырабатывается сигнал лог. "1". Триггер DD1 в начальный момент также сброшен в состояние лог. "1" и поэтому на его выходе Q вырабатывается сигнал лог. "1". Этот сигнал блокирует прохождение тактовых импульсов через логический элемент "ИЛИ" DD3 и поэтому на его выходе, соединенном с входами R приоритетного сброса триггеров DD4 – DD6, устанавливается состояние лог. "1". В результате триггеры DD4 – DD6 работают в режиме счета.
CLK
CLK1
R
D
Q0
Q1
Q2
DEC
Рис. 4.30. Временная диаграмма работы счетчика с К = 6. [клетка]
На входы логического элемента 2"И-НЕ" DD2 поступает последовательность импульсов CLK и сигнал лог. "1" с выхода DD7. В результате на выходе DD2 появляется инвертированная последовательность тактовых импульсов CLK1. Передние фронты инвертированных импульсов CLK1 (спады исходных импульсов CLK) последовательно переключают триггеры счетчика DD4 – DD6.
В момент появления на выходах Q этих триггеров двоичного числа К – 1 = 510 = 1012 на выходе логического элемента 2"И-НЕ" DD7 появится сигнал лог. "0", который поступит на входы логических элементов DD2 и DD3, а также на вход D триггера DD1. Логический элемент DD2 закроется и заблокирует поступление тактовых импульсов на счетчик. При поступлении переднего фронта тактового импульса на вход С триггер DD1 изменит свое состояние, что изменит логический уровень сигнала на входе DD3 на лог. "0". Это переключение происходит в промежутке между фронтами инвертированных импульсов CLK на входе счетчика. В результате очередной К-й тактовый импульс пройдет через DD3 и своим низким уровнем сбросит триггеры DD4 – DD6 в состояние лог. "0" по входам приоритетного сброса R. [можно попробовать схему переключений]
Схема счетчика вернется в начальное состояние, при этом последовательно изменится сигнал на выходе DD7 и триггер DD1 вернется в состояние лог. "1".
Основным достоинством этой схемы является то, что процессы счета импульсов и сброса счетчика в начальное состояние разнесены на полтакта последовательности импульсов CLK. В результате сброс счетчика проводится в синхронном режиме, что позволяет устранить влияние гонок импульсов и технологического разброса времен задержек микросхем.
Рассмотренная схема счетчика позволяет при разумном выборе частоты следования и скважности входных импульсов исключить гонки импульсов, приводящих к появлению на выходах триггеров недействительных состояний, что в некоторых применениях недопустимо.
Счетчик с предварительной записью числа. Перед началом счета в триггеры счетчика загружается число, равное разности между M = 2n и К. Счетчик продолжает счет до момента естественного окончания счета (состояния всех триггеров равны "1"). После этого счетчик сбрасывается в "0".
4.7.5. Счетчик по произвольному основанию на микросхемах ИЕ7 и ИЕ18.
Микросхема типа ИЕ7 является реверсивным счетчиком с асинхронным сбросом. Микросхема типа ИЕ18 является счетчиком с синхронным сбросом.
Счетчик по произвольному основанию К < 16 может быть собран на базе одной микросхемы типа ИЕ7 или ИЕ18. Для К > 16 предусмотрена возможность каскадирования микросхем счетчиков.
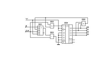
В качестве примера рассмотрим схему счетчика на микросхеме ИЕ7 с модулем счета К = 12 (рис. 4.31).
Рис. 4.31. Схема счетчика на микросхеме типа ИЕ7 (К = 12).
Последовательность импульсов CLK через открытый логический элемент 2"И-НЕ" DD2 поступает на вход +1 счетчика ИЕ7 DD4. Логический элемент 3"И-НЕ" DD5 открывается в момент появления на выходах счетчика Y0, Y1, Y2, Y3 числа К – 1 = 1110 = 10112. В результате сигнал "0" с выхода DD5 поступает на вход D триггера DD1. После поступления очередного импульса CLK триггер DD1 переключается, в результате чего логический элемент DD2 закрывается, а логический элемент 2"ИЛИ-НЕ" DD3 – открывается и пропускает очередной синхроимпульс на вход приоритетного сброса R счетчика. В результате счетчик DD4 сбрасывается в состояние 010 синхронно, по очередному импульсу CLK.
Таблица функционирования для счетчика ИЕ7 имеет следующий вид.
Таблица 4.1. Таблица функционирования для счетчика ИЕ7.
| R | V | +1 | -1 | Операция |
| 1 | х | х | х | Сброс в 0 |
| 0 | 0 | х | х | Параллельная загрузка |
| 0 | 1 | 1 | 1 | Хранение |
| 0 | 1 | 0/1 | 1 | Прибавление 1 |
| 0 | 1 | 1 | 0/1 | Вычитание 1 |
Входы счетчика ИЕ7 выполняют следующие функции:
R – асинхронный сброс счетчика в 0;
D
0, D1, D2, D3 – входы параллельной загрузки, позволяющие загрузить в счетчик произвольное начальное число;
V – вход разрешения записи со входов D0 – D3;
+1, -1 – входы для подачи счетных импульсов;
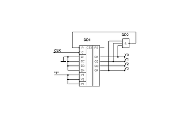
Схема счетчика по основанию К = 12 на микросхеме ИЕ18 представлена на рис. 4.32.
Рис. 4.36. Счетчик по основанию К = 12 на микросхеме ИЕ18.
Счетчик ИЕ18 не является реверсивным. Его главным отличием от счетчика ИЕ7 является система синхронного сброса.
Последовательность импульсов CLK поступает на вход С счетчика типа ИЕ18 DD1. Логический элемент "И-НЕ" DD2 открывается в момент появления на выходах счетчика Y0, Y1, Y2, Y3 числа К – 1 = 1110 = 10112. В результате сигнал "0" с выхода DD2 поступает на вход сброса R счетчика DD1. Сигнал на входе R не является приоритетным и не вызывает немедленного сброса счетчика в ноль. Счетчик при наличии сигнала R сбрасывается по фронту очередного импульса CLK. Очевидно, что схема счетчика по произвольному основанию на микросхеме ИЕ18 намного проще, чем схема на базе счетчика ИЕ7.
Таблица функционирования для счетчика ИЕ18 имеет следующий вид
Таблица 5.2. Таблица функционирования для счетчика ИЕ18.
| R | V2 | С | V1 | P1 | Операция |
| 0 | х | 1 | х | х | Сброс в 0 |
| 1 | 1 | х | х | х | Параллельная загрузка |
| 1 | 0 | 1 | 0 | х | Хранение |
| 1 | 0 | 0/1 | 1 | 1 | Прибавление 1 |
Входы счетчика ИЕ18 выполняют следующие функции:
R – сброс счетчика в 0;
D
0, D1, D2, D3 – входы параллельной загрузки, позволяющие загрузить в счетчик произвольное начальное число;
V2 – вход разрешения записи со входов D0 – D3;
С – вход для подачи счетных импульсов;
















