СХЕМОТЕХНИКА ЭВМ_18.2.17 (855859), страница 13
Текст из файла (страница 13)
tpHL (RQ) – время, необходимое для переключения от высокого логического уровня сигнала к низкому. Эти времена задержки могут быть не равны между собой.
Сигналы, поступающие на входы RS-триггера, должны иметь достаточную длительность. Если длительность входных сигналов меньше заданного в справочниках минимального значения tp(min) (обычно это время близко к времени задержки распространения), то переходный процесс может не дойти до конца, и работа схемы будет нарушена.
4.2.2 Описание асинхронного RS-триггера-защелки на VHDL.
Ниже представлены два варианта описания RS-триггера-защелки.
Первый вариант прямо соответствует схеме рис.4.1, второй иллюстрирует процессный стиль описания триггера и несколько искажает его поведение т.к. допускает одновременное появление одинаковых значений на выходах- или двух 0, или двух 1. [зачем он нужен?]
Первый вариант- описание схемы RS- триггера на элементах ИЛИ-НЕ.
library IEEE; [2][1]
use IEEE.STD_LOGIC_1164.all;
entity RS_Latch is port
( S,R : in STD_LOGIC; Q, Qbar : out STD_LOGIC :=’0’ );
end ;
architecture SXEMA of RS_Latch is
begin
Q<= not (S OR Qbar) ;
Qbar<= not (R OR Q);
end ;
Второй вариант –описание RS - триггера функциональное
library IEEE; [1][2]
use IEEE.STD_LOGIC_1164.all;
entity RS_Tr is
port( S : in STD_LOGIC;
R : in STD_LOGIC;
Q : out STD_LOGIC;
Qbar : out STD_LOGIC );
end RS_Tr;
architecture BEH of RS_Tr is
begin
process (R,S)
begin
if (S ='1') and (R = '0') then
Q <= '1'; Qbar <= '0';
end if;
if (R ='1') and (S = '0') then
Q <= '0'; Qbar <= '1';
end if;
end process;
end ;
. Переключение триггера происходит при изменении сигналов R или S и при возникновении "разрешенной" комбинации, перечисленной в условных операторах if.
4.2.3 Асинхронный триггер-защелка на элементах И-НЕ.
R
S-триггер может быть построен на элементах И-НЕ.

а) б) в)
а) схема, б) таблица функционирования, в) УГО
Рис. 4.3. Асинхронный триггер –защелка на элементах И-НЕ.
Активными уровнями сигналов R и S на входе являются низкие уровни. Запрещенным состоянием является R = 0 и S = 0. По такой схеме выпускается отечественная микросхема RS-триггера типа ТР2. [его диаграмма ]
4.2.4. Синхронный RS-триггер.
Для синхронизации переключений триггера вводится дополнительный сигнал синхронизации С, активный уровень которого разрешает переключение триггера в соответствии с входными сигналами R и S.
S | R | C | Q | Q |
0 | 0 | 1 | Qt-1 | Q |
0 | 1 | 1 | 0 | 1 |
1 | 0 | 1 | 1 | 0 |
1 | 1 | 1 | 0 | 0 |
x | x | 0 | Qt-1 | Q |
а) б)
а) схема б) таблица функционирования
Рис. 4.4. Синхронный RS-триггер.
Временная диаграмма работы синхронного RS-триггера показана на рисунке 4.5.
Рис. 4.5. Временная диаграмма работы синхронного RS-триггера.
Отсчет моментов времени на временной диаграмме проводится от середины фронтов импульсов. Если сигналы на входах S = 1 и R = 0, то через время tpLH на выходе Q появится сигнал Q = 1.
Минимально необходимое для правильной работы триггера время упреждения подачи входных сигналов перед появление синхроимпульса называется временем предустановки ( tsetup ).Минимальное время ,в течение которого эти сигналы еще должны удерживаться после фронта синхросигнала называется временем удержания ( thold ).
4.2.5 Описание синхронного RS-триггера на VHDL.
library IEEE; [1][2]
use IEEE.STD_LOGIC_1164.all;
entity RSC_Tr is
port( S : in STD_LOGIC;
C : in STD_LOGIC;
R : in STD_LOGIC;
Q : out STD_LOGIC;
Qbar : out STD_LOGIC);
end RSC_Tr;
architecture RSC_Tr_arc of RSC_Tr is
begin
process(C)
begin
if(C = '1') and (R = '1') and (S = '0') then
Q <= '0'; Qbar <= '1';
elsif (C = '1') and (R = '0') and (S = '1') then
Q <= '1'; Qbar <= '0';
end if;
end process;
end RSC_Tr_arc;
Переключение триггера происходит при появлении сигнала С = '1'. "Разрешенная" комбинация сигналов R и S должна появиться на входах триггера раньше сигнала С.
Если на входах триггера "разрешенная" комбинация сигналов не появляется или появляется "не разрешенная" комбинация, то сигнал С = '1' не изменяет состояние триггера.
4.2.6. D-триггер с управлением уровнем синхросигнала( защелка ).
Для хранения одного бита информации, поступающего по отдельной сигнальной линии, применяется D-триггер. Его схема приведена на рис. 4.6.
Когда подан синхросигнал С высокого уровня, D-триггер "прозрачен", так как сигнал на выходе Q повторяет сигнал на входе D с учетом задержки распространения. Если приходит сигнал С низкого уровня, то D-триггер переходит в режим хранения и сохраняет на выходе последнее значение сигнала D.
Триггер "прозрачен" все время, пока действует синхросигнал.
C | D | Q | Q |
1 | 0 | 0 | 1 |
1 | 1 | 1 | 0 |
0 | x | Qt-1 | Q |

а) б)
а) схема D-триггера, б) таблица функционирования.
Рис. 4.6. D-триггер ( D-защелка).
Временная диаграмма работы D-триггера-защелки представлена на рис. 4.7. Если сигнал на входе D = 1, то после появления сигнала С = 1 через время tpLH(CQ) на выходе Q появится сигнал Q = 1. [что делает DD1]
Поведение D-триггера в районе спада сигнала С имеет особенности. В это время сигнал на входе D не должен меняться. Этот интервал времени начинается за время установки tsetup до спада сигнала С и заканчивается через время удержания thold после спада сигнала С. Если сигнал D изменяется в течение этого интервала, то последующее состояние триггера оказывается непредсказуемым. Это может привести к сбою в работе цифровой схемы.
Рис. 4.7. Временная диаграмма работы D-триггера (защелки).
Асинхронные триггеры и триггеры с синхронизацией по уровню синхросигнала (триггеры с потенциальным управлением) являются наиболее простыми. Поэтому они широко применяются в качестве базовых элементов в современных заказных интегральных схемах. Недостатки, присущие этим триггерам, устраняются средствами САПР.
4.2.7. Описание синхронного D-триггера (защелки) на VHDL.
library IEEE; [1][2]
use IEEE.STD_LOGIC_1164.all;
entity D_Tr_1 is
port( C : in STD_LOGIC;
D : in STD_LOGIC;
Q : out STD_LOGIC;
Qbar : out STD_LOGIC );
end D_Tr_1;
architecture D_Tr_1_arc of D_Tr_1 is
begin
process(C)
begin
if (C = '1') then
Q <= D;
Qbar <= not D;
end if;
end process;
end D_Tr_1_arc;
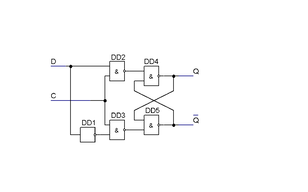
4.2.8. Триггеры с динамическим управлением.
В микросхемах средней степени интеграции широко применяются триггеры с динамическим управлением. Такой триггер изменяет свое состояние только в малой окрестности фронта синхросигнала. [диаграмма отличия]
Промышленность выпускает различные типы микросхем триггеров с динамическим управлением, схемы которых близки между собой.
Схема и УГО шестиэлементного D-триггера с динамическим управлением приведены на рис. 4.8, а временная диаграмма его работы – на рис. 4.9.
Н а временной диаграмме названия графиков совпадают с обозначениями контрольных точек на выходе логических элементов.
В этой схеме хранение информации происходит в выходном RS-триггере (элементы DD5 и DD6) с инверсными сигналами на входах.
Управление схемой осуществляют еще два RS-триггера (элементы DD1 и DD2, DD3 и DD4).