СХЕМОТЕХНИКА ЭВМ_18.2.17 (855859), страница 18
Текст из файла (страница 18)
В сбалансированном конвейере все задержки комбинационных схем, стоящих перед регистрами, должны быть примерно равными.
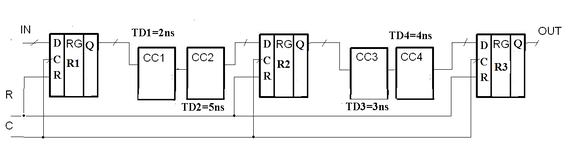
Представленная на рис.5.8. схема конвейера сбалансирована по задержкам комбинационных частей (в первой части задержка Т1=TD1+ TD3=7 нс., во второй задержка Т2=TD3 +TD4=7 нc) путем перемещения второго (считая слева - направо) регистра R2 «вперед» или другими словами комбинационного блока СС3 в комбинационную часть другого регистра- R3. Тактовую частоту в сбалансированном конвейере рис.5.8 удалось повысить примерно в 1,3 раза (10/7) по сравнению со схемой рис.5.7.
Рис.5.8. Сбалансированный конвейер (Tкр=TD1+TD2=TD3+TD4=7ns).
В схеме, представленной на рис.5.9. дальнейшее улучшение быстродействия конвейера достигнуто путем добавления двух промежуточных регистров (R1D и R2D).
Рис.5.9. Конвейер с добавлением промежуточных регистров
(Tкр=TD2=5 ns).
Глубина конвейера, представленного на рис.5.9, увеличилась (теперь не 3, как на рис.5.7 , а 5 каскадов), но задержка критического пути уменьшилась и стала равна 5 нс. В общем случае, повышение быстродействия конвейерной схемы достигается, если это возможно, путем разбиения комбинационной части с большим критическим путем на отдельные составляющие, и введением дополнительных регистров между ними для хранения промежуточных данных. Таким способом, тактовая частота и быстродействие конвейера повышается, но за счет увеличения расхода оборудования и латентности (latency - задержки появления первой информации на выходе конвейера после его запуска).
Есть ли предел на таком пути повышения тактовой частоты?
Имеется ряд ограничений, часть из которых будет упомянута ниже.
5.1.3. Сеть распространения синхросигналов.
По мере увеличения быстродействия схем сеть разводки (clock distribution net) тактовых сигналов (синхросигналов) становится все более сложным компонентом устройств. К ее важнейшим параметрам следует отнести:
А) Расфазировка или разброс моментов поступления синхросигнала (Clock Skew) на различные элементы схемы.
Этот параметр статический. Он означает разницу моментов поступления синхросигнала в различные части устройства. На рис.5.10 показан случай, когда задержка синхросигнала в цепи разводки(wire_del) больше задержки комбинационной части схемы(CC1_del), что приводит к ее неправильной работе. Данные А, поступающие на вход схемы в такте Т1, по синхросигналу С принимаются на регистр RG1 и сразу после обработки в комбинационной схеме CC1 принимаются на второй регистр RG2 по синхросигналу C_del и передаются на выход OUT в том же такте Т1.
Основными причинами разброса моментов поступления синхроимпульсов являются разница в длинах проводников, по которым они распространяются, и нагрузок на их источники – буферные тактовые повторители. Задержка повторителя, нагруженного на один элемент, естественно меньше, чем у нагруженного на десяток, даже если не учитывать емкостную нагрузку ведущих к ним проводников (wire load). К способам уменьшения этого разброса относятся: трассировка каждого яруса ветвей дерева синхросигналов проводниками одинаковой длины и ширины, повышение нагрузочных возможностей тактовых буферных повторителей (см.рис.5.11) и применение специальных элементов (узлов), обеспечивающих автоподстройку фаз синхросигналов.
Рис.5.10. Задержка синхросигнала(C_DEL) в цепи разводки синхросигналов приводит к неправильной работе схемы.
Б) Нестабильность и искажение формы синхросигнала (Clock Fidelity, Clock Jitter).
Это параметр динамический. Временная диаграмма тактового сигнала должна иметь минимум искажений формы (Clock Fidelity) и не «дрожать» (Clock Jitter). Реальная форма синхросигнала частотой в несколько сотен мегагерц далека от идеальной прямоугольной, рисуемой в курсовых проектах студентами. Она скорее напоминает синусоиду с наложенным на нее шумом помех и наводок. Так как порог срабатывания триггеров имеет разброс, пологий фронт синхросигналов также может служить источником разброса моментов срабатывания запоминающих элементов схемы. Дрожь синхроимпульсов (Clock Jitter–динамический разброс моментов их поступления) определяется такими факторами, как наводки, нестабильность питания за счет изменения на каждом такте количества переключаемых элементов и т.п. На высоких частотах проводники ведут себя как длинные линии с индуктивной и емкостной составляющими и важно избегать отражений сигналов на их концах– правильно их терминировать, используя либо резисторы с параметрами, равными волновому сопротивлению линии, либо специальные терминирующие элементы, применять защиту от помех –экранирование и т.п.
Цепь разводки синхросигналов.
Основные идеи процесса трассировки (разводки) синхросигналов в схеме сводятся к следующим. Строится граф -дерево разводки синхросигналов (рис.5.11). Все конечные вершины графа должны быть равноудаленными от корня дерева (места поступления синхросигнала в схему). Каждой вершине сопоставляется буфер–повторитель. Количество буферов (тактовых буферов) на пути от вершины к каждому синхронизируемому элементу должно быть одинаковым. На каждом ярусе дерева разводки все узлы должны быть одинаково нагружены, т.к. задержки слабо нагруженных тактовых буферов примерно вдвое меньше, чем у максимально нагруженных.
Рис.5.11. Дерево разводки синхросигналов.
Проектирование систем синхронизации и разводка синхросигналов по конструктиву микросхемы БИС выполняется опытными специалистами с использованием специальных подсистем САПР типа компиляторов синхросигналов– (clock compiler). Проектировщикам предлагается также набор специальных узлов, с помощью которых может проводиться коррекция расфазирования синхросигналов и, если необходимо, умножение или понижение их частоты. Эти узлы в зарубежной терминологии называются цифровыми схемами управления синхросигналами (DCM–Digital Clock задержек (DLL–Delay Locked Loop) и т.п.[21- Manager), узлами согласования фазы сигнала (PLL–Phase Locked Loop), узлами согласования 25]). Помимо использования таких узлов, проектировщик может выделять в проекте отдельные области локальной синхронизации (такт домены – clock domain), малый размер которых упрощает задачу разводки и использовать в них быстрые локальные синхросигналы (Local clock), вместо медленных глобальных (Global clock).
5.1.4. Полезная и вспомогательная часть такта.
Среди методов повышения быстродействия схем выше были отмечены такие, как балансировка конвейера и уменьшение длины критического пути в комбинационной части схемы. Но повышение тактовой частоты не беспредельно. Помимо ограничений типа конечной скорости света (за одну наносекунду свет проходит 30 см), существуют и дополнительные факторы, ограничивающие пределы уменьшения тактового периода-периода поступления синхросигналов.
На рис.5.12. отмечены два временных параметра, о которых мы уже говорили в гл.4, соблюдение которых необходимо для обеспечения правильной работы триггеров .
А) Время предустановки данных Tsu (Tsetup)–минимальный интервал времени перед активным фронтом синхросигнала, в течение которого входной сигнал данных должен быть стабилен.
Б) Время удержания данных Th (Thold)–минимальный интервал времени после активного фронта синхросигнала, в течение которого входной сигнал данных должен оставаться стабильным.
Рис.5.12. Необходимые минимальные времена предустановки Tsu и удержания Th данных IN относительно синхросигнала C в D-триггере.
Обозначим длительность такта – периода синхросигнала– как Тc. Разделим длительность такта Tc на две части: полезную Tполезн и вспомогательную Tвспом.
Полезная часть такта - это преобразование информации в комбинационной части схемы
Вспомогательная часть такта - это действия по обеспечению работы комбинационной части схемы
Tвспом – это то время, которое минимально необходимо для правильной работы триггеров (оно включает сумму минимального время предустановки Тsu удержания Th , максимальное время распространения сигнала в триггере Тpdff).
Если не учитывать задержки в проводниках и разброс моментов поступления синхросигналов (это справедливо для низкочастотных схем (до 10 МГц), то имеем такое соотношение:
Tвспом= Тpdff + Тsu + Th
Доля времени полезной работы (Тполезн), выполняемой комбинационной частью синхронной схемы определяется соотношением
Тполезн=Тc - Tвспом
Чем меньше тактовый период Тс при неизменном Tвспом, тем меньше времени остается для срабатывания комбинационной части схемы Тполезн.
Если вернуться к конвейерным схемам, то в неизменном Tвспом виден предел роста стадий конвейера.
Для быстродействующих схем вспомогательная часть времени такта дополнительно увеличивается, т.к. еще должна учитывать разброс моментов поступления синхросигналов в отдельные части схемы, нестабильность синхросигналов из -за помех и задержки сигналов в проводниках.
Из вышесказанного вытекает, что по мере увеличения частоты синхросигнала и соответственно, уменьшения времени тактового периода Тс падает доля его полезной части. Для технологии изготовления микросхем с нормой 130 нанометров при тактовой частоте их работы 500 мегагерц доля вспомогательной части такта составляет около 30 процентов, а при частоте 1 гигагерц уже более 40 процентов.
Советы проектировщику
1) Старайтесь применять синхронные схемы.
2) Особое внимание уделяйте сопряжению фрагментов устройств, зависящих от разных серий синхроимпульсов.
3) Предпочитайте триггера с синхронным сбросом (установкой) триггерам с асинхронным сбросом (установкой).
4) Уделяйте особое внимание сети распространения тактовых сигналов (синхросигналов).
5) Учитывайте задержки связей при анализе логических схем (в быстродействующих БИС они соизмеримы с задержками логических элементов).
6) Фиксируйте на триггерах входные и выходные сигналы отдельных модулей (блоков) устройств).
7) Отдавайте предпочтение триггерам c динамическим управлением (flip–flop) перед триггерами со статическим управлением (триггера–защелки–latch).
8) Разбивайте сложное устройство на отдельные блоки (модули) и используйте имеющиеся готовые, легко настраиваемые проекты этих модулей- так называемые IP- cores(IP-ядра).
9) Учитывайте возможность повторного использования проектной документации. Повторнопригодность проектов (reusability) – вклад в будущее вашей фирмы.
10) На САПР надейся, а сам не плошай (здравый смысл никто не заменит).
[Коротко о главе:Материал такого плана не очень подходит, как мне кажется для дистанционки. Точнее каждый из пунктов может показаться слушателю замудренно. У меня есть идея переделать эту главу немного в упрощенном варианте для понимания, по надобности могу заняться этим в следующем семестре.]
Вопросы и упражнения к главе 5
















