ответы на экзаменационные вопросы (832570), страница 7
Текст из файла (страница 7)
-
Функции геометрической задачи, решаемой микропроцессорной УЧПУ. Управление регулируемым следящим приводом. Сопряжение приводов с микропроцессорным УЧПУ. (перечислить функции геом задачи, нарисовать схему привода со всеми сигналами, устройство сопряжения с приводом - два варианта в зависимости от типа измерительного преобразователя - в аналоговом или цифровом виде сигнал - две схемы).
Геометрическая задача – управление формообразованием поверхностей деталей. Одна из первых задач, которую решали и аппаратные УЧПУ, и микропроцессорные. Самая главная задача.
I Геометрическая задача
-
Ввод и хранение системного программного обеспечения (СПО)
-
Ввод и хранение управляющей программы (УП)
-
Функции интерпретации кадра
-
Функции интерполяции
-
Управление приводами станка
-
Реализация обратной связи по положению
-
Реализация обратной связи по скорости
-
Аварийный останов привода
-
Функция работы в относительной или абсолютной системах координат
-
Функция согласования
-
Функция автоматического выхода рабочего органа в ноль станка
-
Функция реферирования
-
Автоматический выход рабочего органа в точку смены инструмента
-
Автоматический выход рабочего органа в точку смены заготовки
-
-
Функция работы с постоянными технологическими циклами
-
Функция коррекции управляющей программы
Управление приводами
С позиции сопряжения с микропроцессорной УЧПУ приводы делятся на регулируемые, параметры которой изменяются под воздействием УЧПУ и нерегулируемые, параметры которого если изменяются то только от возмущающих внешних воздействий. Регулируемые приводы по задачам управления разделяются на стабилизирующий, позиционный и следящий. Структура следящего привода предусматривает два контора обратной связи – по положению и по скорости. В стабилизирующих приводах отсутствует контур обратной связи по положению. В позиционных отсутствует по скорости. Контуры обратной связи реализуются измерительными преобразователями положения и скорости, входящих в состав привода. Сложность управления зависит от типа привода. В общем случае задача сводится к организации цифровых позиционных следящих систем для каждой координаты. На вход такой системы поступают коды соответствующие результатам интерполяции. Этим кодам должно отвечать положение по управляемой координате, т.е. должно соответствовать линейное или круговое перемещение рабочего органа.
Реализация обратной связи по положению рабочего органа
Рассмотрим работа привода каретки шпинделя многоцелевого токарно-фрезерного станка с ЧПУ.
На двигатель М1 из ЧПУ подается сигнал перемещения каретки шпинделя на заданную величину Zзад. Двигатель связан с шарико-винтовой парой, передвижения каретки. Линейный ИП1 посылает в УЧПУ сигнал о фактическом положении рабочего органа. Истинное и заданное положение рабочего органа могут отличаться в следствие погрешностей ШВП, износа и тепловых деформаций. Если разница фактического и заданного положения каретки не равна нулю, то на двигатель М1 посылается сигнал о перемещении каретки на величину
.
Z – каретка перемещается по оси z
Реализация обратной связи по скорости
На двигатель М1 подается сигнал Fзад. // эта линейка дает ОС по скорости и тахогенератор не нужен в схеме.
Функция аварийного стопа привода
Чтобы исключить выход рабочего органа за пределы рабочей зоны и превышения допустимого значения величины перемещения по соответствующей управляемой координате устанавливаются как правило 6 концевых выключателей.
Выключатели 3,4 позволяют получать плавное торможение рабочего органа до фиксируемой скорости. Торможение может также осуществляться программным способом, т.е. периодическим сравнением истинного положения с заданной константой (максимальная скорость перемещения рабочего органа)
Сигналы от концевых выключателей 2 и 5 останавливают перемещение рабочего органа
1 и 6 – отключают УЧПУ.
Функция работы УЧПУ в абсолютной или относительной системе координат
Задаются эти функции в управляющей программе G90 в абсолютной системе координат, G91 в приращении. Без этих сигналов не будут реализованы алгоритмы интерполяции и рабочие органы не начнут движение.
Функция согласования измерительного преобразователя и УЧПУ
При использовании в следящих системах измерительных преобразователей положения типа вращающийся трансформатор, индуктосины необходимо выполнять функцию согласования перед первым включением станка, фотоимпульсные датчики (ФИТЫ) необходимо выполнять функцию согласования перед первым включением станка. Согласование заключается в подборе из ЧПУ кода задания, отвечающему истинному положению ИП обратной связи. После проведения согласования включение приводов происходит без рывков. В этом случае ИП положения кроме ИП типо Хайденхайн или Лир должен выдать сигнал S в УЧПУ
Функция автоматического выхода рабочего органа в нулевую точку станка
Токарный станок – пересечение торца с осью (над точкой 5)
Многоцелевые – фиксированная точка (например, центр зеркала станка),
Функция реферирования
Эта функция предполагает автоматический выход рабочего органа в референтную точку R станка. Данная точка используется для контроля перемещений рабочего органа станка при отсчете перемещений в приращениях. Использование референтной точки на станке позволяет минимизировать холостые ходы в процессе отработки управляющей программы. Положение точки R на станке строго фиксировано относительно нулевой точки станка М и определяется положением специального измерительного преобразователя. На двигатель М1 каретки из устройства ЧПУ подается сигнал G28, при достижении каретки референтной точки измерительный преобразователь 1 (ИП1) посылает сигнал R в устройство ЧПУ. Сигнал R снимается с ИП в случае, если это датчик типо Лир или Хайденхайн. С измерительного преобразователя.
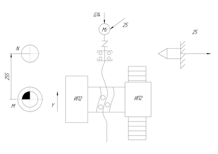
Автоматический выход инструмента из рабочего органа
При выполнении цикла смены инструмента рабочий орган должен выйти в точку N.
Эта точка задается относительно нулевой точки М станка и определяется фиксированным положением ИП2. Устройство ЧПУ подает на ИП2 сигнал G14. При достижении точки N подается сигнал 25, останавливающий привод перемещения рабочего органа.
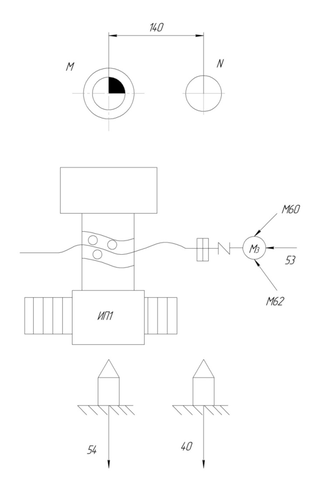
Автоматический выход рабочего органа в точку смены столов-спутников
При выполнении цикла смены заготовки рабочий орган должен выйти в фиксированную точку N смены столов-спутников на столе, заданную относительно нулевой точки М станка. Для этого устройство ЧПУ подает сигнал М60 на двигатель М3. При достижении точки N специальный ИП1 выдает сигнал 40 в устройство ЧПУ.
Работа с постоянными технологическими циклами обработки
Микропроцессорное устройство ЧПУ может автоматически рассчитывать и формировать траектории движения инструмента, если в управляющей программе заданы постоянные технологические циклы обработки. Под программой УП, составленные для различных инструментов и охватывающие наиболее часто повторяющиеся подпрограммы УП называются постоянными технологическими циклами обработки, их использование позволяет сократить управляющую программу. Циклы соответствуют определенным технологическим операциям, таким как сверление, зенкерование, точение, фрезерование и т.д. и позволяют задать всю последовательность действий на станке при выполнении этих операций в одном кадре УП.
К расточным циклам обработки относятся следующие циклы: G81 – цикл сверления, G82 – растачивание, G83 – глубинное сверление, G84 – нарезание резьбы метчиком, G85 – рассверливание, G86 – развертывание и т.д.
Большим разнообразием пользуются циклы точения.
Например, G70 – черновое продольное точение
G71 – черновое поперечное точение
G817 – черновая продольная обработка контура
G818 – черновая поперечная обработка контура
G76 - цикл прорезки
G799 – резьбофрезерование
К циклам фрезерования можно отнести следующие циклы:
G791 – фрезерование линейного паза на торцевой поверхности
G793 – фрезерование кармана
G797 – фрезерование фигуры
G798 – фрезерование винтовой канавки
Коррекция управляющей программы с учетом фактических размеров и износа инструмента
Микропроцессорная УЧПУ может автоматически выполнять коррекцию управляющей программы, т.е. пересчитывать координаты опорных точек траектории заданной управляющей программы с учетом фактически используемых параметров инструмента, длины, радиуса и износа инструмента. Также могут быть скорректированы подача и частота вращения шпинделя. Учет фактического радиуса инструмента при коррекции сводится к формированию траектории эквидистантной запрограммированной, а коррекция по длине инструмента сводится к параллельному переносу системы координат инструмента, т.е. к смещению положения рабочего органа станка. Коррекция осуществляется, если в управляющей программе заданы ее характер и номера корректоров. В эти корректоры, расположенные в памяти УЧПУ заносят значения корректируемых величин (параметры или износ инструмента). Понятие коррекции включает в себя адрес L и код коррекции, а также номер корректора. Осуществление коррекции см. лабораторные работы №2.
Сопряжение станка с микропроцессорным устройством ЧПУ
Оборудование, относящееся к металлорежущему станку и которое является управляемым устройством ЧПУ подразделяют по назначению и функционирования на три группы:
-
Приводы для перемещения механизмов
-
Исполнительные устройства дискретного действия, которые работают по принципы включить/выключить
-
Информационные устройства (ИП аналоговых и дискретных сигналов).
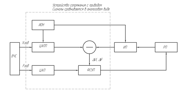
Для сопряжения микропроцессорного УЧПУ со станком в общем случае необходимо организовать обмен следующими сигналами: аналоговые в виде постоянного напряжения 10 В при силе тока 10 миллиампер, дискретными импульсными сигналами, дискретными в виде постоянного тока 0,2 А при напряжении 24 В, либо 2 А при напряжении 110 В. Для реализации такого обмена устройства сопряжения с УЧПУ должны иметь цифро-аналоговый и аналогово-цифровые преобразователи, различные коммутаторы и средства гальванической развязки для повышения помехоустойчивости. Сопряжения регулируемых следящих приводов и стабилизирующих электроприводов с устройством ЧПУ реализуются с помощью устройств сопряжения с приводом УСП. В этом устройстве решаются следующие задачи: получение и преобразование информации о задаваемом от вычислителя положении. Например, xзад и скорости привода Fзад, а информация о его текущем положении (например,
) и формирование управляющих сигналов на регулируемый привод. В состав УСП входят цифро-аналоговые преобразователи положения (ЦАПП) и скорости (ЦАП). Дальше входит источник опорного напряжения ИОН, устройство сравнения и формирователь сигналов управления приводом.
Состав и структура устройства сопряжения с приводом зависит от способа замыкания обратной связи типа ИП положения и режима его работы. Широко распространен вариант с замыканием обратной связи в устройстве сопряжения посредствам сравнения аналоговых сигналов.
Фактическое положение регулируемого привода РП определяется с помощью ИП положения с аналоговым выходным сигналом. Это индукционные ИП, работающие в фазовом или разностном режиме (вращающийся трансформатор, линейный индукторсин). Питание ИП осуществляется от источника опорного напряжения ИОН, вырабаываемый вычислителем код задания положения Хзад и преобразовываться в аналоговый сигнал. Результат сравнения Хзад и Хфакт используется с формирователе сигнала управления (ФСУП). Кроме Хзад . (по скорости это ЦАП и доп сигнал на ФСУП). На выходе ФСУП как правило мы имеем аналоговый сигнал в виде постоянного напряжения.
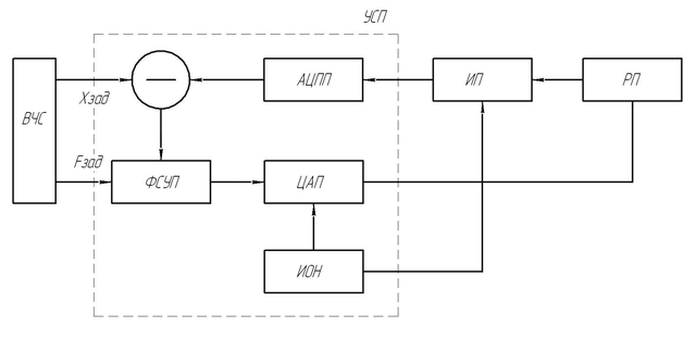
Структура следящего привода с замыканием обратной связи по средствам сравнения сигнала в цифровом виде показана на рисунке.
Фактическое положение регулируемого привода РП в данном случае определяется с помощью ИП положения с цифровым выходным сигналом. Это кодовой и импульсно-кодовый ИП. Сигнал Хзад от вычислителя ВЧАС сравнивается с сигналом обратной связи от аналогово-цифрового преобразователя АЦПП, связанного с измерительным преобразователем. Сигнал Fзад поступает ФСОП и в данной схеме является устройством преобразования цифровой информации. Основная задача – суммирование и вычитание кодов в цифровом виде.
Нерегулируемые приводы
Нерегулируемые приводы у станков с ЧПУ строятся на основе привода – например, привод системы охлаждения зоны резания. В станках также широкое применение нашли гидро и пневмоприводы. Нерегулируемый привод по отношению к микропроцессорному УЧПУ является исполнительным устройством дискретного действия. Поэтому для связи с приводом используются схемы приема и выдачи дискретных сигналов.
Сопряжение гидропривода с УЧПУ чаще всего реализуется с помощью электромагнита управляющего золотником. Возможно и прямое электрогидравлическое преобразование.















