ответы на экзаменационные вопросы (832570), страница 11
Текст из файла (страница 11)
P - нагнетание
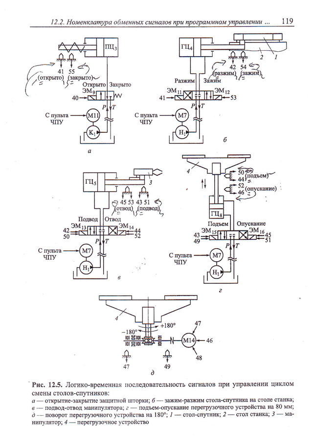
Управление циклом автоматической смены заготовки
В рабочей зоне станка заготовка меняется посредством столов-спутников.
По сигналу функции М60 движение стола-спутника в рабочую зону или М62 – движение из рабочей зоны. Необходимые органы станка должны переместится в точку смены столов-спутников (см. ранее). При достижении точки М60 выдается сигнал 40, останавливающий привод М. Для движения стола-спутника из рабочей зоны станка по этому сигналу 40 (который видели на рабочей зоне) от концевого выключателя привода станка, приходящему на электромагнит 9 золотника электродвигателя золотника пневмоцилиндра ПЦ3, сжатый воздух подается в правую полость пневмоцилиндра 3, шток которой производит раскрытие защитной шторки. После раскрытие шторки выключатель подает сигнал 41. Сигнал 41 является входным для электромагнита 1 – является входным для гидрозолотника ГЦ4. Увеличение давления масла в правой полости гидроцилиндра 4 позволяет осуществить разжим стола-спутника. При достижении штоком положения расфиксации столов-спутников концевой выключатель выдает сигнал 42. Сигнал 42 является входным для электромагнита 13. Увеличение давления масла в левой полости гидроцилиндра 5 заставляет манипулятор перемещаться в направлении стола станка. Перемещение продолжается до момента срабатывания концевого выключателя, выдающего осведомительный сигнал 43. Этот сигнал появится на электромагните 15, происходит включение золотника гидроцилиндра 8. Под давлением масла в нижней полости гидроцилиндра 8 и осуществляется подъем перегрузочного устройства. Появится осведомительный сигнал 44, когда шток поднялся. По сигналу 44, приходящему на электромагнит 14 и масло подается в правую полость гидроцилиндра 5, шток которого вместе с манипулятором перемещается к перегрузочному устройству. Выдается осведомительный сигнал 45. Сигнал 45 поступает на электромагнит 16 золотника гидроцилиндра 8. Под давлением масла в верхней полости гидроцилиндра, осуществляется опускание перегрузочного устройства до момента срабатывания концевого выключателя, формирующего осведомительный сигнал 46. Этот сигнал 46 запускает двигатель привода вращательного движения перегрузочного устройства. Он появился на двигателе М14. Перегрузочное устройство поворачивается на минус 180 градусов до срабатывания концевика, подающего осведомительный сигнал 47 и он останавливает привод вращения перегрузочного устройства. По сигналу функции М60 движение стола-спутника в рабочую зону. Необходимые органы станка должны переместится в точку смены столов-спутников (см. ранее).
При достижении точки М60 выдается сигнал 48 (управление приводом), сигнал 48 запускает двигатель М14 привода движения перегрузочного устройства (Д). Перегрузочное устройство поворачивается на +180 градусов до срабатывания концевого выключателя, формирующего осведомительный сигнал 49, останавливающий привод вращения. По сигналу 49, поступающему на электромагнит 15 происходит включение золотника гидроцилиндра ГЦ8 (рисунок г). Под давлением масла в нижней полости гидроцилиндра 8 осуществляется подъем перегрузочного устройства. Как только оно достигнет нужного положения, вырабатывается сигнал 50. Сигнал 50 является входным для ЭМ13 золотника ГЦ5 (рисунок в). Увеличение давления масла в левой полости гидроцилиндра 5 заставляет манипулятор перемещаться в направлении стола станка. Перемещение продолжается до момента срабатывания концевого выключателя, выдающего осведомительный сигнал 51. Сигнал 50 подается в левую полость на электромагнит 15. Осведомительный сигнал поступает на электромагнит 16 золотника ГЦ8 (рисунок б). Под давлением масла в верхней полости ГЦ8 осуществляется опускание перегрузочного устройства до срабатывания концевого выключателя, формирующего осведомительный сигнал 52. По сигналу 52, приходящему на электромагнит 14 золотника ГЦ5. Масло подается в правую полость ГЦ5, шток которого вместе с манипулятором перемещается к перегрузочному устройству. Перемещение происходит до момента срабатывания концевика, который выдает сигнал 53. Сигнал 53 поступит на электромагнит 12 ГЦ4, вызывая перемещение штока вправо, что позволяет осуществлять зажим стола-спутника в рабочей зоне стола станка (рисунок б). По достижении положения фиксации стола-спутника вырабатывается осведомительный сигнал 54. По сигналу 54 происходит снятие сигнала 40 с электромагнита 9 (рисунок а). Шток пневмоцилиндра ПЦ3 перемещается вправо и происходит закрытие защитной шторки (рисунок а). После закрытия концевой выключатель выдает осведомительный сигнал 55 (шторка закрыта). Цикл завершается.
Коррекция погрешности механических и измерительных устройств
Любой агрегат можно аттестовать с помощью измерительных средств. Результаты такой аттестации в виде таблиц погрешностей (например, накопленная ошибка шага винта, люфты, которые имеют место в приводах подач) заносят в память устройства ЧПУ. При работе текущее показание ИП положения привода корректируется данными из таблиц погрешностей. (для всех токарных станков)
-
Технологическая задача микропроцессорной УЧПУ. Схема реализации. Что такое технологическая задача? Нарисовать схему реализации из дз. Характеристики микропроцессорной УЧПУ, решающей технологическую задачу (если система ЧПУ решала технологическую задачу, то надо назвать технические характеристики этой системы - функции, которые она выполняет - число управляемых координат (максимальное), одновременных, дискретность системы ЧПУ, как вводится управляющая программа, с какими технологическими циклами работает, работает ли в абсолютной и относ системе координат, величины холостых ходов, максимальные частоты вращения).
Технологическая задача – контроль и управление рабочим процессом, осуществляемым на станке.
III Технологическая задача
3.1 Управление средствами контроля на станке
3.2 Реализация адаптивного управления
3.3 Накопление статистической информации
В целях поддержания рабочего процесса и его оптимизации УЧПУ выполняет технологическую задачу, в которой можно выделить следующие функции:
-
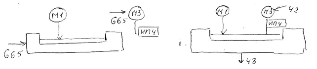
Управление средствами контроля на станке. Как правило на станке имеются измерительные преобразователи, обеспечивающие дополнительные измерения параметров станка, инструмента, приспособления с заготовкой до процесса обработки, в процессе обработки и после нее. При этом микропроцессорная УЧПУ управляет специальными измерительными циклами, формируемыми подготовительными функциями, например, G65. При измерительном цикле с щуповой головкой Heidenhain TS640, на нее поступает сигнал соответствующей функции G55.
До процесса обработки измерить диаметр инструмента, вылет, износ; померить приспособление с заготовкой. (касается в нескольких точках чистых баз приспособления и вводит коррекцию в УЧПУ)
Во время обработки – износ инструмента, толщину снимаемого припуска, линейные размеры обработанной поверхности и точность взаимного расположения поверхностей. (щуповая головка)
После обработки – то же самое, но без коррекции.
В измерительном цикле заложена траектория движения стола станка относительно щуповой головки, предварительно установленной в шпиндель станка. Сигнал G65 приходит на двигатель М1 привода подач станка. Стол с заготовкой начинает двигаться к измерительному щупу. Как только щуп касается заготовки, в устройство ЧПУ выдается сигнал 41 о ее положении и измеренное значение хизм сравниваетя с заданным хзад. После окончания цикла сигнал 42 поступает на двигатель М1 стола станка для его остановки.
При измерительном цикли с датчика Heidenhain TL-micro или ЛИР
При измерительном цикле сигнал G65 приходит на датчик, включая его и на двигатель М3 привода подач.
Шпиндель с инструментом подъезжает к датчику, на двигатель поступает сигнал 42, инструмент медленно проходит через лазерный луч и по сигналу соответствующей функции М03 происходит включение вращения шпинделя с установленным инструментом. После окончания измерения выдается сигнал zизм, определяющий не сломан ли инструмент. Полученные данные формируются сигналом 43
2. Адаптивное управление механообработкой. Чаще всего адаптивное управление осуществляется изменением контурной скорости и скорости главного движения. Дополнительная информация берется с ИП (момента сопротивления, мощности привода ГД, ИП температуры, вибрации и т.д.). Блок схема как у Стародуба, но датчики все показать.
3. Функция накопления статистической информации. Как правило это функция, которая фиксирует текущее время обработки (машинное время) или время обработки полностью детали (включая вспомогательное время на вспомогательные операции). Также может быть учет коэффициентов загрузки оборудования, учет характера продукции и т.д.
Система Sinumerik 802D поддерживает технологическую задачу
Технические характеристики:
- 5 цифровых приводов подачи и одна ось позиционирования (4 оси подачи + 1 шпиндель или 3 оси подачи + 2 шпинделя)
- свободный выбор токарной или фрезерной обработки
- встроенная сеть Ethernet
- 216 цифровых входов и 144 цифровых выхода (0,25А)
- дискретность линейного перемещения 0,001 мм
- максимальное линейное перемещение
999,999 мм
- ввод управляющей программы
-
Клавиатуры с монитором (Full CNC keyboard, LCD монитор)
-
Панели оператора MCP 802D sl (Machine Control Panel)
-
Встроенной сети Ethernet, позволяющей включить систему ЧПУ в промышленную локальную сеть, а также позволяющей подключать персональный компьютер PC.
-
Карт памяти Compact Flash
-
Flash накопителей, подключаемых через разъем USB:
Технологические циклы:
G817 – черновая продольная обработка контура
G81 – цикл сверления
G818 – черновая поперечная обработка контура
Величина холостых ходов: 20 м/мин
Максимальная частота вращения: 4000 об/мин
Работает в абсолютной и относительной системе координат
-
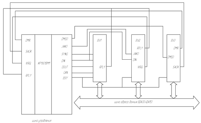
Организация системной магистрали в однокристальном микропроцессоре КР18... и управление обменом с различными типами внешних устройств.
Различают шины адреса, управления и входных/выходных данных. Для уменьшения общего числа линий в шинах их часто объединяют (мультиплексирование). При этом каждое внешнее устройство подключается к линии через специальное устройство (прием-передатчик), обеспечивающий передачу данных от устройства к линии, прием данных из линии и полное отключение внешних устройств от линии. В зависимости от вида внешнего устройства подключаемая к системной магистрали микропроцессор обеспечивает три режима обмена данными.
1- программный режим обмена данными по инициативе микропроцессора
2 - обмен данными по прерыванию от внешнего устройства
3- обмен данными в режиме прямого доступа с отключением микропроцессора от магистрали
Организация управления обменом данными в системе с микропроцессором КР1801.
Структурная схема представляет взаимодействие микропроцессора с 3мя внешними устройствами: при программном режиме с внешним устройством 1, обмене при прерывании с внешним устройством 2 и обмене с внешним устройством 3.
ВУ – внешнее устройство
-
Цикл обмена данными программным путем
Этот обмен осуществляется асинхронным путем за несколько этапов:
-
Микропроцессор при обращении к внешнему устройству 1 выдает сигнал BSY, свидетельствующий о занятности магистрали. Синхронно устанавливается сигнал SING, который сообщает внешнему устройству 1 об установке микропроцессором адреса внешнего устройства (для того, чтобы получить ответ от внешнего устройства) В ответ на этот сигнал внешнее устройство 1 выставляет сигнал СИП, то есть сигнал наличия внешнего устройства 1.
-
Далее микропроцессор активизирует сигнал DIN, сигнал готовности об вводе данных по отношению к активному устройству (готовность получения микропроцессором данных от внешнего устройства), а также выставляет сигнал DOUT (сигнал готовности вывода данных из микропроцессора). Сигнал DIN появляется с некоторой задержкой по отношению к сигналу SING.
-
Внешнее устройство 1 вырабатывает сигнал RPLY (сигнал готовности внешнего устройства к приему или выдачи данных).
-
После того, как микропроцессор примет сигнал RPLY, он начинает принимать данные и снимает сигнал DIN, затем внешнее устройство снимает сигнал RPLY, а микропроцессор снимает сигнал SING, завершая цикл обмена.
Обмен данными в режиме прерывания. Показан на схеме обмен с внешним устройством платы. Этот режим необходим в УЧПУ для обслуживания программ выполняемых с постоянным или малым временным циклом (8,32 миллисекунды) и реализующих например задачи интерполяции или аварийного останова привода (например, при наезде привода на концевой выключатель, который должен подать сигнал, что рабочий орган достиг некоторого положения). Каждое устройство, способное вызывать прерывание, имеет разряд, разрешение, прерывание, который должен быть установлен, если устройство разрешено прерывание. РРП – это разряд в регистре состояния внешнего устройства, разрешающая внешнему устройству прерывание программы.
















