ответы на экзаменационные вопросы (832570), страница 13
Текст из файла (страница 13)
Различают два основных варианта организации модульных запоминающих устройств.
1 вариант – с централизованной дешифрацией БИС ЗУ (больших интегральных схем запоминающего устройства) и входящих в него модулей памяти. Так организованы микроЭВМ электроника 125, электроника 79, мини-ЭВМ СМ3 и СМ4
2 вариант – с децентрализованной дешифрацией БИС ЗУ (электроника 60)
1 вариант – с централизованной дешифрацией БИС ЗУ
В первом варианте временная диаграмма выборка БИС ЗУ в модули и работа самого модуля формируются в центральном блоке управления (или так называемом диспетчере памяти)
Во втором варианте в каждом модули памяти помимо БИС ЗУ имеется дешифратор, обеспечивающий выборку нужной БИС путем дешифрации кодов адресов.
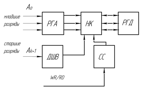
Общая структура модули памяти с децентрализованной дешифрацией адреса
Модуль памяти состоит из регистра адресов РГА, дешифратора ДШВ, схемы согласования СС, накопителя НК (набор БИС ЗУ) и регистра данных РГД. Младшие разряды адреса поступают в РГА, запоминаются там и определяют адрес ячейки памяти внутри модуля ЗУ. Старшие разряды адреса поступают на дешифратор и определяют конкретный модуль памяти ЗУ. Сигнал WR/RD – чтение/запись поступает на схему согласования и определяет вид операций с записью (чтение/запись). При чтении РГД хранит данные, считанные из модуля памяти. При записи информации РГД пропускает данные в накопители.
Память обычно разделяется на слова. Слово обычно имеет длину, достаточную для помещения в нем команды. Слово имеет адрес. Поэтому адресное пространство микропроцессорной системы – это множество адресов памяти, допустимых для программ, выполняемых микропроцессором. Адресом слова: адрес левого (старшего) или правого (младшего байта). Слово стоит из двух смежных байтов.
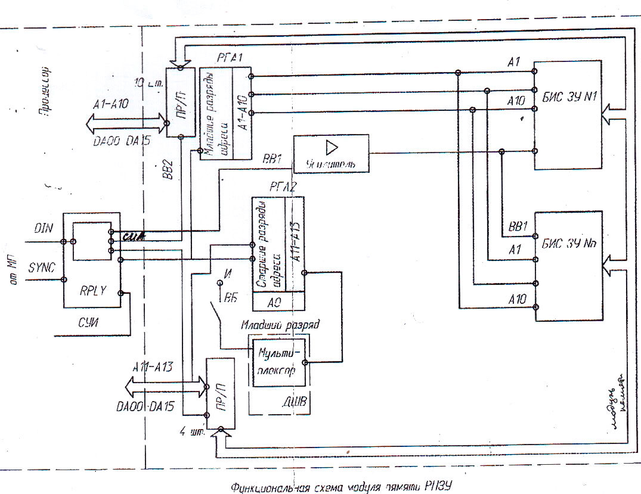
Рассмотрим модуль памяти РПЗУ, использующий 8 БИС ЗУ. Модуль памяти работает как пассивное устройство, обеспечивающий асинхронный обмен данными.
Схема управления интерфейсом принимает от микропроцессора сигнал DIN, SIGN по управляющей шины СМП и формирует сигналы SEAK и RPL. Микропроцессор выставляет адреса с А1 по А13 на регистры адресов РГА1 и РГА2 через шину адреса данных ДА00…ДА15 через приемо-передатчики ПРП. Сигналом СИА производится фиксация младших и старших разрядов адреса в регистрах РГА. Три старших разряда (А11, А13) поступает на мультиплексор (Мультиплексор это то же самое, что и ДШВ) и сравниваются с номером модуля банков памяти ВБ. Если адреса с номером модуля запоминающего устройства совпали, то можно осуществляться операции считывания или записи в запоминающее устройство. Это значит, что должно быть получено разрешение на прием сигнала DIN с управляющей системной магистрали. Помимо сигналы SEAK схема управления интерфейсом схема управления SUE из сигнала DIN формируется сигнал ВВ1 и ВВ2. (ВВ1 – чтение, ВВ2 – запись). ВВ2 используется для переключения приемопередатчиков (РГД - регистры данных) из режима прием адреса в режим передачи данных.
Микропроцессор обращается к расширителю арифметических функций к внешнему устройству, так как внешний адрес находится в адресном пространстве внешних устройств. Работа СУИ аналогична работе СУИ предыдущей схемы. Только сигналом СИА фиксируется только младшие адреса РА в селекторе адреса СА. Этим определяется к какому из трех адресуемых регистров на схеме РГА1, РГА2, РГА3 идет обращение. В регистр РГА1, РГА2, РГА3 можно записывать информацию и считывать. Это достигается также путем изменения режимов работы приемо-передатчиков ПП. При записи информации на РГ1, РГ2 работает приемопередатчик ПРП1 (направление БЦ). При чтении информации с РГ3, РГ2 работают оба приемопередатчика (ПРП1, ПРП2). В РГ1 записывается множимое число. В РГ2 множитель, в РГ3 результат промежуточных вычислений. В сумматоре производится операция сложения (с целью получения результатов умножения). Регистратор вычислений хранится в двух регистрах РГ2 и РГ3. И в последующем используется микропроцессором для конкретных типов задач в процессе проводимых промежуточных вычислений.
Режим прерываний – конечный выключатель
Режим прямого доступа – НГМД
-
Модули памяти в микропроцессорной УЧПУ. Варианты организации модульных запоминающих устройств. Общая структура модуля памяти с децентрализованной дешифрацией адреса. (примитивная общая схема в лекциях, а потом раскрыли в раздаточный материал)
Организация вычислителя
Наряду с микропроцессором, модуль памяти используется для хранения системного программного обеспечения (которое хранится в РПЗУ) и для хранения управляющих программ (которые хранятся в ОЗУ).
Различают два основных варианта организации модульных запоминающих устройств.
1 вариант – с централизованной дешифрацией БИС ЗУ (больших интегральных схем запоминающего устройства) и входящих в него модулей памяти. Так организованы микроЭВМ электроника 125, электроника 79, мини-ЭВМ СМ3 и СМ4
2 вариант – с децентрализованной дешифрацией БИС ЗУ (электроника 60)
1 вариант – с централизованной дешифрацией БИС ЗУ
В первом варианте временная диаграмма выборка БИС ЗУ в модули и работа самого модуля формируются в центральном блоке управления (или так называемом диспетчере памяти)
Во втором варианте в каждом модули памяти помимо БИС ЗУ имеется дешифратор, обеспечивающий выборку нужной БИС путем дешифрации кодов адресов.
Общая структура модули памяти с децентрализованной дешифрацией адреса
Модуль памяти состоит из регистра адресов РГА, дешифратора ДШВ, схемы согласования СС, накопителя НК (набор БИС ЗУ) и регистра данных РГД. Младшие разряды адреса поступают в РГА, запоминаются там и определяют адрес ячейки памяти внутри модуля ЗУ. Старшие разряды адреса поступают на дешифратор и определяют конкретный модуль памяти ЗУ. Сигнал WR/RD – чтение/запись поступает на схему согласования и определяет вид операций с записью (чтение/запись). При чтении РГД хранит данные, считанные из модуля памяти. При записи информации РГД пропускает данные в накопители.
Память обычно разделяется на слова. Слово обычно имеет длину, достаточную для помещения в нем команды. Слово имеет адрес. Поэтому адресное пространство микропроцессорной системы – это множество адресов памяти, допустимых для программ, выполняемых микропроцессором. Адресом слова: адрес левого (старшего) или правого (младшего байта). Слово стоит из двух смежных байтов.
Рассмотрим модуль памяти РПЗУ, использующий 8 БИС ЗУ. Модуль памяти работает как пассивное устройство, обеспечивающий асинхронный обмен данными.
Схема управления интерфейсом принимает от микропроцессора сигнал DIN, SIGN по управляющей шины СМП и формирует сигналы SEAK и RPL. Микропроцессор выставляет адреса с А1 по А13 на регистры адресов РГА1 и РГА2 через шину адреса данных ДА00…ДА15 через приемо-передатчики ПРП. Сигналом СИА производится фиксация младших и старших разрядов адреса в регистрах РГА. Три старших разряда (А11, А13) поступает на мультиплексор (Мультиплексор это то же самое, что и ДШВ) и сравниваются с номером модуля банков памяти ВБ. Если адреса с номером модуля запоминающего устройства совпали, то можно осуществляться операции считывания или записи в запоминающее устройство. Это значит, что должно быть получено разрешение на прием сигнала DIN с управляющей системной магистрали. Помимо сигналы SEAK схема управления интерфейсом схема управления SUE из сигнала DIN формируется сигнал ВВ1 и ВВ2. (ВВ1 – чтение, ВВ2 – запись). ВВ2 используется для переключения приемопередатчиков (РГД - регистры данных) из режима прием адреса в режим передачи данных.
-
Арифметические расширители в вычислителе. Их задача и общая схема построения. Схема в раздаточном
Микропроцессор обращается к расширителю арифметических функций к внешнему устройству, так как внешний адрес находится в адресном пространстве внешних устройств. Работа СУИ аналогична работе СУИ предыдущей схемы. Только сигналом СИА фиксируется только младшие адреса РА в селекторе адреса СА. Этим определяется к какому из трех адресуемых регистров на схеме РГА1, РГА2, РГА3 идет обращение. В регистр РГА1, РГА2, РГА3 можно записывать информацию и считывать. Это достигается также путем изменения режимов работы приемо-передатчиков ПП. При записи информации на РГ1, РГ2 работает приемопередатчик ПРП1 (направление БЦ). При чтении информации с РГ3, РГ2 работают оба приемопередатчика (ПРП1, ПРП2). В РГ1 записывается множимое число. В РГ2 множитель, в РГ3 результат промежуточных вычислений. В сумматоре производится операция сложения (с целью получения результатов умножения). Регистратор вычислений хранится в двух регистрах РГ2 и РГ3. И в последующем используется микропроцессором для конкретных типов задач в процессе проводимых промежуточных вычислений.
Режим прерываний – конечный выключатель
Режим прямого доступа – НГМД
Расширитель арифметических функций в МПС необходим для повышения производительности МПС при выполнении операций, входящих в базовый набор арифметических функций. Наиболее часто выполняемая арифметическая функция – умножение слов в длиной 16 и 32 разряда.
-
Функциональная схема интерфейса между вычислителем и пультом оператора.
В составе ЧПУ блок клавиатуры и блок индикации.
Обмен данными микропроцессора с пультом оператора происходит в программном режиме. Пульт УЧПУ имеет 4 доступных регистра. Регистры состояния и данных клавиатуры. РСКЛ (регистр состояния клавиатуры) и РДКЛ (регистр данных клавиатуры). РСИ (Регистр состояний индикации) и РДИ (регистр данных индикации) Регисторы состояний опрашивают вычислитель через системную магистраль и подтверждают готовность приема данных. РДИ получает данные от вычилителя через системную магистраль приемопередатчики ПРП, регистр передачи данных РПД1, передатчик ПД1 и приемник ПР2. Регистр приемника РПР2 осуществляет преобразование последовательного входа в параллельный и передачу данных в РДИ. Управление обменом осуществляет схема управления интерфейсом (СУИ – добавить если нету).















