ответы на экзаменационные вопросы (832570), страница 4
Текст из файла (страница 4)
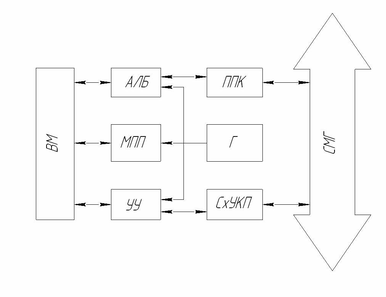
АС – адапторы связи
В – вычислители
КВУ – контроллер внешнего устройства (с пультом оператора)
Классификация согласно ГОСТ:
Признаки:
-
Вид управляемого оборудования
-
Число управляемых координат (всех и одновременно)
-
Основной способ подготовки управляющей программы
-
Наличие языков пользователя и специальных программ
-
Форма ввода и редактирования управляющей программы
-
Встроенные средства сервиса
-
Внешний программоноситель
| Признак | Класс устройства | |||
| 1 | 2 | 3 | 4 | |
| Вид управляемого оборудования | Автоматизированные станки | Станки-полуавтоматы в условиях серийного производства | Станки-полуавтоматы в условиях мелкосерийного и единичного производства | Сложные уникальные станки и станочные модули |
| Число управляемых координатных перемещений (одновременно управляемых) | 1-3 (до 3) | 2-3 (2-3) | 2-5 (2-4) | 5-12 (до 12) |
| Основной способ подготовки УП | На пульте оператора станка | На специальных средствах вне станка | С помощью встроенных в станок средств программирования | Различный |
| Языки: | ||||
| Пользователя | ISO-7 бит, типовые макрокоманды, параметрическое программирование | ISO-7 бит, типовые макрокоманды, параметрическое программирование | ISO-7 бит и макрокоманды на уровне данных чертежа детали | Различный |
| Специальных программ и циклов | - | Имеется | Имеется | имеется |
| Форма ввода и редактирования УП | Диалоговая местная | Покадровая с элементами диалога | Диалоговая гибкая | Диалоговая гибкая |
| Встроенные средства сервиса | Цифровые линейки или магнитный алфавитно-цифровой дисплей | Алфавитно-цифровой дисплей | Графический дисплей | Графический дисплей |
| Внешний программоноситель | Перфолента или кассета | Перфолента или статическая память | Перфолента или статическая память | Перфолента или статическая память |
Классификация в зависимости от функционального назначения:
-
Микропроцессорные УЧПУ со стандартными фиксированными функциями.
Выпускает эти УЧПУ большими сериями и предназначены для управления станками со стандартными технологическими процессами. УЧПУ для управления фрезерными, токарными станками, универсальными промышленными роботами. Функциональные возможности этих УЧПУ определены системным программным обеспечением (СПО), алгоритмы которого задаются пользователем или разработчиком. В качестве запоминающего устройства в этих УЧПУ используют память типа РПЗУ (Р – репрограммируемая)
-
Устройство ЧПУ с гибкими возможностями
Предназначены для управления станками повышенной сложности и точности с большим числом управляемых координат. Как правило это мультипроцессорные УЧПУ, имеющие большую оперативную и внешнюю память, развитую систему интерфейсов (управление большим числом внешних устройств) и возможности генерации системного программного обеспечения в соответствии с нуждами потребителя. В качество запоминающего устройства используют память типа ОЗУ.
Общая классификация УЧПУ
| Поколения УЧПУ | Элементная база | Модель устройства | Приводы подач | Модель привода |
| I HNC (Hand numerical control) Ручное программное управление | Дискретные полупроводниковые элементы | Серия К (К2П; К3П; КПТ) | Электрогидравлические шаговые приводы | ШД 4М (пример) |
| II SNC (special numerical control) | Малая (серия 155) и средняя (серия 176) степень интеграции | Серия Н (Н22, Н33, Н55) Н55 – 5 координат и 5 одновременно управляемых Серия «Размер» («Размер -2М») | а) Электрогидравлические шаговые двигатели (до 16кГц) б) Следящий привод (индуктосин, резольвер) | а) ШД 5Д б) ЭТ 3 |
| III CNC (computer numerical control) | Микро-ЭВМ «Электроника-60», «Электроника-НЦ03» БИС (большая интегральная схема) (серия 589 и т.п.) | Серия 2С, 2М, 2Р (2С42 – управление токарными станками, 2Р35 – управление фрезерными станками, «Электроника-НЦ31» | Следящий, теристорный и транзисторный привод постоянного тока с ИП резольвер, индуктосин (линейный/круговой), оптические импульсные датчики | ЭТ6 ЭШИР ЭШИМ |
| IV DNC | Мультипроцессорная структура построения «Электроника-МС2101», полузаказные БИС | серия 3С 3С140, 3С170 и т.д. | Управляемый привод как правило цифровой следящий постоянного и переменного тока с оптическими импульсными датчиками | 3С150 |
// HNC – ввод только с пульта ЧПУ (неудобно)
//SNC – есть блок памяти, который может хранить и вызывать управляющую программу. Для ввода управляющей программы появляется носитель (магнитная лента (бобина) или перфолента). Серия Н имеет фотосчитывающее устройство (которое считывает информацию с 8мидорожечной перфоленты). Магнитная лента имеет высокую плотность записи, но нужны спец условия хранения, спец приспособления для записи, поэтому перфоленты их вытеснили. Кроме постоянного использования носителя, можно программу занести в блок памяти.
Устройства ЧПУ классов HNC и SNC (аппаратные УЧПУ) имели жесткую структуру построения, при которой алгоритмы управления реализовывались схемным путем. Были построены эти УЧПУ по принципу цифровой модели, где все операции, составляющие алгоритм работы выполнялись параллельно с помощью отдельных электронных блоков, реализующих ту или иную функцию управления, т.е. имели агрегатно-блочное построение. Агрегатно-блочное построение позволяло модернизировать УЧПУ путем замены отдельных блоков, однако полная структура УЧПУ определялась постоянными схемами отдельных электронных панелей и межузловых соединений. Поэтому такая структура не могла быть полностью изменена после изготовления этой УЧПУ.
CNC – ввод программ с помощью разных носителей (перфолента, магнитная лента, магнитные диски, пульт) Особенность – ведение диалогового программирования (отвечая на вопросы ведется подготовка управляющей программы). Предназначена для управления высокоавтоматизированным объектом (многоцелевые станки с большим количеством координат)
DNC - Гибкие производственные модули и робото-технические комплексы. В блоках связи имеется интерфейс связи с ЭВМ верхнего уровня (главное отличие от CNC). Имеется мультипроцессорная структура построения (могут параллельно решаться отдельные задачи или функции).
Перспективный вариант - это когда ЧПУ нет, а станком управляет обычный компьютер.
-
Микропроцессорная УЧПУ как микропроцессорная система. Ее основные компоненты и решаемые задачи. Использование однокристальных микропроцессоров в УЧПУ станка. Классификация микропроцессорных УЧПУ. Что такое микропроцессорная система? Основные компоненты и решаемые задачи? Что такое микропроцессор? Какие виды памяти есть в вычислителе и для чего предназначены? Какие есть контролеры связи и для чего нужен? Есть контроллер связи с пультом оператора, с внешним устройством, связь между двумя магистралями - адаптор.
Основные компоненты микропроцессорной БИС
В составе микропроцессора можно выделить:
АЛБ – арифметическо-логический блок
МПП – микропрограммная память
УУ – устройство управления
ВМ – внутренняя магистраль для передачи микрокоманд, адресов и управляющих сигналов
ППК – приемо-передадчик общего канала
СхУКП – схема управления каналом и прерыванием
Г – генератор тактовых сигналов
СМГ – системная магистраль для передачи адресов, данных между подключенными к ней устройствами
Микропроцессорные УЧПУ (МП УЧПУ) класса CNC и DNC – это устройства ЧПУ с гибкой структурой построения. Принципиальным отличием этих ЧПУ от аппаратных является их структура, соответствующая структуре управляющей ЭВМ и включающая вычислительное устройство, блоки памяти, блоки ввода/вывода информации и т.п.. Объем функций, характер и последовательность проводимых операций, переработка УП определяется не специальными схемами (как в аппаратных УЧПУ), а специальными программами функционирования, которые вводятся в блок памяти УЧПУ и там хранятся. Согласно этим же программам формируются, например, программы управления приводами подач станка, управление электроавтоматикой станка и т.д.
CNC – ввод программ с помощью разных носителей (перфолента, магнитная лента, магнитные диски, пульт) Особенность – ведение диалогового программирования (отвечая на вопросы ведется подготовка управляющей программы). Предназначена для управления высокоавтоматизированным объектом (многоцелевые станки с большим количеством координат)
DNC - Гибкие производственные модули и робото-технические комплексы. В блоках связи имеется интерфейс связи с ЭВМ верхнего уровня (главное отличие от CNC). Имеется мультипроцессорная структура построения (могут параллельно решаться отдельные задачи или функции).
Микропроцессорным или программируемым УЧПУ называется устройство, алгоритмы работы которого реализуются с помощью программ, вводимых в его память и могут быть изменены после изготовления этого устройства.
Основные системы микропроцессорных УЧПУ, которые обуславливают возрастающую степень ее применения при управлении станками.
-
Гибкость, т.е. возможность модернизации или изменения назначения микропроцессора путем изменения программ в его запоминающем устройстве.
-
Надежность. В микропроцессорном УЧПУ время наработки на отказ составляет 10 000 часов (надежно)
-
Быстро возрастающие вычислительные возможности (объем памяти, скорость вычислений) – можно управлять все более и более сложными объектами.
-
Малые размеры и масса
-
Сравнительно низкая стоимость (по сравнению с аппаратными УЧПУ)
-
Малое время разработки (УЧПУ, которые могут быть построены на какой-то определенной микроЭВМ)
Микропроцессор – это функционально законченное электронное цифровое устройство, выполненное на одной или нескольких больших интегральных схемах (БИС) и предназначенная для работы в составе вычислителя путем исполнения определенного набора команд помимо отдельной памяти.
Микропроцессорные БИС – интегральные схемы, сочетающие в себе огромные функциональные возможности с высокой степенью интеграции. Достигается это тем, что в микропроцессорных БИС реализованы сложные устройства, позволяющие выполнять над исходными данными логические и арифметические операции при этом управление ведется программно.
Микропроцессорная система (МПС) – это вычислительная система, включающая в себя микропроцессор (МП), запоминающее устройство (ЗУ), расширитель арифметических функций (РА), и контролеры внешних устройств (КВУ)
Обмен информации между блоками микропроцессорной системы осуществляется по специальному каналу обмена с системной магистралью (СМГ). Микропроцессор, память, запоминающее устройство, расширитель арифметических функций, объединяемые системной магистралью составляют вычислитель (ВЧС) микропроцессорной системы, с которым сопрягаются внешние устройства (ВУ), необходимые для управления станком и связи с оператором, через контроллеры внешних устройств (КВУ).















