metodichka_chast_2 (811780), страница 5
Текст из файла (страница 5)
Если условие перегрузки не соблюдается, необходимо взять электродвигатель, следующий (больший) по шкале мощности, руководствуясь при этом не условиями нагрева, а перегрузочной способностью.
Метод эквивалентного тока применен для электродвигателей любых типов. Для электродвигателей с малоизменяющимся магнитным потоком, в процессе работы (параллельные электродвигатели постоянного тока, асинхронные) метод эквивалентного тока может быть заменен методом эквивалентного момента:
. Если при этом не меняется также и скорость вращения в процессе работы метод эквивалентного тока может быть заменен методом эквивалентной мощности.
Кратковременный режим работы. Мощность электродвигателя, работающего в режиме кратковременной нагрузки, определяется аналогичными методами, приведенными для длительного режима при переменной нагрузке. Выбор электродвигателя следует производить по специальным каталогам. Использование для кратковременной работы электродвигателей нормальных серий, предназначенных для продолжительного режима работы нецелесообразно, так как в большинстве случаев при кратковременной нагрузке электродвигатели не могут быть использованы полностью по нагреву.
Повторно - кратковременный режим работы. Мощность электродвигателя, работающего в режиме повторно-кратковременной нагрузки, может быть определена по методу эквивалентных величин - тока или момента. Метод эквивалентной мощности здесь неприемлем, так как в режиме повторно-кратковременной нагрузки в течение всего времени цикла не соблюдается пропорциональность между током электродвигателя и его мощностью.
Для подъемно-транспортных механизмов, работающих в повторно-кратковременном режиме, следует применять специальные крановые электродвигатели, предназначенные для тяжелых условий работы – частых пусков, торможения, значительных колебаний нагрузки, превышающих номинальную мощность. Электродвигатели имеют увеличенный пусковой и максимальной моменты, и в таком режиме работы они характеризуются относительной продолжительностью включения ПВ = 16, 25, 40, 60%, при общей продолжительности цикла работы 10 мин. Один и тот же тип электродвигателя при разных ПВ имеет разные номинальные мощности. Чем больше ПВ, тем меньше его номинальная мощность.
Пересчет мощности электродвигателя с одного значения ПВ на другое производится на основании следующего приближенного равенства:
Пример. Имеется крановый электродвигатели мощностью 20 кВт при ПВ = = 25%. Требуется определить, какую мощность может развить этот электродвигатели при ПВ = 40%.
Решение. Пользуясь выражением для пересчета мощности:
.
2.4. Вопросы для самопроверки
-
Какими соображениями руководствуются при выборе электродвигателя для привода?
-
Почему греются при работе электродвигатели?
-
Перечислите классы нагревостойкости изоляции.
-
Дайте определение теплового баланса электродвигателя при постоянной нагрузке.
-
Какие конструктивные параметры электродвигателя позволяют понизить величину превышения температуры электродвигателя над температурой окружающей среды.
-
Поясните закономерность нагрева электродвигателя при длительном режиме работы с изменяющейся нагрузкой.
-
Какие механизмы драг и гидравлик работают при длительном режиме с постоянной и переменной нагрузкой?
-
Перечислите механизмы карьеров и шахт работающие в кратковременном и повторно-кратковременном режиме.
-
Каким символом характеризуется повторно-кратковременный режим работы электродвигателя?
-
Перечислите величину ПВ установленную для крановых электродвигателей.
-
Напишите уравнение для расчета мощности электродвигателя привода насоса работающего в длительном режиме с постоянной или малоизменяющейся нагрузкой.
-
Напишите уравнение для расчета количества тепла выделяемого двигателем при работе в длительном режиме.
-
Нарисуйте график нагрузки электродвигателя работающего в длительном режиме с переменной нагрузкой.
-
Как выбирается тип электродвигателя для производственных механизмов?
-
Поясните смысловое значение коэффициента перегрузки электродвигателя.
3. Аппаратура управления и защиты
3.1. Назначение и классификация электрических аппаратов.
Процессы пуска, регулирования, скорости, торможения, остановки и реверсирования электроприводов, осуществляются с помощью аппаратуры ручного или автоматического управления. Отклонение от нормального режима работы электроустановки, вызванные ее перегрузкой, неправильным монтажом, увлажнением изоляции, могут привести к ее аварии, поэтому электроустановки снабжают устройствами, обеспечивающими ее защиту, т. е. автоматическое отключение от сети.
Вся современная аппаратура управления и защиты электроустановок совмещается в одном общем аппарате: фидерном автоматическом выключателе (АФВ) или магнитном пускателе (МП).
В зависимости от величины напряжения, влияющего на особенности конструкции, аппаратура делится на аппаратуру напряжением до 1000В (низковольтную) и напряжением выше 1000В (высоковольтную). В зависимости от способа управления различают аппаратуру ручного и автоматического управления.
К аппаратуре ручного управления относятся рубильники, переключатели, выключатели, кулачковые и барабанные контролеры. Ручное управление в настоящее время применяется для электроустановок небольшой мощности с редкими включениями и не требующими дистанционного управления.
Аппаратура автоматического управления предназначена для управления электроприводами без участия обслуживающего персонала. К ней относятся контакторы, магнитные пускатели, автоматические фидерные выключатели.
В аппаратуре управления предъявляются требования: надежность и точность в работе; малый вес и габариты; высокая механическая, электрическая и термическая устойчивость в нормальном и аварийном режиме. Независимо от принципа действия вся аппаратура управления содержит следующие основные элементы: контактную систему, механизм включения и отключения, опорную изоляционную панель, элементы защиты, блокировочные устройства, корпус (оболочку) для защиты всех элементов электрического аппарата от воздействия внешней среды.
3.1.1. Контактная система аппаратуры управления
Наиболее распространены в электроаппаратах большой мощности контакты изогнутой формы, позволяющие им при замыкании перекатываться друг по другу. Радиусы кривизны контактов берутся неодинаковыми, поэтому при их замыкании соприкасающиеся поверхности совершают перекатывание и перемещение, при этом поверхности притираются. При замыкании и размыкании контактами больших токов возникает электрическая дуга, под воздействием высокой температуры которой поверхности контакторов оплавляются и разрушаются, особенно при разрыве Iкз. Поэтому для каждой конструкции контактов завод оговаривает номинальные токи, которые контакты длительно выдерживают и разрывные токи, который они разрывают без разрушения.
Для повышения разрывной мощности контактной системы применяют: а) усиление контактов приданием им специальной формы и увеличением размеров; б) применением двойных контактов; в) применением дугогасительных камер. Дугогасительные камеры имеют две конструкции – дугогасительные катушки с магнитным дутьем и дугогасительные решетки. В устройствах первого рода последовательно с контактами ставится катушка из 1-го-2-го витков полосовой или круглой меди. Внутрь катушки ставится сердечник из трансформаторной стали, охватывающий полюсными наконечниками дугогасительную камеру. Во время разрыва контактов магнитный поток, создаваемый катушкой, взаимодействуя с плазмой дуги, являющейся проводником тока, вытесняет ее вверх из зазора контактов, где она попадает в холодную часть камеры, соприкасается со стенками, остывает и гаснет. При втором способе гашения применяют решетку из омедненных стальных пластин, помещенную в асбоцементную камеру. При разрыве электрическая дуга втягивается в камеру, соприкасается с пластинами и остывая гаснет.
3.2. Виды защит, применяемых в аппаратуре управления
Современные электроустановки снабжаются следующими видами защиты: 1) максимальной (токовой) защитой от коротких замыканий; 2) тепловой защитой от перегрева; 3) нулевой защитой от самовключения двигателя; 4) защитой непрерывности цепи заземления; 5) защитой от поражения током при замыкании на корпус; 6) защитой от искрообразования в штепсельных устройствах; 7) защитой от искрообразования в гибком кабеле.
3.2.1. Защита от коротких замыканий
Защита от коротких замыканий осуществляется плавкими предохранителями и автоматическими выключателями.
Плавкий предохранитель состоит из корпуса, контактного устройства и плавкой вставки из легкоплавкого металла, выполненной в виде ленты или проволоки.
Плавкий предохранитель разрывает ток в цепипри увеличении его до предельно допустимой величины, за счет расплавления плавкой вставки. Время плавления при прочих равных условиях (материал вставки, диаметр, длина, температура окружающей среды и т.п.) зависит от величины тока. Закон изменения времени расплавления плавкой вставки в зависимости от протекающего по нему тока характеризуется примерной кривой, приведенной на рис. 13. Как видно из характеристики при протекании через предохранитель тока I= 1,25 Iн, т. е. на 25% превышающего номинальный, плавкая вставка вообще не расплавляется в течение сколь угодно длительного времени протекания тока. При увеличении тока до I = 1,75 Iн плавкая вставка расплавляется в течение примерно 50 мин, а при увеличении тока до 8 - 10 кратной величины – практически мгновенно. Время разрыва цепи предохранителем зависит от скорости гашения дуги, которое уменьшают, заполняя патрон кварцевым песком. В предохранителях с патроном из фибры гашение дуги осуществляется газами, выделяемыми из стенок патрона под действием высокой температуры дуги, образующейся в месте разрыва плавкой вставки.
Рис. 13. Характеристика плавкой вставки.
В электрических цепях с U< 1000 В применяют предохранители ПР, НПР, НПН.
Плавкий предохранитель, быстро реагируя на короткие замыкания и значительные перегрузки, более или менее удовлетворительно защищает кабели, но не обеспечивает защиты двигателей от перегрузки, даже если возможно выбрать плавкую вставку по номинальному току двигателя. Это один из основных недостатков плавкого предохранителя. Область применения плавких предохранителей в последнее время ограничивается малоответственными силовыми установками малой мощности и осветительными установками.
3.2.2. Защита автоматическими выключателями
Автоматические воздушные выключатели (автоматы) совмещают функции рубильника и защитного аппарата и предназначены для размыкания электрической цепи при возникновении в ней перегрузок, коротких замыканий, а также при исчезновении или недопустимом снижении напряжения. Автоматы допускают нечастое включение и отключение вручную силовых цепей.
В сетях трехфазного тока применяют трехполюсные автоматы, а в сетях постоянного и однофазного тока двух полюсные и однополюсные.
Автоматы снабжаются одним или несколькими расцепителями, отключающими их главные контакты. По принципу действия расцепители бывают электромагнитные, тепловые и комбинированные.
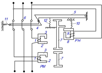
Электромагнитный расцепитель максимального тока (токовое реле) представляет собой электромагнит с разъемным магнитопроводом, катушка которого, состоящая из небольшого числа витков проволоки большого сечения, включается последовательно в цепь главного тока, рис. 14.
Рис. 14. Схема, поясняющая принцип работы автоматического выключателя
При протекании через катушку 1 максимального реле РМ тока, не превышающего допустимой величины, якорь 2 находится под действием собственного веса в опущенном состоянии. При этом рычаг 4 и защелка 5 находятся в сцепленном положении, благодаря чему замкнуты главные контакты 6 выключателя, и электроустановка работает нормально.
При увеличении тока в цепи сверх допустимой величины якорь 2 электромагнита притягивается к сердечнику 3, воздействуя на промежуточный рычаг 7. Последний, ударяя по защелке 5, освобождает выключающий рычаг 4, в результате чего под действием рабочей пружины 11 происходит размыкание главных контактов 6.
Величина отключающего тока регулируется изменением воздушного зазора между якорем и сердечником или изменением натяжения пружины 12 оттягивающей якорь. В описанной схеме имеются также нулевое реле РН с сердечником 8, якорь которого 9 в случае исчезновения напряжения или уменьшении его до Umin = 0,1:0,4 Uн оттягивается пружиной 10 и воздействуя при этом на рычаг 7, вызывает отключение сети автоматическим выключателем, осуществляя нулевую защиту. При этом максимальное и нулевое реле выключают автомат независимо друг от друга.
















