metodichka_chast_2 (811780), страница 2
Текст из файла (страница 2)
Система Г-Д, рис. 3а служит для реализации регулирования скорости изменением подводимого напряжения к якорю двигателя и позволяет получить плавное регулирование скорости в широких пределах. Якорь генератора Г вращается с постоянной скоростью двигателем переменного тока – синхронным или асинхронным электродвигателем. Напряжение на щетках генератора изменяется с помощью магнитного потока генератора за счет изменения тока в его обмотке возбуждения (ОВГ) сопротивлением Rовг практически от нуля до номинального, так как
. В связи с этим для пуска двигателя отпадает необходимость в пусковом реостате. Напряжение, снимаемое со щеток якоря генератора Г, подводится на щетки якоря двигателя Д. Механические характеристики, получаемые при регулировании скорости подводимым напряжением, будут располагаться вниз от основной и параллельно, рис. 3б. Наклон естественной механической характеристики двигателя в системе Г-Д больше, чем у естественной двигателя, так как в цепь якоря двигателя включается сопротивление якоря генератора. Диапазон регулирования составляет от 6:1 до 8:1. Пределы регулирования могут быть расширены за счет изменения магнитного потока двигателя, Д=2:1 (общий диапазон регулирования составляет от 12:1 до 16:1).
Система Г-Д из-за своих преимуществ (плавности регулирования, больших пределов регулирования, жестких характеристик при регулировании) нашла широкое распространение.
К недостаткам системы Г-Д следует отнести: 1. Двойное преобразование энергии – что приводит к снижению КПД; 2. Наличие в системе трех электродвигателей ведет к увеличению установленной мощности в 3 раза; 3. Большие габариты, необходимость установки фундамента; 4. Высокие капитальные и эксплуатационные затраты.
а) б)
Рис.3. Схема регулирования скорости двигателя по системе Г-Д (а) и механические характеристики системы (б).
С целью расширение пределов регулирования системы Г-Д, придания ее характеристикам специальной формы применяют в цепи питание обмоток возбуждения генератора и двигателя усилители – электромашинные, магнитные и электронные, имеющие одну или несколько цепей отрицательной обратной связи О.О.С.
1.3.5. Регулирование скорости двигателя питанием от управляемых выпрямителей
Указанных выше недостатков системы Г-Д имеют схемы приводов, у которых регулировка напряжения на электродвигателе осуществляется управляемыми выпрямителями. В настоящее время управляемые выпрямители выполняют на тиристорах под названием тиристорных преобразователей, которые обеспечивают пуск, регулировку скорости, торможение, реверс, получение специальных механических характеристик.
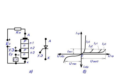
Высокие качества тиристорных преобразователей объясняются ценными свойствами тиристоров, представляющих собой четырехслойную кремниевую структуру, смежные слои которой обладают различными проводимостями электронной и дырочной, разделенные тремя p-n переходами 1, 2 и 3 (рис. 4а). Толщина слоев и концентрация основных носителей заряда в слоях различна. Тиристор имеет три электрода (рис. 4б). Крайние переходы П1 и П3 являются проводящими для тока от катода к аноду, средний П2 является для этого тока запирающим. Чтобы открыть тиристор при напряжении меньшем Uвкл необходимо к электроду УЭ подвести от источника напряжения Еу потенциал, положительный относительно катодаК тиристора. При этом переход 3 смещается напряжением Еу в проводящем направлении, в цепи появляется ток управления Iу, возникает инжекция электронов из области n4 в область Рз. снижается потенциальный барьер перехода 1, так как часть инжектированных электронов перебрасывается электрическим полем перехода 2 в область n2, что увеличивает встречную инжекцию дырок и ток тиристора. При некотором токе Iу сумма коэффициентов возрастает настолько, что α11 и α12 = 1 и тиристор открывается. Переключаясь из закрытого состояния в открытое (рис. 4в), тиристор коммутирует некоторую мощность, равную произведению напряжения и тока первичной цепи. Это мощность может быть на несколько порядков больше управляющей мощности (коэффициент усиления по мощности у тиристоров 104 105).
Рис.4. Структура тиристора: а) обозначение на схеме; б) вольт-амперная характеристика
В открытом тиристоре изменением тока управления нельзя изменить тока анода или закрыть тиристор. Тиристор закрывается при снижении напряжения E0 до нуля. Когда тиристор работает в цепи переменного тока, то это происходит автоматически после того, как изменяется знак приложенного к нему напряжения. Чтобы закрыть тиристор, работающий в цепи постоянного тока, применяют либо схемы искусственной коммутации, либо отключают питающее напряжение.
Если Э.Д.С. источника энергии изменяется по синусоиде, то ток прерывается при прохождении через нуль. В момент начала положительного полупериода необходимо отпирать вентиль током Iу, для чего подают положительный импульс напряжения на У.Э. от системы управления. Изменяя момент подачи положительного импульса относительно точки начала полуволны напряжения, где = 0, можно изменить продолжительность работы вентиля и среднее напряжение на нагрузке.
В тиристорных преобразователях приводов постоянного тока применяют различные схемы соединения тиристоров с источником питания, нагрузкой и схемой управления. При питании привода от сети переменного тока используют схемы регулируемого выпрямителя с потенциальным или с импульсно-фазным управлением. При питании привода от сети постоянного тока применяют схемы широтно-импульсного и частотно-импульсного регулирования напряжения.
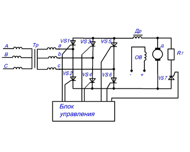
Для примера рассмотрим схему нереверсивного тиристорного преобразователя с динамическим торможением (рис. 5).Тиристоры VS1÷VS6 образуют трехфазную мостовую схему выпрямителя, обеспечивающую получение напряжения с повышенной частотой пульсации. Блок управления формирует импульсы положительной полярности, временное положение которых для каждой группы тиристоров фаз А, Б и С изменяется в пределах угла α от 0 до 120о. При угле α = 0о среднее значение выпрямленного напряжения будет максимальным Uср. о max., а при α = 120о равно нулю.
Рис.5. Функциональная схема нереверсивного тиристорного преобразователя
Тиристоры каждой фазы при α = 0оработает в течение
, а при увеличении угла время работы тиристоров уменьшается в соответствии с уравнением
.
Изменением выпрямленного напряжения осуществляется пуск и регулировка скорости.
Для остановки электродвигателя тиристоры VS1÷VS6 запираются, а тиристор VS7 открывается, замыкая якорь двигателя на тормозное сопротивление Rт.
Тиристорные преобразователи широко применяются в качестве возбудителей в системе Г-Д, заменяя электромашинные и силовые магнитные усилители.
Регулирование скорости двигателей питаемых от аккумуляторов или контактной сети. Изменение напряжения питания двигателей постоянного тока производят двумя способами: 1. С помощью добавочных сопротивлений; 2. С помощью импульсных регуляторов постоянного напряжения работающих на принципе широтно-импульсного преобразователя (ШИП). Импульсные регуляторы применяют в электроприводах механизмов получающих питание от аккумуляторов или контактных сетей постоянного тока, это шахтные электровозы, электрокары, ручные электроинструменты.
Схема нереверсивного ШИП постоянного напряжения рис 7 состоит из электронного ключа, дросселя и обратного диода. В схеме в качестве ключа в зависимости от мощности применяют транзисторы или тиристоры. В схеме, приведённой на рис.6, принят тиристор, а между ним и нагрузкой включена индуктивностьL. При отпирании тиристора V1по индуктивностив нагрузку протекает ток iн (на рис.6, а путь тока показан сплошной линией), при этом сердечникLнамагничиваясь запасает энергию. При запирании тиристора ток в нагрузке iн2 (путь тока показан пунктирной линией) за счет э. д. с. самоиндукции L сохраняет свое прежнее направление, замыкаясь через обратный диод V2 на начало индуктивности. При открытом тиристоре диод закрыт. Эпюры напряжений и токов в схеме показаны на рис.6, б.
Выходное напряжение схема регулирует от нуля (при τи = 0) до входного напряжения Ud (при τи = T) в соответствии с уравнением Un=Ud (τ/T).
Изменяя ширину импульса, т. е. величину коэффициента заполнения, можно получать на выходе ШИП различные значения среднего напряжения на нагрузке, которое всегда меньше напряжения источника питания.
Частота вращения асинхронных электродвигателей определяется уравнением:
.
Следовательно, ее можно регулировать, изменяя частоту F питающего напряжения, число пар полюсов p и величину скольжения S. Возможно регулирование частоты каскадным соединением двигателя с другими электрическими машинами.
Регулирование скорости изменением числа пар полюсов находит широкое применение в электроприводах с асинхронными короткозамкнутыми электродвигателями. Промышленность выпускает их двухскоростными, трехскоростными и четырехскоростными.
Изменение числа пар полюсов наиболее просто достигается у двухскоростных электродвигателей, имеющих две независимые обмотки на статоре. Отечественные двухскоростные электродвигатели серии 4А имеют следующие соотношения скоростей (синхронных): 3000/1500, 1500/750, 1000/500. У трехскоростного электродвигателя одна обмотка предназначается на две скорости с соотношением 1:2, вторая — на одну скорость, имеются следующие скорости:
а) Ү/ҮҮ б)∆/ҮҮ
Рис.7 Схемы включения многоскоростных асинхронных электродвигателей
3000/1500/1000, 1500/750/1000. У четырехскоростного электродвигателя каждая обмотка обеспечивает получение двух скоростей с тем же соотношением 1:2 500/750/1000/1500.
Приведенные на рис.7 схемы переключения числа пар полюсов применяются в многоскоростных асинхронных электродвигателях отечественного производства. На рис. 7a изображена схема звезда — двойная звезда (Y/YY). Здесь при большем числе полюсов обе части фазной обмотки соединены последовательно, и при включении в сеть их соединяют в звезду. При вдвое меньшем числе полюсов половины фазных обмоток соединяются в две параллельно включенные звезды.
На рис.7б приведены схемы треугольник — двойная звезда (∆/YY). Здесь при большем числе полюсов обе части фазной обмотки включены последовательно, а фазные обмотки соединяются треугольником. При вдвое меньшем числе полюсов питающие провода подводятся к середине сторон треугольника, а его углы соединяются в одной точке. Таким образом, получается схема двойной звезды.
Регулирование скорости переключением числа пар полюсов дает ступенчатое регулирование. Оно является простым и экономичным, механические характеристики при всех скоростях остаются жесткими. Диапазон регулирования 1:6 (8). Широкое использование многоскоростных электродвигателей в металлорежущих станках значительно уменьшило количество механических передач.
Регулирование скорости вращения за счет скольжения осуществляется изменением добавочного сопротивления в цепи ротора и может применяться только для электродвигателей с фазным ротором. При введении дополнительного сопротивления в цепь ротора величина скольжения возрастает, а скорость при заданном нагрузочном моменте будет соответственно снижаться, что приведет к изменению наклона механической характеристики. Регулирование скорости происходит при постоянном моменте и переменной мощности на валу электродвигателя. Поэтому такое регулирование целесообразно применять для механизмов, работающих при М = const, т.е. крановых механизмов, приводов передвижения горных машин. Регулирование скорости неэкономично, так как сопровождается большими потерями. Потери мощности при регулировании можно приближенно оценить по уравнению:
,
где P1 - подводимая к электродвигателю мощность.
















