metodichka_chast_2 (811780), страница 3
Текст из файла (страница 3)
Из выражения следует, что при снижении скорости «вниз» на 50% (S= = 0,5) половина подводимой к электродвигателю мощность превращается в потери. Поэтому диапазон регулирования будет небольшим, т.е. не будет превышать величины порядка 1:2.
Введение добавочного сопротивления в цепь ротора при данном регулировании скорости приводит к неустойчивой работе привода на малых скоростях, так как увеличение крутизны механической характеристики создает колебания скорости при небольших изменениях момента сопротивления нагрузки. Этот фактор также ограничивает диапазон регулирования скорости вращения.
Регулирование скорости асинхронных электродвигателей осуществляется также при помощи дросселей насыщения: а цепь статора электродвигателя включается реактивное сопротивление с переменной индуктивностью. Изменение индуктивности реактивных сопротивлений (дросселей) происходит путем изменения величины постоянного тока, протекающего через обмотку управления дросселями (рис. 8а). При равных токах в управляющей обмотке в цепь статора будут вводиться переменные реактивные сопротивления, в результате чего напряжение на зажимах статора электродвигателя при данном токе нагрузки будет снижаться, чем достигается соответствующее изменение скольжения, т.е. скорости вращения (рис. 8б). Достоинством описанного способа является плавное регулирование скорости вращения электродвигателя; недостатком — существенные потери энергии в роторе; уменьшение коэффициента мощности электродвигателя и громоздкость.
а) б)
Рис. 8. Схема асинхронного двигателя с дросселем насыщения в цепи статора (а) и его механические характеристики (б).
Регулирование скорости асинхронных электродвигателей изменением частоты питающей сети.
Наиболее совершенным является частотный способ регулирования скорости асинхронных электродвигателей, обеспечивающий возможность регулирования «вверх» и «вниз», жесткие механические характеристики при любой скорости, широкий диапазон регулирования. Регулирование частоты питающей сети осуществляют специальными источниками переменного тока - статическими преобразователями частоты. В качестве источника напряжения с регулируемой частотой применяют частотные преобразователи со звеном постоянного тока и, реже, непосредственного (прямого) преобразования, которые регулируют частоту вниз от 50 Гц. Преобразователи со звеном постоянного тока (ПЧ) выполняются по схеме рис.9 и состоят из звена постоянного тока (регулируемый или нерегулируемый выпрямитель) и инвертора напряжения или тока. Инверторы бывают однофазные и трёхфазныё. Ключи инверторов делают на не запираемых и запираемых тиристорах и на биполярных, полевых и IGBT транзисторах. Трёхфазные инверторы на не запираемых тиристорах имеют векторное управление и поэтому формируют выходное напряжение ступенчатой формы, амплитуда которого изменяется через π/3 (рис 9а), что требует установки перед двигателем специального фильтра и искажает форму напряжения сети. Современные инверторы на транзисторах позволяют использовать широтно- импульсную модуляцию (ШИМ) с частотой 0,3-15кГц, что обеспечивает получение на выходе синусоидального напряжения с пульсацией в десятки мВи следовательно не требуются фильтры и нет искажения напряжения сети. В зависимости от мощности ПЧ питаются от однофазной и трёхфазной сети. Шкала мощностей преобразователей частоты от 120Вт до 10000 кВт. Выходное напряжение бывает однофазным и трёхфазным до 1000 вольт и выше 1000вольт.
Типовая схема низковольтного преобразователя частоты, представленная на рис. 9 выполнена с применением в схеме инвертора напряжения IGBT транзисторов. В нижней части рисунка изображены графики напряжений и токов на выходе каждого элемента преобразователя.
Переменное напряжение питающей сети (Uвх) с постоянной амплитудой и частотой (Uвх = const, fвх = const) поступает на управляемый или неуправляемый выпрямитель (1).
Для сглаживания пульсаций выпрямленного напряжения (Uвыпр) используется фильтр (2). Выпрямитель и емкостный фильтр (2) образуют звено постоянного тока.
С выхода фильтра постоянное напряжение Ud поступает на вход автономного импульсного инвертора (3), схема которого может быть однофазной или трехфазной выполненной на тиристорах или транзисторах.
Автономный инвертор современных низковольтных преобразователей, как правило, выполняется на основе силовых биполярных, полевых или транзисторах с изолированным затвором IGBT. На рассматриваемом рисунке изображена схема преобразователя частоты с автономным инвертором напряжения как получившая наибольшее распространение.
В инверторе осуществляется преобразование постоянного напряжения Ud в трехфазное (или однофазное) импульсное напряжение U изменяемой амплитуды и частоты. По сигналам системы управления каждая обмотка электрического двигателя подсоединяется через соответствующие силовые транзисторы инвертора к положительному и отрицательному полюсам звена постоянного тока. Длительность подключения каждой обмотки в пределах периода следования импульсов модулируется по синусоидальному закону. Наибольшая ширина импульсов обеспечивается в середине полупериода, а к началу и концу полупериода уменьшается. Таким образом, система управления обеспечивает широтно-импульсную модуляцию (ШИМ) напряжения, прикладываемого к обмоткам двигателя (рис.9). Амплитуда и частота напряжения синусоидального выходного напряжения определяются параметрами импульсов управления транзисторами инвертора. При высокой несущей ча-
Рис9. Структурная схема ПЧ со звеном постоянного тока
стоте ШИМ (2 - 15 кГц) обмотки двигателя вследствие их высокой индуктивности работают как фильтр. Поэтому в них протекают практически синусоидальные токи.
В схемах преобразователей с управляемым выпрямителем (1) изменение амплитуды напряжения Uвых может достигаться регулированием величины постоянного напряжения Ud, а изменение частоты – режимом работы инвертора (3).
При необходимости на выходе автономного инвертора устанавливается фильтр (4) для сглаживания пульсаций тока. (В схемах преобразователей на IGBT в силу низкого уровня амплитуды высших гармоник в выходном напряжении потребность в фильтре практически отсутствует).
Таким образом, на выходе преобразователя частоты формируется трехфазное (или однофазное) переменное напряжение изменяемой частоты и амплитуды (Uвых = var, fвых = var).
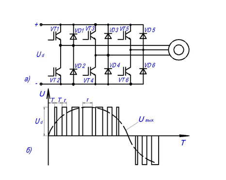
Инвертор (рис. 10а) выполнен по мостовой схеме и состоит из шести транзисторов VT1-VT6 и шести диодов VD1-VD6. Транзисторы VT1-VT6 обеспечивают подачу через определенные промежутки времени импульсов напряжения на фазы А, В, С двигателя АД. Изменяя периодичность включения и выключения транзисторов Т, изменяют частоту выходного напряжения F=1/T. Диоды VD1-VD6 передают источнику питания электромагнитную энергию, накапливаемую в индуктивностях фаз двигателя, т.е. компенсируют реактивную мощность нагрузки. Благодаря применению этих вентилей устраняются перенапряжения на элементах инвертора, и обеспечивается независимое друг от друга включение и выключение транзисторов.
Напряжение переменного тока на выходе инвертора может регулироваться различными способами:
а) Изменением питающего напряжения Ud источника постоянного тока (рис. 9б).
б) Изменением длительности высокочастотных импульсов τ пропускаемых каждым транзистором в течение полупериода Т/2 рабочей частоты (широтно-импульсная модуляция) в соответствии с уравнением
Uвых = Ud(τ/Т). В этом уравнении период повторения импульсов Т=const, а τ=var. При модуляции (регулировании) τ изменяют от 0 до Т, что обеспечивает изменение Uвых по синусоидальному закону (рис. 10б) в функции изменения τ, которую, в соответствии с программой задаёт система управления обычно выполняемая на микропроцессорах.
Рис. 10 Упрощенная схема трехфазного автономного инвертора (a) и кривая изменения его выходного напряжения (б).
1.5. Вопросы для самопроверки
-
Перечислить показатели регулирования скорости электродвигателей.
-
Какими способами регулируется скорость двигателей постоянного тока?
-
Проанализировать достоинства и недостатки способов регулирования скорости электроприводов на основе их механических характеристик.
-
Достоинства системы генератор-двигатель.
-
Перечислить способы регулирования скорости по системе Г-Д.
-
Написать уравнение механической характеристики системы генератор-двигатель.
-
Почему жесткость механической характеристики системы Г-Д меньше жесткости механической характеристики двигателя постоянного тока питаемого от сети?
-
Что называется характеристикой холостого хода генератора?
-
Перечислить недостатки системы Г-Д.
-
Какие достоинства имеет регулирование скорости двигателя постоянного тока от управляемого выпрямителя?
-
Начертите вольтамперную характеристику тиристора.
-
Какой принцип положен в основу схемы нереверсивного тиристорного преобразователя?
-
Перечислите способы регулирования скорости асинхронного двигателя.
-
Какие способы регулирования скорости электродвигателей применяют на драгах?
-
Какие имеются способы частотного регулирования скорости асинхронных электродвигателей?
-
Начертите структурную схему тиристорного преобразователя частоты.
-
Какими способами можно регулировать напряжение переменного тока на выходе инвертора тиристорного преобразователя частоты?
2. Выбор электродвигателя для производственных механизмов
2.1. Общие сведения
Роль электродвигателя в электрификации рабочей машины все время расширяется: из простого источника движущей силы и подсобного элемента он превращается в мощное средство усовершенствования самой рабочей машины и технологического процесса. Так, применение регулируемого электродвигателя позволяет упразднить коробку передач: встроенный электродвигатель упрощает конструкцию машины и т. п.
Правильно выбранный электродвигатель должен иметь необходимую номинальную мощность и обеспечивать заданную производительность рабочей машины. Он должен быть также надежным, долговечным и экономичным. Основной задачей при выборе приводного электродвигателя является определение его мощности. Недостаточная мощность электродвигателя сковывает производительность рабочей машины и приводит к преждевременному выходу его из строя из-за возможных перегрузок. Излишняя мощность электродвигателя влечет за собой дополнительные капитальные вложения и увеличивает эксплуатационные расходы вследствие снижения к.п.д. и коэффициента мощности (у асинхронных электродвигателей) из-за его недогрузки.
Выбор электродвигателей производится также по роду тока и напряжению. Для нерегулируемых приводов или регулируемых в небольших пределах широко применяются электродвигатели переменного тока. Для получения повышенных регулировочных свойств, а также специальных пусковых и тормозных характеристик применяют электродвигатели постоянного тока.
2.2. Нагрев и охлаждение электродвигателей
Процесс преобразования энергии в электродвигателе сопровождается потерями, которые превращаются в тепло. Особенно чувствительна к повышению температуры изоляция обмоток машин. Срок службы изоляции в значительной мере определяет срок службы самой машины. Поэтому наибольшая допустимая температура электродвигателя определяется, главным образом, изоляционными материалами, применяемыми при изготовлении обмоток.
ГОСТ 21515-76 делит изоляционные материалы по степени нагревостойкости на семь классов. Наиболее распространенными из них для электродвигателей являются У, А, Е, В, где У – материалы из хлопчатобумажной пряжи и ткани, из бумаги и волокнистых веществ (целлюлозы и шелка), не пропитанные жидким диэлектриком; допустимая рабочая температура t°доп=90°, А – те же материалы, но пропитанные t°доп=105°; Е – некоторые синтетические органические пленки; В – материалы из слюды, асбеста и стекловолокна, содержащие органические связующие вещества. Наибольший срок службы для изоляции при указанных предельных температурах составляет примерно 15-20 лет. Мощность электродвигателя, указанная на щитке машины или в каталоге, согласно стандарту, относится к температуре окружающей среды +40°С.
















