metodichka_chast_2 (811780), страница 8
Текст из файла (страница 8)
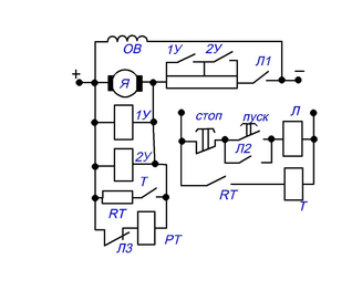
Рис.19. Схема автоматического пуска и торможения в функции скорости
Важной частью автоматического управления является торможение. Наиболее просто торможение осуществлять в динамическом режиме, которое осуществляется с помощью реле торможения РТ, присоединённого параллельно якорю, контактора торможения. Т и тормозного сопротивления Rт.
При остановке двигателя кнопкой «стоп» обесточивается контактор Л, который своим контактом Л1 отсоединит двигатель от сети. Его блок контакт Л3 в цепи реле РТ закрывается и присоединяет реле РТ к якорю электродвигателя. Так как в начальный момент торможения э.д.с. двигателя имеет максимальное значение, то реле РТ срабатывает и замыкает свой контакт в цепи контактора Т, которое своим контактом подключает параллельно якорю тормозное сопротивление RТ, в результате чего происходит динамическое торможение. При некоторой малой скорости ω реле РТ вследствие небольшой величины э.д.с. якоря отключится и динамическое торможение прекратится. Реле торможения имеет низкий коэффициент возврата поэтому его якорь отпадает при напряжении (0,1 ÷ 0,15)Uн
4.2.2. Управление пуском двигателя в функции времени
Этот принцип автоматизации заключается в том, что ступени пускового сопротивления шунтируются через определенные заранее установленные промежутки времени. В соответствии с пусковой диаграммой, рис.18 шунтирование первой степени сопротивления должно произойти через время t1, а второй через t2 – t1. При осуществлении принципа управления основными элементами схемы являются реле времени, в качестве которых используются электромагнитные, пневматические и механические реле. Схема автоматического пуска в функции времени рис.20 работает следующим образом. В исходном состоянии при наличии напряжения реле времени 1РВ находится под напряжением и размыкает свой контакт 1РВ в цепи контакторов 1У и 2У. Для пуска двигателя нажатием кнопки «пуск» включают линейный контактор Л, силовые контакты которого Л1замыкают цепь питания якоря двигателя, Л2 блокирует кнопку пуск, а Л3 отключает 1PB. Двигатель начинает разгон при полностью введенном в цепь якоря сопротивлении. В начальный момент пуска на сопротивлении происходит падение напряжения и присоединенное к его первой ступени реле времени 2РВ срабатывает и размыкает свой контакт в цепи контактора 2У, чем предотвращается его преждевременное включение.
Рис.20. Схема автоматического пуска в функции времени
При включении контактора его блок-контакторЛ3 разомкнет цепь реле 1РВ, которое потеряв питание с выдержкой времени, необходимой для пуска двигателя на первой ступени, замкнет свой контакт 1РВ в цепи контактора 1У, который, включившись, зашунтирует первую ступень сопротивления и двигатель начинает разгон на следующей искусственной характеристике. При этом закорачивается катушка реле 2РВ, оно обесточивается и с выдержкой времени своими контактами подает питание на контактор 2У. Контактор 2У включается и шунтирует вторую ступень пускового сопротивления. Двигатель включается на полное напряжение и начинает работать на естественной механической характеристике.
4.2.3. Управление пуском двигателя в функции тока
При реостатном пуске ток двигателя изменяется в определенных заданных пределах. Для реализации принципа управления по току используют токовые реле, которые могут включаться в цепь непосредственно или через трансформатор тока при пуске высоковольтных и мощных двигателей.
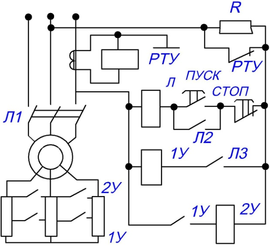
На рис.21 приведена схема автоматического пуска асинхронного двигателя с фазным роторомв функции тока. В схеме применено реле тока РТУ, включенное в фазу статора через трансформатор тока ТТ. В роторной цепи двигателя включено пусковое сопротивление с двумя ступенями, замыкаемыми контакторами ускорения 1У и 2У. Работа схемы основана на том, что напряжение срабатывания контактора много больше напряжения отпускания.
Рис. 21 Схема автоматического пуска двигателя в функции тока
При пуске двигателя линейный контактор подключает контактом Л1 обмотку статора к сети при полном сопротивлении в цепи ротора. При возникшем броске тока в статоре срабатывает реле РТУ и размыкает свой контакт в цепи контактора Л, но он не отключается, т.к. сопротивление R подобрано такой величины, что ток в катушке контактора достаточен для удержания его в рабочем состоянии. По обмотке контактора 1У тоже потечет ток, но он окажется недостаточным для его срабатывания.
При ускорении двигателя ток снижается и когда он достигает значения I2 реле РТУ отключится и своим контактом зашунтирует сопротивление R, напряжение на катушке контактора возрастет до номинального и контактор 1У включится. Его контакты зашунтируют первую ступень сопротивления, и начнется разгон двигателя по второй искусственной характеристике, одновременно блок контакт 1У замкнет цепь питания контактора 2У, но контактор не включится, так как при новом броске тока в статорной обмотке электродвигателя реле тока РТУ разомкнет свой контакт стоящий параллельно сопротивлению R, поскольку время его срабатывания меньше времени срабатывания контактора.
При разгоне двигателя на второй искусственной характеристике ток вновь уменьшится и при значении I2 реле РТУ отключится и своим контактом зашунтирует сопротивление R, в результате чего включится контактор 2У и полностью зашунтирует сопротивление в цепи ротора и двигатель выходит на естественную механическую характеристику.
4.3. Вопросы для самопроверки
-
На каких принципах возможно автоматическое управление электроприводами?
-
Разберитесь в принципе действия схемы автоматического пуска в функции скорости.
-
Какие реле времени используют в схемах автоматического управления электроприводами?
-
Для каких типов электродвигателей наиболее применимы схемы управления в функции тока?
Литература
Основная:
-
Л.И. Полтава. Основы электропривода. «Недра» М., 1970г.
-
М.И. Озерной. Горная электротехника «Госэнергоиздат», М., 1962
-
М.Г. Чиликин. Общий курс электропривода «Энергия», 1971г.
Дополнительная:
-
С.Н. Вешневский. Характеристики двигателей в электроприводе «Энергия» М., 1967
-
Г.П. Андреев, Ю.А. Сабанин. Основы электропривода «Госэнергоиздат» М., 1963
-
В.Ф. Бекетов. Методические разработки по основам электропривода для специальности 0204. ротапринт СГИ. г. Свердловск, 1976
Анатолий Петрович Маругин
ПРИВОД ГОРНЫХ МАШИН
Часть2
Методические указания и расчетные задания
для студентов специальности 150404 -
«Горные машины и оборудование» (ГМК)
направления 150400 – «Технологические машины и оборудование»
Корректура кафедры Электрификации горных предприятий
Подписано к печати
Бумага писчая. Формат бумаги 60х84 1/16. Печать на ризографе.
Печ.л. Уч.-изд.л. Тираж 100 экз. Заказ №
Издательство УГГУ
620144, г. Екатеринбург, Куйбышева,30
Уральский государственный горный университет
Лаборатория множительной техники
66
















