РПЗ Раздел 2 (777647)
Текст из файла
Раздел 2.Разработка технологического маршрута изготовления детали
2.1 Назначение детали «Вал шестерня» в узле, принцип ее работы
Коробка двигательных агрегатов (КДА) газотурбинного двигателя (ГТД) предназначена для передачи крутящего момента от центральной конической передачи (ЦКП) на агрегаты, обслуживающие системы двигателя и выносной коробки агрегатов (ВКА), а также передачи крутящего момента от ВКА на агрегаты двигателя и на вал ротора высокого давления (РВД) для его раскрутки при запуске двигателя.
Конструктивно КДА представляет собой коробку передач, состоящую из ряда цилиндрических и одной пары конических шестерен, размещенных в литом корпусе. КДА крепится в верхней части двигателя к промежуточному корпусу компрессора с помощью двух кронштейнов.
В качестве объекта рассматривается шестерня, которая предназначена для передачи крутящего момента в КДА от вертикальной рессоры, вращающейся от вала КНД.
Данная шестерня находится в масляной ванне с рабочей температурой 160...180 ºС.
В процессе работы двигателя, данная шестерня испытывает большие нагрузки, вибрации и скорость вращения до n=2670 мин-1.
Исходя из условий эксплуатации, материалом для данной детали наиболее подходит сталь 16Х3НВФМБ-Ш (ДИ39), относящаяся к теплостойким легированным сталям.
Анализ технических требований и выявление технологических задач, возникающих при изготовлении детали
Данная деталь – тело вращения с соотношением L/D>2, из чего следует, что данная деталь может быть отнесена к классу валов. Наружная поверхность – цилиндрическая со ступенями и уступами, имеется зубчатая поверхность и шпоночный паз.
Минимальный квалитет обработки IT5, максимальный IT12 – 6 отверстий d=11мм. Самые точные поверхности выполнены с шероховатостью Ra 0,2 мкм – наружная цилиндрическая поверхность со стороны шлицев.
К основным технологическим задачам относится обеспечение допусков:
- биения от 0,01 до 0,03;
- симметричности;
- пересечения.
Материал детали - сталь 16Х3НВФМБ-Ш хорошо деформируется в горячем состоянии. Температурный интервал деформации 900...1160С.
Материал имеет высокую температуру отпуска Т=450…470оС, что позволяет сохранять прочностные свойства при высоких температурах. Сплав обладает коррозионной стойкостью, он устойчив в щелочных, кислотных и масляных средах.
Разработка схем контроля заданных требований
На чертеже задано торцевое биение не более 0,01 мм для плоского торца, расположенного на левом выступе для посадки на него шестерни относительно базы Б (Рисунок 1). При контроле данного требования используется индикатор часового типа ИЧ-1 с ценой деления 0,001 мм.
Рисунок 1.1
На наружной цилиндрической поверхности задано биение не более 0,05 мм относительно базы Б (Рисунок 1.2). При контроле данного требования используется индикатор часового типа ИЧ-1 с ценой деления 0,001 мм.
Рисунок 1.2
Также есть допуск на биение другой наружной цилиндрической поверхности не более 0,02 мм относительно базы Б (Рисунок 1.3). При контроле данного требования используется индикатор часового типа ИЧ-1 с ценой деления 0,001 мм.
Рисунок 1.3
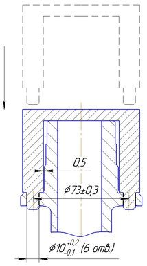
Кроме того, задан позиционный допуск на 6 отверстий, равный 0,15 мм относительно базы Б (Рисунок 1.4). Контролируется данный допуск путем соединения эталонного приспособления из ровно расположенных 6 пальцев и отверстий детали. Зазор между деталью и приспособлением равен 0,5 мм. Позиционный допуск соблюдается в случае соединения пальцев с отверстия ми детали.
Рисунок 1.4.
2.2 Анализ технологичности конструкции детали
Качественные показатели
Качественная оценка технологичности детали показала достоинства и недостатки технологичности данной детали.
Достоинства заключаются в следующем:
-
наличие удобных базирующих поверхностей;
-
размеры вала допускают обработку необходимой точности, так как вал достаточно жёсткий;
-
есть возможность применения высокопроизводительных методов обработки;
-
все поверхности доступны для обработки;
-
рациональность простановки размеров;
-
назначение оптимальной точности размеров, формы и взаимного расположения поверхностей, параметров шероховатости и технологических требований;
Недостатки (конструктивно обоснованы, и не оказывают влияния на технологичность):
-
ступенчатая форма сквозного отверстия d=30мм;
-
использование специальных инструментов.
Количественные показатели
Анализ технологичности детали проводится по основным и вспомогательным коэффициентам. Из-за отсутствия данных расчет произведем по вспомогательным коэффициентам.
Коэффициент использования материала Ким:
где
– масса детали 2,88 кг (исходя из анализа чертежа);
– масса заготовки 10,3 кг (рассчитана на основе данных плотности и геометрических размеров заготовки).
Деталь считается не технологичной, так как
Коэффициент шероховатости поверхностей
Количество поверхностей с соответствующей шероховатостью приведено в Таблице 1.1.
| Таблица 1.1 | ||
| № п/п | Значения, Ra | Количество поверхностей |
| 1 | 6,3 | 9 |
| 2 | 3,2 | 45 |
| 3 | 1,6 | 8 |
| 4 | 0,8 | 1 |
| 5 | 0,4 | 47 |
| 6 | 0,2 | 1 |
где
- средняя шероховатость поверхности, определяемая в значениях параметра Ra, мкм.
где Б – количество поверхностей соответствующего квалитета,
n – количество поверхностей.
Коэффициент точности обработки
где Аср. – средний квалитет точности;
А – квалитет обработки;
n – число размеров соответствующего квалитета.
Данная деталь в целом технологична для мелкосерийного производства. Качественный и количественный анализ детали выявили ряд достоинств и недостатков. Все недостатки конструктивно обоснованы и не приводят к снижению технологичности.
2.3 Анализ материала детали
Деталь вал-шестерня КДА изготавливается из жаропрочного сплава 16Х3НВФМБ-Ш, который относится к группе легированных сталей. Материал имеет высокую температуру отпуска Т = 450…470 оС, что позволяет сохранять прочностные свойства при высоких температурах.
Сталь относится к мартенситному классу. Хромоникелевые стали обладают высокой пластичностью и вязкостью, хорошей прокаливаемостью, которая позволяет изготавливать нагруженные детали достаточно больших сечений до 100…160 мм. А введение вольфрама и молибдена устраняют отпускную хрупкость.
Одним из главных критериев для использования сплава 16Х3НВФМБ-Ш в авиационной промышленности является его:
- σв = 900 МПа – предел прочности;
- σ0,2= 800 МПа – предел текучести;
- δ = 12 % – относительное удлинение.
Помимо этого сплав обладает коррозионной стойкостью. Он устойчив в щелочных, кислотных и масляных средах.
Первые цифры марки стали 16Х3НВФМБ-Ш обозначают среднее содержание углерода в стали (в сотых долях процента). Затем буквой указан легирующий элемент. Цифрами, следующими за буквой, его среднее содержание в целых единицах. При содержании легирующего элемента менее 1,5% цифры за соответствующей буквой не ставятся. Буква «Ш» в конце обозначения марки указывает на то, что сталь является особовысококачественной (электрошлакового переплава). Химический состав стали 16Х3НВФМБ-Ш представлен в таблице 1.2, а механические свойства в таблице 1.3.
Таблица 2.1
| С | Si | Mn | Cr | Ni | W | V | Mo | Fe | S | P |
| не более | ||||||||||
| 0,14-0,19 | 0,6-0,9 | 0,4-0,7 | 2,6-3,0 | 1,0-1,5 | 1,0-1,4 | 0,35- 0,55 | 0,4- 0,6 | Основание | 0,02 | 0,03 |
Таблица 2.2
| σв, Н/мм2 | σт, Н/мм2 | δ, % | ψ, % | KCU, Дж/см2 | НВ (dотп), мм |
| 1270 | 1130 | 10 | 50 | 64,0 | 3,0-3,2 |
Плотность материала составляет 7860 кг/м3.
2.4 Выбор и обоснование метода изготовления заготовки
При выборе заготовки для данной детали, назначаем метод ее получения, определяем конфигурацию, формируем технические условия на изготовление. Общие требования к заготовкам: они должны подвергаться механической обработке по возможности только по сопрягаемым поверхностям и иметь простую геометрическую форму с плавными переходами между сечениями.
Основные методы получения заготовок:
- литье;
Характеристики
Тип файла документ
Документы такого типа открываются такими программами, как Microsoft Office Word на компьютерах Windows, Apple Pages на компьютерах Mac, Open Office - бесплатная альтернатива на различных платформах, в том числе Linux. Наиболее простым и современным решением будут Google документы, так как открываются онлайн без скачивания прямо в браузере на любой платформе. Существуют российские качественные аналоги, например от Яндекса.
Будьте внимательны на мобильных устройствах, так как там используются упрощённый функционал даже в официальном приложении от Microsoft, поэтому для просмотра скачивайте PDF-версию. А если нужно редактировать файл, то используйте оригинальный файл.
Файлы такого типа обычно разбиты на страницы, а текст может быть форматированным (жирный, курсив, выбор шрифта, таблицы и т.п.), а также в него можно добавлять изображения. Формат идеально подходит для рефератов, докладов и РПЗ курсовых проектов, которые необходимо распечатать. Кстати перед печатью также сохраняйте файл в PDF, так как принтер может начудить со шрифтами.
















