РПЗ Раздел 2 (777647), страница 2
Текст из файла (страница 2)
- пластическая деформация;
- порошковая металлургия;
- сварка.
Детали, получаемые литьем, обладают не достаточной прочностью и возможными внутренними дефектами. При сварке образуются дополнительные внутренние напряжения, дефекты сварного шва, а порошковая металлургия применяется в основном в условиях массового производства. Так как данная деталь в процессе работы испытывает непрерывные нагрузки, то считается целесообразным получение заготовки методом пластической деформации. На рисунках 2.1.-2.4. представлены 4 варианта получения поковки.
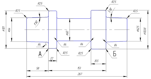
Рисунок 2.1. Поковка круглого сечения, получаемая на гидравлических прессах
Рисунок 2.2. Поковка типа стержня с двумя утолщениями, получаемая на ГКМ
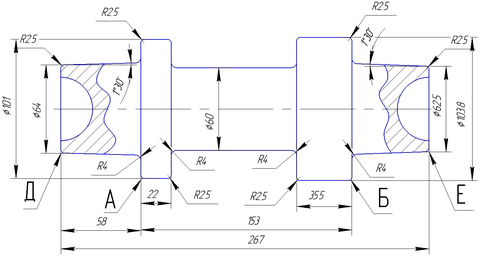
Рисунок 2.3. Поковка типа стержня с двумя утолщениями, получаемая на ГКМ
Рисунок 2.4. Поковка круглого сечения с конусами, получаемая на ГКМ
Исходя из данных по плотности материала и линейным размерам можно рассчитать приблизительную массу заготовки и произвести анализ по коэффициенту использования материала (Таблица 2.3.).
Таблица 2.3.
Данную заготовку целесообразно получить на горизонтально ковочных машинах (Рисунок 2.2.) с точностью 8…11 квалитета. Объемная горячая штамповка данной детали выполним в 1 переход, где параметр шероховатости поверхностей составит Ra=12.5…6.3мкм. Чертеж заготовки выполняется с учетом припусков на последующую механическую обработку (3-5мм).
Изготовление заготовки методом объемной горячей штамповки позволяет:
-
Улучшить структуру стали.
-
В 1,5 раза увеличить прочностные характеристики.
-
Снизить расход инструментальных материалов.
-
Повысить коэффициент использования материала.
2.5Выбор технологических баз
Анализ типовых технологических процессов показал, что при обработке валов в качестве базовых поверхностей могут быть использованы внутренняя и наружная цилиндрические поверхности и торцы.
Использование данного сочетания базовых поверхностей обеспечивает возможность выполнения одного из основных принципов – последовательность смены баз, который заключается в том, что последующая база должна быть точнее предыдущей. Кроме того, при обработке ответственных поверхностей применяется принцип постоянства баз.
На рисунках 2.5.-2.8. приведены возможные схемы установки, которые могут быть применены для обработки данной детали.
Рисунок 2.5. Установка заготовки в трехкулачковый патрон – черновая база
(схема применяется в токарных операциях наружной обработки)
Рисунок 2.6. Установка заготовки в центры с поводком – чистовая база
(схема применяется при шлифовании наружных поверхностей, обработке зубчатой поверхности)
Рисунок 2.7. Установка заготовки в цанговую оправку с люнетом – чистовая база
(схема применима при сверлении отверстия d=30)
Рисунок 2.8. Установка в цанговый патрон с поджатым центром – чистовая база
(схема применяется при чистовой обработке наружных цилиндрических поверхностей)
Все схемы базирования позволяют обеспечить все технические требования, все выбранные базы лишают деталь необходимых степеней свободы и использованы по назначению.
2
.6 Разработка маршрута обработки основных поверхностей детали
Рисунок 2.9
-
Поверхность зубчатого зацепления
-
Наружная цилиндрическая поверхность d=42-0.001мм
-
Внутренняя цилиндрическая поверхность d=30мм
В нижеприведенной таблице 3 для поверхностей, изображенных на рисунке 2.999, показан маршрут их обработки, достигаемый параметр точности и шероховатости, а также номер схемы установки, которая может быть использована при их обработке.
Таблица 2.3
| № Пов-ти | Маршрут обработки | Достигаемые параметры | Номер схемы | |
| Точность | Шероховатость | |||
| 1 | Черновое точение Чистовое точение Шлифование предварительное Цементация и закалка 61...65 HRC Окончательное шлифование | IT 12 IT10 IT9 IT9 | Ra 6.3 Ra 3.2 Ra 2.5 Ra 0.8 | 1 1 2 2 |
| 2 | Черновое точение Чистовое точение Шлифование предварительное Цементация и закалка 61...65HRC Окончательное шлифование | IT 12 IT11 IT8 IT6 | Ra 6.3 Ra 3.2 Ra 2.5 Ra 0.2 | 1 1 2 2 |
2.7 Разработка маршрутного технологического процесса изготовления детали. Выбор средств технологического оснащения. Выбор модели оборудования для механической обработки заготовки. Расчет припусков на обработку
Расчет припусков на обработку Ø42h6
Рассчитаем межоперационные припуски, исполнительные размеры и предельные отклонения на них по технологическим переходам при обработке наружного диаметра Ø42-0,016 с шероховатостью поверхности Ra=0,4 мкм.
Заготовка изготовлена методом горячей объемной штамповки на ГКМ в один переход.
Материал детали - сталь 16Х3НВФМБ-Ш.
Масса заготовки - 10,3 кг (NI=7).
Класс точности - Т4 (KT=4).
Группа стали - М3 (MS=3).
Степень сложности - С3 (ST=3)
Конфигурация поверхности разъема штампа - П (плоская).
Исходный индекс:
ИН=NI+(MS-1)+(ST-1)+2(KT-1)
ИН =7+(3-1)+(3-1)+2(4-1)=17
| Элементарная поверхность детали и технологический маршрут ее обработки | Элементы припуска, мкм | Расчетный припуск, мкм | Расчетный минимальный размер, мм | Допуск на изготовление Td, мкм | Принятые (округленные) размеры по переходам, мм | Полученные предельные припуски, мкм | Технологич. (операцион.) параметры | ||||||
| Rzi-1 | hi-1 | Δi-1 | i | 2·zmin | dmax | dmin | 2·zmax | 2·zmin | Размер мм | ||||
| Штамповка | - | - | - | - | - | 46,044 | 1300 | 47,6 | 46,7 | - | - | ||
| Точение: | |||||||||||||
| Черновое | 200 | 250 | 1200 | 200 | 3700 | 42,344 | 250 | 45 | 42,75 | 5250 | 3700 | 43 -0,25 | |
| Чистовое | 50 | 50 | - | - | 200 | 42,144 | 160 | 42,51 | 42,35 | 650 | 240 | 42,51-0,16 | |
| Шлифование | |||||||||||||
| Предварительное | 25 | 25 | - | - | 100 | 42,044 | 39 | 42,139 | 42,1 | 410 | 211 | 42,139-0,39 | |
| Окончательное | 10 | 20 | - | - | 60 | 41,984 | 16 | 42 | 41,984 | 155 | 100 | 42-0,016 | |
Таблица 2.
Выбор средств технологического оснащения. Выбор модели оборудования для механической обработки заготовки.
Средства технологического оснащения (СТО) – совокупность орудий производства, необходимых для осуществления технологического процесса.
SPT 16 CNC предназначен для обработки сталей, чугунов и цветных металлов в условиях мелкосерийного серийного типов производства отдельных заготовок типа фланец или из прутка диаметром в соответствии параметров станка. Так же возможна обработка наружных и внутренних цилиндрических, конических и сферических поверхностей, сверление и растачивание отверстий, нарезание резьбы. Токарный станок типа SPT 16 CNC сконструирован на вертикальной станине с одной крестовой опорой, которая несет электрически управляемую револьверную головку (2 головки) с резцедержателями VDI 40. В основной модификации токарный станок оснащен одной инструментальной головкой на 8 позиций, установленной на упорной задней бабке. Токарный станок можно оборудовать двумя инструментальными головками (6 и 8 позиций). Станок управляется системой ЧПУ SIEMENS 840D-SL, приводы SIEMENS Sinamics 120, а револьверные головки токарного станка BARUFFALDI
Gleason-Pfauter P600G зубофрезерный / профилешлифовальный станок, предназначенный для шлифования прямозубых и косозубых зубчатых передач внешнего и внутреннего зацепления на цилиндрических заготовках, а также всех других профилей и форм, шлифование которых возможно с применением метода единичной индексации
Studer S20 разработан для шлифования деталей в единичном и мелкосерийном производстве. Он подходит для применения в любой отрасли, в которой изготавливаются точные мелкие детали. Управление очень простое, и переналадка станка возможна в течение короткого времени.
-
Высота центров 100 мм, расстояния между центрами 400 или 650 мм;
-
Поперечный суппорт с бабкой для наружного шлифования со шлифовальным кругом справа и установочной площадкой для устройства внутреннего шлифования;
-
Шлифовальная бабка может поворачиваться вручную на 15° и 30°;
-
Автоматические циклы для врезного и продольного шлифования;
-
Стол станка с диапазоном поворота 30° или 15°.
Зубодолбежный станок Lorenz SN4
Система управления станка построена на базе программируемого контролера SIEMENS S7-300 с двигателями подач серии 1FT7/1FK7 и блоками управления SYNAMICS S120. Система ЧПУ позволяет применить на станке метод нарезания со спиральным движением радиальной подачи, что позволяет повысить производительность обработки или увеличить стойкость режущего инструмента.
Наладка станка на новую деталь осуществляется на программном уровне непосредственно с панели оператора. Данные вводятся через диалоговое окно панели оператора и хранятся в памяти системы управления (до 500 наладок).
-
Стабильность получения точности нарезаемых зубчатых колес за счет сокращения кинематической цепи;
-
Возможность хранения в памяти устройства ЧПУ до 500 различных наладок;
-
Быстрая смена наладок и подналадок отсутствие гитар настроек;
-
Возможность осуществления сложных комбинированных циклов обработки.
Разработка маршрутного технологического процесса изготовления детали.
















