РПЗ Раздел 2 (777647), страница 3
Текст из файла (страница 3)
005 Заготовительная
Оборудование ГКМ
010 Термообработка
Оборудование Термическая печь ПКМ 4.8.4/M
015 Токарная с ЧПУ
Оборудование Токарный станок с ЧПУ SPT16
Установ А
015 Токарная с ЧПУ
Оборудование Токарный станок с ЧПУ SPT16
Установ Б
020 Сверлильная
Оборудование Сверлильный станок IMSA MFT 1000 CR
Позиция 1
020 Сверлильная
Оборудование Сверлильный станок IMSA MFT 1000 CR
Позиция 2
020 Сверлильная
Оборудование Сверлильный станок IMSA MFT 1000 CR
Позиция 3
025 Токарная с ЧПУ
Оборудование Токарный станок с ЧПУ SPT16
Установ А
025 Токарная с ЧПУ
Оборудование Токарный станок с ЧПУ SPT16
Установ Б
030 Зубофрезерная
Оборудование Зубофрезерный станок Gleason Pfauter P600
035 Зубошевинговальная
Оборудование Зубошевинговальный станок ВСН-932CNC2
040 Слесарная
045 Контроль операционный
Оборудование Штангенциркуль, глубиномер
050 Газовая цементация
Оборудование Камера для цементации
055 Зубошлифовальная
Оборудование Зубошлифовальный станок Gleason Pfauter P600
060 Токарная с ЧПУ
Оборудование Токарный станок с ЧПУ SPT16
Установ А
060 Токарная с ЧПУ
Оборудование Токарный станок с ЧПУ SPT16
Установ Б
065 Вертикально фрезерная
Оборудование Вертикально-фрезерный станок 6Р13Ф3
070 Моечная
Оборудование моечная машина
075 Слесарная
080 Контроль операционный
085 Термообработка
Оборудование термического цеха
090 Контроль операционный
095 Слесарная
100 Токарная с ЧПУ
Оборудование Токарный станок с ЧПУ SPT16
Установ А
100 Токарная с ЧПУ
Оборудование Токарный станок с ЧПУ SPT16
Установ Б
105 Круглошлифовальная
Оборудование Круглошлифовальный станок Studer S20
Установ А
105 Круглошлифовальная
Оборудование Круглошлифовальный станок Studer S20
Установ Б
110 Моечная
Оборудование Моечная машина
115 Зубодолбежная
Оборудование Зубодолбежный станок Lorenz SN-4
120 Слесарная
125 Моечная
Оборудование Моечная машина
130 Контроль операционный
135 Меднение электрохимическое
140 Травление химическое
145 Химическое оксидное фосфатирование
150 Контрольная
155 Вертикально-сверлильная
Оборудование Вертикально-сверлильный станок 2Р135Ф3
160 Слесарная
165 Моечная
Оборудование Моечная машина
170 Контроль магнитный
175 Антикоррозионная обработка
180 Контрольная
2.8. Разработка операционных эскизов ТП для одной механической операции.
В качестве проектных операций выберем:
015 Токарная с ЧПУ;
055 Зубошлифовальная;
125 Зубодолбежная.
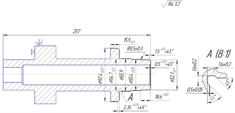
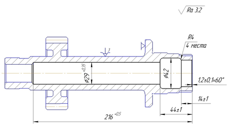
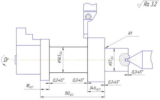
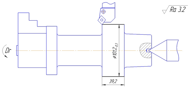
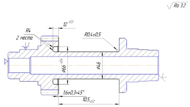
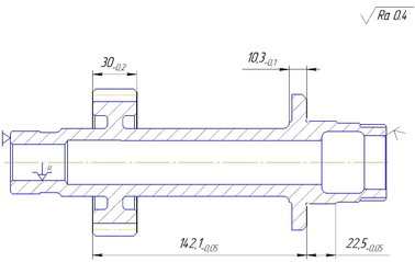
015 Токарная с ЧПУ. На данной операции выполняется черновая обработка основных поверхностей детали, а также формируются базы для дальнейшей обработки детали. Структура операции включает в себя 3 перехода, выполняемых за 2 установа.
Согласно структуре операции на Рисунках 2.10 - 2.12 приведены схемы установки заготовки на токарном станке с ЧПУ.
Переход 1
Рисунок 2.10
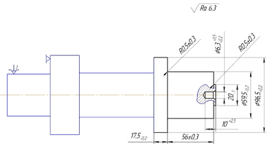
Переход 2
Переход 3 Рисунок 2.11
Рисунок 2.12
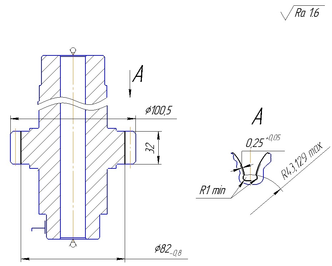
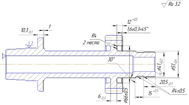
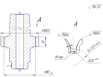
055 Зубошлифовальная. На данной операции выполняется окончательная обработка профиля зуба (Рисунок 2.13).
Рисунок 2.13
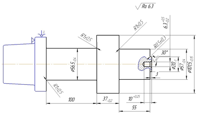
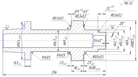
125 Зубодолбежная. На данной операции выполняется обработка внутренней шлицевой поверхности (Рисунок 2.14).
Рисунок 2.14
2.9. Расчёт (выбор) режимов резания для каждого перехода.
Операция 015 «Токарная с ЧПУ»
Наименование оборудования и его характеристики:
- токарный полуавтомат с ЧПУ SPT16NC;
- мощность двигателя-11 кВт;
- диапазон частот вращения шпинделя-0-4000 мин-1;
- диапазон подач-0,01-40 об/мин.
Материал режущей части резцов- твердый сплав Т15К6.
Марка обрабатываемого материала: сталь 16Х3НВФМБ-Ш (σв=1270 МПа).
Переход 1
Точить поверхность, выдерживая размеры Ø101,2 -0,3
1) Определение длины рабочего хода Lр.х..
Lр.х.= Lр+ Lп+ Lвр+ Lпер,
где Lр - длина резания;
Lп - длина подвода инструмента;
Lвр - длина врезания инструмента;
Lпер - длина перебега инструмента.
Lр=39,2 мм; Lп=2 мм.
Lр.х.=39,2+2=41,2 мм.
2) Назначение подачи Sо.
Для чернового точения стали резцом со сменной многогранной твердосплавной пластиной с износостойким покрытием пода на оборот Sо=0,4 мм/об.
3) Определение стойкости.
Тр= Тм*λ,
где Тм-нормированная стойкость инструментов в минутах основного времени обработки;
λ-коэффициент времени резания.
Тм=30 мин; λ=1.
4) Определение скорости резания v частоты вращения шпинделя n.
Скорость резания определим по формуле:
Для наружного продольного точения стали с σв=1270 МПа резцом с пластиной из твердого сплава Т15К6 при Sо=0,4 мм/об коэффициент Cv=350, а показатели степеней m, x, y равны соответственно 0,2, 0,15 и 0,35.
Учитываем поправочный коэффициент Кv, который является произведением коэффициентов, учитывающих влияние материала заготовки Кмv, состояния поверхности Кпv, материала инструмента Киv, изменения главного угла в плане Кφv и вида токарной обработки Коv.
Коэффициент, учитывающий влияние материала определяется по формуле:
При точении хромоникелевольфрамовой стали твердосплавным резцом коэффициент Кг=0,85, а показатель степени n=1,0.
Тогда:
Коэффициент Кмv=0,5; коэффициент Кпv=1,0; коэффициент Киv=0,4 (при точении конструкционной стали резцом с пластиной из твердого сплава ВК8); коэффициент Кφv=0,7 (для резца с главным углом в плане φ=90º); коэффициент Коv=1,0 (при продольном точении).
Подставляя числовые значения в формулу для определения скорости резания, получим:
Частота вращения шпинделя:
5) Основное время обработки То.
6) Сила резания Рz и мощности резания Nр.
Сила резания определяется по формуле:
Рz=Рz табл*t,
где Рz табл-главная составляющая силы резания по таблице;
t-глубина резания.
При точении конструкционной стали твердостью 269..341 НВ с подачей на оборот So=0,4 мм/об главная составляющая силы резания
Pz табл=1,05*103 Н.
Тогда
Рz=1050*103*1,5=1575*103 Н.
Мощность резания:
Переход 2
подрезать торец, выдерживая размер 261-0,2.
1) Определение длины рабочего хода Lр.х..
Lр.х.= Lр+ Lп+ Lвр+ Lпер,
где Lр-длина резания;
Lп-длина подвода инструмента;
Lвр-длина врезания инструмента;
Lпер-длина перебега инструмента.
Lр=18,5 мм; Lп+Lпер=4 мм.
Lр.х.= 18,5+4=22,5 мм.
2) Назначение подачи Sо.
Для чернового точения стали резцом со сменной многогранной твердосплавной пластиной с износостойким покрытием пода на оборот Sо=0,4 мм/об.
3) Определение стойкости.
Тр= Тм*λ,
где Тм-нормированная стойкость инструментов в минутах основного времени обработки;
λ-коэффициент времени резания.
Тм=30 мин; λ=1.
Тр= 30*1=30 мин.
4) Определение скорости резания v частоты вращения шпинделя n.
Скорость резания определим по формуле:
Для наружного продольного точения стали с σв=1270 МПа резцом с пластиной из твердого сплава Т15К6 при Sо=0,4 мм/об коэффициент Cv=350, а показатели степеней m, x, y равны соответственно 0,2, 0,15 и 0,35.
Учитываем поправочный коэффициент Кv, который является произведением коэффициентов, учитывающих влияние материала заготовки Кмv, состояния поверхности Кпv, материала инструмента Киv, изменения главного угла в плане Кφv и вида токарной обработки Коv.
Коэффициент, учитывающий влияние влияние материала определяется по формуле:
При точении хромоникелевольфрамовой стали твердосплавным резцом коэффициент Кг=0,85, а показатель степени n=1,0.
Тогда:
Коэффициент Кпv=1,0 (поверхность без корки); коэффициент Киv=0,4 (при точении конструкционной стали резцом с пластиной из твердого сплава ВК8); коэффициент Кφv=0,7 (для резца с главным углом в плане φ=90º); коэффициент Коv=1,24 (при поперечном точении и соотношении d/D=0).
Подставляя числовые значения в формулу для определения скорости резания, получим:
Частота вращения шпинделя:
5) Основное время обработки То.
6) Сила резания Рz и мощности резания Nр.
Сила резания определяется по формуле:
Рz=Рz табл*t,
где Рz табл-главная составляющая силы резания по таблице;
t-глубина резания.
При точении конструкционной стали твердостью 269..341 НВ с подачей на оборот So=0,4 мм/об главная составляющая силы резания
Pz табл=1,05*103 Н.
Тогда:
Рz=1050*103*1,5=1575*103 Н.
Мощность резания:
Переход 3
-точить торец 150 -0,2 и поверхность Ø57 -0,4
-точить поверхность Ø56,5 -0,4
-точить торец 150 -0,2 и поверхность Ø57-0,4
-точить торец 34,6 -0,21 и поверхность Ø56,5 -0,4
-точить торец 18 -0,2 и поверхность Ø56,5 -0,4
1) Определение длины рабочего хода Lр.х..
Lр.х.= Lр+ Lп+ Lвр+ Lпер,
где Lр-длина резания;
Lп-длина подвода инструмента;
Lвр-длина врезания инструмента;
Lпер-длина перебега инструмента.
Lр=203 мм; Lп=2+2+2=6 мм.; Lпер=2
















