62158 (611431), страница 7
Текст из файла (страница 7)
Слово состояния программы хранится в регистре состояния программы и изменяется либо в процессе выполнения команд программы, либо при возврате на основную программу (только старшая тетрада PSW). Флажки пользователя (Fl, RBF, CNTF, INTF) не поместившиеся в регистре PSW, фиксируются триггерами регистра дополнительных флажков. Восьмиразрядный таймер-счетчик считает поступающие из вне через Т1 сигналы и генерирует временные задержки без отвлечения АЛУ от выполнения основной программы. Переключение режимов таймера осуществляется программно. Содержимое счетчика считывается или загружается с помощью аккумулятора. При инкрементном переполнении счетчика (FF -> 00) устанавливается флаг переполнения TF и счет продолжается. Переполнение, если есть на то разрешение, вызывает прерывание программы, которое обслуживается подпрограммой прерывания по адресу 07H. В режиме генерации временных задержек счетчик запитывается от делителя основной тактовой частоты Fbq на 480. При Fbq = 6 МГц квант задержки составляет 80 мкс. Задержки более 80x256=20480 мкс формируются программными средствами. Одноуровневая схема прерываний обеспечивает приоритет прерывания (внешнее прерывание INT — старший, флаг таймера TF — младший) и программное маскирование прерываний. МикроЭВМ КР1816 работает аналогично МП580. Инициализация работы КР1816 происходит при подаче импульса SR длительностью порядка 50 мкс. При этом осуществляются следующие действия:
-
программный счетчик сбрасывается в О (PC = 0);
-
указатель стека сбрасывается в О (SP = 0);
-
выбирается нулевой банк регистров (RBF = 0);
-
выбирается нулевой банк программной памяти (MBF = 0);
-
блокируется внешнее прерывание (INTF=0);
-
порты Р1 и Р2 устанавливаются в режим приема;
-
останавливается таймер/счетчик;
-
сбрасываются флаги F0 и F1.
Выполнение программы начинается с команды нулевого адреса. Каждая команда занимает от одного до двух байт программной памяти и выполняется внутри цикла команды. Этот цикл делится на машинные циклы (цикл обращения к памяти/цикл генерации ALE), длительность которых составляет 15 периодов сигнала синхронизации Tbq. Это соотношение помогает подсчитывать время выполнения программы и формировать калиброванные временные задержки.
Программа выполняется до тех пор, пока не будут сформированы коды всех управляющих сигналов. После этого микроЭВМ переходит в режим ожидания, выход из которого происходит только в случае либо повторной инициализации программы, либо действия одного из внешних или внутренних сигналов прерывания. При входе в программу по вектору внешнего прерывания управление передается команде по адресу ООЗН, а по вектору прерывания по таймеру — команде по адресу 007Н.
5. Цифровые измерительные приборы (ЦИП). Структурная схема. Основные характеристики.
Цифровым измерительным прибором (ЦИП) называется средство измерения, автоматически вырабатывающее дискретные сигналы измерительной информации, показания которого представлены в цифровой форме.
По виду измеряемых величин цифровые измерительные приборы подразделяются на:
- вольтметры и амперметры постоянного и переменного тока (напряжения);
-
омметры и мосты постоянного и переменного тока;
-
комбинированные приборы;
-
измерители частоты, интервалов времени и фазового сдвига;
-
специализированные ЦИП, предназначенные для определения времени срабатывания различных элементов и т.д.
Диапазон измеряемых посредством ЦИП величин обычно весьма широкий и разбивается на ряд поддиапазонов. Выбор нужного поддиапазона в процессе измерения производится вручную или автоматически. Измерение на выбранном поддиапазоне всегда осуществляется автоматически.
Основными классификационными признаками ЦИП принято считать вид измеряемой величины и способ преобразования, определяющие такие важные характеристики, как точность и быстродействие. По виду входных физических величин ЦИП объединяют в следующие основные группы приборов для измерения:
-
постоянного и переменного тока (напряжения);
-
параметров R, L и С электрических цепей;
- временньгх параметров (частоты, периода, временного интервала, фазы).
Разновидностями ЦИП, входящих в упомянутые группы, являются средства измерений с микропроцессорами, виртуальные приборы на основе компьютеров и цифровые осциллографы.
Наиболее важными техническими характеристиками ЦИП, определяющими возможность их использования для конкретной измерительной задачи, являются: пределы измерения, цена деления, входное сопротивление, быстродействие, точность, помехоустойчивость и надежность. Цену деления шкалы ЦИП можно определить по формуле.
z = xmax/10m (22)
где Xmax — максимальное значение предела измерения; т — число разрядов десятичного цифрового отсчета.
Для каждого предела измерения цена деления постоянна и определяет максимально возможную разрешающую способность для данного типа ЦИП.
Разрешающая способность ЦИП — это изменение цифрового отсчета на единицу первого (младшего) разряда. Иногда под разрешающей способностью понимают значение цены деления младшего (для многопредельных приборов) предела ЦИП.
Быстродействие определяется максимальным интервалом времени необходимым для выполнения одного полного цикла измерения (для, ЦИП это время измерения и время индикации) или преобразования (для, АЦП) входной величины. Для ЦИП с равномерной временной дискретизацией этот интервал измерения определяется шагом дискретизации ∆t, а, быстродействие — количеством измерений (преобразований) в 1 с, т.е, значением 1/(∆t).
Помехоустойчивость ЦИП - способность сохранять необходимую точность измерения при наличии различных возмущающих воздействий (помех). Устранить влияние помех, появляющихся вместе с сигналом на входных зажимах ЦИП, полностью нельзя. Поэтому помехоустойчивость численно характеризуется степенью подавления помех на входе ЦИП. Оценку помехоустойчивости ЦИП обычно вычисляют по отношению к аддитивным, т.е. суммирующимся с полезным сигналом помехам..
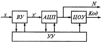
Итак, ЦИП наиболее полно удовлетворяют основным требованиям предъявляемым в настоящее время к измерительной аппаратуре, — высокая точность и быстродействие, автоматизация процессов измерения и обработки информации. Обобщенная структурная схема ЦИП показана на рис.25
Р
ис.25. Обобщенная структурная схема ЦИП
В цифровом приборе измеряемая величина х подается на входное устройство (ВУ), предназначенное для выделения ее из помех и масштабного преобразования. Аналого- цифровой преобразователь (АЦП) преобразует величину х' в код N, который подается на цифровое отсчетное устройство (ЦОУ), где индицируется в виде ряда цифр. Цифровые коды могут выводиться и во внешние устройства, например в компьютер для дальнейшей обработки или хранения. Управляет работой ЦИП устройство управления: (УУ) путем выработки и подачи определенной последовательности командных сигналов во все функциональные узлы прибора.
По способу преобразования входного сигнала ЦИП условно делятся на приборы прямого и уравновешивающего преобразования. В ЦИП прямого преобразования отсутствует цепь общей отрицательной обратной связи (т.е. связь выхода с входом). Они облагают повышенным быстродействием, но прецизионные измерения возможны только лишь при высокой точности всех измерительных преобразователей, поэтому применяются редко. ЦИП уравновешивающего преобразования охвачен цепью общей обратной связи. Цепь отрицательной обратной связи представляет собой по существу цифроаналоговый преобразователь (ЦАП) выходного дискретного сигнала в компенсирующую величину хк одной физической природы с измеряемой величиной x(t).
Погрешность ЦИП уравновешивающего преобразования, охваченных отрицательной обратной связью, практически не зависит от погрешностей преобразователей цепи прямого преобразования, а определяется в основном параметрами ЦАП. Поэтому в схемах ЦАП обязательно применяются элементы достаточно высокой точности и стабильности.
По характеру изменения во времени компенсирующей величины хк ЦИП делят на приборы развертывающего и следящего уравновешивания. Примером ЦИП первого типа являются приборы, в которых значение компенсирующей величины хк в каждом цикле измерения возрастает от нуля ступенями, равными шагу квантования А (рис. 26, а).
При идентичности величин хк = х процесс уравновешивания прекращается и фиксируется результат измерения, равный числу ступеней квантования компенсирующей величины. Отсчет показаний обычно производится в конце цикла изменения величины хк. При этом возникает динамическая погрешность ∆д, обусловленная изменением измеряемой величины x(t) за интервал времени между моментами уравновешивания и отсчета.
Р
ис.26. Временные диаграммы к схемам ЦИП уравновешивающего типа: а)- развертывающего; б)- следящего
В приборах следящего уравновешивания (рис.26, 6) уровень компенсирующей величины не возвращается к нулю после достижения равенства с измеряемой величиной, а остается постоянным. При изменении х величина хк соответственно отрабатывает (отслеживает) это изменение так, чтобы разность х - хк не превышала значения шага квантования. Отсчет производится или в момент уравновешивания, или по внешним командам. Следящее уравновешивание сложнее в технической реализации, но при прочих равных условиях обеспечивает меньшую динамическую погрешность, которая не превышает шага квантования.
По виду выходного дискретного сигнала ЦИП и АЦП делятся на приборы с двоичной, десятичной и двоично-десятичной формами представления информации. Двоичная форма является само экономичной и используется в основном для представления информации в системных АЦП.
6. Цифровые измерительные преобразователи
6.1 Мосты постоянного и переменного тока
Преобразователи сопротивления, индуктивные и емкостные преобразователи. Преобразователи сопротивления, индуктивные и емкостные преобразователи широко применяются при измерении различных неэлектрических величин. Кроме того, измерение параметров линейных, электрических цепей необходимо в радиотехнике при наладке и ремонте аппаратуры и контроле радиодеталей.
В радиоэлектронике и устройствах телекоммуникационных систем используются два основных метода преобразования линейных параметров цепей: прямой и уравновешивающий.
Цифровой измерительный прибор прямого преобразования представляет сочетание аналогового преобразователя какого-либо параметра элемента в активную величину и соответствующего цифрового прибора для ее измерения. Их классификация производится в зависимости от вида промежуточного преобразования.
Цифровые измерительные приборы уравновешивающего преобразования представляют собой цифровые мосты постоянного (для измерения R) или переменного (для измерения R, L и С) тока. Одним из самых простых методов измерения R, L, С является преобразование их в напряжение. Исследуемый двухполюсник включают в измерительную цепь, питание которой осуществляется от источника образцового тока или напряжения. Второй способ цифрового измерения R, L, С параметров основан на предварительном преобразовании их значений в частоту гармонического сигнала. В этом случае исследуемый элемент включается в частотно-зависимую цепь, определяющую частоту колебаний генератора (источника).
В практике измерений R, L, С широкое распространение получили методы развертывающего преобразования. Они основаны на формировании определенной развертывающей функции, аналитическое выражение которой включает в себя измеряемый параметр, и в фиксации моментов времени, когда она достигает заранее заданных значений. Измеренный интервал времени оказывается функционально связанным с преобразуемым параметром. Данные преобразователи отличаются высокой точностью, быстродействием, линейностью функции преобразования, удобным для преобразования в цифровой код видом выходного сигнала (частота/, период Т или временной интервал At). Рассматриваемый метод применяется обычно в сочетании с предварительным преобразованием параметров R, L или С в напряжение. В этом случае развертывающая функция также представляет собой напряжение.
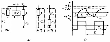
Структурная схема простейшего преобразователя параметров R, L, С в период меандрового сигнала показана на рис. 27., а.
Р
ис.27. Измерительный преобразователь параметров R,L,C в период:
а)- структурная схема; б)- временные диаграммы
Измерительная цепь (ИЦ) интегрирующего типа с постоянной времени tx = R0CX (или RxCо, или Lx/Rо)) питается напряжением с выхода операционного усилителя (ОУ), являющегося компаратором (устройством сравнения). Порог его срабатывания задается резистивным делителем Rt и R2 (коэффициентом передачи цепи положительной обратной связи). Временные диаграммы работы преобразователя параметров приведены на рис 27.б.
При подаче с выхода ОУ на ИЦ в момент времени t0 напряжения U0 происходит его интегрирование измерительной цепью. Развертывающая функция на инвертирующем входе ОУ имеет следующий вид:
(23)
















