62158 (611431), страница 4
Текст из файла (страница 4)
(17)
-
Входы ОУ не потребляют ток от источника входного сигнала
(18)
Изложенное выше понятие идеального ОУ соответствует так называемому принципу «виртуального» (кажущегося) замыкания его инвертирующего и неинвертирующего входов. При виртуальном замыкании, как и при физическом (обычном), напряжение между соединенными зажимами равно нулю. Вместе с тем в отличие от физического замыкания ток между виртуально замкнутыми зажимами не течет. Говоря другим словами, для тока виртуальное замыкание зажимов эквивалентно разрыву электрической цепи.
В зависимости от условий подачи усиливаемого сигнала на входы ОУ и подключения к нему внешних элементов можно получить две фундаментальные схемы включения: инвертирующую и неинвертирующую. Любое схемотехническое решение с применением ОУ базируется на этих включениях. Одно из них осуществлено в компараторе.
Компаратор — устройство, осуществляющее сравнение двух аналоговых напряжений. В простейшей схеме компаратора входное напряжение сравнивается с некоторым опорным, в качестве которого используется часть выходного напряжения (рис. 14, а).
На инвертирующий вход ОУ поступает входное напряжение, а на неинвертирующий вход подается опорное напряжение Uн= Uon = βUm, снимаемое с делителя R1,R2. Таким образом, ОУ охвачен положительной обратной связью по неинвертирующему входу, и выходное напряжение скачком изменяет свою полярность при сравнении входного и опорного напряжений.
Принцип действия компаратора рассмотрим с помощью передаточной характеристики —
зависимости выходного напряжения от входного (рис.5, б). Пусть входное напряжение UBX = 0, а выходное Uвых= Um+ (точка 1 на рис 5,б). Напряжение на неинвентирующем входе при этом будет:
Uн = βUm+ (19)
где р = Rl/(Rl+R2) — коэффициент передачи резистивной цепи Rt, R2 положительной ОС в компараторе.
Если входное напряжение больше нуля и увеличивается, то при сравнении его амплитуды с опорным, равным напряжению срабатывания U=βUm+, компаратор переключается. При этом произойдет скачкообразное изменение выходного напряжения со значения Um+, на значение U-(переход от точки 2 к точке 3 на рис. 14, б). Дальнейшее увеличение, входного напряжения не изменит состояния компаратора, и напряжение на неинвертирующем входе ОУ будет также постоянным: Uн=βUm-, При уменьшении входного напряжения до значения опорного, равного напряжению отпускания Uвх = Uотп = βUm-, произойдет скачкообразный возврат компаратора в исходное состояние. Выходное напряжение при этом изменится с Um- на βUm+, (переход от точки 4 к точке 5 на рис. 5, б).
Р
ис.14. Компаратор
а – схема; б- передаточная характеристика
Таким образом, передаточная характеристика компаратора имеет вид петли гистерезиса. Такой компаратор обладает триггерным (переключающим) эффектом, и в радиоэлектронике его называют триггером Шмитта. Сумма напряжений срабатывания и отпускания является напряжением гистерезиса.
(20)
Рис.15.Формирование меандра из синусоиды компаратором
Оно вводится для повышения помехоустойчивости, что позволяет устранить «дребезг» триггера, т.е. случайное его переключение напряжением помех при отсутствии входного сигнала. В компараторе на ОУ амплитуда выходного напряжения практически равна напряжению питания: Uвых = Um± = ±Uп. Компараторы применяют для формирования сигналов прямоугольной формы из различных видов непрерывных сигналов. В частности, при подаче на вход компаратора синусоидального напряжения (рис. 15), на его выходе формируется симметричное прямоугольное колебание — меандр (греч. —узор — геометрический орнамент).
Пусть в момент времени t = 0 напряжение на выходе компаратора Uвых = Um+. В таком состоянии компаратор будет находиться, пока амплитуда входного напряжения UBX < Uср. В момент времени t = tt входное напряжение станет UBX = Uср, и компаратор переключится. При этом выходное напряжение Uвых скачком изменится со значения Um+ на значение Um-. В момент времени t = t2 входное напряжение станет равным Uотп, и произойдет повое переключение компаратора.
3.1 Цифроаналоговые преобразователи
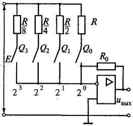
Принцип действия четырехразрядного цифроаналогового преобразователя иллюстрируется с помощью простейшей схемы на ОУ, представленной на рис. 16. Основу схемы составляет матрица резисторов с источником постоянного напряжения, соединенных с инвертирующим входом ОУ ключами, которые управляются двоичным кодом (например, выходным кодом счетчика).
В зависимости от поступающего кода цифрового сигнала подключаются резисторы с различными номиналами сопротивлений. В схеме ключи замыкаются только при поступлении на них команд, соответствующих логической единице. Коэффициенты усиления инвертирующего усилителя по входам 2°, 21, 22 и 23 соответственно равны
(21) K0 = -R0 Qo / R; K1 = -2R0 Q1 / R; К2 = - 4R0 Q2 / R; K3 = -8R0 Q 3 / R
Здесь Qo, Q1, Q2, Q 3 — кодовые числа, принимающие два значения: либо 1 (ключ замкнут), либо 0 (ключ разомкнут).
Из формулы 21 следует, что четырехразрядный двоичный код преобразуется в выходное напряжение, изменяющееся по амплитуде от 0 до 15∆ (напомним, что ∆ — шаг квантования). Например, двоичному числу 1001 соответствует напряжение uвых1 = ∆ (1.1 + 2.0 + 4. 0 + 8. 1) = 9∆, а числу 1100 – uвых2 = 12 ∆. Поскольку на вход резистивной матрицы подается постоянное напряжение Е, то выходное напряжение ЦАП изменяется скачками при переключении кода цифрового сигнала. Сглаживание выходного сигнала осуществляется фильтром низкой частоты (ФНЧ).
Р
ис.16. Схема четырехразрядного ЦАП
Аналого-цифровые преобразователи.
По своей структуре аналого-цифровые преобразователи (АЦП) более сложны, чем ЦАП, причем последние часто являются основным узлом АЦП. В настоящее время существуют три различных метода построения схем АЦП: последовательный, параллельный и последовательно-параллельный.
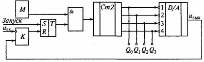
Последовательный (последовательного счета) метод построения АЦП (рис.17) основан на подсчете числа суммирований опорного напряжения младшего разряда, необходимого для получения напряжения, равного входному.
При этом k - разрядный двоичный код одного отсчета определяется в схеме за 2k интервалов дискретизации.
Начало преобразования входного непрерывного сигнала определяется временем поступления импульса запуска, который через.RS-триггер Т подключает счетчик Ст2 к выходу генератора тактовых (счетных) импульсов М. Схема ЦАП D/A, куда поступает цифровой код со счетчика, формирует выходное напряжение uвых, которое сравнивается в компараторе К с входным напряжением uвх. При сравнении этих напряжений, компаратор через логический элемент И (&) выдает сигнал прекращения подачи на счетчик Ст2 тактовых импульсов. В результате осуществляется считывание со счетчика выходного четырехразрядного кода, представляющего в момент окончания преобразования цифровой эквивалент выходного напряжения.
В описанном АЦП значения выходного цифрового кода в процессе преобразования многократно изменяются, поэтому он обладает низким быстродействием.
Р
ис.17.Упрощенная структурная схема АЦП последовательного счета.
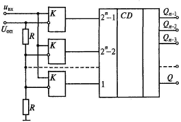
Действие параллельных (по методу считывания) k-разрядных АЦП основано на использовании 2k-1 компараторов (рис.18). Неинвертирующие входы операционных усилителей компараторов объединены, и на них подается непрерывный сигнал, а к каждому инвертирующему входу подключено индивидуальное опорное напряжение, снимаемое с резистивного делителя. Разность между опорным напряжением двух соседних компараторов равна шагу квантования ∆ = U0п / 2k. Компараторы, у которых входное напряжение превысит соответствующее опорное напряжение, вырабатывают логическую 1, а остальные - логический 0. Информация с выходов компараторов поступает на шифратор CD, который преобразует ее в двоичный код.
Параллельные схемы обладают наибольшим быстродействием среди других типов АЦП. Однако для повышения точности измерений и уменьшения мощности шумов квантования в параллельных АЦП требуется увеличение числа компараторов.
Рис.18. Структурная схема параллельного АЦП
В последовательно-параллельных схемах АЦП используется сочетание методов последовательного и параллельного преобразования сигналов, что существенно увеличивает быстродействие последовательных преобразователей и уменьшает объем параллельных.
На рис.19. показана структурная схема шестиразрядного аналого-цифрового преобразователя данного типа, в которой используются два трехразрядных параллельных АЦП, один трехразрядный ЦАП и сумматор ∑.
Р
ис.19. Структурная схема последовательно- параллельного АЦП
Аналого-цифровой преобразователь формирует из входного напряжения три старших разряда выходного кода, соответствующие значениям 23, 24, и 25. Эти разряды поступают на вход трехразрядного ЦАП, в котором они вновь преобразуются в аналоговое напряжение, отличающееся от входного напряжения uвх на величину погрешности преобразования схемы АЦП1. Аналоговое напряжение с выхода схемы ЦАП подается на сумматор ∑, где оно вычитается из входного напряжения uвх. Полученное разностное напряжение подается на АЦП2, в котором оно преобразуется в три младших цифровых разряда22, 21, 2° выходного кода преобразователя.
В заключение отметим следующее. Перспективным направлением развития ЦИП является применение микропроцессоров, которые обеспечивают управление процессом измерения, самодиагностику, автоматическую градуировку по заданной программе, а также первичную обработку результатов измерения (линеаризацию функции преобразования, коррекцию погрешностей, сжатие данных, т.е. уменьшение избыточности измеряемой информации). В настоящее время элементной базой ЦИП являются аналоговые и цифровые интегральные микросхемы, что позволяет достигнуть высокого быстродействия и малых габаритных размеров приборов. Применение интегральных микросхем большой степени интеграции значительно расширило функциональные возможности ЦИП и повысило их надежность при одновременном снижении потребления энергии. Многие ЦИП имеют автоматический выбор пределов измерения, повышающий точность измерения при большом динамическом диапазоне входного сигнала. Большинство ЦИП могут выполнять операции интегрирования и фильтрации, что значительно повышает их помехоустойчивость.
В последние годы получили применение аналого-дискретные измерительные приборы (АДИП). В отличие от ЦИП в них используют квазианалоговые отсчетные устройства, в которых роль указателя выполняет светящаяся полоса или светящаяся точка, меняющие дискретно свою длину (полоса) или положение (точка) относительно шкалы. Квазианалоговые отсчетные устройства управляются кодом. Такие приборы сочетают в себе достоинства аналоговых приборов (аналоговые отсчетные устройства) и ЦИП (код на выходе).
В настоящее время сформировалось новое направление в метрологии и электроизмерительной технике — компьютерно-измерительные системы (КИС) и их разновидность — виртуальные приборы.
4. Микропроцессоры и микроЭВМ
Микропроцессор - процессор, выполненный в виде одной либо нескольких взаимосвязанных интегральных схем. Микропроцессор состоит из цепей управления, регистров, сумматоров, счетчиков команд и очень быстрой памяти малого объема.
Некоторые микропроцессоры дополняются сопроцессорами, расширяющими возможности микропроцессоров и набор выполняемых команд.
4.1 Основные характеристики микропроцессора
Микропроцессор характеризуется:
















