147342 (594331), страница 5
Текст из файла (страница 5)
.
Тогда:
В итоге:
.
-
Виброплита находится во взаимодействии с балластом (действует FВТЯГСТ) (Рисунок 2.16).
:
;
,(2.76)
где
- вертикальная статическая сила прижатия виброплиты к балласту, Н (Принято
=
).
Рисунок 2.16 - Схема к определению усилия на штоке
.
Определяем минимально необходимую площадь рабочей поверхности поршня в поршневой полости, м2:
,(2.77)
где
- номинальное давление в гидроцилиндре, Па (
=10 Мпа); 2 – устанавливается два гидроцилиндра.
.
Тогда минимально необходимый диаметр поршня для прижатия плиты к балласту найден из формулы:
. (2.78)
.(2.79)
.
Определяется минимально необходимая площадь рабочей поверхности поршня в итоговой полости при подъёме виброплиты из рабочего положения:
.(2.80)
.
Минимально необходимый диаметр поршня при подъёме определяется из формулы:
,(2.81)
Учитывая отношение рабочих площадей
, преобразована формула (2.81):
,(2.82)
Из формулы (2.82):
.(2.83)
Минимально необходимый диаметр поршня при подъёме (втягивании) равен:
.
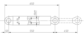
Выбирается большой диаметр т.е. D=80.7 мм.
При известных Xпор=440 мм, D=80.7 мм и φ=1.65 выбираем два гидроцилиндра [6,стр.90] с: Dп=100 мм, dшт=63 мм, Lход=450 мм.
Габаритные размеры показаны на рисунке 2.17.
Рисунок 2.17 – Габаритные размеры гидроцилиндра
2.6.2 Расчёт рессорной подвески
На рессорные подвески действует горизонтальная статическая сила сопротивления балласта (Рисунок 2.14) FСТГ и FСТВ.
Определяется изгибная прочность рессор и подбираются сечения bxh.
Изобразим расчётную схему рессорной подвески (Рисунок 2.18).
Рисунок 2.18 – Расчетная схема рессорной подвески
, (2.84)
где
- статическая горизонтальная сила сопротивления балласта, воспринимаемая одной рессорной подвеской, Н.
, (2.85)
где
- приведённый коэффициент жёсткости балласта (
=
Н/м (см.п.2.1.3);
- длина отклона рессоры от
(Рисунок 2.18), м (Примем
=0.1м).
,(2.86)
где
- изгибающий момент, действующий на рессорную подвеску от
,
.
Находится максимальный изгибающий момент (Рисунок 2.18):
:
Находится момент сопротивления в опасном сечении:
,(2.87)
где
- допускаемое напряжение на изгиб, МПа (Для стали 65г
=360МПа [7]).
.
Для прямоугольного сечения:
,(2.88)
где
- ширина рессоры, см (
=12 см).
Тогда из формулы (2.88):
;(2.89)
.
Принята толщина рессор
=26 мм, из которых две подкоренных рессоры с толщиной по
2=8 мм и одна рессора цепляющая с толщиной
=10 мм (Рисунок 2.19).
Рисунок 2.19 – Схема рессор
Эскизная компоновка размещения подбивочного блока на ферме машины приведена на (Рисунке 2.20).
3 ОРГАНИЗАЦИЯ ПРОИЗВОДСТВА РАБОТ В «ОКНО» ПРИ КАПИТАЛЬНОМ РЕМОНТЕ ПУТИ
Исходные данные:
Количество рабочих дней в сезоне – 100 дней.
Количество главных путей на участке – 2.
Объём работ по ремонту за сезон – 80 км.
Период предоставления окон – один раз в два дня.
Уклон пути – 7%.
Тип верхнего строения пути до ремонта – тяжёлый:
рельсы P – 65; шпалы деревянные в количестве 1840 шт. на км; балласт щебёночный; толщина балластного слоя hб.=0,3 м; глубина вырезки hВЫР=0,25 м.
Тип верхнего строения пути после ремонта – тяжёлый: рельсы P – 65; шпалы деревянные; балласт щебёночный; толщина балластного слоя hб.=0,3 м; объём балласта для засыпки шпальных ящиков.
3.1 Выбор технологической схемы выполнения работ в «окно» и типов машин
Основным критерием выбора и назначения способа капитального ремонта пути с вырезкой балласта является глубина вырезки hВЫР.
При hВЫР = 0,25 м, вырезка балласта производится комплектом землеройно-транспортных машин (КЗТМ).
Технологическая схема капитального ремонта пути с вырезкой балласта КЗТМ (Рисунок 3.1).
Рисунок 3.1 – Технологическая схема капитального ремонта пути с вырезкой балласта
Условные обозначения к (Рисунку 3.1):
- Пробег рабочих поездов к месту работ и обратно.
- Выгрузка балласта из хопер-дозаторов.
- Подъёмка пути машиной ЭЛБ одновременно с дозировкой.
- Разболчивание пути бригадами рабочих.
- Материальная секция укладчика.
Для капитального ремонта пути с вырезкой балласта КЗТМ необходим следующий перечень машин:
-
ЭЛБ (с устройством для подбивки шпальных ящиков);
-
Путеразборочный поезд;
-
Комплект землеройно-транспортных машин;
-
Путеукладочный поезд;
-
Хопер-дозаторный состав (для подъёмки пути);
-
ЭЛБ (с подъёмно-рихтовочным устройством);
-
ХДС (для засыпки шпальных ящиков);
-
ВПО-3-3000;
-
Динамический стабилизатор пути (ДСП).
3.2 Выбор параметров верхнего строения пути после ремонта
В соответствии с исходными данными выбраны параметры верхнего строения пути после ремонта (рисунок 3.2) [9].
Рисунок 3.2 –Параметры верхнего строения пути
3.3 Разработка схемы формирования рабочих поездов на станции
Рисунок 3.3 –Схема формирования рабочих поездов на станции
3.4 Определение основных параметров технологического процесса
3.4.1 Определение ежедневной производительности и длины фронта работ
,(3.1)
где
– объём работ по ремонту за сезон, км (
= 80 км);
– количество рабочих дней в сезоне, дн. (
=100 дн.);
– резерв времени на случай непредоставления «окон», материалов и т.д.
;
.
Фронт основных работ в «окно» в м:
,
где
- период предоставления «окон», (
=2дн.)
.
Принимается
.
3.4.2 Определение длины балластировочного поезда
Длина балластировочного поезда lбп (рисунок 3.3) составит:
lбп = lлок + lпл.пр. + lп.в. + lЭЛБ,(3.3)
где lлок – длина локомотива, м (lлок =24 м, [9]); lпл.пр. – платформа покрытия, м (lпл.пр. =14,6 м); lп.в. – пассажирский полувагон, м (lп.в. =14 м); lЭЛБ – длина ЭЛБ – 1, м (lЭЛБ =47,2 м, [13]).
lбп = 24 + 14,6. + 14 + 47,2 =99,8 м.
3.4.3 Определение длины путеразборочного и путеукладочного поезда
Длина путеразборочного поезда lПРП , и путеукладочного поезда lПУП (рисунок 3.3) состоит из:
lПРП = lПУП = lлок + lпл.пр. + lп.в. + lгр.пл.·Nгр.пл.p(y) + lМПД·NМПД p(y) + lпл. кр+ lУК , (3.4)
где lгр.пл. – длина несамоходной грузовой платформы, м; (lгр.пл. = 14,6 м, [9]); Nгр.пл.p(y) – количество грузовых несамоходных платформ при разборке (укладке); lМПД. – длина моторной платформы, м (lМПД = 16,2 м [9]); NМПД p(y) – количество моторных платформ при разборке (укладке); lпл. кр – длина прикрановой платформы, м; (lпл. кр = 14,6 м); lук – длина УК-25, м (lУК = 43,9 м [13]).
Находится Nгр.пл.p(y):
Nгр.пл.p(y)= Nпл.p(y)+ NМПД p(y),(3.5)
где Nпл.p(y) – общее количество грузовых платформ под пакетами при разборке (укладке).
Nпл.p(y) = к· Nпакp(y) ,(3.6)
где Nпакp(y) – общее количество пакетов при разборке (укладке); к – количество грузовых платформ под пакетом, (к = 2);
,(3.7)
где
– длина звена, м (
=25 м);
– количество звеньев в одном пакете, звено.
Количество звеньев в одном пакете зависит от грузонапряжённости платформы, типа шпал и рельсов. При погрузке пакета с переворачиванием нижнего звена при деревянных шпалах и рельсах P 65 количество звеньев одного пакета не должно превышать семи звеньев [9]. Примем
= 9 звеньев.
.
Принимается
.
По формуле (3.6) находим:
.
Находится количество моторных платформ при разборке (укладке):
,(3.8)
где
- количество перетягиваемых пакетов одной МПР за один цикл.
Число перетягиваемых пакетов определяем по канатоёмкости Sn проверяем по тяговому усилию на барабане Fб.
,(3.9)
где
- число перетягиваемых пакетов по канатоёмкости;
- канатоёмкость МПД, м (
=75 м).
.
Тяговое усилие на барабане лебёдки:
,(3.10)
где
- сопротивление перемещению пакетов звеньев от трения в роликовом конвейере , H;
- сопротивление от уклона пути, Н.
, (3.11)
.(3.12)
Подставляя (3.11) и (3.12) в формулу (3.10) и решая полученное уравнение найдётся количество перетягиваемых пакетов одной МПД из условия обеспечения тягового усилия на барабане.
,(3.13)
где
- тяговое усилие на барабане, кН (
=29,4 кН, [11]);
- диаметр ролика, м (
=0,15 м);
- масса рельсошпальной решётки, т (
=6,502 т, [9]); f - коэффициент трения-качения в шарикоподшипниках (f = 0,015, [3]);
- коэффициент трения рельсов о ролики (
= 0,04, [3]); d – диаметр цапфы, м (d = 0,8·
= 0,8·0,15=0,12 м); i – уклон пути (i = 0,007); β – коэффициент учитывающий переход пакетов с платформы на платформу (β = 1,5).
Получится:
.
Принимается
= 2.
При
и
из конструктивных соображений принимаем количество перетягиваемых пакетов при разборке (укладке)
.
По формуле (3.8) находится:
















