147342 (594331), страница 3
Текст из файла (страница 3)
В итоге по формуле (2.10) получили:
.
Принята FВ = 90 кН.
По найденной FВ и принятой компоновке вибровозбудителя найдём вынуждающую силу одного дебаланса FВ’:
FВ’ = FВ / n,(2.16)
где n – принятое число дебалансов (n=4).
FВ’ = 90 / 4 = 22,5 кН .
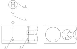
Предварительно назначается расчётная длина вала дебаланса (рисунок 2.4) равная lв = 0,22.
Рисунок 2.4 – Схема дебаланса
Для нахождения диаметра вала строится эпюра изгибающего момента. Для этого находятся реакции в точках опоры (рисунок 2.5)
Рисунок 2.5 –Эпюра изгибающего момента
Максимальный изгибающий момент равен:
Mmax = R1 · 0,11 =11,25 · 0,11 =1,24 кН · м .
Прочность вала:
,(2.17)
где W – момент сопротивления при изгибе, м3 ; (для круглого сечения
); [σ] – допускаемое напряжение, МПа .
,(2.18)
где σFlim – предел длительной выносливости, МПа; SF – коэффициент безопасности (для Ст 45 - SF = 1,75 , [2] стр. 90).
Для стали 45 :
σFlim =1,8 НВ,(2.19)
где НВ – твёрдость стали (для стали 45 HB = 248,5 , источник [2] стр.426).
Допускаемое напряжение равно:
[σ] = (1,8·248,5)/1,75 =255,6 МПа.
Находится диаметр вала по формуле:
;(2.20)
.
Принят d = 40 мм ([2] стр. 296)
2.1.3.1 Компоновка дебалансов
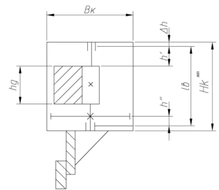
Неуравновешенные части дебалансов в сечении имеют форму кругового сектора. Значение r0 (расстояние от оси вращения до центра тяжести дебаланса) зависит от угла сектора φ0 внешнего Rв и внутреннего rв радиусов дебаланса (рисунок 2.6).
Угол φ0 по рекомендациям [1] назначается 120˚. Радиус Rв предварительно определяется выражением:
Rв = 0,5· ВК – δД – bК, (2.21)
где δД – зазор между дебалансом и стенкой корпуса, м (δД = 0,045 м); bК – толщина корпуса виброплиты, м (bК = 0,01 м).
Rв = 0,5·0,35 – 0,02 – 0,01 = 0,12 м.
Рисунок 2.6 – Схема компоновки дебалансов
Расстояние от оси вращения до центра тяжести дебаланса:
.(2.22)
Внутренний радиус дебаланса:
,(2.23)
где δст – ширина ступицы, м (принимается конструктивно δст=0,02 м)
.
Тогда
.
При требуемых силе Fв’ , частоте ω и установленном r0 определяется масса неуравновешенной части дебаланса:
;(2.24)
.
Площадь дебаланса, м2 :
;(2.25)
.
Длина дебаланса, м:
,(2.26)
где ρ – плотность металла, кг/м3 (ρ =7800 кг/м3).
.
2.2 Мощность, необходимая при виброобжатии балласта
Затраты мощности при виброподбивке шпал представлены в виде:
Рв = Рб + Pвс, (2.27)
где Рб – средняя мощность, необходимая для преодоления сопротивлений колебаниям виброплиты от балласта и рессорной подвески, Вт; Pвс – мощность, необходимая для преодоления внутренних сопротивлений вибровозбудителя, Вт.
,(2.28)
где φ - фаза вынужденных колебаний по отношению к фазе возмущающей силы, град; Fв – максимальная вынуждающая сила, Н (Fв=90·103Н).
,(2.29)
где h – коэффициент демпфирования, с-1 (h = 7,2 с-1); ω0 – частота свободных колебаний плиты с учётом жёсткости балласта, с-1 (ω0=55,26 с-1).
По формуле (2.28) находится:
.
Мощность
находится по формуле:
,(2.30)
где P0 – мощность, необходимая для преодоления диссипативных сопротивлений вращению, Вт.
Р0 =0,5·Fв · dв·ω ·fn, (2.31)
где fn – приведённый коэффицент трения в подшипниках дебелансного вала, fn = 0,001 ( [3] стр.148).
P0 = 0,5·90 ·103·0,04 ·188,4·0,001 = 339,12 Вт
Находится PВМ :
PВМ = 0,02 · P0 , (2.32)
PВМ = 0,02 · 339,12 = 6,7 Вт
Находим Р33 по формуле:
,(2.33)
где ηз – КПД зубчатой передачи синхронизатора (ηз = 0,96 – [2] стр. 23); m – количество зубчатых зацеплений (m=4).
Pзз= (4246 +339,12) · (1 – 0,964) = 690,7 Вт.
Тогда:
Pвс’ = 339,12 + 6,7 + 690,7 = 1036,8 Вт.
В итоге суммарные затраты мощности равны:
Pв = 1036,6 + 4246 = 5282,3 Вт.
В некоторые моменты работы виброплиты могут возникнуть ситуации, такие как совпадение фазы вынужденных колебаний с фазой возмущающей силы.
Максимально возможные значения Рб возможно при sin2 φ0 =1:
.
Максимально возможные потери мощности в зубчатом зацеплении:
P33max = (25570+339,12)(1-0,964) = 3801,1 Вт.
Тогда мощность PВС’ max:
PВС’ max = 339,12 + 6,7 + 3801,1 = 4146,9 Вт.
В итоге максимально возможная мощность, затрачиваемая на виброподбивку шпал равна:
Pв max = 25570 + 4146,9 = 29716,9 Вт.
Для того чтобы учесть возрастание сопротивления на виброподбивку шпал, при попадании плиты в резонанс, при выборе двигателя возьмём среднее значение мощности Pв ср:
Pв ср = (5282,6 +29716,9)/2 =17499,7 Вт ≈17,5 кВт.
Потребная мощность двигателя вибровозбудителя подбивочной плиты, кВт:
Pв ср = Pв ср / ηn,(2.34)
где ηn – КПД передачи от двигателя до ведущего вала вибровозбудителя (ηn = 0,98).
Pдв = 17,5/0,98 =17,85 кВт.
Выбирается асинхронный двигатель с фазным ротором ([2] стр.27) таблица 2.1:
Таблица 2.1 – Характеристики асинхронного двигателя 4А160М2У3
| Типоразмер | Мощность PH, кВт | Синхр. частота вращения, об/мин | Скольжение, % | nH, oб/мин | Тmax/ Тном |
| 4А160М2У3 | 18,5 | 1500 | 2,2 | 1467 | 1,4 |
Находится крутящий момент на валу двигателя, H·м:
Тmax = 9550 · PH / nH ;(2.35)
Тmax = 9550 · 18,5/ 1467= 120,43 H·м.
Учитывая разность частоты вращения валов дебалансов и частоты вращения вала двигателя устанавливается дополнительный вал с зубчатым колесом повышающим частоту вращения вала дебаланса (рисунок 2.7).
Для передачи крутящего момента от вала двигателя к ведущему валу дебалансов устанавливается карданный вал от ГАЗ – 53 [8], который рассчитан на Pmax = 84,6 кВт ; Тmax = 284,4 H·м ; n = 2000 об/мин.
1 – двигатель; 2 – карданный вал; 3 – ускоряющее зубчатое колесо; 4 – дебаланс; 5 – синхронизирующие зубчатые шестерни.
Рисунок 2.7 – Привод виброплиты
2.3 Расчёт цилиндрической зубчатой передачи внешнего зацепления
Исходные данные:
Максимальный крутящий момент на тихоходном валу Тmax I = 120,43 H·м
Частота вращения ведущего (ведомого) вала nII = 1800 об/мин
Частота вращения ведомого (ведущего) вала nI = 1467 об/мин
Материал шестерни ст 40Х У
Материал колесаст 40Х ТВ4
Передаточное отношение:
u21 = nII / nI =1800/1467 =1,22.
I – тихоходный вал; 1 – зубчатое колесо; II – быстроходный вал; 2 – шестерня.
Рисунок 2.8 – Зубчатая передача внешнего зацепления
Расчёт произведён на ЭВМ (программа ДМ – 1).
2.3.1 Алгоритм расчёта зубчатой передачи (силовой расчёт).
1) Определяется по контактным напряжениям межосевое расстояние aW в мм по формуле :
, (2.35)
где u – передаточное число рассчитываемой передачи (u = 1,22); K1 – вспомогательный численный коэффициент (K1 = 315 [2]); [σH] – допускаемое контактное напряжение, МПа; Т1 – крутящий момент на валу колеса, H·мм; KНα – коэффициент распределения нагрузки (KНα = 1 [2]); KНβ – коэффициент концентрации нагрузки ( [2] ст 92) ;KНV – коэффициент динамичности [2]; KНД – коэффициент долговечности лимитирующего колеса [2]; Ψa – коэффициент ширины венца, принимается из единого ряда [2 стр. 52] (Ψa = 0,2 …0,4); KХ – коэффициент, учитывающий смещение.
2) Ширина колеса в мм:
b2 = Ψa· aW.(2.36)
3) Модуль зацепления m в мм из расчёта на изгиб ориентировочно определяется по формуле:
,(2.37)
где K2 – численный коэффициент (для прямозубых колёс K2 = 5); KFα , KFβ , KFv ,KFД – коэффициенты, аналогичные KНα , KНβ , KНV , KНД определяются по [2]; [σF] – допускаемое изгибное напряжение лимитирующего колеса, МПа ([2] стр. 91).
4) Расчёты по формулам (2.35)…(2.36) составляют программу ДМ – 1. Машина выдаёт на печать исходные данные и величины aW ,b2 и m в миллиметрах. Полученные данные подлежат обработке.
Значения aW и b2 выбираются из единого ряда ([2], ст 51). Допускается их округление по ГОСТ 6636 – 69 ([2] ст 296). Модуль округляется в большую сторону.
2.3.2 Алгоритм геометрического и проверочного расчёта зубчатой передачи
Определение чисел зубьев:
1) Суммарное число зубьев ZΣ:
ZΣ = 2·aW· cos β / m ,(2.38)
где β – угол наклона линии зуба.
Величина ZΣ округляется до ближайшего целого числа.
2) Число зубьев шестерни Z1 :
Z1 = ZΣ / (u + 1).(2.39)
3) Число зубьев колеса Z2:
Z2 = ZΣ – Z1.(2.40)
4) Окружная скорость колёс v, м/с:
.(2.41)
5) Уточнённое передаточное число u 21:
u 21 = Z2 /Z1.(2.42)
6) Ширина шестерни b2, мм:
b2 = 1,1 b2.(2.43)
7) Межосевое расстояние, мм:
aW = 0,5·m(Z1 + Z2) + (Х1 + X2 – Δy)m ,(2.44)
где Х1 , X2 – коэффициенты смещения (Х1 = X2=0 [2]); Δy – коэффициент уравнительного смещения (Δy = 0 [2]).
8) Угол наклона линии зуба для прямозубых колёс β = 0.
9) Делительные диаметры d, мм:
d = m · z / cos β.(2.45)
10) Диаметр вершин d a, мм:
d a = d + (2 + 2x– 2Δy)m.(2.46)
11) Диаметр впадин d f , мм:
d f = d – (2,5 – 2x)m.(2.47)
12) Окружная толщина зубьев по делительной окружности St, мм:
St = (π/(2cos β) + 2x·tgα)m.(2.48)
13) Угол зацепления αW:
,(2.49)
где α – угол профиля (α = 20˚).
14) Торцевой коэффициент перекрытия εα:
.(2.50)
15) Коэффициент суммарной длины контактных линий Zε:
.(2.51)
















