147342 (594331), страница 9
Текст из файла (страница 9)
6.1 Необходимость дезактивации
Для определения потребности дезактивации машины необходимо установить степень заражённости поверхностей машины, и, если она окажется более допустимой, произвести дезактивацию.
По [18] определяем, что для дезактивации ВПО-3-3000 потребуется 2 часа.
Степень заражённости поверхностей машины на 8 ч. После возникновения очага заражении:
P= P0 (t/t0)-1.2,(6.1)
где P – ожидаемый уровень радиации, который будет наблюдаться через время t после возникновения очага заражения, мР/ч; P0 – уровень радиации, измеренный на время t0 после возникновения очага заражения мР/ч (P0 = 1000 мР/ч).
P= 1000 (8/6)-1.2 =708 мР/ч
Из справочных данных временная допустимая величина заражения радиоактивными веществами машин и механизмов равна 180 мР/ч.
Следовательно в нашем случае необходимо провести деактивацию выправочно – подбивочной машины ВПО – 3 – 3000 .
6.2 Выбор наиболее эффективного способа дезактивации
В нашем случае принимаем способ удаления радиоактивных веществ – обработкой заражённых поверхностей дезактивирующими растворами с протиранием щётками и ветошью. Расход дезактивирующего раствора при обрызгивании с протиранием щётками – 3 л/м2 , время на обработку 1 м2 – 1 мин.
При протирании ветошью расход дезактивирующего раствора – 0,5 л/м2 , время на обработку 1 м2 – 2 мин.
Учитывая большие габариты машины ВПО – 3 – 3000, дезактивацию следует проводить на месте работ с использованием передвижных средств.
6.3 Технические средства для дезактивации и дезактивирующие растворы
Для дезактивации машин и оборудования применяются 0,15% растворы моющего порошка СФ – 2У (СФ – 2) в воде (летом).
Кроме этих растворов для дезактивации могут применяться:
- водные растворы мыла или других моющих веществ;
- вода;
- растворители (дихлорэтан, бензин, керосин, дизельное топливо и т.д.)
Характеристика дезактивирующих веществ.
Моющий порошок СФ – 2У – однородный мелкодисперсионный порошок от белого до тёмно-жёлтого цвета, хорошо растворяется в воде, при температуре 10 – 15 ˚С.
Порошок СФ – 2У расфасовывается в двойные пакеты из плотной бумаги весом 300, 500 и 750 г. Пакеты с порошком упаковываются в ящики весом не более 25 кг.
Моющий порошок СФ – 2 – однородный мелкодисперсионный порошок от кремового до тёмно-жёлтого цвета, хорошо растворяется в воде, легко поглощает влагу, вследствие чего может слёживаться. В отличии от порошка СФ – 2У порошок СФ – 2 обладает меньшими пенообразующими и моющими свойствами. Порошок СФ – 2 расфасовывается аналогично порошку СФ – 2У.
Дезактивирующий раствор на основе порошка СФ – 2У (СФ – 2) приготовляется путём растворения последнего в воде из расчёта получения 0,15% раствора. Растворение порошка надо вести небольшими порциями при перемешивании или взбалтывании.
В качестве технического средства для дезактивации машины ВПО – 3 – 3000 можно использовать автомобильную разливочную станцию АРС – 12У (АРС – 12Д), предназначенную для дезактивации, дегазации и дезинфекции техники. Кроме того её можно использовать для дегазации и дезинфекции местности.
Автомобильная разливочная станция АРС 12 – У представляет собой автомобиль ЗИЛ – 157 (АРС – 12Д – автомобиль ЗИЛ – 151), на котором смонтировано специальное оборудование, состоящее из следующих основных частей: цистерны, механического насоса с приводом, трубопроводов.
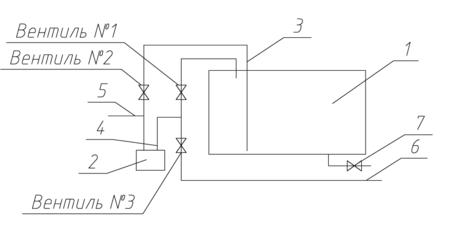
Принципиальная схема АРС – 12У показана на рисунке 6.1.
1 – цистерна; 2 – механический насос; 3 – всасывающая линия; 4 – нагнетательная линия; 5 – приёмная труба; 6 – раздаточная труба; 7 – сливная линия
Рисунок 6.1 - Принципиальная схема АРС – 12У
Цистерна 1 служит ёмкостью для растворов и жидкостей. Трубопровод состоит из всасывающей 3 и нагнетательной 4 линий. Во всасывающую линию входят: фильтр, приёмная труба 5 вентиль №2.
Во всасывающую линию жидкость может засасываться либо из цистерны при открытии вентиля №2 и закрытой заглушке приёмной трубы 5, либо из посторонней тары через приёмную трубу5 при закрытом вентиле №2.
В нагнетательную линию входят: колено с отводом к насосу, вентили №1 и №3, вернее (изогнутая) и раздаточная трубы. Для определения давления в нагнетательной линии имеется монитор, установленный в кабине автомобиля.
По нагнетательной линии жидкость от насоса может поступать либо через вентиль №1 в цистерну, либо через вентиль №3 в раздаточную трубу.
На конце раздаточной трубы приварен резьбовой ниппель для присоединения раздаточного коллектора или насадки. Сбоку на конце раздаточной трубы приварен штуцер для присоединения рукава диаметром 10 мм. В нерабочем состоянии на ниппель и штуцер навёртываются заглушки.
Для дезактивации машины с помощью брандспойтов со щётками при использовании АРС – 12 Д необходимо на раздаточную трубу установить восьмиштуцерный коллектор, к которому присоединяются 10 мм раздаточные рукава с брандспойтами и щётками.
Основные технические данные АРС – 12.
Рабочая ёмкость цистерны, л2500
Время снаряжения цистерны механическим насосом, мин8 – 12
Время развёртывания, мин6 – 8
Время свёртывания, мин9 – 15
Количество одновременно обслуживаемых рабочих мест
АРС – 12 Д3
АРС – 12 У5
Обслуживающий экипаж, чел2 – 3
Результаты расчётов по определению количества машин по дезактивации сведём в таблицу 6.1.
Таблица 6.1 – Количество машин по дезактивации
| Наименование машины, используемой для дезактивации ВПО – 3 – 3000 | Площадь дезактивации поверхности ВПО – 3 – 3000, м2 | Расход дезактивирующего раствора, л/м2 | Количество машин используемых для дезактивации ВПО – 3 – 3000 |
| АРС – 12 Д | 330 | 3 | 1 |
| АРС – 12 У | 330 | 3 | 1 |
6.4 Организация и порядок производства работ по дезактивации
Полная дезактивация техники проводится следующими способами:
- смывание радиоактивных веществ водными растворами моющих средств, водой и растворителями с одновременным протиранием заражённой поверхности щётками при помощи дегазационных машин, приборов и комплектов;
- смыванием радиоактивных веществ струёй воды под давлением при помощи дегазационных машин и различных насосов;
- удалением радиоактивных веществ прерывистым газокапельным потоком.
Для дезактивации техники в районе её расположения дегазационные машины АРС развертывают с ходу у мест нахождения заражённых объектов. Место развертывания дегазационных машин выбирается с таким расчётом, чтобы одной машиной можно было одновременно обрабатывать 2-4 объекта.
При развертывании дегазационных машин раздаточные рукава подаются к обрабатываемым объектам. Затем с помощью насоса в раздаточные рукава подается дезактивирующий раствор, которым производят дезактивацию машины ВПО-3-3000.
После обработки одной группы объектов дегазационные машины следуют ко второй и последующим группам.
6.5 Меры безопасности при проведении работ по обеззараживанию железнодорожных объектов
Во время проведения работ по обеззараживанию железнодорожных объектов необходимо соблюдать следующие общие правила, исключающие поражение личного состава:
-
Работы по дезактивации, дегазации и дезинфекции должны производится, как правило, в индивидуальных средствах защиты (СИЗ), предварительно проверенных и подогнанных по размеру.
-
В летних условиях во избежание перегрева тела необходимо соблюдать следующие сроки непрерывного пребывания в защитной одежде (таблица 6.2).
Таблица 6.2 – Сроки непрерывного пребывания в защитной одежде
| Температура воздуха, ˚C | 30 и выше | 25-30 | 20-25 | 15-20 | +15 и ниже |
| Время пребывания в защитной одежде, мин | 15-20 | 30 | 40-50 | 90-120 | Более 180 |
Сроки непрерывного пребывания в защитной одежде могут быть увеличены примерно в полтора раза, если погода пасмурная и ветреная. При применении влажного комбинезона время работы в защитной одежде можно увеличить в 3-4 раза.
-
Не снимать СИЗ без приказа старшего.
-
Немедленно докладывать старшему при повреждении или сильном заражении СИЗ и при внезапной слабости и заболевании.
-
Бережно обращаться с обеззараживающими средствами и материалами, не класть на заражённую местность или заражённые предметы.
-
Складывать использованные при дезактивации и дегазации обтирочные материалы в специально вырытые ямы, по окончании работ ямы закапывать; обтирочные материалы, использованные при дезинфекции – сжигать.
-
Избегать соприкосновения с заражёнными предметами, не садиться на них и не прислоняться к ним.
-
Не брать в руки заражённые предметы без предварительной дегазации, дезактивации и дезинфекции мест, за которые необходимо держать предметы.
-
Не принимать пищу, не пить и не курить на месте работ по обеззараживанию.
-
Избегать поднятия пыли и образования брызг.
-
Дегазировать и дезинфицировать после работ площадку, на которой проводилась дегазация или дезинфекция.
-
Соблюдать осторожность с дегазированными изделиями из дерева, кожи, резины.
При проведении дезактивации кроме общих правил необходимо соблюдать следующее:
-
Организовывать дозиметрический контроль облучения и заражённости личного состава.
-
Периодически подвергать дозиметрическому контролю на степень заражённости одежду и приборы, используемые при проведении дезактивационных работ, при необходимости проводить дезактивацию.
-
Периодически проверять заражённость площадки и проводить её обрызгивание водой перед работой и периодически во время работы.
-
Следить за тем, чтобы водоотводные каналы и поглощающие колодцы не переполнялись.
-
Закопать после окончания работ на площадке канавы и поглощающие колодцы, оградить всю заражённую территорию и установить предупредительные знаки.
Отдых личного состава рекомендуется проводить через каждые 30 минут работы на 5-10 минут, а через 2 часа работы – на 20 минут в незаражённом районе, также можно курить, принимать пищу и т.п.
После обеззараживания любых объектов, производится контроль полноты обеззараживания поверхностей и при необходимости обеззараживание повторяется.
ЗАКЛЮЧЕНИЕ
В дипломном проекте в целях повышения качества уплотнения балласта при ремонте железнодорожного пути произведена модернизация машины ВПО-3-3000. В частности, разработан устанавливаемый на неё дополнительный подбивочный блок для уплотнения балласта со стороны торцов шпал.
Данный рабочий орган позволяет повышать качество уплотнения балласта за счёт возможности подбивки его под концами шпал, что обеспечивается вновь разработанной конструкцией виброплиты с кинематически жёстким приводом.
Возбудитель колебаний виброплиты с кинематически жёстким приводом обеспечивает стабильный режим работы её при обжатии балласта.
Повышение качества уплотнения балласта модернизированной машиной ВПО-3-3000 позволяет сэкономить затраты ручного труда на выполнение дополнительных работ по подбивке концов шпал пути, которые приблизительно составляют 358 тыс. руб./год.
Кроме того, исключение дополнительных работ по подбивке шпал исключает действия предупреждения работающих о приближении поезда. Поэтому экономия денежных средств будет ещё за счёт сокращения простоев поездов.
Себестоимость модернизации ВПО-3-3000 составит 78 тысяч рублей.
СПИСОК ИСПОЛЬЗОВАННЫХ ИСТОЧНИКОВ
-
Г.П. Задорин. Проектирование шпалоподбивочных органов машин непрерывного действия. – Новосибирск, 1988 – 40 с.
-
С.А. Чернавский, Г.А. Снесарев. Проектирование механических передач. – Москва , 1984 – 560 с.
-
Р.Д. Бейзельман, Б.В. Цыпкин. Подшипники качения: справочник. – Москва, 1975 – 575 с.
-
Б.В. Глухов. Проектирование деталей машин. – Новосибирск, 1995 – 64с.
-
Альбом чертежей выправочно-подбивочной отделочной машины ВПО-3000. – Москва, 1973 – Т. 1-4
-
В.А. Васильченко. Гидравлическое оборудование мобильных машин: справочник. – Москва, 1983 – 301 с.
-
В.И. Анурьев. Справочник конструктора машиностроителя. – Москва, 1990 – Т.1-3
-
Краткий автомобильный справочник. – Москва, 1984 – 287 с.
-
И.Б. Лехно, С.М. Бельфер и др. Путевое хозяйство. – Москва, 1990 – 472 с.
-
А.А. Константинов, Н.Н. Давыдов. А.С. 1008328 СССР, МКИ4 Е01 В27112. Устройство для уплотнения откосной и междупутной зон балластной призмы. – Бюллетень №12.
-
С.А. Соломонов, М.В. Понович. Путевые машины. – Москва, 1985 – 375 с.
-
Д.А. Печугин, Л.Д. Печугина. Проектирование рабочих технологических процессов по капитальному ремонту пути. – Новосибирск, 1989 – 28 с.
-
С.А. Соломонов, М.В. Понович. Путевые машины. – Москва, 2000 – 756 с.
-
Б.В. Глухов, Б.Е. Татаринцев. Курсовое проектирование деталей машин с использованием ЭВМ. – Новосибирск, 1986 – 48 с.
-
Н.И. Иванов. Борьба с шумом и вибрациям на путевых строительных машинах.
-
Санитарные нормы. СН 1209-74
-
В.Б. Олимпиади. Защита от вибрации. – Новосибирск, 1986 – 20 с.
-
Н.В. Васильев, В.Л. Хальзов. Вопросы чрезвычайных ситуаций и гражданской обороны в дипломных проектах. – Новосибирск, 2001 – 130 с.
















