147342 (594331), страница 4
Текст из файла (страница 4)
16) Угол наклона линии зуба по основной окружности βв:
.(2.52)
17) Коэффициенты формы сопряжённых поверхностей зубьев в полосе зацепления Zн:
.(2.53)
18) Рабочее контактное напряжение σн, мПа:
,(2.53)
где
- коэффициент, учитывающий механические свойства материалов сопрягаемых поверхностей (
= 275) [14].
19) Отклонение рабочего контактного напряжения от допускаемого ∆σн, %:
.(2.54)
20) Окружное усилие Ft, H:
,(2.55)
где
- начальный диаметр колеса, мм.
,(2.56)
где
- начальный диаметр шестерни, мм.
.(2.57)
21) Радиальное усилие Fy, H:
. (2.58)
22) Осевое усилие Fa, H:
.(2.59)
23) Коэффициент перекрытия зубьев Yε :
Yε=1.
24) Коэффициент наклона зубьев Yβ :
Yβ=1.
25) Рабочее изгибное напряжение зубьев шестерни σF2, мПа:
.(2.60)
26) Рабочее изгибное напряжение колеса σF1, мПа:
.(2.61)
27) Максимальное контактное напряжение σн max, мПа:
.(2.62)
28) Максимальное изгибное напряжение σF max, мПа:
.(2.63)
Значения рассчитываемых величин представлены на распечатках результатов расчёта, сделанного на ЭBM (программа ДМ-1).
2.3.3 Результаты расчёта зубчатой передачи, выданные ЭВМ
2.3.4 Анализ результатов расчёта зубчатой передачи
Геометрические параметры округляем до сотых долей миллиметра.
По допускаемым и рабочим напряжениям делаем вывод, что прочность достаточна.
Усилие в зацеплении округляем с точностью до целых.
2.4 Уточнённый расчёт валов и выбор подшипников
Данный расчёт даёт более достоверные результаты, чем ориентировочный расчёт.
В этом разделе исходными данными являются: силы, действующие на колесо шестерни, расстояния между линиями действия всех сил, диаметры колёс.
Для наглядного представления изобразим аксонометрическую схему нагружения валов (рисунок 2.9).
Рисунок 2.9 – Схема нагружения валов
2.4.1 Расчёт дебалансного вала
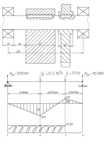
Для уточнённого расчёта выполним эскизную компоновку элементов вала (рисунок 2.10).
Предварительно назначаем подшипник по ГОСТ 5720 – 75: № 1608 с d=40 мм, D =90 мм, B =33 мм [2].
Рисунок 2.10 – Эскизная компановка элементов вала
На вал действуют две силы в направлении X (рисунок 2.10, б) F’в , Ft и крутящий момент T.
Составим уравнения суммы моментов относительно точек 1 и 2, найдём реакции в этих точках.
ΣM1=0
;
.
ΣM2=0
;
.
Находим изгибающий момент в т. 1, 2, 3 ,4 (Рисунок 2.10, в):
;
;
Максимальный изгибающий момент в т.4 под дебалансом.
Приведённый момент:
,(2.64)
где α – коэффициент учитывающий соответствие центров касательного и нормального напряжения (α = 0,75 [4]); T – крутящий момент, Н·м.
T =Ft·d/2 ,(2.65)
где d – делительный диаметр шестерни (d = 0,25 м);
T =777·0,25/2=91,125 Н·м.
.
Диаметр вала по формуле:
,(2.66)
.
Окончательно принимается диаметр вала d = 0,04 м.
2.4.1.1 Выбор подшипников
Ранее принятый подшипник (см. п.2.4.1) проверяем на динамическую грузоподъёмность:
Стабл. >Cрасч,(2.67)
где Стабл. – динамическая грузоподъёмность взятая из таблицы [3], (Стабл. = 44,9 кН); Cрасч. – динамическая грузоподъёмность полученная методом расчёта, кН.
Cрасч. = L1/P·P,(2.68)
где p – показатель степени (для шарикоподшипников p = 3 [2]); L – номинальный ресурс подшипников, млн. об.; P – эквивалентная нагрузка, Н.
L = Ln·60·nII /106,(2.69)
где Ln – номинальный ресурс в часах (примем Ln=125 ч)
L = 150·60·1800/106=16,2 млн.об.
Эквивалентная нагрузка, Н:
P = R·V·Kδ·KТ , (2.70)
где R – радиальная нагрузка, Н (R = 12959 Н); V – коэффициент вращения (V=1,[2] стр. 359) Kδ – коэффициент, учитывающий нагрузки (Kδ =1,35,[2] стр. 362 ); KТ – температурный коэффициент (KТ =1 [2]).
P = 12959·1·1,35·1=17494,65 H.
Срасч.=16,21/3·17494,65=44266,67 H.
Условие (2.67) выполняется. Окончательно принимаем для дебалансного вала шарикоподшипник радиальный сферический двухрядный (по ГОСТ 5720 – 75) [2]:
№ 1608 С=44,9 мм; d=40 мм; D=90 мм; B=33 мм.
2.4.2 Расчёт ведущего вала вибровозбудителя
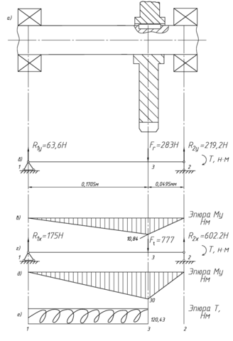
Выполним эскизную компоновку элементов вала (рисунок 2.11, а).
На вал действуют две силы в двух плоскостях: Fr в плоскости y0z и Ft в плоскости x0z и действует крутящий момент T (рисунок 2.11, а, г).
Рисунок 2.11 – Эпюра моментов
Находятся реакции в опорах в плоскости z0y (рисунок 2.11, а):
;
.
;
.
Находится изгибающий момент в точках 1, 2, 3 (рисунок 2.11, в):
.
.
Находятся реакции в опорах в плоскости z0x (рисунок 2.11, г):
;
.
;
.
Находится изгибающий момент в точках 1, 2, 3 (рисунок 2.11, д):
;
.
Максимальный момент приложен в точке 3 под зубчатым колесом:
;(2.71)
.
Приведённый момент по формуле (2.64):
.
Тогда наименьший диаметр вала равен по формуле (2.66):
.
Конструктивно принимаем диаметр ведущего вала вибровозбудителя d=0,04м.
2.4.2.1 Выбор подшипников
По ГОСТ 5720 – 75 выбран радиальный сферический двухрядный шарикоподшипник [2]:
№1208 C = 19кН; d = 40 мм; D = 80 мм; B = 18 мм.
Проверяют его на динамическую грузоподъёмность по условию (2.67).
Эквивалентная нагрузка по формуле (2.70):
.
Срасч.=16,21/3·865,15=2189 H < Стаб.
Условие (2.67) выполняется – подшипник выбран верно.
2.5 Расчёт и выбор шпонки
Размеры призматических шпонок (рисунок 2.12): ширина b, высота h, глубина паза t1 и ступицы t2 выбираем в зависимости от диаметра вала.
Длину шпонки принимаем из стандартного ряда на 5 – 10 мм меньше длины ступицы.
Рисунок 2.12-Призматическая шпонка
Выбранную шпонку проверяют на смятие:
;(2.72)
где
- допускаемое напряжение смятия, МПа, для H7/h6
= 80 … 120 МПа) ;
- расчётная длина шпонки, мм (lp=l – b).
Результаты расчётов сведём в таблицу 2.2.
Таблица 2.2 - Результаты расчетов
| № вала | 1 (ведущий) | 2 (вал-шестер.) | 2 (вал-дебал.) |
| Т, Н | 120,43 | 97,125 | 97,125 |
| d, мм | 40 | 40 | 40 |
| в, мм | 12 | 12 | 12 |
| h, мм | 8 | 8 | 8 |
| t1, мм | 5 | 5 | 5 |
| t2, мм | 3,3 | 3,3 | 3,3 |
| l, мм | 36 | 36 | 80 |
| lр, мм | 24 | 24 | 68 |
|
| 76 | 61,3 | 21,6 |
|
| 80 | 80 | 80 |
Прочность по условию (2.72) достаточна.
Шпонка призматическая (по ГОСТ 23360-78) [2].
Для соединения вал-зубчатое колесо: Шпонка 12x8x36 ГОСТ 23360-78.
Для соединения вал-шестерня: Шпонка 12x8x36 ГОСТ 23360-78.
Для соединения вал-дебаланс: Шпонка 12x8x36 ГОСТ 23360-78.
2.6 Выбор и расчёт подвески виброплиты
Эскизная компоновка виброплиты приведена на (Рисунке 2.13).
Подвеска виброплиты соответствует подвеске уплотнителя откосов, установленного на машине ВПО- 3000. Разница в том, что механизм подъёма и опускания – гидравлический.
Расчёт подвески виброплиты сводится к расчёту и выбору гидроцилиндров и расчёту рессор.
2.6.1 Расчёт и выбор гидроцилиндров
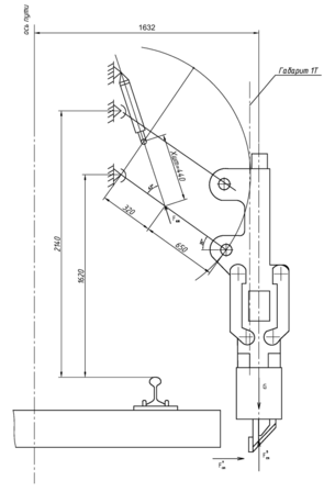
Для определения длины хода поршня Xпор и усилия на штоке Fшт изобразим в масштабе расчётную схему рабочего оборудования (Рисунок 2.15).
Усилие на штоке определим для двух неблагоприятных случаев нахождения виброплиты.
-
Виброплита находится в нижнем положении при подъёме (вертикальная статическая сила прижатия Fвст к балласту (Рисунок 2.15) не действует) (Рисунок 2.14).
Рисунок 2.14-Схема к определению усилия на штоке
Рисунок 2.15-Расчетная схема к определению длины хода поршня и усилия на шток
:
;
, (2.73)
где
- масса рабочего оборудования, кг [5].
,(2.74)
где
- приведённая масса виброплиты, кг (
=460 кг);
- масса рамы, кг (
=682 кг [5]);
- масса установки электродвигателя, кг;
- масса элементов присоединения, кг ( Принято
=100кг);
- масса щеки, кг (
=72 кг [5]).
,(2.75)
где
- масса электродвигателя, кг (
=160кг);
- масса элементов установки, кг (Принято
=70кг).
















