49673 (588668)
Текст из файла
Федеральное агентство по образованию
ЮЖНО-УРАЛЬСКИЙ ГОСУДАРСТВЕННЫЙ УНИВЕРСИТЕТ
Факультет Приборостроительный
Кафедра Автоматика и управление
ПРОЕКТ ПРОВЕРЕН ДОПУСТИТЬ К ЗАЩИТЕ
Рецензент Заведующий кафедрой
____________________________ ___________________________
“_____” _____________ 2007__ г. “ _____ “ ____________ 2007__ г.
Диагностика отказов системы регулирования уровня в баке
ПОЯСНИТЕЛЬНАЯ ЗАПИСКА К ДИПЛОМНОМУ ПРОЕКТУ
ЮУрГУ-Д.220200 068.000.ПЗ
Консультанты: Руководитель проекта:
______________________________ ______________________________
______________________________ ______________________________
“ _____ “ ______________ 2007 _ г. Автор проекта
студент группы ПС-269м.
______________________________
______________________________ Иванов А.А. .
“ ____ “ ________________ 2007 _ г.
______________________________ Нормоконтролер
______________________________ ______________________________
“ ____ “ ________________ 2007 _ г. “ _____ “ ______________ 2007 __ г.
“ ____ “ ________________ 2007 _ г.
Челябинск - 2007 г.
Содержание
Введение
1. Обзор литературы и постановка задачи
2. Описание метода диагностики отказов
2.1. Основные понятия метода
2.2. Диагностика отказов, основанная на принципе аналитической избыточности
2.3. Основные принципы диагностики отказов, основанной на использовании моделей
2.3.1. Метод диагностики отказов, основанный на использовании моделей
2.3.2. Диагностика отказов при работе системы
2.3.3. Моделирование систем с отказами
2.3.4. Общая структура формирования рассогласования в диагностике отказов, основанной на моделях
2.3.5. Выявляемость отказов
2.3.6. Изолируемость отказов
2.3.6.1. Структурирование рассогласований
2.3.6.2. Фиксирование направления вектора рассогласования
2.3.6.3. Изоляция отказов датчиков и исполнительных механизмов
2.3.7 Техники формирования рассогласования
2.3.7.1. Методы, основанные на использовании наблюдателей
2.3.7.2. Методы, основанные на оценке параметров
2.3.8. Формирование рассогласований на основе наблюдателей состояния
2.3.9. Формирование рассогласований не чувствительных к ошибкам линеаризации и взомущениям
2.4. Наблюдатели при неизвестном входе
2.4.1. Проектирование наблюдателей при неизвестном входе
2.4.2. Схемы надежных выявления и изоляции отказов, основанные на наблюдателях при неизвестном входе
2.4.2.1. Схемы надежного выявления отказов, основанные на наблюдателях при неизвестном входе
2.4.2.2. Схемы надежной изоляции отказов датчиков
2.4.2.3. Схема надежной изоляции отказов исполнительных механизмов
2.5. Нейронные сети в диагностике отказов
3. Диагностика отказов системы регулирования уровня жидкости в баке
3.1. Постановка задачи
3.2. Моделирование элементов системы и отказов
3.2.1. Модель объекта управления
3.2.2. Модель исполнительного механизма
3.2.3. Моделирование датчиков
3.2.4. Моделирование регулятора
3.2.5. Моделирование отказов
3.3. Проектирование системы диагностики отказов
3.3.1. Описание системы с отказами
3.3.2. Моделирование отказов в Vissime
3.3.3. Диагностика отказов с помощью наблюдателей состояния
3.3.3.1. Выявление отказов
3.3.3.2. Изоляция отказов
3.4. Диагностика отказов с помощью наблюдателей при неизвестном входе
3.4.1. Выявление отказов
3.4.2. Изоляция отказов
3.5. Основные выводы и результаты
4. Безопасность жизнедеятельности
4.1. Анализ опасных и вредных производственных факторов
4.2. Мероприятия по производственной санитарии
4.2.1. Требования к ПЭВМ
4.2.2. Требования к помещениям для работы с ПЭВМ
4.2.3. Микроклимат на рабочих местах, оборудованных ПЭВМ
4.2.4. Шум на рабочих местах, оборудованных ПЭВМ
4.2.5. Освещение
4.2.6. Уровень электромагнитных излучений
4.3. Эргономика и производственная эстетика
4.4. Электробезопасность рабочих мест
4.5. Пожарная безопасность
5. Организационно – экономический раздел
5.1. Постановка задачи
5.2. Сетевое планирование дипломной работы
5.2.1 Расчет ожидаемой продолжительности выполнения работ
5.2.2. Расчет параметров событий сетевого графика
5.2.3.Расчет параметров работ сетевого графика
5.3. Расчет стоимостных параметров сетевого графика
5.3.1. Расчет трудоемкости работ
5.3.2. Расчет сметной стоимости работ
-
Заключение
-
Литература
-
Приложение
Введение
Системы автоматического управления стали неотъемлемой частью технического оснащения современного производства, обеспечивая повышение качества продукции и улучшение экономических показателей производства. Системы управления становятся все более и более сложными, так же как и алгоритмы управления что, приводит к повышению требований к надежности и безопасности управления.
Эти задачи наиболее важны в системах с особыми требованиями к обеспечению безопасности, таких как ядерные реакторы, химические предприятия и воздушный транспорт. Для таких систем отказы могут привести человеческим смертям, катастрофическому загрязнению окружающей среды и значительному материальному ущербу. Поэтому, возрастает необходимость в наблюдении в режиме реального времени и диагностике отказов для увеличения надежности таких систем. Ранее выявление отказов позволяет предотвратить дальнейшее его развитие и, следовательно, возникновение более существенных повреждений, неполадок, последствия которых могут быть даже катастрофическими.
В данной работе диагностика отказов будет рассматриваться применительно к радиохимическому производству.
1. Обзор литературы и постановка задачи
Задачей данной работы является разработка (исследование) методики диагностики отказов элементов системы управления для радиохимического производства. В работе, в качестве типового объекта автоматизации, рассматривается процесс жидкостной экстракции, используемый при переработке облученного ядерного горючего.
Описание объекта управления
Технологический цикл переработки облученного ядерного горючего можно разбить на определенное число операций, применяемых в любой схеме переработки независимо от технологического решения: подготовка отработанных ядерных отходов к переработке, разделение, приготовление товарного продукта, товарный продукт, обработка отходов, получение ценных изотопов и захоронение.
Основная операция при переработке облученного ядерного горючего – разделение (целевых продуктов и примесей, целевых продуктов между собой и т.д.). Она стоит из основных процессов – собственно процессов разделения и вспомогательных – окисления, восстановления, концентрирования и т.д. Все процессы разделения в радиохимии основаны на очень тонком различии в свойствах и поведении соединений металлов.
В качестве процесса разделения в основном используются массообменные процессы. Одной из разновидностей массообменных процессов является жидкостная экстракция, при которой разделение происходит с использованием добавочного компонента.
Экстракцией называют процессы разделения жидких смесей и извлечение компонентов из твердых или жидких веществ при помощи жидкого растворителя (экстрагента), избирательно растворяющего только извлекаемые компоненты. Наиболее распространена в радиохимической промышленности жидкостная экстракция (система жидкость-жидкость).
При жидкостной экстракции исходный раствор обрабатывается экстрагентом, который не растворим или мало растворим в исходной смеси. В результате взаимодействия экстрагента с исходным раствором образуются: экстракт – раствор извлеченных из исходной смеси компонентов в экстрагенте и рафинат – жидкая смесь, обедненная извлекаемыми компонентами и обычно содержащая некоторое количество экстрагента.
Разделение жидкой смеси методом экстракции складывается из следующих процессов:
-
смешение исходной смеси с экстрагентом для создания между ними тесного контакта;
-
разделение двух несмешивающихся жидких фаз (экстракта и рафината);
-
регенерация экстрагента, т.е. удаление его из экстракта и рафината.
Основными аппаратами в которых осуществляется экстракция являются: экстракционные колонны, смесители-отстойники, центробежные экстракторы.
Смесители-отстойники состоят из набора смесительно-отстойных камер. В каждую секцию входят смесительная и отстойная камеры. В смесительной камере, являющейся по существу непрерывным реактором полного смешения, органическая и водная фазы перемешиваются, образуя эмульсию. Эмульсия передается в отстойную камеру, где фазы разделяются при отстое и выдаются раздельно в соседние смесительные камеры. Перемешивание осуществляется с помощью мешалок, пульсирующего давления и т.д.
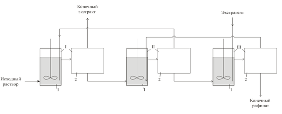
Процессы многоступенчатой экстракции проводятся непрерывным способом в ряде ступеней, состоящих из смесителей и отстойников (рисунок 1.1). Наиболее распространена противоточная многоступенчатая экстракция. Исходный раствор и экстрагент поступают с противоположных концов аппарата; например, исходный раствор попадает в первую ступень, экстрагент в последнюю ступень. Соответственно из первой ступени удаляется конечный экстракт, а из последней конечный рафинат.
В этом процессе свежий экстракт вступает в контакт с рафинатом, имеющим наименьшую концентрацию распределяемого компонента, и после многократного контактирования в последовательных ступенях процесса насыщается извлекаемым веществом. В результате требуемая степень экстракции достигается при минимальном расходе экстрагента.
При противоточной многоступенчатой экстракции в последней по ходу экстракта ступени экстракт контактируется с исходным раствором. Поэтому наибольшая концентрация распределяемого компонента в экстракте является равновесной с концентрацией его в исходном растворе.
I, II, III – аппараты первой, второй и третьей ступени;
1 – смеситель, 2 – отстойник.
Рис.1.1. Схема противоточной многоступенчатой экстракции
Радиохимическое производство обладает рядом специфических особенностей, которые сказываются на разработке систем автоматизации и их эксплуатации.
Условия проведения химико-технологических процессов характеризуются высокими давлениями и температурами, агрессивностью обрабатывающих сред, необходимостью обеспечения безопасностью при любых, в частности потенциально опасных процессах.
Получение текущей информации о ходе технологического процесса связано с определением концентраций веществ в радиоактивных растворах. Это сужает и без того неширокий круг методов и приборов контроля состава, используемых в общих химических производствах. Требования же к качеству проведения процесса высоки, следовательно, нужна высокая точность измерения.
Применяемые средства контроля должны обладать повышенной надежностью, так как при размещении их в радиоактивной зоне проверки, замена и т.п. операции весьма не желательны, а часто просто не возможны.
Все эти и многие другие, здесь не рассматриваемые особенности радиохимических производств привели к определенным требованиям к системам управления. Одним из наиболее важных требований является обеспечение безопасности. Для обеспечения этого необходимо выполнять наблюдение за системой в режиме реального времени, диагностировать отказы для увеличения надежности таких систем. Ранее выявление отказов позволяет предотвратить дальнейшее его развитие и, следовательно, возникновение более существенных повреждений, неполадок, последствия которых могут быть даже катастрофическими.
Развитие диагностики началось в ранние 1970-е. В 1973 году Джонс представил, например, хорошо известный метод «фильтров выявления отказов» для линейных систем.
Виллски обобщил ранние исследования в этой области. Ролт рассмотрел применение методов идентификации к выявлению отказов реактивных двигателей. Методы корреляции были применены для выявления протечек Изерманом
Первая книга по методам диагностики, основанным на моделях, применительно к химическим процессам была опубликована Химмелблау в 1978. Выявление отказов датчиков, основанное на аналитической избыточности наблюдателей было предложено Кларком.
Использование методов оценки параметров для выявления отказов технических систем было продемонстрировано Холлманом, Гейгером, Филбертом и Метсгером. Развитие методов выявления отказов процесса, основанное на моделировании, оценке параметров и состояния, было обобщено Изерманом. Методы вектора равенства были изначально предложены Шой и Вилски, а затем в дальнейшем доработаны Патоном и Ченом.
Методы частотной области обычно применяются когда воздействие как отказов, так и возмущений имеет частотные характеристики, отличающиеся друг от друга и, следовательно, частотный спектр служит критерием различения отказов. Данные методы рассматриваются в работах Франка и Динга.
Задача отделения рассогласований от возмущений рассматривается в нескольких статьях. Например, Шоу и Вилски, Чанг, Спейер, Лю и др. предложили оптимальные надежные отношения равенства, а Энами и Наэни выдвинули концепцию порогового селектора. Чен и Патон для выполнения надежной диагностики использовали метод отделения возмущений. Метод Патона и Чена интересен в противопоставлении с методом Шоу и Вилски, которые минимизировали моделируемую неопределенность, для нескольких рабочих точек. Патон и Чен рассматривали эту проблему непосредственно при оценке оптимальной матрицы неизвестных входных возмущений в диапазоне рабочих точек и использовали метод распределения собственных чисел.
Характеристики
Тип файла документ
Документы такого типа открываются такими программами, как Microsoft Office Word на компьютерах Windows, Apple Pages на компьютерах Mac, Open Office - бесплатная альтернатива на различных платформах, в том числе Linux. Наиболее простым и современным решением будут Google документы, так как открываются онлайн без скачивания прямо в браузере на любой платформе. Существуют российские качественные аналоги, например от Яндекса.
Будьте внимательны на мобильных устройствах, так как там используются упрощённый функционал даже в официальном приложении от Microsoft, поэтому для просмотра скачивайте PDF-версию. А если нужно редактировать файл, то используйте оригинальный файл.
Файлы такого типа обычно разбиты на страницы, а текст может быть форматированным (жирный, курсив, выбор шрифта, таблицы и т.п.), а также в него можно добавлять изображения. Формат идеально подходит для рефератов, докладов и РПЗ курсовых проектов, которые необходимо распечатать. Кстати перед печатью также сохраняйте файл в PDF, так как принтер может начудить со шрифтами.
















