49673 (588668), страница 9
Текст из файла (страница 9)
Как было описано ранее, с помощью наблюдателей можно выявлять возникающие в системе отказы датчиков и исполнительных механизмов. Сформируем группу рассогласований для изоляции отказов датчиков.
Изоляция отказов датчиков
При условии, что в системе присутствуют только отказы датчиков, выход системы может быть задан следующим образом:
Если нам необходимо выявить только отказы датчиков, то выход системы может быть задан так:
y(s) = Gu(s)u(s) + fs(s), (3.57)
где Gu(s) определяется по (3. ), fs(s) - s-преобразование вектора отказов датчиков:
. (3.58)
Необходимо спроектировать совокупность сигналов рассогласования, которая позволяла бы изолировать отказы каждого датчика. Для этого, в соответствии с пунктом 2.3.6 можно использовать различные схемы изоляции отказов. Рассмотрим возможность использования схемы наблюдателей Франка. В соответствии с этой схемой, в данном случае, необходимо спроектировать два сигнала рассогласований каждое из которых будет нечувствительно только к одному из отказов датчиков ( отказу датчика уровня h2 или отказу датчика положения х).
Спроектируем сигнал рассогласования чувствительный к отказу первого датчика fs1(s) = [fs1(s); fs2(s)] и не чувствительный к отказу датчика положения fs2(s). Перепишем уравнение (4.69) так:
, (3.59)
где y1(s) = [y1(s); y2(s)], y2(s) = y3(s), fs2(s) = fs3(s).
Тогда генератор рассогласования примет следующий вид:
rs1(s) = [rs11(s); rs12(s)] = Hu1(s) u(s)+ Hy1(s)y1(s). (3.60)
При подстановке y1(s) в это уравнение получим:
rs1(s) = [Hu1(s) + Hy1(s)Gu(s)]u(s) + Hy1(s)fs1(s). (3.61)
Рассогласование будет чувствительно только к отказу fs1(s), когда матрицы передаточной функции генератора рассогласования будут удовлетворять следующим условиям:
(3.62)
Для рассматриваемой системы (3.26)
. При использовании наблюдателя состояния передаточная матрица(см. (3.60)):
связывающая рассогласование и 1 и 2 выходы системы в соответствии с (3.63) так:
, (3.64)
где С1 – матрица С , из которой исключена 3 строка, Н1 – соответствующий вектор обратной связи наблюдателя состояния. Следовательно, передаточная матрица Hu1(s) будет иметь вид:
. (3.65)
При проектировании рассогласования таким образом может быть изолирован отказ первого датчика. Из этих формул видно, что для этого необходимо спроектировать наблюдатель состояния, запускаемый всеми входами системы и всеми, за исключением одного у3(t) выходами. Формирователь рассогласования, построенный на основе такого наблюдателя будет иметь вид:
(3.66)
После расчета коэффициентов обратной связи наблюдателя Н1 из условия обеспечения его устойчивости получим следующий формирователь рассогласования:
, (3.67)
Аналогичным образом определяется формирователь рассогласования позволяющий изолировать отказ датчика положения:
, (3.68)
Таким образом, с помощью полученной совокупности рассогласований {rs1(t), rs3(t)} выполняется изоляция отказов датчиков: каждое рассогласование не чувствительно только к соответствующему отказу датчика т.е. оно близко к нулю при соответствующем отказе, и больше некоторого порогового значения при отказе другого датчика.
Следует отметить, что в данном случае формируются вектора рассогласования rs1(t)=[ rs11(t); rs12(t)] и rs3(t)=[ rs31(t); rs32(t)]. Для выполнения выявления отказов достаточно использовать по одному из элементов данных векторов. Выберем в качестве рассогласований:
rs1(t)=rs12(t)=y2(t)-
. (3.69)
rs3(t)=rs31(t)=y1(t)-
. (3.70)
Пороговые значения для рассогласований представлены в таблице 3.2. Схема изоляции отказов датчиков представлена на рисунке 3.17. Сигнатуры рассогласований при различных отказах датчиков приведены в таблице 3.3, реакции рассогласований на отказы датчиков изображены на рисунках 3.18, 3.19.
Таблица 3.2.
Пороговые значения рассогласований
| Ts1 | Ts3 |
| 3e-8 | 1.1e-8 |
Таблица 3.3.
Сигнатуры рассогласований
| Отказ | rs1 | rs3 |
| fs1 – датчик уровня h2 | 0 | 1 |
| fs3 – датчик положения задвижки | 1 | 0 |
Значение «1» в таблице 3.3 означает превышение рассогласованием соответствующего порогового значения.
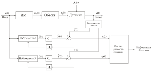
Рис. 3.17. Схема изоляции отказов датчиков
Рис. 3.18. Рассогласования при отказе датчика уровня h2
Рис. 3.19. Рассогласования при отказе датчика положения
Изоляция отказа исполнительного механизма
Для изоляции отказа исполнительного механизма будем использовать дополнительный наблюдатель состояния (рисунок 3.20). Спроектируем формирователь рассогласования. Представим описание модели исполнительного механизма (2.10) в переменных состояния:
(3.71)
Наблюдатель состояния в этом случае будет иметь вид:
(3.72)
а формирование рассогласования будет осуществляться следующим образом:
(3.73)
Сигнал о положении задвижки получаем с помощью датчика положения, вероятность возникновения отказа fs3 в котором так же необходимо учитывать. Таким образом, в соответствии с формулами (2.41), (2.42), (2.44) рассогласование ra(t) будет реагировать на эти два отказа:
. (3.74)
Рис. 3.20. Изоляция отказа исполнительного механизма
Пороговое значение для сигнала рассогласования Ta = 6e-17. При отказе исполнительного механизма или датчика положения это рассогласование будет превышать пороговое значение, сигнализируя об отказе. (см. рисунки 3.21, 3.22).
Рис. 3.21. Рассогласование ra(t) при отказе исполнительного механизма
Рис. 3.22. Рассогласование ra(t) при отказе датчика положения
Изоляция отказов элементов системы
Таким образом, с помощью наблюдателей состояния мы получили шесть сигналов рассогласования: r1, r2, r3 – формирователь (3.67), rs1, rs2 - формирователи (3.78) и (3.79), ra – формирователь (3.83). Для построения системы диагностики, позволяющий изолировать все рассматриваемые отказы, необходимо рассматривать все эти рассогласования совместно. Как видно из рисунков (3.12)-(3.16) рассогласования r1, r2, r3 реагируют на все возможные отказы в системе, rs1, rs3 так же будут чувствительны ко всем отказам, а rа сформировано таким образом, чтобы реагировать только на отказ исполнительного механизма и датчика положения.
Реакции этих рассогласований на все рассматриваемые отказы представлены в таблице 3.4. В таблице значение «0» соответствует отсутствию реакции рассогласования на отказ, «1» - рассогласование чувствительно к отказу.
Таблица 3.4.
Сигнатуры рассогласований при различных отказах
| Отказы | fs1 | fs3 | fc1 | fc2 | fa |
| r1 | 1 | 1 | 1 | 1 | 1 |
| r2 | 1 | 1 | 1 | 1 | 1 |
| r3 | 0 | 1 | 0 | 0 | 1 |
| rs1 | 0 | 1 | 1 | 1 | 1 |
| rs3 | 1 | 0 | 1 | 1 | 1 |
| ra | 0 | 1 | 0 | 0 | 1 |
Из таблицы видно, что по сформированным рассогласованиям можно изолировать отказы исполнительного механизма, датчика уровня h2, датчика положения задвижки и отказы системы.
Однако реакция рассогласований на отказы объекта управления (утечка в баке и отказ задвижки) одинакова. С помощью полученных рассогласований изолировать эти отказы невозможно и для выполнения этой задачи необходимо использовать другую методику.
Изоляция отказов объекта управления
В соответствии с пунктом 2.5 для решения поставленной задачи будем использовать нейронную сеть.
Выберем двухслойную нейронную сеть с прямыми связями. Сеть будет иметь 3 входа(рассогласования r1, r2, r3) и 2 выхода. Функции активации нейронов сети установим логарифмическими сигмоидальными. Для обучения используем алгоритм с обратным распространением ошибки Левенберга-Маккварта.
Эта нейронная сеть будет классифицировать образцы рассогласований r1, r2, r3 в соответствии с типом отказа (утечка в баке или отказ задвижки).
Для обучения сети проводится ряд экспериментов: на модели имитаторе системы устанавливаются различные значения величин отказов δc1 и δc2 в диапазоне их изменения, получаемые при этом установившиеся значения рассогласований r1, r2, r3 запоминаются и затем используются в качестве образцов для обучения сети. Кроме того, обучение сети так же проводится на образцах, соответствующих безотказному режиму работы системы.
















