04Глава 3 (561021), страница 7
Текст из файла (страница 7)
обобщенная функция сброса
которая подается на общую шину установки всего счетчика в нуль.
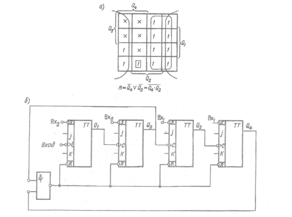
Пример. Рассмотрим построение декадного счетчика на J – K-триггерах и логической схеме И—НЕ. Декадный счетчик (к=10) можно получить из последовательного четырех разрядного счетчика с к=16, если при поступлении десятого сигнала, когда установится состояние выходов Q4Q3Q2Q1=1010, подать на общий вход установки нуля сигнал R = 1. Для этого используется управляющая комбинационная схема, выходная функция которой R равна 1 только при Q4=Q2=1 и при Q3=Q1=0. После минимизации функции сброса с использованием карт Вейча (рис. 3.14 а) получаем выражение функции
, которая реализуется на двухвходовом элементе И—НЕ, подключаемом ко входу R последовательного счетчика. Схема декадного счетчика приведена на рис. 3.14 б.
Рис. 3.14 Декадный счетчик: а — карта Вейча; б — схема декадного счетчика
При построении синхронных пересчетных схем используют методы структурного синтеза автоматов. Рассмотрим вышеприведенный пример. Кодированная таблица функций перехода и возбуждений декадного счетчика приведена в табл. 3.20.
Таблица 3.20
| № п/п | Время t | Время t+1 | Функции возбуждения | |||||||||||||
| Q4 | Q3 | Q2 | Q1 | Q4 | Q3 | Q2 | Q1 | J4 | K4 | J3 | K3 | J2 | K2 | J1 | K1 | |
| 1 | 0 | 0 | 0 | 0 | 0 | 0 | 0 | 1 | 0 | b | 0 | b | 0 | b | 1 | b |
| 2 | 0 | 0 | 0 | 1 | 0 | 0 | 1 | 0 | 0 | b | 0 | b | 1 | b | b | 1 |
| 3 | 0 | 0 | 1 | 0 | 0 | 0 | 1 | 1 | 0 | b | 0 | b | b | 0 | 1 | b |
| 4 | 0 | 0 | 1 | 1 | 0 | 1 | 0 | 0 | 0 | b | 1 | b | b | 1 | b | 1 |
| 5 | 0 | 1 | 0 | 0 | 0 | 1 | 0 | 1 | 0 | b | b | 0 | 0 | b | 1 | b |
| 6 | 0 | 1 | 0 | 1 | 0 | 1 | 1 | 0 | 0 | b | b | 0 | 1 | b | b | 1 |
| 7 | 0 | 1 | 1 | 0 | 0 | 1 | 1 | 1 | 0 | b | b | 0 | b | 0 | 1 | b |
| 8 | 0 | 1 | 1 | 1 | 1 | 0 | 0 | 0 | 1 | b | b | 1 | b | 1 | b | 1 |
| 9 | 1 | 0 | 0 | 0 | 1 | 0 | 0 | 1 | b | 0 | 0 | b | 0 | b | 1 | b |
| 10 | 1 | 0 | 0 | 1 | 0 | 0 | 0 | 0 | b | 1 | 0 | b | 0 | b | b | 1 |
Рис. 3. 15 Декадный синхронный счетчик:
а — карты Вейча; б — схема декадного счетчика
Карты Вейча для минимизации функций представлены на рис. 3.15 а, из которых получаем выражения для функций возбуждения:
Функциональная схема декадного синхронного счетчика приведена на рис. 3.15, б.
Сумматоры и вычитатели. Сумматором называется операционное устройство, выполняющее арифметическое (без учета знаков) сложение кодов чисел.
В зависимости от количества разрядов слагаемых, участвующих в сложении, различают одно- и многоразрядные сумматоры.
При сложении двух чисел независимо от системы счисления в каждом разряде суммируются три цифры две цифры данного разряда слагаемых и цифра переноса из соседнего младшего разряда. В результате сложения определяются две цифры: цифра данного разряда суммы и цифра переноса в следующий разряд.
Одноразрядный полный сумматор представляет собой схему, имеющую три входа и два выхода, работа которой описывается булевыми функциями согласно таблице истинности (табл. 3.21) полного сумматора:
сумма:
перенос:
где aibi — цифра i–го разряда слагаемых; Ci-1 — перенос из предыдущего младшего разряда; Si — цифра i–го разряда суммы; Ci — перенос в следующий старший разряд.
Таблица 3.21
| ai | bi | Ci-1 | Si | Ci | ai | bi | Ci-1 | Si | Ci |
| 0 | 0 | 0 | 0 | 0 | 1 | 0 | 0 | 1 | 0 |
| 0 | 0 | 1 | 1 | 0 | 1 | 0 | 1 | 0 | 1 |
| 0 | 1 | 0 | 1 | 0 | 1 | 1 | 0 | 0 | 1 |
| 0 | 1 | 1 | 0 | 1 | 1 | 1 | 1 | 1 | 1 |
Указанные функции (или логически эквивалентные им) реализуются за одни или несколько тактов работы схемы, что позволяет получать различные виды двоичных сумматоров.
Комбинационный сумматор не обладает свойством памяти, коды слагаемых поступают на входы сумматора одновременно, выходные сигналы вырабатываются только во время действия входных сигналов.
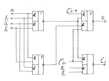
На рис. 3.16 представлены схемы одноразрядного комбинационного сумматора, реализованного на разных типах элементов, выходные функции которого имеют вид:
элементы И — ИЛИ — НЕ:
элементы И— НЕ:
Выходные сигналы схемы вырабатываются непосредственно после одновременной подачи входных сигналов, т.е. работа схемы однотактная. При снятии сигналов со входов схемы выходные сигналы теряются.
Быстродействие одноразрядного комбинационного сумматора характеризуется временем установления выходных сигналов суммы и переноса после подачи входных сигналов. Наиболее важным с точки зрения быстродействия является время формирования сигнала переноса, так как при образовании многоразрядного сумматора из одноразрядных схем сигнал переноса может распространяться от разряда к разряду. Для увеличения быстродействия сумматоров используется принцип одновременного (параллельного) переноса, когда входной перенос каждого разряда вырабатывается независимо от переноса соседнего младшего разряда.
















