04Глава 3 (561021), страница 6
Текст из файла (страница 6)
Если перенос (заем) ψ i(a) в старший разряд образуется при переходе младшего разряда из состояния Si(a)=0 в состояние Si-1(a)=0, то счетчик работает в режиме вычитания:
Основой построения счетчиков служат триггеры. Быстродействие счетчика зависит от реализации межразрядных соединений. Существует несколько способов передачи переносов: последовательный, параллельный, сквозной, групповой и др. Групповой перенос представляет комбинацию параллельного переноса в группе и сквозного между группами разрядов счетчика и наоборот.
В счетчике с последовательным переносом счетные сигналы подаются только на вход триггера первого разряда. Для каждого из последующих разрядов сигналы переноса поступают с выхода предшествующих разрядов. В результате происходит последовательное переключение разрядов счетчика. Быстродействие такого счетчика определяется задержкой распространения сигнала:
где n— количество разрядов в счетчике; tdтр— средняя задержка триггера.
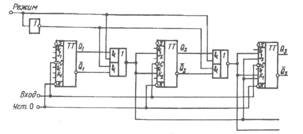
На рис. 3.10 а, б приведены схемы суммирующего, а на рис. 3.10 в, г — вычитающего счетчиков с последовательным переносом, собранных на J – K- и D-триггерах соответственно (
,
— сложение,
и
— вычитание).
Рис. 3.10 Счетчик с последовательным переносом:
а, б — суммирующий; в, г — вычитающий
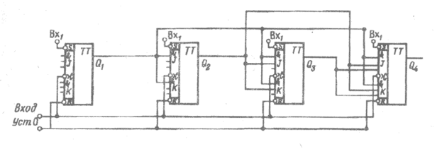
В счетчиках с параллельным переносом на информационный вход каждого разряда поступают сигналы с выходов всех предшествующих разрядов, а входной счетный сигнал одновременно (параллельно) поступает на синхровходы С триггеров всех разрядов. Счетчики с параллельным переносом обычно строятся на базе J – K- и D – V-триггеров, синхронизируемых фронтом сигнала. Быстродействие счетчика с параллельным переносом определяется задержкой сигнала на одном триггере:
.
На рис. 3.11 представлены схемы суммирующего (вычитающего) счетчика с параллельным переносом на J – K-триггерах:
Алгоритм синтеза счетчиков рассмотрим на примере построения трехразрядного реверсивного синхронного счетчика (при х=0 суммирующий счетчик, при х=1 вычитающий счетчик) на J – K-триггерах.
Рис. 3.11 Счетчик с параллельным переносом
Таблица переходов счетчика представлена в столбцах 2…8 (табл.3.19).
Таблица 3.19
| № п/п | Входной сигнал х | Время t | Время t+1 | Функции возбуждения | |||||||||
| Q3 | Q2 | Q1 | Q3 | Q2 | Q1 | J3 | K3 | J2 | K2 | J1 | K1 | ||
| 1 | 0 | 0 | 0 | 0 | 0 | 0 | 1 | 0 | b | 0 | b | 1 | b |
| 2 | 0 | 0 | 0 | 1 | 0 | 1 | 0 | 0 | b | 1 | b | b | 1 |
| 3 | 0 | 0 | 1 | 0 | 0 | 1 | 1 | 0 | b | b | 0 | 1 | b |
| 4 | 0 | 0 | 1 | 1 | 1 | 0 | 0 | 1 | b | b | 1 | b | 1 |
| 5 | 0 | 1 | 0 | 0 | 1 | 0 | 1 | b | 0 | 0 | b | 1 | b |
| 6 | 0 | 1 | 0 | 1 | 1 | 1 | 0 | b | 0 | 1 | b | b | 1 |
| 7 | 0 | 1 | 1 | 0 | 1 | 1 | 1 | b | 0 | b | 0 | 1 | b |
| 8 | 0 | 1 | 1 | 1 | 0 | 0 | 0 | b | 1 | b | 1 | b | 1 |
| 9 | 1 | 0 | 0 | 0 | 1 | 1 | 1 | 1 | b | 1 | b | 1 | b |
| 10 | 1 | 1 | 1 | 1 | 1 | 1 | 0 | b | 0 | b | 0 | b | 1 |
| 11 | 1 | 1 | 1 | 0 | 1 | 0 | 1 | b | 0 | 0 | 1 | 1 | b |
| 12 | 1 | 1 | 0 | 1 | 1 | 0 | 0 | b | 0 | 0 | b | b | 1 |
| 13 | 1 | 1 | 0 | 0 | 0 | 1 | 1 | b | 1 | 1 | b | 1 | b |
| 14 | 1 | 0 | 1 | 1 | 0 | 1 | 0 | 0 | b | b | 0 | b | 1 |
| 15 | 1 | 0 | 1 | 0 | 0 | 0 | 1 | 0 | b | 0 | 1 | 1 | b |
| 16 | 1 | 0 | 0 | 1 | 0 | 0 | 0 | 0 | b | 0 | b | b | 1 |
По табл. 3.19, с использованием матрицы переходов триггера, составляется функция возбуждения кодов счетчика (столбцы 9…14). Карты Вейча (рис. 3.12) позволяют получить минимальные формы функций:
Рис. 3. 12 Карты Вейча для минимизации функций
по аналогии
Схема синхронного реверсивного счетчика с параллельным переносом, построенная на J – K-триггерах и элементах И — ИЛИ — НЕ, показана на рис. 3.13
Рис. 3.13 Синхронный реверсивный счетчик
В зависимости от управляющего сигнала х (сложение—вычитание) открывается схема И—НЕ межразрядных переносов либо для режима сложения, лило для режима вычитания.
Емкостью счетчика называется число его различных состояний. Двоичный n–разрядный счетчик на базе счетных триггеров имеет максимальную емкость С=2 n. Если входной сигнал снимается только со старшего разряда счетчика, то он указывает, что на выход подано 2 n сигналов.
Схема счетчика, фиксирующая выходной сигнал после поступления на его вход фиксированного числа сигналов, называется пересчетной схемой. Число входных сигналов, определяющих появление выходного сигнала, называется коэффициентом пересчета схемы. При наличии обратных связей n-разрядный двоичный счетчик имеет емкость К<2 n; такие схемы называются счетчиками по модулю К. Для построения асинхронной пересчетной схемы с заданным числом состояний К определяется:
количество разрядов n из условия
число неиспользованных состояний m
2>















