05Глава 4 (561022)
Текст из файла
Глава 4.Сверхбольшие интегральные схемы
4.1. Классификация СБИС программируемой логики
Разнообразие существующих в настоящее время типов СБИС ПЛ различных фирм не позволяет выбрать единый критерий для их всеобъемлющей классификации. Поэтому целесообразно выделить набор классификационных критериев, обеспечивающих возможность систематизации информации о характеристиках и особенностях существующих СБИС ПЛ и выбора ПЛИС, необходимых при проектировании устройства :
-
степень интеграции;
-
архитектура простейшего функционального преобразователя;
-
организация внутренней структуры СБИС и структуры матрицы
соединений функциональных преобразователей;
-
технология изготовления программируемого элемента.
1. Степень интеграции
Степень интеграции БМК и СБИС ПЛ характеризуется логической емкостью. Логическая емкость, измеряемая числом (Nт) логических вентилей
(элементов типа 2И-НЕ), определяет возможность оцениваемой СБИС обеспечить реализацию цифрового устройства (либо цифровых устройств), для построения которого (которых) требуется Nm логических вентилей.
В соответствии с выбранным критерием СБИС ПЛ делят на СБИС, имеющие:
-
низкую степень интеграции (лог. емк. до 1500 ЛВ);
-
среднюю степень интеграции (лог.емк. от 1500 до 15000 ЛВ);
-
высокую степень интеграции (лог.емк. от 15000 до 150000 ЛВ);
-
сверхвысокую степень интеграции (лог.емк. более 150000 ЛВ).
Соотношение логической емкости наиболее широко известных семейств СБИС ПЛ иллюстрируется на рис. 4.1, где отражены также и названия фирм, выпускающих указанные семейства.
Рис. 4.7 Логическая емкость СБИС ПЛ 2. Архитектура простейшего функционального преобразователя.
Классификация СБИС ПЛ в соответствии с данным критерием приведена на рис. 4.2.
Puc. 4.2 Архитектуры простейших функциональных преобразователей СБИС ПЛ
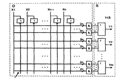
Первыми в логическом проектировании цифровых устройств получили применение БИС постоянных запоминающих устройств: программируемых (ППЗУ, PROM), репрограммируемых (РПЗУ, EPROM) и электрически перепрограммируемых (ЭЛПЗУ, EEPROM). ПЗУ имеет структуру универсального логического преобразователя, т.е. функционально является композицией двух блоков (см. рис. 4.3): дешифратора (D) и шифратора (S). Дешифратор, имеющий фиксированную структуру, порождает полный набор термов от п входных
переменных. Шифратор, реализованный на базе массива хранения данных ПЗУ, является программируемым и обеспечивает формирование m независимых логических функций (m - разрядность выходных данных ПЗУ) от п переменных, представленных в совершенной дизъюнктивной нормальной форме. Недостаток такой организации - избыточность представления функции в СДНФ и связанная с ней степенная зависимость объема накопителя ПЗУ от числа аргументов. Так, для реализации функции от 32 переменных потребуется массив объемом 232=4Гбит.
4.3. ПЗУ- универсальный логический преобразователь СБИС ПЛ следующего поколения - программируемые логические матрицы ПЛМ (Programmable Logic Array - PLA), позволяющие реализовать логические функции, представленные в произвольной (сокращенной, тупиковой, минимальной) дизъюнктивной нормальной форме (ДНФ). ПЛМ также, как и ПЗУ, имеет структуру универсального логического преобразователя (см. рис. 4.4); дешифратор (D) - шифратор (S). Причем, и дешифратор (матрица "И") и шифратор (матрица "ИЛИ") являются программируемыми. Для обеспечения возможности реализации не только комбинационных, но и последовательных схем, на выходы шифратора были добавлены триггеры. Такие БИС получили название программируемые
логические контроллеры (ПЛК), а за рубежом -Programmable Logic Sequencers (PLS).
Поскольку у логических функций, представленных в дизъюнктивной нормальной форме, редко бывают общие термы, то матрица "ИЛИ" оказывается
разреженной, а занятая ей часть кристалла используется не полностью. Таким образом, недостаток ПЛМ и ПЛК - неэффективное использование матрицы "ИЛИ".
Структура программируемой логической матрицы(ПЛМ) Следующим этапом развития СБИС ПЛ явилось появление так называемых БИС программируемой матричной логики (ПМЛ), также имеющих структуру универсального логического преобразователя (см. рис. 4.5): дешифратор (D) -шифратор (S). При этом дешифратор (матрица "И") у БИС ПЛМ -программируемый, а шифратор (матрица "ИЛИ")
имеет фиксированную структуру. Простейшие БИС ПМЛ за рубежом получили название Programmable Array Logic (PAL), а ПМЛ с регистрами на выходе - Generic Array Logic (GAL).
( На рис.4.5. Структура БИС программируемой матричной логики)
В его состав входят: п - входовая таблица перекодировки (ШТ); синхронный триггер; логическая схема управления асинхронными установкой/сбросом триггера (R_S); программируемый мультиплексор выбора источника выходного сигнала (MS). Таблица перекодировок с п входами представляет собой одноразрядное запоминающее устройство объемом 2" бит, позволяющее реализовать любую логическую функцию от п переменных. Таким образом, в рамках простейшего функционального преобразователя, как и в исторически первых СБИС ПЛ — ПЗУ, для формирования логической функции используется фиксированная матрица «И» и программируемая матрица «ИЛИ». Однако, в отличие от ПЗУ, число входов (п) в таблицу перекодировок невелико, а число простейших функциональных преобразователей, размещенных в СБИС, наоборот - весьма значительно и может достигать нескольких тысяч. Это позволяет осуществлять иерархическую реализацию сложных логических функций, и тем, самым нивелировать известный недостаток табличной реализации, связанный со степенной зависимостью объема ЗУ от числа аргументов функции. Так, для реализации функции от 32 аргументов потребуется всего 11 четырехвходовых таблиц перекодировок, а не ЗУ объемом 4Гбит.
Другой тип архитектуры (Simple Logic Cell) простейшего функционального преобразователя (см. рис. 4.8), объединяющий разнообразные СБИС ПЛ различных производителей, основан на использовании комбинационных схем, обеспечивающих реализацию того или иного, минимального или неминимального базиса. В зависимости от используемых комбинационных схем, структуры подобных простейших функциональных преобразователей существенно
‗‗ ‗‗ ‗‗ ‗‗
i = S1& S0& X1 + S1& S0& X2 + S1&S0& X3 + S1& S0& X4
4.8 Структура простейшего функционального
преобразователя СБИС ПЛ
3. Организация внутренней структуры и структуры матрицы
соединений.
В соответствии с этим критерием выделяют СБИС ПЛ, имеющие плоскую (одноуровневую) структуру и многоуровневую (иерархическую) структуру (см. рис.4.9).
| Actel | Одноуровневая структура ACT1 A1ZXXXA(ACT2) A14XXXA(ACT3) | Иерархическая структура L К* |
| ALTERA | Classic | FLEX 1OK FLEX SOOO '. MAX &OOO MAX 7OOO ,' MAX SOOO ; |
| Atmel | ATV ATF ATL AT6000 | . - |
| Xifinx | XC2000 XC3000 XC4000 | xcsooo ; xceooo ; XC7OOO XC9OOO ' |
Puc. 4.9 Способы организации внутренней структуры СБИС ПЛ
Одноуровневые СБИС содержат простейшие функциональные преобразователи, организованные в виде матрицы или линейки, и единую для всей СБИС матрицу соединений функциональных преобразователей (см. рис. 4.10), разделенную узлами коммутации.
матрицы соединений
б) струиггура матрицы совпадений
aj общий вид
Рис. 4.10 Структуры одноуровневой СБИС ПЛ
Элементами структуры СБИС ПЛ с иерархической организацией являются функциональные (логические) блоки, объединяющие, в зависимости от числа
уровней иерархии, либо простейшие функциональные преобразователи (двухуровневая структура), либо более простые функциональные блоки (многоуровневая структура). Для таких СБИС характерно наличие как глобальной матрицы соединений - матрицы соединений логических блоков, так и локальных матриц соединений - матриц соединения функциональных преобразователей внутри логических блоков (см. рис. 4.11).
Матрица соединений
ЛБ-логический блок
ФП - функциональный преобразователь ЛМС - локальная матрица соединений
а) общий вид
Одномерно непрерывная матрица соединении
б) организация матриц соединения
Рис. 4.11 Структура двухуровневой СБИС ПЛ
Структурная организация СБИС ПЛ определяет особенности построения матрицы (или матриц) соединения и ее основные характеристики.
Отметим, что наиболее эффективным способом выполнения соединения функциональных преобразователей, обеспечивающим минимальную и хорошо предсказуемую задержку распространения сигнала, является использование выделенного для каждого соединения, непрерывного канала.
Однако, для одноуровневых СБИС, в которых необходимо обеспечить возможность соединения между собой до нескольких тысяч простейших функциональных преобразователей, подобный подход неэффективен, так как требует слишком большого числа проходящих через всю СБИС каналов, многие из которых будут соединять только соседние функциональные преобразователи. Поэтому в одноуровневых СБИС используют сегментированные матрицы соединений, состоящие из множества коротких горизонтальных и вертикальных отрезков, связанных узлами коммутации (см. рис. 4.10). Недостатками такого
подхода являются увеличение задержки распространения сигнала, что обусловлено наличием узлов коммутации, а также непредсказуемость задержки и
ее зависимость от выбранной трассы соединения. Отметим, что в одноуровневых СБИС ПЛ обычно имеется не одна, а несколько сегментированных матриц, отличающихся длиной сегментов: единичной длины, связывающих соседние функциональные преобразователи: двойной длины и т.д. при этом для распространения критичных к задержкам тактовых и управляющих сигналов используют проходящие через всю СБИС глобальные, непрерывные каналы.
Отметим, что одноуровневые СБИС ПЛ, имеющие сегментированную матрицу соединений, в англоязычной литературе обычно называют Field Programmable Gate Arrays (FPGA).
В многоуровневых, в частности двухуровневых, СБИС ПЛ число функциональных преобразователей в логических блоках обычно невелико и расположены они компактно, поэтому локальные матрицы соединений являются непрерывными, т.е. содержат непрерывные каналы, обеспечивающие соединение функциональных преобразователей в рамках логического блока и обуславливают меньшую по сравнению с одноуровневой структурой задержку распространения сигнала. Глобальная матрица соединений является либо полностью непрерывной, если число логических блоков не велико, либо одномерно-непрерывной, т.е. непрерывной по строкам и по столбцам (см. рис. 4.11). В целом такую структуру организации связи называют непрерывной структурой соединений.
Характеристики
Тип файла документ
Документы такого типа открываются такими программами, как Microsoft Office Word на компьютерах Windows, Apple Pages на компьютерах Mac, Open Office - бесплатная альтернатива на различных платформах, в том числе Linux. Наиболее простым и современным решением будут Google документы, так как открываются онлайн без скачивания прямо в браузере на любой платформе. Существуют российские качественные аналоги, например от Яндекса.
Будьте внимательны на мобильных устройствах, так как там используются упрощённый функционал даже в официальном приложении от Microsoft, поэтому для просмотра скачивайте PDF-версию. А если нужно редактировать файл, то используйте оригинальный файл.
Файлы такого типа обычно разбиты на страницы, а текст может быть форматированным (жирный, курсив, выбор шрифта, таблицы и т.п.), а также в него можно добавлять изображения. Формат идеально подходит для рефератов, докладов и РПЗ курсовых проектов, которые необходимо распечатать. Кстати перед печатью также сохраняйте файл в PDF, так как принтер может начудить со шрифтами.
















