ТСН 50-302-96 фундам гр здан и сооруж в СПб (524746), страница 16
Текст из файла (страница 16)
Значение эксцентриситета при расчете должно приниматься равным допускаемым отклонениям головы сваи. Для безростверковых фундаментов при расположении свай в пределах высоты подвала до 2 м рекомендуется эксцентриситет принимать равным 2 см.
Продольный изгиб свай, полностью находящихся в грунте, не учитывается.
Конструкция свайных фундаментов
3.6.34. С целью обеспечения большей равномерности осадок фундаментов, снижения расхода материалов и стоимости назначение размеров и количества свай должно производиться с учетом наиболее полного использования допустимой расчетной нагрузки на сваю, определенной по несущей способности грунта и материала. Выравнивание вертикальных нагрузок на сваи достигается изменением расстояний между ними в ленточных фундаментах; количеством свай в кустах и в свайных полях; длиной и, в отдельных случаях, назначением свай различного сечения. Рекомендуется производить оптимизацию решения по приведенным затратам.
Недогрузка отдельных свай от вертикальных нагрузок допускается до 15, а перегрузка - до 5 %.
3.6.35. Сваи, как правило, должны прорезать толщу слабых грунтов (прорезка торфа и заторфованных грунтов обязательна) и входить в плотные грунты:
а) в пески крупные и средней крупности, глины и суглинки с показателем текучести IL < 0,25 не менее 0,5 м;
б) в другие грунты - не менее 1,0 м.
Если на слое грунта, принятого за основание, залегают торф, заторфованные грунты или пылевато-глинистые грунты текучей консистенции, нижние концы свай должны быть заглублены в подстилающие плотные грунты не менее чем на 2 м.
Набивные сваи и сваи-оболочки с уширенной пятой должны входить в несущий пласт грунта на глубину не менее диаметра уширения.
Круглые полые сваи без острия и сваи-оболочки, рассчитываемые с учетом грунтового ядра (погружение без выемки или с частичной выемкой грунта) должны входить в несущий слой не менее чем на 2 м.
Если под несущим слоем свайного фундамента залегают слои более слабых грунтов, то ниже острия свай должен оставаться несущий слой, толщина которого должна проверяться расчетом, но быть не менее 1,5 м.
Оставлять нижние концы всех видов свай в пылевато-глинистых грунтах с консистенцией IL > 1 запрещается.
3.6.36. При значительных уклонах кровли слоя грунта, принятого за основание нижних концов свай, рекомендуется назначать разную их длину.
Перепад отметки нижних концов соседних групп свай, как правило, не должен превышать 2 м. При большем перепаде или при опирании свай на разные грунты, рекомендуется делить здание или сооружение осадочными швами на отдельные блоки. Назначение количества свай (расстояние между сваями) в зонах перепада их длины производить с учетом изменения несущей способности свай.
3.6.37. Под несущие и самонесущие стены рекомендуется сваи располагать в один ряд за счет увеличения их сечения и длины, применения забивных оголовков, устройства уширенной пяты и т.п. В углах здания и в местах пересечения стен наличие свай обязательно.
При расположении свай в два ряда и более их следует размещать в шахматном порядке с целью уменьшения ширины ростверка.
Примечание: Запрещается располагать сваи под проемами в стенах подвалов (подполий) без соответствующих расчетов.
3.6.38. Центры тяжести рядов свай под ленточными ростверками должны совпадать с осями приложения нагрузок. Центр тяжести куста свай должен совпадать с точкой приложения равнодействующей от постоянных и длительно действующих временных нагрузок на фундамент.
При наличии горизонтальных нагрузок или изгибающих моментов, действующих в одном направлении, центр тяжести свайного поля должен совпадать с осью равнодействующей силы от постоянных и длительных временных нагрузок.
3.6.39. Расстояние между осями забивных висячих свай, без забивных оголовков, и набивных свай диаметром до 600 мм (без уширения) должно быть не менее 3d, где d - размер поперечного сечения сваи.
В водонасыщенных пылевато-глинистых грунтах, в которых наблюдается при забивке свай поднятие дна котлована и ранее забитых свай, рекомендуется отрывку котлована проектировать с учетом поднятия его дна на
где
- коэффициент, принимаемый равным 0,5-0,7 в зависимости от степени влажности, равной 0,9...1,0;
- объем всех свай, погруженных в грунт, м3;
В проекте необходимо предусматривать добивку приподнятых свай после погружения соседних свай в радиусе, равном половине длины свай. В этом случае при погружении свай рекомендуется их забивать выше проектной отметки на 5...10 см. При добивке доводить сваю до проектной отметки.
Расстояние в свету между сваями-оболочками, набивными сваями диаметром более 600 мм, забивными оголовками и между уширениями назначать не менее 1 м; при выполнении уширений в сухих пылевато-глинистых грунтах твердой и полутвердой консистенции не менее 0,5 м между уширениями.
3.6.40. Стыки составных железобетонных свай рекомендуется назначать сварные, болтовые и стаканного типа (рис. 3.14).
Сварные стыки могут назначаться для всех типов свай и свай-оболочек; стаканного типа (рис. 3.14,б) только для сплошных свай квадратного сечения. Болтовые стыки применяются для свай-оболочек.
Рис.3.14. Стыки призматических свай:
а - сварной; б - стаканный;
1 - свая; 2 - стальной оголовок; 3 - сварной шов; 4 - стакан;
5 - рифленая цилиндрическая часть верхнего звена
Стыки стаканного типа не допускается применять, если в процессе забивки возможно поднятие ранее погруженных свай при забивке последующих или при наличии выдергивающих усилий.
3.6.41. Стыки свай из двух звеньев следует располагать по возможности ниже. В пылевато-глинистых грунтах рекомендуется стыковку звеньев сваи и ее забивку до заданной отметки производить в минимальный отрезок времени (см. табл.2 приложения 3).
3.6.42. Класс бетона по прочности (не ниже В20) и армирование набивных свай должны назначаться по расчету. Сваи армируются каркасами по всей длине или на части ее. Каркас должен иметь ограничители для фиксации его по оси скважины.
Расстояние по окружности между стержнями допускается не менее радиуса арматурного каркаса.
3.6.43. Тип сопряжения сваи с ростверком рекомендуется назначать в соответствии с конструктивными требованиями.
При необходимости передачи на сваю изгибающих моментов от действия вертикальных вдавливающих сил, приложенных с эксцентриситетом, необходимости уменьшения изгибающих моментов от горизонтальных сил, действующих в уровне головы сваи и уменьшения величины горизонтальных смещений следует назначать жесткую заделку сваи в ростверке.
Свободное опирание ростверков может назначаться при передаче вертикальных вдавливающих нагрузок, не выходящих из ядра сечения сваи. В таком случае достаточна заделка сваи в монолитный ростверк на 50 мм.
Для передачи на сваю горизонтальных нагрузок только от ветра заделка голов свай в ростверки без оголения арматуры должна быть не менее 100 мм.
3.6.44. Жесткое сопряжение свай с монолитным ростверком осуществляется заделкой оголенной стержневой арматуры на длину анкеровки Ian, определяемой по СНиП 2.03.01-84.
Для свай с проволочной напрягаемой арматурой рекомендуется заделка голов свай без оголения арматуры. Длина заделки принимается по расчету (СНиП 2.03.01-84).
Заделка голов свай с напрягаемой арматурой может назначаться равной ширине сечения квадратной или диаметру круглой сваи.
В набивных сваях предусматривается выпуск стержней каркаса.
3.6.45. Верхнюю часть свай с забивными оголовками рекомендуется выполнять в соответствии с рис. 3.15.
Рис.3.15. Конструкция сваи с забивным оголовком:
1 - свая; 2 - грунт; 3 - забивной оголовок; 4 - уплотненный песок;
5 - пробка из бетона В12,5; 6 - ростверк; 7 - колонна
Размеры и армирование ростверка ("пробки") для свай-оболочек определяются расчетом. Класс бетона не должен быть менее В20.
Минимальная высота "пробки" 1,5 диаметра сваи-оболочки. Сопряжение одиночной сваи-оболочки с колонной рекомендуется назначать путем заделки колонны в верхнюю часть бетонной пробки сваи-оболочки на длину, определенную расчетом.
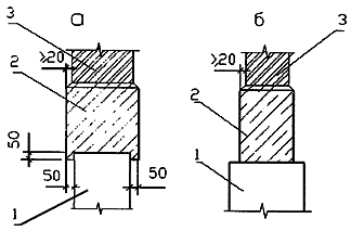
3.6.46. Под внутренние стены зданий рекомендуется применять безростверковые свайные фундаменты, располагая их верх в уровне низа перекрытия над подпольем (подвалом) (рис. 3.16).
Рис.3.16. Безростверковые фундаменты:
1 - свая; 2 - оголовок; 3 - отмостка; 4 - панель; 5 - пол подвала; 6 - перекрытие
Глубина заложений низа оголовка и ростверков под наружные стены зданий должна быть, как правило, ниже расчетной глубины промерзания грунта. При жестком сопряжении свес ростверка должен определяться расчетом, но быть на 60 мм более допустимого отклонения сваи в плане в случае заделки оголенной арматуры и на 70 мм - при заделке головы сваи без оголения арматуры.
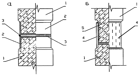
В случае свободного опирания ростверка на сваи, при стороне сечения (диаметре) больше 400 мм и при расположении сжимающей силы в пределах ядра сечения, а также для свай-оболочек, ширина ростверка может назначаться исходя из размеров опирающихся на него конструкций. Величина выступающего обреза ростверка назначается 20-50 мм (рис. 3.17).
Рис.3.17. Свободное опирание на сваю:
a - при сваях с
400 мм; б - при сваях с
> 400 мм;
1- свая; 2 - ростверк; 3 - стена здания
3.6.48. Армирование ленточных ростверков при жесткой заделке свай производится с учетом действующего момента.
При однорядном расположении свай у наружных граней ростверка устанавливаются вертикальные каркасы, соединяемые по низу и по верху горизонтальными стержнями. Возможно армирование отдельными продольными стержнями с замкнутыми хомутами (рис. 3.18).
Рис. 3.18. Жесткое сопряжение ростверка и сваи:
а - со стержневой арматурой; б - заделка голов свай без оголения арматуры
3.6.49. Под ростверки, устраиваемые на слабом грунте, должна назначаться подготовка из щебня, втрамбованного в грунт; крупного песка или песчано-гравийной смеси, пропитанных битумом, или, при очень слабых грунтах - из тощего бетона, толщиной 80 мм.
При плотных, сухих грунтах целесообразно бетонирование ростверков производить без подготовки; толщина защитного слоя бетона в этом случае должна приниматься - 70 мм.
3.6.50. При пучинистых грунтах под ростверки наружных стен и цокольные панели (без ростверков), закладываемые выше глубины промерзания, должна устраиваться шлаковая, керамзитовая или иная легко деформирующаяся подсыпка. В случае сильнопучинистых грунтов или при ожидаемой осадке свайных фундаментов более 7 см под ростверком должен устраиваться зазор, тогда монолитные железобетонные ростверки бетонируются на опалубке.
3.6.51. Температурные и осадочные швы в ростверках должны совпадать со швами в надземных конструкциях зданий или сооружений и располагаться между сваями.
3.6.52. Подземные сантехнические и другие трубопроводы не должны пересекать ростверк и располагаться в непосредственной близости к сваям.
3.6.53. Стены свайных фундаментов при низких ростверках следует делать из бетонных блоков, кирпича или панелей.
3.6.54. При проектировании безростверковых фундаментов (см. рис. 3.16) необходимо учитывать следующие дополнительные требования:
а) сваи следует применять сечением 300´300 и 350´350 мм длиной до 14 м только с поперечным армированием. Длину свай под наружные и внутренние стены рекомендуется назначать так, чтобы нижние концы их опирались на определенный несущий слой грунта;
б) сваи под стены желательно размещать в один ряд;
в) под каждую стеновую панель или участок между проемами назначать не менее 2 свай; под каждую опорную грань панели перекрытия, непосредственно опирающуюся на оголовки, должно быть не менее двух свай;
















