ТСН 50-302-96 фундам гр здан и сооруж в СПб (524746), страница 15
Текст из файла (страница 15)
где
- несущая способность сваи, определенная на основании испытания статической нагрузкой, кН;
- несущая способность, подсчитанная по формуле (3.6) на основании инженерно-геологических изысканий для испытанной сваи, кН;
- то же для сваи, принимаемой в проекте, кН.
Если нижние концы двух свай опираются на разные слои грунта и несущей способности по острию (RA) отличается более чем на 20 %, проектом назначается контрольное испытание свай статической нагрузкой.
3.6.19. При наличии в пределах длины свай слоя слабого сильносжимаемого грунта (торф, заторфованный грунт и др.) различают два случая: удовлетворяется или не удовлетворяется условие (3.10)
где
- осадка слоя слабого сильносжимаемого грунта под действием вертикальных напряжений, действующих на кровлю этого слоя около сваи;
- сдвиговая осадка - перемещение сваи относительно грунтов, расположенных выше слоя слабого грунта, определяемая по табл. 3.5;
- предельно допустимая осадка для проектируемого здания или сооружения.
Таблица 3.5
В первом случае расчетное сопротивление трения по боковой поверхности сваи учитывается полностью.
Во втором случае расчетное сопротивление грунта по боковой поверхности слабого слоя грунта учитывается со снижающим коэффициентом Кс, определяемым по формуле
где
,
- модуль деформации и толщина слоя слабого грунта;
- расчетное сопротивление по боковой поверхности сваи i-го слоя грунта, расположенного выше слоя слабого грунта, дающего осадку
.
3.6.20. При наличии в пределах длины свай слоев сильно деформирующихся грунтов, имеющих модуль деформации Е < 5 МПа и уплотнения этих грунтов независимо от загрузки свай, на части их боковой поверхности могут возникнуть отрицательно направленные (негативные) силы трения, вследствие осадки указанных грунтов. Причинами возникновения отрицательно направленного трения могут быть:
а) загрузка пола здания или поверхности земли околосвайного фундамента нагрузкой более 20 кН/м2;
б) подсыпка территории более 1 м после устройства свайных фундаментов;
в) незавершенная консолидация слоев слабых грунтов от нагрузки подсыпанного (намытого) грунта до устройства свайных фундаментов;
г) деформации уплотнения слабых грунтов под действием напряжений, возникающих в основании свайного фундамента вследствие возведения и загрузки по соседству фундаментов на естественном основании;
д) увеличение напряжений в грунте за счет снятия взвешивающего действия воды при понижении уровня подземных вод;
е) уплотнения песков при динамических воздействиях.
3.6.21. Отрицательные силы трения учитываются до глубины, на которой значение осадки околосвайного грунта после возведения и его загрузки превышает половину предельно допустимого значения осадки здания или сооружения. В таком случае несущая способность свай определяется по формуле:
где
- глубина, м, на которой осадка околосвайного грунта равна половине предельно допустимой осадки фундамента; h - длина сваи, м;
- коэффициент условий работы при развитии отрицательно направленного трения: при
< 4 м
= 0,6, а при
4 м
= 0,8.
Остальные обозначения приведены в экспликации к формуле (3.6).
3.6.22. Несущая способность свай на выдергивающую и горизонтальные нагрузки определяется по СНиП 2.02.03-85.
3.6.23. Несущая способность свай по данным статических испытаний определяется по указаниям разд. 2.4 настоящих ТСН.
Расчет свайных фундаментов
3.6.24. Расчет свайных фундаментов по несущей способности грунта основания и свай, по прочности конструкций, а также свайных ростверков должен производиться на основные сочетания нагрузок, подсчитанных с коэффициентами надежности по нагрузке по СНиП 2.01.07-85. Нагрузки для расчета по деформациям должны подсчитываться с коэффициентом надежности по нагрузке, равной единице.
Допускается для определения осадки свайных фундаментов вычислять расчетную нагрузку делением расчетной нагрузки, подсчитанной для расчета по первому предельному состоянию (с коэффициентами надежности по нагрузке
> 1) на усредненный коэффициент надежности по нагрузке
= 1,2.
3.6.25. Дополнительные вертикальные нагрузки на сваи от ветра для жилых и гражданских зданий с несущими стенами, опирающимися непосредственно на ростверк, рекомендуется определять из расчета "абсолютной" жесткости здания с распределением их на ростверки, расположенные по его периметру.
3.6.26. Расчетная нагрузка N, передаваемая на сваю, может определяться без учета допускаемых при забивке (изготовлении) отклонений свай от проектного положения.
3.6.27. При проектировании свайных фундаментов с монолитными ростверками, бетонируемыми на грунте или подготовке, рекомендуется учитывать совместную работу свай, ростверка и грунта.
Учет передачи нагрузки ростверком на грунт не допускается: если в пределах длины свай находятся слабые грунты с модулем деформации
5000 кПа, торфы, заторфованные грунты, насыпные, намывные и набухающие грунты; если подошва ростверка расположена выше глубины промерзания.
Величина нагрузки, передаваемой ростверком на грунт, может определяться из условия равенства осадок плиты ростверка и свайного фундамента. При этом в пределах сжимаемой толщи грунтов под ростверком трение по боковой поверхности свай должно полностью исключаться.
3.6.28. Расчет неравномерности осадок свайных фундаментов обязателен для разноэтажных зданий, зданий, примыкающих к существующим, высотных точечных зданий, зданий (более 12 этажей); во всех случаях, когда концы свай опираются в грунты с модулем деформации
10000 кПа, при различной длине свай под одним зданием, а также при разнице нагрузок на кусты свайных фундаментов или участки ленточных ростверков более 50 %.
3.6.29. Определение осадок свайных фундаментов должно производиться в соответствии с СНиП 2.02.03-85.
3.6.30. Расчет на прочность всех свайных ростверков должен производиться по СНиП 2.03.01-84.
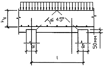
Расчет ленточных ростверков с однорядным расположением свай с шагом
(рис.3.13), нагруженных равномерно-распределенной нагрузкой (стены фундаментов из бетонных блоков, кирпича или из крупных панелей), на продавливание может не производиться; арматура назначается конструктивно в количестве 0,005 от площади сечения bh0 (b - ширина, h0 - рабочая высота ростверка).
Рис.3.13. Расчетная схема ростверка
Свободное сопряжение сваи с ростверком должно проверяться на местное сжатие (смятие) согласно СНиП 2.03.01-84.
При заделке голов свай в ростверк без оголения арматуры производится проверка на продавливание.
3.6.31. Расчет свай на действие вертикальной и горизонтальной нагрузки и момента производится в соответствии с прил. 1 СНиП 2.02.03-85.
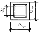
3.6.32. Типовая конструкция оголовка (см. табл. 3.6) для применения в С.-Петербурге рассчитана на допустимую нагрузку на сваю 500 кН с эксцентриситетом 5 см.
Таблица 3.6
Оголовки для забивных свай
| Назначение | Марка | Эскиз | Размеры, мм | Допустимые сечения свай, мм | ||
| План | Разрез | |||||
| Безростверковые фундаменты | ОБ |
|
| 580 | 470 | 300´300 |
| 630 | 520 | 350´350 | ||||
| 3абивные | ОЗ |
|
| 900 | 500 | 300´300 |
| 1000 | 500 | 350´350 | ||||
| ОЗ |
|
| 1000 | 760 | d = 600 | |
3.6.33. Расчет свай с оголовком выше поверхности земли на вертикальную нагрузку должен производиться по прочности с учетом случайного эксцентриситета в соответствии с СНиП 2.03.01-84.
















