vopros-otvet (519806), страница 7
Текст из файла (страница 7)
,
где n – номер старшего двоичного разряда и число разрядов (до 24); аi – коэффициент, принимающий значения 0 или 1.
Значения напряжения U на выходе ЦАП и на входе АЦП обычно изменяются в пределах нескольких вольт, а ток на выходе ЦАП – в пределах нескольких миллиампер.
Современные ЦАП и АЦП реализуются на микросхемах.
Любой ЦАП, выходной величиной которого является напряжение U или ток I, содержит источник опорного напряжения ИОН. Он может находиться внутри микросхемы (рис. 9.18, а), или подключаться к ней извне (рис. 9.18, б). Напряжение U или ток I пропорциональны произведению опорного напряжения U0 на число N. Если U0 заменить на входное напряжение U1, изменяющееся в определённом диапазоне, то получится т.н. «умножающий» ЦАП (рис. 9.18, в), в котором выходное напряжение U2 или ток I пропорциональны произведению U1 на число N. В состав АЦП может входить ЦАП (рис. 9.18, г).
Основные принципы построения ЦАП с резистивными цепочками
Первый вариант
Входной код определяет положение переключателей: левое положение (рис. 9.18, а) соответствует состоянию «1» в данном разряде (аi = 1), правое – состоянию «0» (аi = 0). На рис. 9.18, а переключатели для наглядности показаны электромеханическими, на самом деле они реализованы на сдвоенных полевых транзисторах (рис. 9.18, б).
Источник опорного напряжения U0 вместе с резистивной цепочкой R–2R и переключателями образуют преобразователь входного кода числа N в выходной ток I, а операционный усилитель ОУ и резистор обратной связи Rос – преобразователь тока I в напряжение U.
Поскольку коэффициент усиления ОУ очень велик, при любом значении U потенциал точки А близок к нулю, а значит, ток старшего (n-го) разряда СР не только при правом, но и при левом положении переключателя можно считать равным
.
Рис. 9.19. Схема ЦАП с резистивной цепочкой R–2R (а) и реализация переключателей на полевых транзисторах (б)
Для того, чтобы определить, чему будет равен ток следующего, (n – 1)-го разряда, произведём свёртку цепочки R–2R справа налево. Легко убедиться, что
Выразим ток i-го разряда через опорное напряжение U0:
.
Токи Ii тех разрядов, которые находятся в состоянии «1», суммируются и образуют выходной ток преобразователя кода в ток (ПКТ):
, (9.3)
где qI – квант тока.
Переходя к напряжению, получим
, (9.4)
где qU – квант напряжения; при Rос = R имеем
.
Резистор Rос входит в состав той же матрицы резисторов, что и цепочка R–2R, поэтому отношение Rос / R получается стабильным, стабильнее, чем R, т.е. qU стабильнее, чем qI . Операционный усилитель ОУ может быть внешним, но Rос входит в состав микросхемы.
19. АЦП поразрядного взвешивания.
АЦП поразрядного уравновешивания на конденсаторах
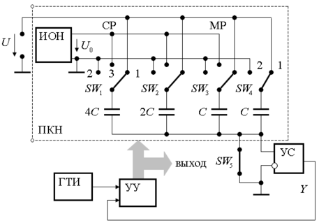
По мере развития и совершенствования технологии выяснилось, что в микросхемном исполнении проще делать конденсаторы, чем резисторы. К тому же отношение емкостей получается стабильнее, чем отношение сопротивлений. На рис. 9.21 показан АЦП поразрядного уравновешивания, у которого для упрощения объяснений я сделал всего лишь три двоичных разряда (в действительности такие АЦП могут содержать до 18 разрядов).
Рис. 9.21. АЦП поразрядного уравновешивания с ЦАП на конденсаторах
Схема АЦП содержит преобразователь кода в напряжение ПКН, устройство сравнения УС, генератор тактовых импульсов ГТИ и устройство управления УУ. В свою очередь ПКН состоит из источника опорного напряжения ИОН, двоичного набора конденсаторов 4С (старший разряд, СР); 2С; С (младший разряд, МР); С и переключателей SW1...SW5, причём SW1...SW3 могут находиться в положениях 1; 2 и 3, SW4 – в положениях 1 и 2, а SW5 – замкнут или разомкнут.
В крупном плане алгоритм преобразования здесь такой же, как в любом АЦП поразрядного уравновешивания, но применение коммутируемых конденсаторов вносит свою специфику в деталях. В АЦП по схеме рис. 9.21 процесс преобразования состоит из семи шагов. Рассмотрим этот процесс.
Пусть
.
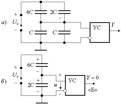
Рис. 9.22. Схемы, образующиеся на 1-м (а); 2-м (б) и 3-м (в; г) шагах процесса преобразования
Первый шаг
Все ключи находятся в положениях, как на рис. 9.21. Образуется схема , показанная на рис. 9.22, а. Все конденсаторы заряжаются до напряжения U.
Второй шаг
Ключи SW1...SW4 переключаются в положение 2; ключ SW5 размыкается. Ко входу УС приложено напряжение u = – U (рис. 9.22, б). Поскольку u < 0, на выходе УС образуется сигнал Y = 1 (ситуация «Меньше»).
Третий шаг
Ключ старшего разряда SW1 переключается в положение 3; остальные ключи остаются в прежних положениях. Образуется схема, показанная на рис. 9.22, в. Она сводится к схеме рис. 9.22, г. В соответствии с законом сохранения заряда на входе УС образуется напряжение
.
Поскольку
, т.е. u < 0, сигнал Y остаётся в состоянии «1».
Четвёртый шаг
Повторение первого шага. Снова все конденсаторы заряжаются до напряжения U.
Пятый шаг
Ключи SW1 и SW2 переключаются в положение 3; ключи SW3 и SW4 – в положение 2; ключ SW5 размыкается. Образуется схема, показанная на рис. 9.23, а. Она сводится к схеме рис. 9.23, б.
На входе УС образуется напряжение
.
Поскольку
, теперь u > 0 и сигнал Y переходит в состояние «0» (ситуация «Больше»). Это значит, что в дальнейшем ключ SW2 больше не будет устанавливаться в положение 3.
Шестой шаг
Повторение первого шага. Снова все конденсаторы заряжаются до напряжения U.
Рис. 9.23. Схемы, образующиеся после 5-го шага
Седьмой шаг
Ключи SW1 и SW3 переключаются в положение 3; ключи SW2 и SW4 – в положение 2; ключ SW5 размыкается. Образуется схема, которая сводится к показанной на рис. 9.24.
На входе УС образуется напряжение
.
Рис. 9.24. Схема, образующаяся после 7-го шага
Поскольку
, сигнал Y переходит в состоянии «1». На этом процесс преобразования заканчивается. На выходе АЦП образовался код, содержащий «1» в тех разрядах, у которых переключение соответствующих ключей из положения 1 в положение 3 давало на выходе УС сигнал Y = 1. В рассмотренном процессе это были ключи SW1 и SW3, т.е. на выходе АЦП образовался код 101. Это двоичный код числа N = 5. При трёх двоичных разрядах квант q = U0/8 и значение входного напряжения, определяемое по выходному коду
.
Многие фирмы выпускают подобные АЦП на 16 разрядов, но есть модели и на 18 разрядов. Например, модель AD 7641 фирмы Analog Devices имеет 18 разрядов и максимальную частоту повторения выборок 2 МГц (в документации на микросхему указана в форме 2 MSPS; [6]).
Примечание
В рассмотренных АЦП запоминание значения входного напряжения U на конденсаторах, необходимое для выполнения поразрядного уравновешивания, попутно выполняет функцию устройства выборки и хранения (УВХ, раздел 9.7).
Быстродействие
Частота смены выходных кодовых слов равна первой частоте режекции цифрового фильтра ƒр, значение которой, как было указано выше, можно программировать в диапазоне от 10 Гц до 1 кГц. Однако, при скачке входного напряжения на весь диапазон верный результат преобразования в худшем случае получается только на четвёртом кодовом слове после скачка. Это значит, что время преобразования tпр = 4/ƒр, и в зависимости от значения ƒр оно может быть от 0,4 с до 4 мс.
Таким образом, высочайшая разрешающая способность (24 бит) получается при сравнительно низком быстродействии (0,4 с).
20. Устройство выборки - хранения.
Принцип действия и схемы УВХ
Основной смысл устройства: по команде запоминать мгновенные значения напряжения и сохранять их некоторое время, достаточное, например, для преобразования их в кодовые слова с помощью АЦП (рис. 9.25, а).
Рис. 9.25. Входное и выходное напряжения УВХ (а) и его простейшая схема (б)
В принципе для этого нужен управляемый электронный ключ и запоминающий конденсатор (рис. 9.25, б). В качестве ключа SW используется полевой транзистор с изолированным затвором (рис. 9.26).
Рис. 9.26. Реализация ключа SW на полевом транзисторе с изолированным затвором
Ключ и конденсатор – это обязательные элементы любого УВХ. Реально кроме них используются ещё операционные усилители и согласующие устройства для управления ключом сигналами «0» и «1» стандартных логических уровней (рис. 9.27).
Рис. 9.27. Разомкнутая (а) и замкнутая (б) схемы УВХ
Существует два варианта схем УВХ: с разомкнутой (рис.9.27, а) и с замкнутой структурой (рис. 9.27, б).
В схеме рис. 9.27, а повторитель напряжения на операционном усилителе ОУ1 обеспечивает высокое входное сопротивление УВХ, а повторитель на ОУ2 – высокое сопротивление, подключённое к запоминающему конденсатору С, т.е. медленный разряд, и низкое выходное сопротивление УВХ.
Преимущество схемы рис. 9.27, б по сравнению со схемой рис. 9.27, а – более высокая точность, а её недостаток – меньшее быстродействие (как у всех замкнутых систем с отрицательной обратной связью по сравнению с разомкнутыми системами).
В настоящее время разные фирмы выпускают микросхемы, в состав которых входят АЦП вместе с УВХ на входе, но есть и микросхемы, содержащие только УВХ. Некоторые микросхемы рассчитаны на подключение внешнего конденсатора, а некоторые – на возможность подключения внешнего конденсатора параллельно внутреннему, например, микросхема SHC 5320 фирмы Burr-Brown (рис. 9.28).
Рис. 9.28. Микросхема SHC 5320 фирмы Burr-Brown















