Для студентов МГТУ им. Н.Э.Баумана по предмету Детали машин (ДМ)ДМ 916 - Привод ленточного транспортера с коническо-цилиндрическим мотор-редуктором (быстроходная ступень-коническая передача с круговым зубом, тихохоДМ 916 - Привод ленточного транспортера с коническо-цилиндрическим мотор-редуктором (быстроходная ступень-коническая передача с круговым зубом, тихохо
5,0052
2021-04-292024-09-03СтудИзба
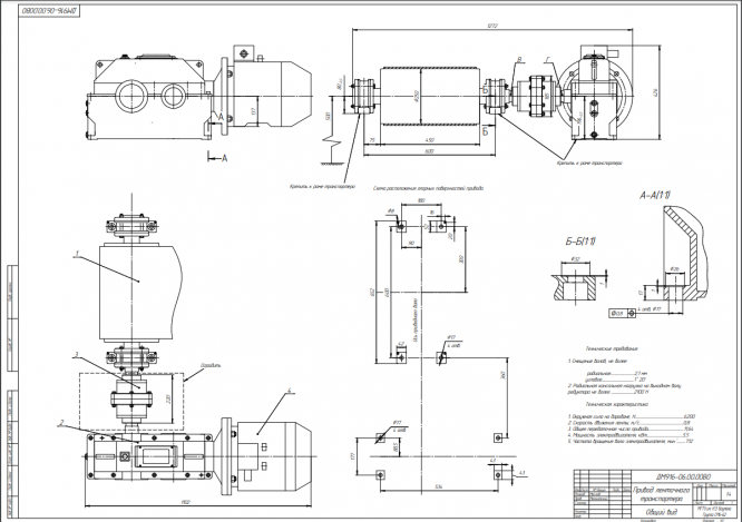
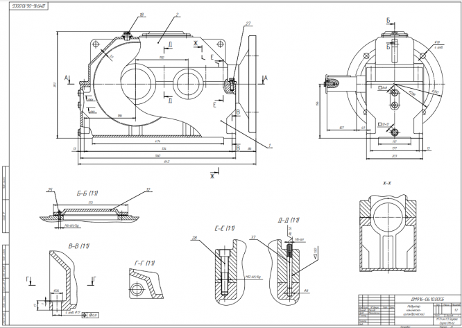
ДМ 916 - Привод ленточного транспортера с коническо-цилиндрическим мотор-редуктором (быстроходная ступень-коническая передача с круговым зубом, тихоходная ступень - цилиндрическая прямозубая)
-64%
Описание
Привод ленточного транспортера с коническо-цилиндрическим мотор-редуктором (быстроходная ступень-коническая передача с круговым зубом, тихоходная ступень - цилиндрическая прямозубая)
![]()






Файлы условия, демо
Характеристики курсовой работы
Предмет
Учебное заведение
Семестр
Номер задания
Вариант
Просмотров
644
Размер
2,33 Mb
Список файлов
Привод ленточного транспортера с коническо-цилиндрическим мотор-редуктором (быстроходная ступень-коническая передача с круговым зубом, тихоходная ступень - цилиндрическая прямозубая)
Задание.PNG
Лист 1.pdf
Лист 2.pdf
Лист 3.pdf
Лист 4.pdf
Лист 5.pdf
РПЗ.pdf
Спецификация общего вида.pdf
Спецификация.pdf

Друзья, спасибо за доверие! Если вам понравилась работа – поставьте 5⭐ и напишите отзыв. Это поможет другим студентам, а мне даст силы делать ещё больше качественных материалов для вас 🔥