СХЕМ ЛАБ РАБОТА_3 (1274915)
Текст из файла
МИНИСТЕРСТВО ОБРАЗОВАНИЯ И НАУКИ
РОССИЙСКОЙ ФЕДЕРАЦИИ
_____________
ФЕДЕРАЛЬНОЕ АГЕНТСТВО ПО ОБРАЗОВАНИЮ
____________
НАЦИОНАЛЬНЫЙ ИССЛЕДОВАТЕЛЬСКИЙ УНИВЕРСИТЕТ
МОСКОВСКИЙ ЭНЕРГЕТИЧЕСКИЙ ИНСТИТУТ
Кафедра ВМСиС
Поляков А.К.
Москва 2016
СХЕМОТЕХНИКА ЛАБОРАТОРНАЯ РАБОТА 3
Исследование типовых комбинационных узлов .
Код: ____________________
Продолжительность:
160 мин.
Дисциплины:
“Схемотехника”,
Предназначено:
Для студентов по направлению информатика и вычислительная техника в соответствии с учебным планом.
.
Цель:
Цель работы состоит в ознакомлении с составом современных систем элементов ,с разработкой простых комбинационных схем и в изучении характеристик функциональных узлов комбинационного типа- дешифраторов , мультиплексоров и сумматоров , а также в овладении практическими навыками моделирования цифровых схем, построенных на элементах среднего уровня интеграции, с использованием САПР
Результат обучения:
После успешного завершения занятия пользователь должен уметь:
Проектировать простейшие комбинационные схемы и анализировать их методом моделирования, с использованием средств САПР
Используемые программы:
ACTIVE –HDL фирмы ALDEC(бесплатная студенческая версия) или бесплатная ISE WEB PACK фирмы XILINX
План занятия:
Самостоятельная работа.
Изучение теоретического материала по методике проектирования комбинационных схем , функциональным комбинационным узлам
И выполнение индивидуальных заданий в соответствие с номером варианта, в частности - разработка схем и тестов, которые будут использоваться в модельном эксперименте
Задание 1. Исследование Дешифраторов
Необходимо исследовать работу библиотечной модели дешифратора 2-4 и сравнить временную диаграмму работы библиотечного элемента ID14 с временной диаграммой, представленной в пособии и в описании работы. Затем постройте схему дешифратора 3-8 в виде каскада дешифраторов ИД14 и проверьте ее работу моделированием . Пример фрагмента отчета см в приложении 2
Задание 2. Исследование Мультиплексоров
Задание 3 предполагает исследование работы библиотечного элемента – мультиплексора КР1533КП2 серии КР1533 и сравнения полученной временной диаграммы с данными , указанными в справочнике по микросхемам. Для этого придется построить тест проверки узла типа мультиплексор.
После этого следует построить на базе этого мультиплексора схему , реализующую логическую функцию на мультиплексоре , согласно варианту задания и проверить ее работу на соответствие исходной таблице истинности.
Лабораторное задание предполагает проведение эксперимента с моделью схемы , реализующей на мультиплексоре 4-1 типа КП2 ,согласно варианту задания одну из функций –, провести ее моделирование и сравнить полученную временную диаграмму с таблицей истинности функции
| № | Функция |
| 1 | 2И |
| 2 | 2ИЛИ |
| 3 | 2И-НЕ |
| 4 | 2ИЛИ-НЕ |
| 5 | 2XOR |
| 6 | 2XNOR |
| 7 | Сумма одноразр. А+В |
| 8 | перенос одноразр. А+В |
| 9 | А & not B |
Задание 3. СУММАТОРЫ
Исследуйте схему одноразрядного сумматора ,получите временную диаграмму ,а за тем
постройте и смоделируйте Схему 2- х разрядного сумматора с последовательным переносом.
Задание 4. Изучение Элементов с тристабильными буферами
Сначала исследуйте моделированием работу передатчика типа АП3 ( задействуйте только 1 разряд вх. А и вых. У и вх.сигнал EZ(OE)).Т.е.не четыре разряда-А1,А2,А3,А4- а только один, допустим А1, то же самое с У.
Затем соедините входы и выходы передатчиков так, чтобы получился приемо-передатчик, т.е.схема позволяющая передавать сигнал в разные направления ( у каждого АП3 используем только один разряд). Т.е. схема из двух приемо-передатчиков типа АП3(управляющие входы полученной схемы- ЕЗ1,ЕЗ2,двунаправленные входы-выходы YL ,YP)
и исследуйте моделированием работу схемы в режиме согласно варианту
| № | Функция |
| 1 | передачи данных с вх. YL на выход YP |
| 2 | передачи данных с вх. YР на выход YL |
| 3 | передачи данных с вх. YL на выход YP |
| 4 | передачи данных с вх. YР на выход YL |
| 5 | передачи данных с вх. YL на выход YP |
| 6 | передачи данных с вх. YР на выход YL |
| 7 | передачи данных с вх. YL на выход YP |
| 8 | передачи данных с вх. YР на выход YL |
| 9 | передачи данных с вх. YL на выход YP |
Микросхема из двух передатчиков типа АП3
теоретические сведения.
СХЕМОТЕХНИКА КОМБИНАЦИОННЫХ ЛОГИЧЕСКИХ СХЕМ СРЕДНЕЙ СТЕПЕНИ ИНТЕГРАЦИИ
Серии микросхем средней степени интеграции
Практическое проектирование цифровой аппаратуры выполняется обычно не на простейших элементах И,ИЛИ,НЕ, а на более крупных логических компонентах- функциональных узлах и устройствах. Начнем с анализа работы функциональных узлов, построенных на микросхемах средней степени интеграции.
Серии (family) интегральных микросхем начали выпускаться промышленностью, начиная с 60-х годов прошлого века. Каждая серия основывается на одинаковом технологическом процессе и содержит микросхемы, допускающие соединение в схему без промежуточных согласующих элементов. Развитие технологии микроэлектроники вывело на первое место технологический процесс, основанный на комплиментарных парах униполярных (полевых) транзисторов, выполненных по технологии металл-окисел-полупроводник (КМОП, CMOS circuits). В английской терминологии это metal-oxide semiconductor field-effect transistor, MOSFET или MOS transistor. В настоящее время практически все микропроцессоры, микросхемы памяти и программируемые логические интегральные микросхемы выпускаются по КМОП технологии.
В России, в частности, выпускаются следующие серии микросхем средней степени интеграции общего применения, выполненные по ТТЛ технологии – КР155, К531, КР533, КР555, КР1531, КР1533. На Западе – это серии 74, 74L, 74LS, 74ALS, 74F.
По КМОП технологии в России, в частности, выпускаются серии – КР561, КР564, КР1554, КР1561, КР1564. На Западе – это серии 74H, 74HC, 74HCT, 74VHC и 74VHCT.
Микросхемы ТТЛ и КМОП серий имеют различные логические уровни сигналов и, вообще говоря, не предназначены для прямого соединения друг с другом. Разработаны специальные серии КМОП микросхем, работающие с ТТЛ уровнями сигналов и предназначенные для замены устаревших микросхем ТТЛ технологии.
Условное обозначение отечественных микросхем включает:
Букву или две буквы, определяющие назначение и тип корпуса. Например: КР – кремниевая микросхема коммерческого применения с пластмассовым корпусом DIP;
Трех или четырех цифр, обозначающих порядковый номер серии;
Двух букв, обозначающих функциональную группу;
Одной или двух букв – обозначающих тип микросхемы внутри функциональной группы;
Буквы – характеризующей возможные вариации значений некоторых параметров (например, выходной мощности, часто не используется).
Например, КР1533ЛА1 (2 логических элемента 4И-НЕ).
К – коммерческое применение ;
Р – тип корпуса;
1 – группа по конструктивно-технологическому исполнению;
533– номер серии;
Л – подгруппа по функциональному назначению;
А – вид по функциональному назначению;
1 – номер разработки в данной серии.
Условное обозначение зарубежных цифровых схем включает:
-
две цифры, определяющие применение и условия эксплуатации (например: 74 – микросхемы широкого применения или 54 – микросхемы военного применения);
-
одну, две или три буквы, определяющие технологию изготовления;
-
несколько цифр, определяющих функциональное назначение;
-
одну или нескольких букв, определяющих вариант изготовления и тип корпуса микросхемы.
Например, микросхеме КР1533ЛА1 соответствует 74ALS20Р.
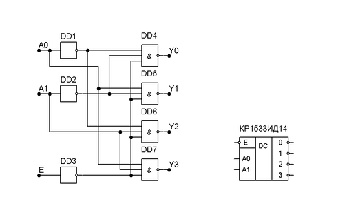
1. Дешифраторы.
Дешифратором называется комбинационная схема, преобразующая входное кодовое слово размерности n в выходное кодовое слово размерности 2n. На входы управления обычно подаются сигналы разрешения
Промышленность выпускает микросхемы дешифраторов типа n х 2n. На следующем рисунке показана схема дешифратора 2 х 22 (2 х 4) типа ИД14
а) б)
а) схема дешифратора; б) условное графическое обозначение (УГО)
Рис. 3.2. Схема дешифратора КР1533ИД14 и его УГО
Дешифратор содержит два информационного входа А0 и А1 и вход разрешения Е. Если на вход Е подать запрещающий сигнал "1", то на выходах Y0 – Y3 будет сигнал "1" при любых сигналах на входах А0 и А1.
Если на вход Е подать разрешающий сигнал "0", то на одном из выходов Y0 – Y3 будет сигнал низкого уровня. Номер выхода соответствует двоичному числу, поданному на входы А0 и А1.
Таблица 3.1. Таблица истинности логической функции дешифратора типа ИД14
| Входы | Выходы | |||||
| E | A1 | A0 | Y3 | Y2 | Y1 | Y0 |
| 1 | х | х | 1 | 1 | 1 | 1 |
| 0 | 0 | 0 | 1 | 1 | 1 | 0 |
| 0 | 0 | 1 | 1 | 1 | 0 | 1 |
| 0 | 1 | 0 | 1 | 0 | 1 | 1 |
| 0 | 1 | 1 | 0 | 1 | 1 | 1 |
Ниже временная диаграмма моделирования работы схемы дешифратора рис.3.2.
Промышленность выпускает микросхемы дешифраторов 3х8 типа ИД4 и ИД7, а также 4х16 типа ИД3.
Для увеличения разрядности кодового слова на входах и выходах дешифратора применяются схемы каскадирования.
Приведем стандартные схемы каскадирования для дешифраторов КР1533ИД7 (рис. 3.3) и КР1533ИД14 (рис. 3.4).
Характеристики
Тип файла документ
Документы такого типа открываются такими программами, как Microsoft Office Word на компьютерах Windows, Apple Pages на компьютерах Mac, Open Office - бесплатная альтернатива на различных платформах, в том числе Linux. Наиболее простым и современным решением будут Google документы, так как открываются онлайн без скачивания прямо в браузере на любой платформе. Существуют российские качественные аналоги, например от Яндекса.
Будьте внимательны на мобильных устройствах, так как там используются упрощённый функционал даже в официальном приложении от Microsoft, поэтому для просмотра скачивайте PDF-версию. А если нужно редактировать файл, то используйте оригинальный файл.
Файлы такого типа обычно разбиты на страницы, а текст может быть форматированным (жирный, курсив, выбор шрифта, таблицы и т.п.), а также в него можно добавлять изображения. Формат идеально подходит для рефератов, докладов и РПЗ курсовых проектов, которые необходимо распечатать. Кстати перед печатью также сохраняйте файл в PDF, так как принтер может начудить со шрифтами.
















