СХЕМ ЛАБ РАБОТА_3 (1274915), страница 2
Текст из файла (страница 2)
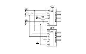
Рис. 3.3. Каскадирование дешифраторов типа ИД7 при помощи входов управления
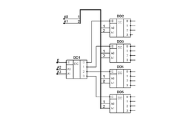
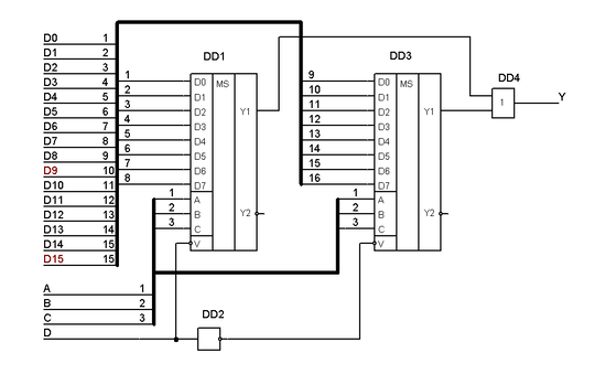
Рис. 3.4. Каскадирование дешифраторов типа ИД14 при помощи дополнительного дешифратора DD1
3.4. Мультиплексоры
Мультиплексором называется цифровой переключатель, передающий на выход сигнал с одного из нескольких входов. Выбор входа, подключаемого к выходу, определяется сигналом, поступающим на входы управления. Схема мультиплексора 4 х 1приведена на рис. 3.9.
Демультиплексор выполняет функцию, обратную мультиплексору. Эта схема в соответствии с сигналами управления подключает один вход к одному из нескольких выводов.
а) б)
а) – схема мультиплексора 4 х 1 типа КР1533КП2;
б) – УГО мультиплексора 8 х 1 типа КР1533КР7;
Рис. 3.9. Мультиплексор
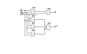
Для расширения числа входов применяется каскадирование мультиплексоров. Схема мультиплексора 16 х 1, выполненная на двух мультиплексорах 8 х 1, приведена на рис. 3.10.
Рис. 3.10. Каскадирование мультиплексоров
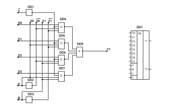
3.4.2. Реализация логических функций на мультиплексорах
Существует множество вариантов схем, позволяющих реализовать произвольные логические функции на мультиплексорах. В качестве аргумента логической функции используются адресные входы мультиплексора {Xi}. Информационные входы мультиплексора {Dj} используются для настройки значений логической функции. Для этого на информационные входы подаются фиксированные логические уровни сигнала. Значение логической функции, зависящее от аргумента, получается на выходе Y мультиплексора.
Возможен еще один способ настройки, когда на часть информационных входов подается или один из аргументов функции или его инверсия.
Пример реализации логической функции, заданной таблицей,на 8-входовом мультиплексоре приведен на рис. 3.11.
| № | Х2 | Х1 | Х0 | Y |
| 1 | 0 | 0 | 0 | 1 |
| 2 | 0 | 0 | 1 | 1 |
| 3 | 0 | 1 | 0 | 0 |
| 4 | 0 | 1 | 1 | 1 |
| 5 | 1 | 0 | 0 | 0 |
| 6 | 1 | 0 | 1 | 0 |
| 7 | 1 | 1 | 0 | 1 |
| 8 | 1 | 1 | 1 | 0 |
а) б)
а) – таблица истинности логической функции, б) – схема
Рис. 3.11. Реализация логической функции на мультиплексоре КР1533КП7
СУММАТОРЫ
Общие теоретические сведения
3.6. Двоичный одноразрядный сумматор
Таблица 3.3. таблица истинности функции двоичного суммирования
| CIN | A | B | CO | S |
| 0 | 0 | 0 | 0 | 0 |
| 0 | 0 | 1 | 0 | 1 |
| 0 | 1 | 0 | 0 | 1 |
| 0 | 1 | 1 | 1 | 0 |
| 1 | 0 | 0 | 0 | 1 |
| 1 | 0 | 1 | 1 | 0 |
| 1 | 1 | 0 | 1 | 0 |
| 1 | 1 | 1 | 1 | 1 |
В этой таблице CIN– бит переноса в этот разряд. В результате сложения получаем сумму S для этого разряда и бит переноса CO в следующий разряд. Первый каскад сумматора, складывающий младшие разряды чисел, не содержит входа переноса CIN. Этот каскад называется полусумматором. В результате сложения двух одноразрядных двоичных чисел может появиться число от 0 до 2. Для записи этого результата необходимо два бита. Младший бит суммы называют полусуммой HS, а старший бит – переносом CO в старший разряд.
Остальные каскады сумматора имеют вход переноса CIN и называются полными сумматорами. Сумма трех одноразрядных чисел может принимать значения от 0 до 3. Поэтому для представления результата достаточно два двоичных разряда S (сумма) и CO – перенос в старший разряд.
Схема каскада полного сумматора приведена на следующем рисунке
Рис. 3.15. Схема каскада полного одноразрядного сумматора
Схема сумматора с последовательным переносом приведена на следующем рисунке:
Рис. 3.16. Сумматор с последовательным переносом
Сумматор с последовательным переносом обладает малым быстродействием. Время суммирования практически пропорционально числу разрядов сумматора. Значительно меньшими задержками обладают сумматоры с параллельным переносом.
ПРИЛОЖЕНИЕ 1
Таблица П1. Отечественные микросхемы и их зарубежные аналоги
| Микросхема серии КР1533 | Задержка Тср макс. в нс. |
| КР1533ЛИ9- 6 буф. элементов | 9 |
| КР1533ЛА3- 4 элемента 2И-НЕ | 10 |
| КР1533ЛИ3- 3 элемента 3И | 11 |
| КР1533ЛЕ1 – 4 элемента 2ИЛИ-Не | 11 |
| КР1533 ЛЛ1- 4 элемента 2ИЛИ | 13 |
| КР1533ЛН1- 6 элементов НЕ | 10 |
| КР1533ЛИ1- 3 элемента 2И | 10 |
| Отечественные микросхемы | Зарубежный аналог | Отечественные микросхемы | Зарубежный аналог | |
| Дешифраторы | КР***КП12 | 74***253 | ||
| КР***ИД4 | 74***155 | КР***КП13 | 74***298 | |
| КР***ИД7 | 74***138 | КР***КП14 | 74***258 | |
| КР***ИД14 | 74***139 | КР***КП15 | 74***251 | |
| Счетчики | КР***КП16 | 74***157 | ||
| КР***ИЕ2 | 74***90 | КР***КП17 | 74***353 | |
| КР***ИЕ5 | 74***93 | КР***КП18 | 74***158 | |
| КР***ИЕ6 | 74***192 | КР***КП19 | 74***352 | |
| КР***ИЕ7 | 74***193 | Логические элементы И-НЕ | ||
| КР***ИЕ9 | 74***160А | КР***ЛА1 | 74***20 | |
| КР***ИЕ10 | 74***161 | КР***ЛА2 | 74***30 | |
| КР***ИЕ11 | 74***162 | КР***ЛА3 (2И-НЕ) | 74***00 | |
| КР***ИЕ12 | 74***190 | КР***ЛА4 | 74***10 | |
| КР***ИЕ13 | 74***191 | КР***ЛА6 | 74***40А | |
| КР***ИЕ18 | 74***163 | КР***ЛА7 | 74***22 | |
| КР***ИЕ19 | 74***393 | КР***ЛА8 | 74***01 | |
| Регистры | КР***ЛА9 | 74***03 | ||
| КР***ИР9 | 74***165 | КР***ЛА10 | 74***12А | |
| КР***ИР10 | 74***166 | КР***ЛА12 | 74***37 | |
| КР***ИР22 | 74***373 | КР***ЛА13 | 74***38 | |
| КР***ИР23 | 74***374 | КР***ЛА21 | 74***1000А | |
| КР***ИР24 | 74***299 | КР***ЛА22 | 74***1020А | |
| КР***ИР29 | 74***323 | КР***ЛА23 | 74***1003А | |
| КР***ИР30 | 74***259 | КР***ЛА24 | 74***1010А | |
| КР***ИР32 | 74***170 | Логические элементы ИЛИ-НЕ | ||
| КР***ИР33 | 74***573 | КР***ЛЕ1 (2ИЛИ-НЕ) | 74***02 | |
| КР***ИР34 | 74***873 | КР***ЛЕ4 | 74***27 | |
| КР***ИР35 | 74***273 | КР***ЛЕ10 | 74***1002А | |
| КР***ИР37 | 74***574 | КР***ЛЕ11 | 74***33А | |
| КР***ИР38 | 74***874 | Логические элементы И | ||
| Мультиплексоры | КР***ЛИ1 (2И) | 74***08 | ||
| КР***КП2 | 74***153 | КР***ЛИ2 | 74***09 | |
| КР***КП7 | 74***151 | КР***ЛИ3 | 74***11А | |
| КР***КП11 | 74***257 | КР***ЛИ4 | 74***15А | |
| Логические элементы И | Буферный элемент с ОК | |||
| КР***ЛИ6 | 74***21 | КР***ЛП17 | 74***1035 | |
АЛУ
| ИП3 | 74***181 | ИП4 | 74***182 | |
| 4-х разр АЛУ | Сх.ускор.переноса |
Окончание табл. П1
| Отечественные микросхемы | Зарубежный аналог | Отечественные микросхемы | Зарубежный аналог | ||||
| КР***ЛИ8 | 74***1008А | Лог. эл-т 4И-2ИЛИ-НЕ | |||||
| КР***ЛИ10 | 74***1011А | КР***ЛР4 | 74***55 | ||||
| Логические элементы ИЛИ | Лог. эл-т 2И-2ИЛИ-НЕ | ||||||
| КР***ЛЛ1 | 74***32 | КР***ЛР11 | 74***51 | ||||
| КР***ЛЛ4 | 74***1032А | Лог. эл-т 3-2-2-3И-4ИЛИ-НЕ | |||||
| Логические элементы НЕ | КР***ЛР13 | 74***54 | |||||
| КР***ЛН1 | 74***04 (2ИЛИ) | JK-триггеры | |||||
| КР***ЛН2 | 74***05 | КР***ТВ6 | 74***107 | ||||
| КР***ЛН7 | 74***368 | КР***ТВ9 | 74***112А | ||||
| КР***ЛН8 | 74***1004 | КР***ТВ10 | 74***113А | ||||
| КР***ЛН10 | 74***1005 | КР***ТВ11 | 74***114А | ||||
| Лог. эл-т Исключающее ИЛИ | КР***ТВ15 | 74***109 | |||||
| КР***ЛП5 | 74***86 | D-триггеры | |||||
| Буферный эл-т с 3-мя сост. | КР***ТМ2 | 74***74 | |||||
| КР***ЛП8 | 74***125 | КР***ТМ7 | 74***75 | ||||
| Лог. эл-т Исключ. ИЛИ с ОК | КР***ТМ8 | 74***175 | |||||
| КР***ЛП12 | 74***136 | КР***ТМ9 | 74***174 | ||||
| Буферный элемент | Триггер с раздельным запуском | ||||||
| КР***ЛП16 | 74***1034 | КР***ТР2 | 74***279 | ||||
Приложение
















