СХЕМ ЛАБ РАБОТА_ 5 (1274911)
Текст из файла
МИНИСТЕРСТВО ОБРАЗОВАНИЯ И НАУКИ
РОССИЙСКОЙ ФЕДЕРАЦИИ
_____________
ФЕДЕРАЛЬНОЕ АГЕНТСТВО ПО ОБРАЗОВАНИЮ
____________
НАЦИОНАЛЬНЫЙ ИССЛЕДОВАТЕЛЬСКИЙ УНИВЕРСИТЕТ
МОСКОВСКИЙ ЭНЕРГЕТИЧЕСКИЙ ИНСТИТУТ
Кафедра ВМСиС
Поляков А.К.
Москва 2017
СХЕМОТЕХНИКА
ЛАБОРАТОРНАЯ РАБОТА № 5
Исследование регистров и счетчиков
Код: ____________________
Продолжительность:
160 мин.
Дисциплины:
“Схемотехника”,
Предназначено:
Для студентов по направлению информатика и вычислительная техника в соответствии с учебным планом.
.
Цель:
Цель работы состоит в изучении основных характеристик регистров и счетчиков , а также овладение практическими навыками моделирования цифровых схем
Результат обучения:
После успешного завершения занятия пользователь должен уметь: проектировать регистры и счетчики и анализировать их методом моделирования, с использованием средств САПР
Используемые программы:
ACTIVE –HDL фирмы ALDEC(бесплатная студенческая версия) или бесплатная ISE WEB PACK фирмы XILINX
План занятия:
Самостоятельная работа. 180
Задания
Задание I. Исследование счетчиков
В задании предлагается исследовать временные параметры элементов микросхем счетчиков серии кр1533 и варианты организации их структуры .
Варианты заданий соответствуют номеру студента в группе
Пункты:
-
Построить схему и исследовать работу N-разрядного суммирующего счетчика
Сравнить расчетные задержки счетчика с задержками сигналов на временной диаграмме
Варианты
| № | Тип триггера,используемого в счетчике | N |
| 1 | D | 3 |
| 2 | JK | 3 |
| 3 | D | 2 |
| 4 | JK | 3 |
| 5 | D | 2 |
| 6 | D | 3 |
| 7 | JK | 2 |
| 8 | JK | 2 |
| 9 | D | 3 |
2.Построить счетчик на базе микросхемы ИЕ7 серии кр1533 и исследовать его работу.
Определить максимальную частоту синхросигнала, на которой работает счетчик и задержки выходного сигнала по отношению к активному фронту синхросигнала. Сравнить с данными, указанными в справочнике
3. Построить счетчик по произвольному основанию на базе микросхемы ИЕ7 и исследовать его работу.
Варианты
| № | основание |
| 1 | 2 |
| 2 | 3 |
| 3 | 4 |
| 4 | 5 |
| 5 | 6 |
| 6 | 7 |
| 7 | 8 |
| 9 | 10 |
4. Используя два 4-разрядных двоичных счетчика, построить схему
8-разрядного суммирующего счетчика. Собрать ее в графическом редакторе и проверить правильность функционирования. Снять осциллограммы работы счетчика на интервале счета 15, 16 и 17 импульсов.
5. Построить счетчик Джонсона на любой из использовавшейся ранее вами или любой из имеющихся в библиотеке СХЕМ-ЛИБ элементной базе и исследовать его работу
Варианты
| № | Число разрядов | |
| 1 | 2 | |
| 2 | 3 | |
| 3 | 4 | |
| 4 | 5 | |
| 5 | 2 | |
| 6 | 3 | |
| 7 | 4 | |
| 8 | 5 |
-
Общие теоретические сведения.
Счетчики
Счетчиком называется цифровое устройство, предназначенное для счета числа входных импульсов.
Счетчик выполняет следующие операции:
– установка в ноль
– запись входной информации
– хранение
– выдача информации
– инкремент (увеличение хранящегося кода на единицу)
– декремент (уменьшение хранящегося кода на единицу)
– деление частоты входных сигналов
Основные параметры счетчика:
а) Модуль счета (основание счетчика) – M – максимальное число импульсов, после прихода которых счетчик устанавливается в исходное состояние.
б) Основным динамическим параметром является время установления выходного кода – tk – временной интервал между моментом подачи входного сигнала и моментом установления нового кода на выходе.
tk определяет максимально возможную частоту переключения младшего разряда счетчика.
Классификация счетчиков:
1) по величине модуля счета M:
• двоичные счетчики (модуль счета равен степени числа 2)
,
• двоично-кодированные (модуль счета может принимать любое, не равное целой степени числа два, значение).
2) по направлению счета:
• суммирующие (выполняют операцию инкремента),
• вычитающие (выполняют операцию декремента),
• реверсивные (выполняют операции инкремента и декремента).
3) по виду межразрядных связей:
• с последовательным переносом: с непосредственной связью и со
сквозным переносом,
• с параллельным переносом
· с комбинированным переносом.
4) по способу синхронизации
• синхронные (каждый триггер переключается по сигналу C),
• асинхронные (каждый триггер переключается выходным сигналом предыдущего).
Такие счетчики строят чаще всего либо на Т-триггерах, либо на JK-триггерах (в счетном режиме)
5) по способу кодирования:
• двоичные,
• счетчики Джонсона,
• счетчики с кодом "1 из N".
Состояние счетчика считывается по выходам . Входные сигналы поступают на младший разряд.
4.7.1. Счетчики с непосредственной связью.
Счетчик с непосредственной связью между триггерами относится к классу счетчиков с последовательным переносом. Счетчик может быть построен на основе D и JK триггеров, работающих в режиме счетного Т триггера.
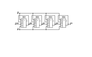
С
хема счетчика с М = 16 = 24 с непосредственной связью и временная диаграмма его работы приведены на рис. 4.24 и 4.25.
Рис. 4.24. Счетчик последовательный перенос,с непосредственной связью на триггерах типа ТМ2
Рис. 4.25. Временная диаграмма работы счетчика с непосредственной связью
В схеме счетчика нет других элементов, кроме D-триггеров, включенных по схеме счетных Т-триггеров. Состояние Т-триггера меняется на противоположное на каждом фронте импульса, поступающего на вход С.
Сигнал на выходе триггера DD1 младшего разряда Q0 изменяется с частотой, равной половине частоты сигнала CLK. Фронт этой последовательности является сигналом переноса в старший разряд, собранный на триггере DD2. Таким образом, сигнал переноса последовательно передается от младшего разряда к старшему. Это счетчик с последовательным переносом.
Счетчик с непосредственной связью обладает малым быстродействием. Сигнал переноса в худшем случае достигает последнего разряда n за время, равное Tp = n tpTQ, где tpTQ – время задержки сигнала в триггере.
Это видно на временной диаграмме, представленной на рис. 4.26. В промежутках между состояниями 1 и 2, 3 и 4, 5 и 6, 7 и 8 видны недействительные (неправильные) состояния счетчика. Видно, что время, занятое недействительными состояниями, возрастает по направлению к старшему разряду.
Более хорошими свойствами обладает синхронный счетчик с последовательным переносом.
ПРИЛОЖЕНИЕ 1
Отечественные микросхемы и их зарубежные аналоги
| Микросхема серии КР1533 | Задержка Тср макс.в нс |
| КР1533ЛИ9- 6 буферных элемента | 9 |
| КР1533ЛА3- 4 элемента 2И-НЕ | 10 |
| КР1533ЛИ3- 3 элемента 3И | 11 |
| КР1533ЛЕ1 – 4 элемента 2ИЛИ-Не | 11 |
| КР1533 ЛЛ1- 4 элемента 2ИЛИ | 13 |
| КР1533ЛН1- 6 элементов НЕ | 10 |
| КР1533ЛИ1- 3 элемента 2И | 10 |
| Отечественные микросхемы | Зарубежный аналог | Отечественные микросхемы | Зарубежный аналог | |
| Дешифраторы | КР***КП12 | 74***253 | ||
| КР***ИД4 | 74***155 | КР***КП13 | 74***298 | |
| КР***ИД7 | 74***138 | КР***КП14 | 74***258 | |
| КР***ИД14 | 74***139 | КР***КП15 | 74***251 | |
| Счетчики | КР***КП16 | 74***157 | ||
| КР***ИЕ2 | 74***90 | КР***КП17 | 74***353 | |
| КР***ИЕ5 | 74***93 | КР***КП18 | 74***158 | |
| КР***ИЕ6 | 74***192 | КР***КП19 | 74***352 | |
| КР***ИЕ7 | 74***193 | Логические элементы И-НЕ | ||
| КР***ИЕ9 | 74***160А | КР***ЛА1 | 74***20 | |
| КР***ИЕ10 | 74***161 | КР***ЛА2 | 74***30 | |
| КР***ИЕ11 | 74***162 | КР***ЛА3 (2И-НЕ) | 74***00 | |
| КР***ИЕ12 | 74***190 | КР***ЛА4 | 74***10 | |
| КР***ИЕ13 | 74***191 | КР***ЛА6 | 74***40А | |
| КР***ИЕ18 | 74***163 | КР***ЛА7 | 74***22 | |
| КР***ИЕ19 | 74***393 | КР***ЛА8 | 74***01 | |
| Регистры | КР***ЛА9 | 74***03 | ||
| КР***ИР9 | 74***165 | КР***ЛА10 | 74***12А | |
| КР***ИР10 | 74***166 | КР***ЛА12 | 74***37 | |
| КР***ИР22 | 74***373 | КР***ЛА13 | 74***38 | |
| КР***ИР23 | 74***374 | КР***ЛА21 | 74***1000А | |
| КР***ИР24 | 74***299 | КР***ЛА22 | 74***1020А | |
| КР***ИР29 | 74***323 | КР***ЛА23 | 74***1003А | |
| КР***ИР30 | 74***259 | КР***ЛА24 | 74***1010А | |
| КР***ИР32 | 74***170 | Логические элементы ИЛИ-НЕ | ||
| КР***ИР33 | 74***573 | КР***ЛЕ1 (2ИЛИ-НЕ) | 74***02 | |
| КР***ИР34 | 74***873 | КР***ЛЕ4 | 74***27 | |
| КР***ИР35 | 74***273 | КР***ЛЕ10 | 74***1002А | |
| КР***ИР37 | 74***574 | КР***ЛЕ11 | 74***33А | |
| КР***ИР38 | 74***874 | Логические элементы И | ||
| Мультиплексоры | КР***ЛИ1 (2И) | 74***08 | ||
| КР***КП2 | 74***153 | КР***ЛИ2 | 74***09 | |
| КР***КП7 | 74***151 | КР***ЛИ3 | 74***11А | |
| КР***КП11 | 74***257 | КР***ЛИ4 | 74***15А | |
| Логические элементы И | Буферный элемент с ОК | |||
| КР***ЛИ6 | 74***21 | КР***ЛП17 | 74***1035 | |
АЛУ
| ИП3 | 74***181 | ИП4 | 74***182 | |
| 4-х разр. АЛУ | Сх.ускор.переноса |
Окончание табл. П1
| Отечественные микросхемы | Зарубежный аналог | Отечественные микросхемы | Зарубежный аналог | ||||
| КР***ЛИ8 | 74***1008А | Лог. эл-т 4И-2ИЛИ-НЕ | |||||
| КР***ЛИ10 | 74***1011А | КР***ЛР4 | 74***55 | ||||
| Логические элементы ИЛИ | Лог. эл-т 2И-2ИЛИ-НЕ | ||||||
| КР***ЛЛ1 | 74***32 | КР***ЛР11 | 74***51 | ||||
| КР***ЛЛ4 | 74***1032А | Лог. эл-т 3-2-2-3И-4ИЛИ-НЕ | |||||
| Логические элементы НЕ | КР***ЛР13 | 74***54 | |||||
| КР***ЛН1 | 74***04 (2ИЛИ) | JK-триггеры | |||||
| КР***ЛН2 | 74***05 | КР***ТВ6 | 74***107 | ||||
| КР***ЛН7 | 74***368 | КР***ТВ9 | 74***112А | ||||
| КР***ЛН8 | 74***1004 | КР***ТВ10 | 74***113А | ||||
| КР***ЛН10 | 74***1005 | КР***ТВ11 | 74***114А | ||||
| Лог. эл-т Исключающее ИЛИ | КР***ТВ15 | 74***109 | |||||
| КР***ЛП5 | 74***86 | D-триггеры | |||||
| Буферный эл-т с 3-мя сост. | КР***ТМ2 | 74***74 | |||||
| КР***ЛП8 | 74***125 | КР***ТМ7 | 74***75 | ||||
| Лог. эл-т Исключ. ИЛИ с ОК | КР***ТМ8 | 74***175 | |||||
| КР***ЛП12 | 74***136 | КР***ТМ9 | 74***174 | ||||
| Буферный элемент | Триггер с раздельным запуском | ||||||
| КР***ЛП16 | 74***1034 | КР***ТР2 | 74***279 | ||||
ПРИЛОЖЕНИЕ 2
Характеристики
Тип файла документ
Документы такого типа открываются такими программами, как Microsoft Office Word на компьютерах Windows, Apple Pages на компьютерах Mac, Open Office - бесплатная альтернатива на различных платформах, в том числе Linux. Наиболее простым и современным решением будут Google документы, так как открываются онлайн без скачивания прямо в браузере на любой платформе. Существуют российские качественные аналоги, например от Яндекса.
Будьте внимательны на мобильных устройствах, так как там используются упрощённый функционал даже в официальном приложении от Microsoft, поэтому для просмотра скачивайте PDF-версию. А если нужно редактировать файл, то используйте оригинальный файл.
Файлы такого типа обычно разбиты на страницы, а текст может быть форматированным (жирный, курсив, выбор шрифта, таблицы и т.п.), а также в него можно добавлять изображения. Формат идеально подходит для рефератов, докладов и РПЗ курсовых проектов, которые необходимо распечатать. Кстати перед печатью также сохраняйте файл в PDF, так как принтер может начудить со шрифтами.
















