СХЕМ ЛАБ РАБОТА_ 6 (1274912)
Текст из файла
МИНИСТЕРСТВО ОБРАЗОВАНИЯ И НАУКИ
РОССИЙСКОЙ ФЕДЕРАЦИИ
_____________
ФЕДЕРАЛЬНОЕ АГЕНТСТВО ПО ОБРАЗОВАНИЮ
____________
НАЦИОНАЛЬНЫЙ ИССЛЕДОВАТЕЛЬСКИЙ УНИВЕРСИТЕТ
МОСКОВСКИЙ ЭНЕРГЕТИЧЕСКИЙ ИНСТИТУТ
Кафедра ВМСиС
Поляков А.К.
Москва 2017
СХЕМОТЕХНИКА
ЛАБОРАТОРНАЯ РАБОТА № 6
Изучение методов проектирования синхронных схем
Код: ____________________
Продолжительность:
160 мин.
Дисциплины:
“Схемотехника”,
Предназначено:
Для студентов по направлению информатика и вычислительная техника в соответствии с учебным планом.
.
Цель:
Цель работы состоит в изучении основных характеристик счетчиков и изучении методики проектирования синхронных схем , а также овладение практическими навыками
моделирования цифровых схем
Результат обучения:
После успешного завершения занятия пользователь должен уметь: проектировать счетчики и Синхронные схемы и анализировать их методом моделирования, с использованием средств САПР
Используемые программы:
ACTIVE –HDL фирмы ALDEC(бесплатная студенческая версия) или бесплатная ISE WEB PACK фирмы XILINX
План занятия:
Самостоятельная работа. 180
Задания
1.Построить и проверить схему упрощенного
кодового замка.
Кнопки набора кода,ввод и сброс.
Примерный алгоритм работы -после набора кода пользователь нажимает кнопку ввод. Если код совпадает с кодом уставки- посылается сигнал открытия двери и схема устанавливается в исходное состояние.
Если нет- сигнал о том,что неверный код. Пользователь набирает код снова. Фиксируется число неудачных попыток и при его превышении замок блокируется на время таймаута.
Для синхронизации используется постоянно работающий тактовый генератор.
Для упрощения схемы не предусматривается защита от дребезга контактов, от повторных сбросов при первых неудачах и т.п.
(в схеме регистр имеются: уставки с верным кодом,схема сравнения,счетчик попыток и счетчик таймаута и т.п..
| № | Число кнопок кода | Число неудачных попыток |
| 1 | 4 | 2 |
| 2 | 4 | 4 |
| 3 | 5 | 3 |
| 4 | 4 | 3 |
| 5 | 5 | 3 |
| 6 | 4 | 3 |
| 7 | 4 | 2 |
| 8 | 5 | 2 |
| 9 | 5 | 4 |
Задание 2.
Исследование вариантов и способов проектирования синхронных схем
Слушатель сам выбирает- упрощенные или более сложные варианты.
Варианты упрощенные-
Построить различные схемы реализации функции от четырех переменных
У=А операция В операция С операция D с использованием операции согласно варианту. Проверить их моделированием, получить временные диаграммы, сравнить по затратам оборудования и по предельному быстродействию.
Варианты
| № | Две реализации | операция |
| 1 | последовательную и параллельную | И |
| 2 | последовательную и конвейерную | ИЛИ |
| 3 | параллельную и конвейерную | И-НЕ |
| 4 | последовательную и параллельную | ИЛИ-НЕ |
| 5 | последовательную и конвейерную | И |
| 6 | параллельною и конвейерную | ИЛИ |
| 7 | параллельную и конвейерную | И-не |
| 8 | последовательную и параллельную | ИЛИ-не |
| 9 | последовательную и конвейерную | ИЛИ |
Варианты более сложные
Построить различные схемы сложения четырех одноразрядных двоичных чисел
У=А+В+С+Д с использованием одноразрядных сумматоров ( модель сумматора возьмите из ранее выполненной вами лаб.работы №3).
Подсчитать: расход аппаратуры, их мин. тактовый период и латентность, промоделировать и сравнить полученные мах. быстродействие и латентность с расчетными .
.
Варианты
| № | Две схемы реализации сложения | |
| 1 | последовательную и параллельную | |
| 2 | последовательную и конвейерную | |
| 3 | параллельною и конвейерную | |
| 4 | последовательную и параллельную | |
| 5 | последовательную и конвейерную | |
| 6 | параллельною и конвейерную | |
| 7 | параллельною и конвейерную | |
| 8 | последовательную и параллельную | |
| 9 | последовательную и конвейерную |
Пример.последовательная схема сложения
При трех одноразрядных А,В,С сумма может быть 2-разрядной) Последовательная схема состоит из одного трехразрядного сумматора( вх Х1,Х2,Х3, вых Ус,Упер) , одного трехразрядного регистра суммы У и одноразрядного регистра переноса Уп и схемы управления( счетчик на 2 разр и комб. схема).
Алгоритм работы.
1 такт начальная установка схемы.У=0,сч=0,Уп=0
2 прием и сложение с У=0 числа А
3. Прием и сложение числа В
4.Прием и сложение числа С
5 прием и слож Д
Параллельная схема
Состоит из трех сумматоров и одного регистра
Реализует алгоритм У=(А+В) +(С+Д).
Первый каскад сумматоров- одноразрядные два сумматора
Второй каскад-двухразрядный сумматор.
-
Общие теоретические сведения.
-
Проектирование синхронных схем
Современные подходы к проектированию цифровой аппаратуры рассмотрены в большом числе литературных источников[21-25].Ниже приводятся лишь некоторые рекомендации из этой области. Наряду с примерами удачных схемотехнических решений даны и примеры неудачных. При их анализе временных соотношений следует учитывать, что в схемах, реализованных на элементах среднего уровня интеграции типа отечественных серий КР1553 и КР1554 тактовые частоты лежат в пределах десятков мегагерц и задержки сигналов в проводниках существенно меньше задержек сигналов в элементах. Однако в современных Больших Интегральных Схем(БИС) с тактовой частотой в несколько сотен мегагерц задержки в проводниках соизмеримы с задержками логических элементов и могут превышать их.
5.1.1 Понятие синхронной схемы
Синхронные схемы (модули) – это тактируемые схемы, которые обладают следующими свойствами.
1)Все запоминающие элементы схемы (триггеры–flip flop, регистры(register), блоки памяти (оперативной – ОЗУ (RAM), постоянной– ПЗУ(ROM), с организацией типа очередь– ФИФО(FIFO )и т.п.) должны изменять свои состояния одновременно по одному и тому же активному фронту поступающего извне тактового сигнала(С- clock ).
2)Этот синхросигнал(С-clock) без задержек, т.е. одновременно, должен поступать на все запоминающие элементы схемы.
Внешний синхросигнал при реализации синхронной схемы на кристалле вводится через специальный тактовый буфер и разводится так, чтобы обеспечить одновременность его поступления на все запоминающие элементы.
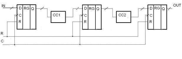
На рис.5.1 представлена обобщенная структура синхронной схемы с однотактной синхронизацией (сигнал С). К моменту прихода внешнего синхросигнала С на регистры (RG–register) выходы комбинационных схем (CC–combinatorial circuit) должны успеть принять стабильное состояние.
-
Рис.5.1. Обобщенная структура синхронной схемы
-
Таким образом, согласно принципам «чистого синхронизма » не рекомендуется, например, строить схемы, в которых применяются управляемые синхросигналы (gated clocks). Управляемым называется синхросигнал, генерируемый внутри схемы и трассируемый, если САПР не получает специальных указаний от проектировщика, как обычный сигнал. На схеме рис.5.2 это сигнал C1.
-
Рис.5.2. Схема приема на регистр с управляемым синхросигналом С1
-
Если такой управляемый синхросигнал поступает на множество триггеров, за схемой И (рис.5.2) должен стоять по крайней мере буферный повторитель, а «по хорошему» должна использоваться специальная сеть разводки этого нового, задержанного синхросигнала С1. Применение «управляемых синхросигналов» сильно усложняет расчет временных параметров схем. Использование триггеров с разрешающим входом, как это показано на рис.5.3 во многих случаях позволяет избежать ситуации с управляемыми синхросигналами.
-
Рис.5.3. Улучшенный вариант схемы приема на регистр, построенный на триггерах с разрешающим входом EN
-
Однако в схемотехнике устройств с малым потреблением энергии
-
(low power design) управляемые синхросигналы применяются часто(на период неактивности модуля его управляемый синхросигнал отключается), но в таком случае это является предметом особого внимания.
Прежде чем рассмотреть синхронные схемы более подробно, следует ответить на вопрос, почему в основной массе проектов используются синхронные, а не асинхронные схемы?
1) Синхронные схемы более устойчивы к разбросу параметров элементов и условий эксплуатации – температуры, напряжения источников питания и т.п.
Характеристики
Тип файла документ
Документы такого типа открываются такими программами, как Microsoft Office Word на компьютерах Windows, Apple Pages на компьютерах Mac, Open Office - бесплатная альтернатива на различных платформах, в том числе Linux. Наиболее простым и современным решением будут Google документы, так как открываются онлайн без скачивания прямо в браузере на любой платформе. Существуют российские качественные аналоги, например от Яндекса.
Будьте внимательны на мобильных устройствах, так как там используются упрощённый функционал даже в официальном приложении от Microsoft, поэтому для просмотра скачивайте PDF-версию. А если нужно редактировать файл, то используйте оригинальный файл.
Файлы такого типа обычно разбиты на страницы, а текст может быть форматированным (жирный, курсив, выбор шрифта, таблицы и т.п.), а также в него можно добавлять изображения. Формат идеально подходит для рефератов, докладов и РПЗ курсовых проектов, которые необходимо распечатать. Кстати перед печатью также сохраняйте файл в PDF, так как принтер может начудить со шрифтами.
















