СХЕМ ЛАБ РАБОТА _4 (1274909), страница 4
Текст из файла (страница 4)
Рис. 4.19. Временная диаграмма работы регистра сдвига вправо
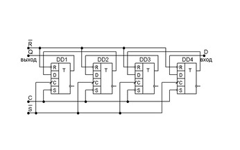
Регистр сдвига влево (DSL) отличается только другой организацией межразрядных связей. Вход D находится справа, а выход Q – слева. Схема регистра приведена на рис. 4.20.
Рис. 4.20. Схема регистра сдвига влево (DSL)
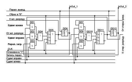
Разработано большое количество схем универсальных регистров, в которых объединены функции параллельного регистра и регистра сдвига. Универсальный регистр (рис. 4.21) выполняет следующие функции:
-
Параллельную загрузку двоичного числа;
-
Параллельную выгрузку двоичного числа, и
-
Сдвиг числа влево или вправо.
Рис. 4.21. Схема универсального регистра
Выбор режима работы регистра происходит путем подачи лог. "1" на один из управляющих входов.
Промышленность выпускает несколько типов универсальных регистров в интегральном исполнении, например, регистр типа ИР13. Таблица функционирования этого регистра и его УГО приведена на рис. 4.26.
| Режим | Входы | Выходы | ||||||||
| С | R | S0 | S1 | DR | DL | D | Q0 | Q7 | ||
| Сброс | x | L | x | x | x | x | x | L | L | |
| Хранение | ↑ | H | L | L | x | x | x | Q0 | Q7 | |
| Сдвиг влево | ↑ | Н H | H H | L L | x x | L H | x x | Q1 Q1 | L H | |
| Сдвиг вправо | ↑ | H H | L L | H H | L H | x x | x x | L H | Q6 Q6 | |
| Паралл. загрузка | ↑ | H | H | H | x | x | D | D0 | D7 | |
а) б)
а) таблица функционирования, б) УГО
Рис. 4.22. Таблица функционирования и УГО регистра типа ИР13
4.6.4. Описание регистра сдвига на VHDL
УГО регистра сдвига с параллельной загрузкой по DL , последовательной по S1 и асинхронным сбросом R приведено на рис.4.23.
Рис.4.23.УГО регистра сдвига с параллельной загрузкой по DL , последовательной по S1 и сбросом по R=0
ПРИЛОЖЕНИЕ 1
Таблица П1. Отечественные микросхемы и их зарубежные аналоги
| Микросхема серии КР1533 |
| КР1533ЛА3- 4 элемента 2И-НЕ |
| КР1533ЛИ3- 3 элемента 3И |
| КР1533ЛЕ – 3 элемента 3ИЛИ-Не |
| КР1533 ЛЛ1- 4 элемента 2ИЛИ |
| КР1533ЛН1- 6 элементов НЕ |
| КР1533ЛИ1- 3 элемента 2И |
| КР1533ЛЛ5- 4 элемента 2XOR |
| КР1533ИП5- элемент 9XOR |
| КР1533ЛН1- 6 элементов НЕ |
| Отечественные микросхемы | Зарубежный аналог | Отечественные микросхемы | Зарубежный аналог | |
| Дешифраторы | КР***КП12 | 74***253 | ||
| КР***ИД4 | 74***155 | КР***КП13 | 74***298 | |
| КР***ИД7 | 74***138 | КР***КП14 | 74***258 | |
| КР***ИД14 | 74***139 | КР***КП15 | 74***251 | |
| Счетчики | КР***КП16 | 74***157 | ||
| КР***ИЕ2 | 74***90 | КР***КП17 | 74***353 | |
| КР***ИЕ5 | 74***93 | КР***КП18 | 74***158 | |
| КР***ИЕ6 | 74***192 | КР***КП19 | 74***352 | |
| КР***ИЕ7 | 74***193 | Логические элементы И-НЕ | ||
| КР***ИЕ9 | 74***160А | КР***ЛА1 | 74***20 | |
| КР***ИЕ10 | 74***161 | КР***ЛА2 | 74***30 | |
| КР***ИЕ11 | 74***162 | КР***ЛА3 (2И-НЕ) | 74***00 | |
| КР***ИЕ12 | 74***190 | КР***ЛА4 | 74***10 | |
| КР***ИЕ13 | 74***191 | КР***ЛА6 | 74***40А | |
| КР***ИЕ18 | 74***163 | КР***ЛА7 | 74***22 | |
| КР***ИЕ19 | 74***393 | КР***ЛА8 | 74***01 | |
| Регистры | КР***ЛА9 | 74***03 | ||
| КР***ИР9 | 74***165 | КР***ЛА10 | 74***12А | |
| КР***ИР10 | 74***166 | КР***ЛА12 | 74***37 | |
| КР***ИР22 | 74***373 | КР***ЛА13 | 74***38 | |
| КР***ИР23 | 74***374 | КР***ЛА21 | 74***1000А | |
| КР***ИР24 | 74***299 | КР***ЛА22 | 74***1020А | |
| КР***ИР29 | 74***323 | КР***ЛА23 | 74***1003А | |
| КР***ИР30 | 74***259 | КР***ЛА24 | 74***1010А | |
| КР***ИР32 | 74***170 | Логические элементы ИЛИ-НЕ | ||
| КР***ИР33 | 74***573 | КР***ЛЕ1 (2ИЛИ-НЕ) | 74***02 | |
| КР***ИР34 | 74***873 | КР***ЛЕ4 | 74***27 | |
| КР***ИР35 | 74***273 | КР***ЛЕ10 | 74***1002А | |
| КР***ИР37 | 74***574 | КР***ЛЕ11 | 74***33А | |
| КР***ИР38 | 74***874 | Логические элементы И | ||
| Мультиплексоры | КР***ЛИ1 (2И) | 74***08 | ||
| КР***КП2 | 74***153 | КР***ЛИ2 | 74***09 | |
| КР***КП7 | 74***151 | КР***ЛИ3 | 74***11А | |
| КР***КП11 | 74***257 | КР***ЛИ4 | 74***15А | |
| Логические элементы И | Буферный элемент с ОК | |||
| КР***ЛИ6 | 74***21 | КР***ЛП17 | 74***1035 | |
АЛУ
| ИП3 | 74***181 | ИП4 | 74***182 | |
| 4-х разр АЛУ | Сх.ускор.переноса |
Окончание табл. П1
| Отечественные микросхемы | Зарубежный аналог | Отечественные микросхемы | Зарубежный аналог | ||||
| КР***ЛИ8 | 74***1008А | Лог. эл-т 4И-2ИЛИ-НЕ | |||||
| КР***ЛИ10 | 74***1011А | КР***ЛР4 | 74***55 | ||||
| Логические элементы ИЛИ | Лог. эл-т 2И-2ИЛИ-НЕ | ||||||
| КР***ЛЛ1 | 74***32 | КР***ЛР11 | 74***51 | ||||
| КР***ЛЛ4 | 74***1032А | Лог. эл-т 3-2-2-3И-4ИЛИ-НЕ | |||||
| Логические элементы НЕ | КР***ЛР13 | 74***54 | |||||
| КР***ЛН1 | 74***04 (2ИЛИ) | JK-триггеры | |||||
| КР***ЛН2 | 74***05 | КР***ТВ6 | 74***107 | ||||
| КР***ЛН7 | 74***368 | КР***ТВ9 | 74***112А | ||||
| КР***ЛН8 | 74***1004 | КР***ТВ10 | 74***113А | ||||
| КР***ЛН10 | 74***1005 | КР***ТВ11 | 74***114А | ||||
| Лог. эл-т Исключающее ИЛИ | КР***ТВ15 | 74***109 | |||||
| КР***ЛП5 | 74***86 | D-триггеры | |||||
| Буферный эл-т с 3-мя сост. | КР***ТМ2 | 74***74 | |||||
| КР***ЛП8 | 74***125 | КР***ТМ7 | 74***75 | ||||
| Лог. эл-т Исключ. ИЛИ с ОК | КР***ТМ8 | 74***175 | |||||
| КР***ЛП12 | 74***136 | КР***ТМ9 | 74***174 | ||||
| Буферный элемент | Триггер с раздельным запуском | ||||||
| КР***ЛП16 | 74***1034 | КР***ТР2 | 74***279 | ||||
Приложение 2
Фрагмент отчета по работе №4
















