СХЕМ ЛАБ РАБОТА _4 (1274909), страница 2
Текст из файла (страница 2)
-
Если одновременно подать на входы сигналы R = 1 и S = 1, то выходы окажутся в состоянии Q =
= 0. Такая комбинация входных сигналов является запрещенной для триггера на элементах ИЛИ-НЕ.
Временная диаграмма работы RS-триггера приведена на рис. 4.2.
Рис. 4.2. Временная диаграмма RS-триггера
Важным временным параметром цифровой схемы является Время задержки распространения сигнала. Это время, необходимое для изменения выходного сигнала после изменения входного сигнала. На рис. 4.2 обозначено время задержки распространения tpLH(SQ) – время, необходимое для переключения от низкого уровня сигнала к высокому, и tpHL (RQ) – время, необходимое для переключения от высокого логического уровня сигнала к низкому. Эти времена задержки могут быть не равны между собой.
Сигналы, поступающие на входы RS-триггера, должны иметь достаточную длительность. Если длительность входных импульсов меньше заданного в справочниках минимального времени действия импульса tp(min) (обычно это время близко к времени задержки распространения), то переходный процесс, связанный с перезарядкой емкостей, может не дойти до конца. Тогда могут случайно возникнуть три ситуации:
-
Триггер успеет перейти в новое состояние,
-
Триггер останется в прежнем состоянии, и
-
Триггер перейдет в метастабильное состояние, когда на какое-то случайное время на обоих выходах триггера окажется состояние 1 или 0.
Триггер попадает в метастабильное состояние, если импульсы на его входах появляются одновременно. Если входные сигналы одновременно снять, то схема на случайное время останется в метастабильном состоянии, а затем случайным образом перейдет в одно из устойчивых состояний. Поэтому входные сигналы R и S должны иметь минимальный временной сдвиг, называемый временем восстановления.
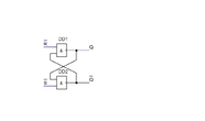
4.2.3 Асинхронный триггер на элементах И-НЕ.
R
S-триггер может быть построен на элементах И-НЕ.
| R | S |
|
|
| 1 | 1 |
|
|
| 1 | 0 | 0 | 1 |
| 0 | 1 | 1 | 0 |
| 0 | 0 | 1 | 1 |
а) б) в)
а) схема, б) таблица функционирования, в) УГО
Рис. 4.3. Асинхронный RS-триггер-защелка на элементах 2И-НЕ
Активными уровнями сигналов R и S на входе являются низкие уровни. Запрещенным состоянием является R = 0 и S = 0. По такой схеме выпускается отечественная микросхема RS-триггера КР1533ТР2. Ниже вариант реализации схемы RS-триггера на элементах микросхемы ЛА3 (2И-НЕ), рисунок схемы выполнен с помощью схемного редактора САПР ISE
Рис. Схема RS-триггера
Ниже временная диаграмма модели триггера, на которой видно , что задержка элемента 2И-не принята =10 нс, входные сигналы меняются каждые 40 нс, начальное состояние сигналов триггера неопределенное и потом изменяется на 0 и 1.
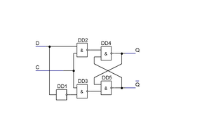
4.2.4. Синхронный RS-триггер
Для синхронизации переключений триггера вводится дополнительный сигнал синхронизации С, активный уровень которого разрешает переключение триггера в соответствии с входными сигналами R и S.
| S | R | C | Q | Q |
| 0 | 0 | 1 | Qt-1 | Qt-1 |
| 0 | 1 | 1 | 0 | 1 |
| 1 | 0 | 1 | 1 | 0 |
| 1 | 1 | 1 | 0 | 0 |
| x | x | 0 | Qt-1 | Qt-1 |
а) б)
а) схема б) таблица функционирования
Рис. 4.4. Синхронный RS-триггер
Временная диаграмма работы синхронного RS-триггера показана на следующем рисунке.
Рис. 4.5. Временная диаграмма работы синхронного RS-триггера
Отсчет моментов времени на временной диаграмме проводится от середины фронтов импульсов. Если сигналы на входах S = 1 и R = 0, то через время tpLH на выходе Q появится сигнал Q = 1.
4.2.6. D-триггер с управлением уровнем синхросигнала
Для хранения одного информации, поступающего по отдельной сигнальной линии, применяется D-триггер. Его схема приведена на рис. 4.6.
Когда подан синхросигнал С высокого уровня, D-триггер "прозрачен", так как сигнал на выходе Q повторяет сигнал на входе D с учетом задержки распространения. Если сигнал С низкого уровня, то D-триггер переходит в режим хранения и сохраняет на выходе последнее значение сигнала D.
Триггер "прозрачен" все время, пока действует синхросигнал.
| C | D | Q | Q |
| 1 | 0 | 0 | 1 |
| 1 | 1 | 1 | 0 |
| 0 | x | Qt-1 | Qt-1 |
а) б)
а) схема D-триггера, б) таблица функционирования.
Рис. 4.6. D-триггер (защелка)
Временная диаграмма работы D-триггера представлена на следующем рис. 4.7. Если сигнал на входе D = 1, то после появления сигнала С = 1 через время tpLH(CQ) на выходе Q появится сигнал Q = 1.
Поведение D-триггера в районе спада сигнала С имеет особенности. В это время сигнал на входе D не должен меняться. Этот интервал времени начинается за время установки tsetup до спада сигнала С и заканчивается через время удержания thold после спада сигнала С. Если сигнал D изменяется в течение этого интервала, то последующее состояние триггера оказывается непредсказуемым. Это может привести к сбою в работе цифровой схемы.
Рис. 4.7. Временная диаграмма для D-триггера (защелки)
Асинхронные триггеры и триггеры с синхронизацией по уровню синхросигнала (триггеры с потенциальным управлением) являются наиболее простыми по схеме. Однако в настоящее время эти триггеры применяются редко. Им на смену пришли более сложные, но и более надежные двухступенчатые триггеры, а также синхронные триггеры с синхронизацией по фронту синхросигнала (триггеры с динамическим управлением).
4.2.8. Триггеры с динамическим управлением.
Основным недостатком триггеров с потенциальным управлением является недостаточная надежность. При изменении входного сигнала во время действия синхроимпульса триггер может переключиться.
Триггер с динамическим управлением переключается только в малой окрестности фронта синхроимпульса.
Промышленность выпускает различные типы микросхем триггеров с динамическим управлением, схемы которых близки между собой.
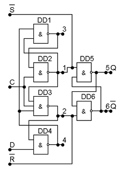
Схема шестиэлементного D-триггера с динамическим управлением приведена на рис. 4.8, а временная диаграмма его работы – на рис. 4.9.
а) б)
а) – схема D-триггера, б) – УГО D-триггера типа ТМ2
Рис. 4.8. D-триггер с динамическим управлением
Н
а этой временной диаграмме названия графиков совпадают с обозначениями контрольных точек на выходе логических элементов.
В этой схеме хранение информации происходит в выходном RS-триггере (элементы DD5 и DD6) с инверсными сигналами на входах.
Управление схемой осуществляют еще два RS-триггера (элементы DD1 и DD2, DD3 и DD4).
Логические элементы DD2 и DD3 являются входными конъюкторами для выходного RS-триггера. Если С = 0, то эти элементы закрыты и выходной RS-триггер находится в режиме хранения. Это отражено на временной диаграмме, где в моменты времени t1, t2, t4, t5 и t7 при изменении сигнала D на входе состояние триггера не изменяется.
В момент времени t3 (D = 1) происходит переключение триггера. В этот момент времени на входе DD1 (точка 3) – единица, на выходе DD3 (точка 1) – единица, а на выходе DD4 (точка 4) – ноль. В результате на входах DD2 образуется единица, а на выходе (точка 1) – ноль. В результате DD5 закрывается и на его выходе Q (точка 5) появляется единица. Следом на выходе DD6 Q (точка 6) появляется ноль.
В
момент времени t8 по следующему фронту синхроимпульса С происходит обратное переключение триггера. В этот момент времени на входе DD4 (точка 4) – единица, на выходе DD1 (точка 3) – ноль, а на выходе DD2 (точка 1) – единица. В результате на входах DD3 образуется единица, а на выходе (точка 2) – ноль. В результате DD6 закрывается и на его выходе Q (точка 6) появляется единица. Следом на выходе DD5 Q (точка 5) появляется ноль. В остальные моменты времени, отмеченные на временной диаграмме, триггер не переключается.
t1 t2 t3 t4 t5 t6 t7 t8
D
C
1
2
3
= 0. Такая комбинация входных сигналов является запрещенной для триггера на элементах ИЛИ-НЕ.
















